超級可靠的漏電保護測試係統電路設計
發布時間:2015-02-07 責任編輯:sherryyu
【導讀】文章介紹的漏電保護器動作特性自動測試係統,可測量漏電保護器的漏電動作電流值、分(fen)斷(duan)時(shi)間(jian)和(he)漏(lou)電(dian)不(bu)動(dong)作(zuo)電(dian)流(liu)值(zhi),對(dui)提(ti)高(gao)漏(lou)電(dian)保(bao)護(hu)器(qi)工(gong)作(zuo)的(de)可(ke)靠(kao)性(xing)提(ti)供(gong)了(le)主(zhu)要(yao)技(ji)術(shu)參(can)數(shu),檢(jian)測(ce)過(guo)程(cheng)具(ju)有(you)較(jiao)高(gao)的(de)自(zi)動(dong)化(hua)水(shui)平(ping),可(ke)對(dui)在(zai)線(xian)運(yun)行(xing)與(yu)非(fei)在(zai)線(xian)運(yun)行(xing)的(de)漏(lou)電(dian)保(bao)護(hu)器(qi)進(jin)行(xing)檢(jian)測(ce)。
據不完全統計,我國每年因漏電而引起的觸電事故、火huo災zai造zao成cheng數shu千qian人ren死si亡wang和he數shu十shi億yi的de經jing濟ji損sun失shi,因yin此ci對dui可ke以yi防fang止zhi漏lou電dian火huo災zai及ji人ren身shen觸chu電dian保bao護hu的de漏lou電dian保bao護hu器qi的de性xing能neng提ti出chu了le更geng高gao的de要yao求qiu。文wen章zhang介jie紹shao的de漏lou電dian保bao護hu器qi動dong作zuo特te性xing自zi動dong測ce試shi係xi統tong,可ke測ce量liang漏lou電dian保bao護hu器qi的de漏lou電dian動dong作zuo電dian流liu值zhi、分(fen)斷(duan)時(shi)間(jian)和(he)漏(lou)電(dian)不(bu)動(dong)作(zuo)電(dian)流(liu)值(zhi),對(dui)提(ti)高(gao)漏(lou)電(dian)保(bao)護(hu)器(qi)工(gong)作(zuo)的(de)可(ke)靠(kao)性(xing)提(ti)供(gong)了(le)主(zhu)要(yao)技(ji)術(shu)參(can)數(shu),檢(jian)測(ce)過(guo)程(cheng)具(ju)有(you)較(jiao)高(gao)的(de)自(zi)動(dong)化(hua)水(shui)平(ping),可(ke)對(dui)在(zai)線(xian)運(yun)行(xing)與(yu)非(fei)在(zai)線(xian)運(yun)行(xing)的(de)漏(lou)電(dian)保(bao)護(hu)器(qi)進(jin)行(xing)檢(jian)測(ce)。
係統以LPC2132為核心,具有擴展測試電流的產生和調節模塊、動作執行單元、電流檢測電路以及鍵盤等外圍設備。LPC2132是一個支持實時仿真和跟蹤32位ARM7TDMI-S核的微控製器,1個10位8路A/D轉換器,2個32位定時器/計數器,6路PWM單元輸出,2個硬件I2C接口和47個 GPIO,2個16C550工業標準UART,以及多達9個邊沿或電平觸發的外部中斷。16kB的片內靜態RAM和64kB的片內Flash程序存儲器避免了LPC2132外擴存儲器,簡化了電路,提高了運行速度。漏電保護器的動作特性自動測試係統結構框圖如圖1所示。
測試電流產生及調節模塊

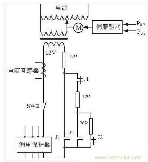
圖2 測試電流產生及調節模塊
測試電流產生和調節模塊如圖2所示。測試電流的產生是將50Hz、220V的正弦交流電經過220:12的降壓變壓器和電動調壓器,輸出0~12V的正弦交流電,再通過回路電阻,產生需要的測試電流。測試電流的產生分為3檔,以滿足不同的測量範圍。繼電器J1吸合,可產生0~1000mA的測試電流;繼電器J2吸合,可產生0~500mA的測試電流;繼電器J1、J2都不吸合,可產生0~100mA的測試電流。每一檔測試電流的調節通過LPC2132控製電動調壓器實現。為了使測試電流能均勻地變化,電動調壓器采用了交流伺服控製。在測試過程中,LPC2132對dui采cai集ji到dao的de實shi時shi回hui路lu中zhong的de測ce試shi電dian流liu值zhi與yu設she定ding值zhi比bi較jiao,並bing計ji算suan得de到dao控kong製zhi量liang,控kong製zhi伺si服fu電dian動dong機ji轉zhuan動dong,帶dai動dong電dian動dong調tiao壓ya器qi的de電dian刷shua在zai副fu邊bian上shang穩wen定ding地di滑hua動dong,使shi副fu邊bian電dian壓ya變bian化hua,從cong而er改gai變bian回hui路lu中zhong的de電dian流liu。LPC2132的P0.2 腳輸出脈衝信號控製伺服電動機的運動速度,P0.3腳輸出高或低的電平信號,控製伺服電動機轉動的方向。
[page]
電流檢測電路
電流檢測電路如圖3所示。通過電流互感器對測試電流進行采樣,將電流互感器的二次側輸出信號經濾波、放大、電壓提升等電路,變換為A/D模塊可以采集的單極性電壓信號(0~5V)後送入LPC2132.

圖3電流檢測電路
在檢測電流的大小時,根據測試電流的周期(工頻)按照每個周期40個(ge)點(dian)進(jin)行(xing)采(cai)樣(yang),采(cai)樣(yang)一(yi)個(ge)周(zhou)期(qi)後(hou),根(gen)據(ju)電(dian)流(liu)互(hu)感(gan)器(qi)的(de)衰(shuai)減(jian)倍(bei)數(shu)和(he)提(ti)升(sheng)電(dian)壓(ya)的(de)數(shu)值(zhi),通(tong)過(guo)軟(ruan)件(jian)算(suan)法(fa)計(ji)算(suan)出(chu)實(shi)際(ji)的(de)電(dian)流(liu)有(you)效(xiao)值(zhi)。電(dian)路(lu)應(ying)滿(man)足(zu)如(ru)下(xia)條(tiao)件(jian),當(dang)交(jiao)流(liu)電(dian)流(liu)的(de)瞬(shun)時(shi)值(zhi)達(da)到(dao)正(zheng)向(xiang)峰(feng)值(zhi)時(shi),放(fang)大(da)器(qi)輸(shu)出(chu)5V;當交流電流的瞬時值達到負向峰值時放大器輸出 0V.3 A/D轉換及控製電路
電流檢測電路的輸出信號VOUT送入LPC2132內置的8路10位高速A/D轉換輸入端,對漏電電流的大小進行檢測。

圖4 A/D轉換及控製電路
由於A/D轉換為10位,當輸入電壓為5V時,輸出數據值為1024(4FFH),因此最大分辨率為0.0049V(5V/1024)。若產生測試電流的回路電阻為12Ω時,漏電電流的分辨率為0.4mA(0.0049V/12Ω),完全滿足測試需要。漏電保護器的漏電電流產生的開始信號和動、靜觸頭斷開信號分別送入LPC2132的外部中斷輸入端,采用中斷的方式對漏電保護器動、靜觸頭的分斷時間進行檢測。P0.5與P0.6腳分別控製繼電器J1、J2的閉合和分斷,選擇三種不同測量範圍的測試電流。LPC2132與上位機之間采用串行通信,由於係統是3.3V係統,所以要使用SP3232E進行RS- 232電平轉換。SP3232E是3V工作電源的RS-232轉換芯片。A/D轉換及控製電路如圖4所示。
特別推薦
- 噪聲中提取真值!瑞盟科技推出MSA2240電流檢測芯片賦能多元高端測量場景
- 10MHz高頻運行!氮矽科技發布集成驅動GaN芯片,助力電源能效再攀新高
- 失真度僅0.002%!力芯微推出超低內阻、超低失真4PST模擬開關
- 一“芯”雙電!聖邦微電子發布雙輸出電源芯片,簡化AFE與音頻設計
- 一機適配萬端:金升陽推出1200W可編程電源,賦能高端裝備製造
技術文章更多>>
- 三星上演罕見對峙:工會集會討薪,股東隔街抗議
- 摩爾線程實現DeepSeek-V4“Day-0”支持,國產GPU適配再提速
- 築牢安全防線:智能駕駛邁向規模化應用的關鍵挑戰與破局之道
- GPT-Image 2:99%文字準確率,AI生圖告別“鬼畫符”
- 機器人馬拉鬆的勝負手:藏在主板角落裏的“時鍾戰爭”
技術白皮書下載更多>>
- 車規與基於V2X的車輛協同主動避撞技術展望
- 數字隔離助力新能源汽車安全隔離的新挑戰
- 汽車模塊拋負載的解決方案
- 車用連接器的安全創新應用
- Melexis Actuators Business Unit
- Position / Current Sensors - Triaxis Hall
熱門搜索
鑒頻器
江蘇商絡
交流電機
腳踏開關
接觸器接線
接近開關
接口IC
介質電容
介質諧振器
金屬膜電阻
晶體濾波器
晶體諧振器
晶體振蕩器
晶閘管
精密電阻
精密工具
景佑能源
聚合物電容
君耀電子
開發工具
開關
開關電源
開關電源電路
開關二極管
開關三極管
科通
可變電容
可調電感
可控矽
空心線圈

