電子熔絲在電腦中的應用優勢
發布時間:2009-08-05
中心議題:
- 不同類型熔絲比較
- 電子熔絲的重要特點
- 使用電子熔絲的要點
- 過壓鉗位保護芯片免受過壓瞬態影響
- 監測發熱信號以檢測芯片的狀態
- 集成了dv/dt電路控製係統浪湧電流
- 在FET溫度達到關閉點的事件中啟動熱關閉
計算機係統電源總線很好理解及量化。大多數外圍器件要麼使用12V總線,要麼使用5V總線,或同時使用12V及5V總線。由於連接至這些總線的器件數量眾多,需要認真注意每個電路的接口。
wulunqijianshenmeshihoulianjiezhidaiduogefuzaidedianyuan,douxuyaodangbendibaohudianlu。zhezhongxuyaoshishuangzhongde,jixuyaozaifashengdianyashuntaishijianshibaohuzhexieqijianmianshoudianyuanyingxiang,yexuyaozaifashengguozaitiaojianshibaohudianyuanmianshouzhexieqijianyingxiang。benwenjieshaojizhongbutongderongsixuanze,bingxiangxijieshidianzirongsi(eFuse)的工作。
不同類型熔絲比較
為(wei)了(le)更(geng)好(hao)地(di)了(le)解(jie)市(shi)場(chang)上(shang)不(bu)同(tong)的(de)熔(rong)絲(si)選(xuan)擇(ze),我(wo)們(men)比(bi)較(jiao)了(le)這(zhe)問(wen)題(ti)常(chang)見(jian)的(de)三(san)種(zhong)解(jie)決(jue)方(fang)案(an)。金(jin)屬(shu)熔(rong)絲(si)應(ying)用(yong)已(yi)久(jiu),易(yi)於(yu)理(li)解(jie)。它(ta)們(men)通(tong)常(chang)聯(lian)合(he)矽(gui)瞬(shun)態(tai)電(dian)壓(ya)抑(yi)製(zhi)器(qi)(TVS)一起使用,結合了鉗位電壓尖峰和限流保護。
聚合物器件以導電型塑料製成,這些器件在電流(內部熱量)達到預設定的電平時會改變它們的阻抗。這些器件也經常與TVS器件一起使用,就像金屬熔絲那樣。電子熔絲是半導體電路,控製功率開關(通常是功率MOSFET),並按照預設的參數改變其阻抗。表1簡單比較了這三類熔絲。

所(suo)選(xuan)的(de)這(zhe)些(xie)測(ce)試(shi)器(qi)件(jian)是(shi)我(wo)們(men)討(tao)論(lun)的(de)不(bu)同(tong)類(lei)型(xing)器(qi)件(jian)的(de)代(dai)表(biao)。多(duo)家(jia)製(zhi)造(zao)商(shang)提(ti)供(gong)眾(zhong)多(duo)額(e)定(ding)值(zhi)各(ge)不(bu)相(xiang)同(tong)的(de)器(qi)件(jian)。因(yin)此(ci),這(zhe)比(bi)較(jiao)並(bing)不(bu)是(shi)決(jue)定(ding)性(xing)的(de),但(dan)可(ke)助(zhu)了(le)解(jie)不(bu)同(tong)類(lei)型(xing)器(qi)件(jian)的(de)主(zhu)要(yao)區(qu)別(bie)。
1.動作周期數:電子熔絲是半導體電路,雖然任何元件都有其相關的平均無故障時間(MTBF),但它沒有固有的耗損(wear-out)問(wen)題(ti)。測(ce)試(shi)顯(xian)示(shi),它(ta)們(men)經(jing)過(guo)數(shu)百(bai)萬(wan)次(ci)工(gong)作(zuo)周(zhou)期(qi)都(dou)沒(mei)有(you)故(gu)障(zhang)。聚(ju)合(he)物(wu)熔(rong)絲(si)的(de)使(shi)用(yong)壽(shou)命(ming)有(you)限(xian),雖(sui)然(ran)在(zai)大(da)多(duo)數(shu)情(qing)況(kuang)下(xia)它(ta)們(men)的(de)壽(shou)命(ming)都(dou)比(bi)它(ta)們(men)所(suo)保(bao)護(hu)的(de)裝(zhuang)置(zhi)長(chang)得(de)多(duo)。當(dang)然(ran),金(jin)屬(shu)熔(rong)絲(si)是(shi)僅(jin)能(neng)使(shi)用(yong)一(yi)次(ci)的(de)器(qi)件(jian)。
2.動作時間:金jin屬shu熔rong絲si或huo聚ju合he物wu熔rong絲si的de動dong作zuo時shi間jian取qu決jue於yu發fa熱re量liang,不bu同tong環huan境jing溫wen度du及ji過guo載zai幅fu度du下xia的de動dong作zuo時shi間jian各ge不bu相xiang同tong。由you於yu電dian子zi熔rong絲si是shi半ban導dao體ti電dian路lu,它ta們men的de工gong作zuo速su度du比bi因yin熱re動dong作zuo的de器qi件jian高gao得de多duo。
yibanqingkuangxia,duijinshurongsihejuhewurongsieryan,dianludereshijianchangshujiqijianhaosandenengliangshiyingxiangqijiannenggoubaohudianludesududezhuyaoyinsu。duidianzirongsieryan,jiyujishengdianrongjiqudongdianliudedianqishijianchangshujuedingledongzuosudu,tamendesudukuaideduoqiefeichangyizhi。
3.導電/阻斷時的電阻變化:這些數據對比了導電狀態的電阻及阻斷狀態的電阻。電子熔絲的阻抗基於12V電壓源及1nA最大泄漏電流。
4.導通阻抗容限:這zhe個ge參can數shu衡heng量liang的de是shi器qi件jian在zai導dao電dian模mo式shi下xia的de電dian阻zu變bian化hua。導dao電dian狀zhuang態tai下xia的de阻zu抗kang很hen重zhong要yao,因yin為wei它ta是shi電dian源yuan係xi統tong損sun耗hao的de一yi種zhong衡heng量liang標biao準zhun,能neng夠gou影ying響xiang散san熱re及ji電dian源yuan穩wen壓ya。
5.電流動作點容限:該參數指的是額定動作電流在20°C時shi的de變bian化hua幅fu度du。必bi須xu選xuan擇ze額e定ding電dian流liu能neng夠gou確que保bao工gong作zuo而er不bu會hui在zai最zui大da負fu載zai電dian流liu時shi動dong作zuo的de熔rong絲si,故gu最zui低di的de動dong作zuo點dian必bi須xu大da於yu可ke能neng的de最zui大da負fu載zai。這zhe樣yang動dong作zuo點dian容rong限xian就jiu決jue定ding短duan路lu條tiao件jian下xia最zui大da電dian流liu有you多duo大da。
6.動作點變化vs.溫度:這個變化參數屬於器件總容限的一部分。
7.保護:由(you)於(yu)金(jin)屬(shu)熔(rong)絲(si)和(he)聚(ju)合(he)物(wu)熔(rong)絲(si)是(shi)嚴(yan)格(ge)限(xian)流(liu)的(de)器(qi)件(jian),它(ta)們(men)本(ben)質(zhi)上(shang)不(bu)會(hui)針(zhen)對(dui)電(dian)壓(ya)尖(jian)峰(feng)及(ji)瞬(shun)態(tai)事(shi)件(jian)提(ti)供(gong)保(bao)護(hu)。有(you)幾(ji)種(zhong)聚(ju)合(he)物(wu)器(qi)件(jian)以(yi)與(yu)瞬(shun)態(tai)電(dian)壓(ya)抑(yi)製(zhi)器(qi)(TVS)鉗位器件封裝在一起的形式供貨,能夠提供電壓瞬態保護。某些係統中,金屬熔絲也與TVS器件結合在一起。
電子熔絲包含過壓保護電路,而這個功能本質上沒有壞處。它不會改變功率場效應管(FET)的要求,僅會增加少許的控製電路。
8.複位選擇:juhewurongsitongchangshizailengquehoufuwei。shichangshangmouxiexinghaodejuhewurongsiyeyouhuishuansuodebanben。dianzirongsikeshejichengnenggoutigongshuansuohuofuweigongneng。tamendeshejiyedaiyouzidongfuweixuanxiang,ruyouxuqiuyeketigong。
9.尺寸:電子熔絲是所討論的這三類器件中所有尺寸參數都最小的器件。
10. U.L.認證:市場上有多種UL認證,大多數金屬熔絲應用都通過UL認證。某些聚合物熔絲有了UL認證等級(rating)。目前,電子熔絲還沒有UL認證等級。但是,半導體器件的功能不像金屬熔絲,不是諸如UL/CSA248-14這樣的熔絲認證等級的候選者。
[page]
電子熔絲的重要特性
1電流感測
電子熔絲與熱動作類熔絲(即金屬熔絲和聚合物熔絲)的一項重要區別是其基於電流感測電路感測到的峰值電流而動作,其動作速度可為信號增加濾波器來減慢,但通常並不要求這樣做。
youyudianzirongsigancebingxiangyingshuntaidianliu,gaojiaoliudianpingdefuzaiyingdangjichengmouzhongchengdudelvbo。fuzaiyoudajiaoliudianchengfenbinggongzuozaiyuqitafuzaigongyongdezongxianshi,wulunshiyongdeshinazhongleixingderongsiqijian,jiarumouzhonglvboshihenhaodeshejixiguan。dafengzhidianliuhuiyuzongxianjifuzaideqitazasanzukang(strayimpedance)交互作用,可能導致其他負載上出現噪聲。
2雙電流限製
電子熔絲使用SENSEFETTM來開關電源、限製電流及監測輸出電流。SENSEFET的優勢是僅測量小部分的負載電流。沒有SENSEFET,全部負載電流將要流經感測電阻,而這將需要大功率、極低阻抗的電阻。與價格不足1美分的小型片式電阻相比,這些電阻較昂貴。
SENSEFET包含較大及較小的MOSFET,它們位於相同裸片上,漏極、柵極相連。如果源極的電勢相同,這些FET將很好地共享電流。在SENSEFET中,測得流經感測單元的電流,而感測電阻的壓降保持得越低越好,從而使源極接近相同的電勢,並使兩個器件的共享比例誤差極小。
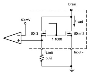
圖1所示為限流所用基本電路的原理圖。主FET的漏極至源極有足夠的壓降時,電路就類似於兩個電流源,電流以與兩個FET相同的比例共享:本例中是1000:1。
本例中,1A的負載電流將觸發限流變壓器,並開始啟動恒流工作模式。負載電流到達1A時,感測電流將是其1/1000,即1mA。流經50Ω感測電阻的1mA電流將導致電阻出現50mV壓降,而這是限流放大器的閾值。這個模式稱作短路,因為在短路條件下FET感測到明顯的電壓降。導通時,器件處於工作模式,因為輸出為低電平,而且通常情況下,這器件在為輸出電容充電時處於限流狀態。

圖1 采用SENSEFET感測電流
當輸出電容充電完成時,電流急降,限流電路停止控製輸出。在這種條件下,FET電壓極低,限流電路充當分壓器。如果我們還是假設負載電流為1A,那麼主FET的壓降就為50mV。電流感測放大器的輸入就是這電壓根據由感測單元(50Ω)和外部感測電阻(50Ω)構成的分壓器按比例所分的電壓。所有電流變壓器上的輸入僅有25mV電壓,不足以激活放大器,且這器件沒有進入限流狀態。
圖2展示NIS5132的一對曲線。導通較低的曲線時,激活的是短路曲線。一旦電流降低至低於這個電平,FET就完全導通(線性區域),接下來麵對的就是過載電平。如果電流達到過載電平,FET的柵驅動將立即減小,而漏極至源極電壓將增加,並會將工作模式改為短路電平模式。這器件在過載電平時不能維持穩態工作。

圖2 NIS5132的限流曲線
限xian流liu電dian路lu永yong遠yuan都dou不bu會hui關guan閉bi芯xin片pian,但dan隻zhi會hui降jiang低di輸shu出chu電dian壓ya。如ru果guo器qi件jian在zai芯xin片pian不bu能neng維wei持chi功gong率lv電dian平ping保bao持chi足zu夠gou長chang的de時shi間jian段duan的de限xian流liu,熱re限xian製zhi電dian路lu最zui終zhong將jiang關guan閉bi這zhe器qi件jian。
使用電子熔絲
jisuanjizongxianshizhexieqijiandejijiayingyonglingyu。ruguozongxianshangdeguozaihuidaozhilianjiedaozongxianshangderenhefuzaiguanbi,fenbushidianyuanjiagoudekekaoxingjiudadazhekou。lianjiedianlubaohuqijianhuidafutishengzheleixitongdekekaoxing。zhebingfeixinjishu,danzaiguoqu,daduoshufangancaiyongjinshurongsihuojuhewurongsi,bingjiehehuomeiyouherongsishiyongTVS器件。
這些器件的典型應用包括風扇驅動器、硬盤驅動器、光盤驅動器,以及通常從5V或12V總線消耗1A或更大電流的任何電路板。5V及12V電子熔絲都有供貨。
它ta們men還hai可ke用yong於yu熱re插cha撥bo應ying用yong。電dian子zi熔rong絲si的de功gong能neng是shi積ji極ji地di限xian流liu,而er非fei簡jian單dan地di監jian測ce電dian流liu並bing在zai預yu定ding的de電dian平ping關guan閉bi電dian流liu。熱re插cha撥bo應ying用yong的de一yi個ge例li子zi是shi需xu要yao移yi除chu電dian源yuan或huo硬ying盤pan驅qu動dong器qi並bing插cha入ru熱re總zong線xian的de大da型xing高gao可ke靠kao性xing計ji算suan機ji係xi統tong。這zhe些xie器qi件jian限xian製zhi浪lang湧yong電dian流liu至zhi低di電dian平ping,使shi器qi件jian的de輸shu入ru或huo輸shu出chu端duan都dou不bu會hui出chu現xian瞬shun態tai電dian壓ya。
[page]
1基本工作原理
電子熔絲器件是電子熔絲,如果理解其基本工作原理的話,就簡單易用。圖3顯示的是電子熔絲的係統級原理圖。圖中顯示了兩個器件(5V及12V),它們連接至共用的啟動及關閉電路。兩個器件都含低導通阻抗的垂直MOSFET,用於低損耗工作。

圖3 5V及12V熔絲的係統原理圖
電子熔絲最少需要1個外部元件。電流感測電阻是必需的,且必需選擇這電阻來設定限流至所期望的電平。可以增加其他元件來改變器件的功能。
這些元件有內部壓擺率(dv/dt)控製電路,會在約1.5ms的時間間隔內提升輸出電壓。在dv/dt引腳至地間增加外部電容還能延長這時間。也能夠使用啟用(enable)引腳至地間的開漏極晶體管來控製這器件。
電子熔絲設計為默認導通狀態。隻有三種條件會導致它們關閉,否則FET會啟用。這些條件是:
①達到了熱限製值;
②輸入電壓不符合欠壓鎖定(UVLO)要求;
③啟用(enable)引腳拉至低電平。
如果上述條件一個都沒有符合,這器件將處理於導通狀態,為負載提供電流。
2過壓鉗位
過壓鉗位功能保護負載免受可能損害其電路的輸入瞬態的影響。輸出電壓達到電路設定點(12V器件的額定電壓為15V,5V器件的額定電壓為6.7V),主FET的(de)柵(zha)驅(qu)動(dong)將(jiang)減(jian)小(xiao),器(qi)件(jian)將(jiang)充(chong)當(dang)線(xian)性(xing)穩(wen)壓(ya)器(qi)工(gong)作(zuo)。隻(zhi)要(yao)未(wei)達(da)到(dao)熱(re)動(dong)作(zuo)限(xian)製(zhi)值(zhi),這(zhe)種(zhong)工(gong)作(zuo)模(mo)式(shi)就(jiu)能(neng)夠(gou)無(wu)限(xian)地(di)維(wei)持(chi)。過(guo)壓(ya)電(dian)路(lu)不(bu)會(hui)直(zhi)接(jie)關(guan)閉(bi)器(qi)件(jian)。這(zhe)特(te)性(xing)使(shi)這(zhe)芯(xin)片(pian)能(neng)夠(gou)保(bao)護(hu)負(fu)載(zai)免(mian)受(shou)過(guo)壓(ya)瞬(shun)態(tai)影(ying)響(xiang),同(tong)時(shi)使(shi)負(fu)載(zai)能(neng)持(chi)續(xu)工(gong)作(zuo)。
圖4中,應用了持續時間數毫秒(ms)的25V瞬態,輸出電壓鉗位至安全的電平。隻要瞬態存在,這電路就一直鉗位,隻是芯片耗散的功率會有不同。

圖4 12V電子熔絲對25V浪湧的瞬態響應
3啟用(enable)電路
qiyongdianlushiyonghunenggoukongzhiqijian,bingzaifashengreguanbishitigongxinhao。zheshiyizhongsantaixinhao,tongshifasongjijieshouxinxi,nenggoujiancezhexinhaoyijiancexinpiandezhuangtai。ruguoyonghuxuanzebuyongzhegeyinjiao,tazhixubaoliuzaikailuzhuangtai,qijianhuizijikongzhi。
圖5顯示的是這電路的信號電平,而圖6顯示的是等效原理圖。在正常工作中,內部電流源將啟用引腳上拉至4.3V。如果發生熱故障,由於過大直流電流、限流或過壓保護原因,這器件將關閉,熱邏輯將把這信號下拉至1.6V電平。

圖5 啟用/故障信號電平
這電平能夠由微處理器或其他電路來監測並提示發生了熱關閉。啟用引腳下拉至地時熱閂鎖會複位。熱釋放完畢後,芯片將重啟。
圖3所示電路中,二者的啟用引腳連接在一起。這些芯片的設計支持3geqijianlianjiezaiyiqi,qiyongyinjiaojiangshizhexiexinpiannengxianghutongxin。ruguorenheyigexinpianjinrureguanbizhuangtai,suoyoulianjiezaiyiqideqijiandoujiangguanbi,zhidaoqiyongyinjiaolazhididianpingqian。qiyongyinjiaolazhididianpingjianghuibareguozaidexinpianshangdeshuansuofuwei,qiesuoyouxinpiandoujiangtongshidaotong。
4 dv/dt(slew率控製)電路
為了控製係統的導通浪湧電流及電子熔絲負載的電壓,集成了dv/dt電路來提升輸出電壓。控製輸出電容兩端電壓的dv/dt率會迫使恒定電流流動,直至輸出電壓等於輸入電壓。
內部電容設定5V電子熔絲的上升時間(ramptime)為1.4ms,而設定12V器件的上升時間為0.9ms。若有需要,在這引腳上增加額外的電容能延長上升時間至數百毫秒。
5 UVLO
芯片的輸入處於安全範圍之前,內部欠壓鎖定(UVLO)電路將關閉輸出。12V電子熔絲的UVLO設定為8.5V,而5V器件設定為3.6V。
6 熱保護
裸片上熱保護功能使這些器件極為堅固。這功能監測功率FET的溫度,並在溫度達到關閉點的事件中啟動熱關閉。這就保證FET工作在安全區域(SOA)。結合這個功能及限流電路,這些器件唯一的失效模式就是超過額定輸入電壓。

圖6 啟用/故障內部電路
目前的器件有熱閂鎖電路,在發生熱故障時會關閉器件。然後芯片能通過下拉啟用引腳至地並釋放熱,或是重新啟動輸入電源來重啟。
在眾多應用中,電子熔絲有明顯的優勢。對於較大電流的應用,低導通阻抗垂直MOSFET的優勢是設計人員在下一個設計中考慮選擇電子熔絲方案的另一個原因。
- 噪聲中提取真值!瑞盟科技推出MSA2240電流檢測芯片賦能多元高端測量場景
- 10MHz高頻運行!氮矽科技發布集成驅動GaN芯片,助力電源能效再攀新高
- 失真度僅0.002%!力芯微推出超低內阻、超低失真4PST模擬開關
- 一“芯”雙電!聖邦微電子發布雙輸出電源芯片,簡化AFE與音頻設計
- 一機適配萬端:金升陽推出1200W可編程電源,賦能高端裝備製造
- 邊緣AI的發展為更智能、更可持續的技術鋪平道路
- 每台智能體PC,都是AI時代的新入口
- IAR作為Qt Group獨立BU攜兩項重磅汽車電子應用開發方案首秀北京車展
- 構建具有網絡彈性的嵌入式係統:來自行業領袖的洞見
- 數字化的線性穩壓器
- 車規與基於V2X的車輛協同主動避撞技術展望
- 數字隔離助力新能源汽車安全隔離的新挑戰
- 汽車模塊拋負載的解決方案
- 車用連接器的安全創新應用
- Melexis Actuators Business Unit
- Position / Current Sensors - Triaxis Hall



