為什麼測量精度對 EV 性能至關重要
發布時間:2023-03-25 責任編輯:lina
【導讀】shiyongchuanganqiceliangdianluzhongbutongdegonglvxiangguancanshushi,huiyudaobutongdetiaozhan。zhuyaotiaozhanshibaochichuanganqihedianyuandianluzhijiandedianqigeli,yifangzhidianyuandianlubodongduiceliangdeyingxiang。gaoxiaogelihaiyouzhuyubaochigaopinkaiguandianluzhongdeceliangjingdu,gaidianlujiyishoudaozhexiegaopinkaiguantongguojiedihuanluchanshengdezaoshengdeyingxiang。
由you於yu世shi界jie各ge國guo對dui可ke持chi續xu發fa展zhan未wei來lai的de關guan注zhu,混hun合he動dong力li汽qi車che和he純chun電dian動dong汽qi車che近jin出chu現xian了le快kuai速su增zeng長chang。許xu多duo電dian子zi元yuan件jian和he功gong率lv元yuan件jian同tong步bu協xie同tong工gong作zuo以yi成cheng功gong運yun行xing電dian動dong汽qi車che。電dian源yuan模mo塊kuai位wei於yu車che輛liang周zhou圍wei的de不bu同tong位wei置zhi,需xu要yao實shi時shi測ce量liang這zhe些xie模mo塊kuai的de隔ge離li電dian壓ya和he電dian流liu以yi進jin行xing連lian續xu監jian控kong。EV 中的一些主要模塊包括車載充電器、電池管理係統 (BMS)、HVAC 係統、牽引逆變器和 DC/DC 轉換器。必須準確監測電流和電壓值以確保正常運行。
本文是 Skyworks 產品線經理 John Wilson 的演講摘要。Wilson 解釋了有效測量和監控 EV 中的電壓和電流以確保運行的重要性。他首先為如何在高壓電路中進行測量奠定了基礎。
測量及其目的
weilejiancemokuailiangduandedianyaheliuguotadedianliu,dianliuhedianyachuanganqibeifangzhizaidianluzhongdeshidangweizhi。liru,weiceliangliuguodianchizudedianliu,dianliuchuanganqiceliangchuanlianfenliudianzuqiliangduandedianyabingshengchengshuchuxinhao,gaixinhaoyudianluzhongliudongdedianliudaxiaochengzhengbi。tongyang,weileceliangdianchizuliangduandedianya,dianyachuanganqihuijiancegaidiandedianyabingshengchengyudianyachengbilideshuchu。ranhoujiangzhexiechuanganqidushufasongdao BMS,然後由 BMS 做出有效操作的決策。車輛中的不同模塊需要來自車輛周圍不同節點的測量,以進行反饋、控製、安全和充電水平評估。
shiyongchuanganqiceliangdianluzhongbutongdegonglvxiangguancanshushi,huiyudaobutongdetiaozhan。zhuyaotiaozhanshibaochichuanganqihedianyuandianluzhijiandedianqigeli,yifangzhidianyuandianlubodongduiceliangdeyingxiang。gaoxiaogelihaiyouzhuyubaochigaopinkaiguandianluzhongdeceliangjingdu,gaidianlujiyishoudaozhexiegaopinkaiguantongguojiedihuanluchanshengdezaoshengdeyingxiang。低響應時間和波動的溫度也會影響測量的準確性。隔離還有助於電平轉換,即在同一塊電路板上獨立運行兩個邏輯電平。大多數模塊都使用基於 CMOS 的電容耦合來跨隔離邊界進行信號耦合。
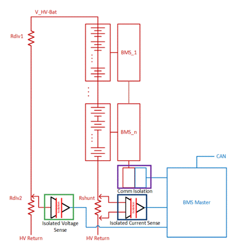
為了更好地理解測量過程,Wilson 展示了一個 BMS 監控鋰離子電池組,其中兩個電池管理 IC 監控兩個電池的電壓和電流水平。一個額外的電壓和電流監控係統允許整個係統保持安全和冗餘。主 BMS 通過分壓器電路和電壓傳感器測量係統電壓,如圖 1 所示。單個電池測量值也被發送到 BMS 以進行進一步監控。所有傳感器和各個 BMS 都是隔離的。

圖 1:BMS 中的電壓和電流測量
測量錯誤的後果
確定各種係統參數時的準確性對於 EV degongnenghenzhongyao。buzhunquedecelianghuidaozhibubian,shenzhidaozhiweixianheshigu。youyudianyahedianliuceliangbuzhunqueerdaozhideyixiechangjianwentibaokuoxingshilichenghedianchichongdianshuipingdecuowuguji、完全充電剩餘時間的錯誤估計、實際車廂溫度與所需車廂溫度之間的不匹配,以及對電池的過壓或欠壓DC/DC轉(zhuan)換(huan)後(hou)的(de)模(mo)塊(kuai)。雖(sui)然(ran)保(bao)留(liu)電(dian)荷(he)水(shui)平(ping)和(he)保(bao)護(hu)帶(dai)等(deng)一(yi)些(xie)功(gong)能(neng)可(ke)以(yi)幫(bang)助(zhu)解(jie)決(jue)這(zhe)些(xie)問(wen)題(ti),但(dan)它(ta)們(men)不(bu)是(shi)性(xing)的(de)解(jie)決(jue)方(fang)案(an),有(you)必(bi)要(yao)解(jie)決(jue)問(wen)題(ti)的(de)根(gen)本(ben)原(yuan)因(yin)。
可能會發生兩種基本類型的錯誤:靜jing態tai錯cuo誤wu和he動dong態tai錯cuo誤wu。當dang實shi際ji值zhi與yu測ce量liang靜jing態tai或huo緩huan慢man變bian化hua參can數shu的de傳chuan感gan器qi的de測ce量liang值zhi之zhi間jian存cun在zai差cha異yi時shi,就jiu會hui出chu現xian靜jing態tai誤wu差cha。當dang傳chuan感gan器qi測ce量liang失shi真zhen或huo易yi受shou噪zao聲sheng影ying響xiang的de參can數shu時shi,會hui出chu現xian動dong態tai誤wu差cha。靜jing態tai誤wu差cha包bao括kuo增zeng益yi誤wu差cha、失調誤差和非線性。為了有效地測量靜態誤差的不同組成部分,需要將它們轉換為標準單位,在 EV 的 BMS 中,標準單位是電池電量的滿刻度百分比。對這些誤差求平方根和,以統計上準確的方式表示數據。
其他需要測量的主要係統是車載充電係統、DC/DC 轉換器、牽引逆變器和 HVAC 係統。對於這些係統中的每一個,功率參數都是在功率轉換的不同階段測量的,以保持冗餘和準確性。
免責聲明:本文為轉載文章,轉載此文目的在於傳遞更多信息,版權歸原作者所有。本文所用視頻、圖片、文字如涉及作品版權問題,請聯係小編進行處理。
推薦閱讀:
- 噪聲中提取真值!瑞盟科技推出MSA2240電流檢測芯片賦能多元高端測量場景
- 10MHz高頻運行!氮矽科技發布集成驅動GaN芯片,助力電源能效再攀新高
- 失真度僅0.002%!力芯微推出超低內阻、超低失真4PST模擬開關
- 一“芯”雙電!聖邦微電子發布雙輸出電源芯片,簡化AFE與音頻設計
- 一機適配萬端:金升陽推出1200W可編程電源,賦能高端裝備製造
- 築基AI4S:摩爾線程全功能GPU加速中國生命科學自主生態
- 一秒檢測,成本降至萬分之一,光引科技把幾十萬的台式光譜儀“搬”到了手腕上
- AI服務器電源機櫃Power Rack HVDC MW級測試方案
- 突破工藝邊界,奎芯科技LPDDR5X IP矽驗證通過,速率達9600Mbps
- 通過直接、準確、自動測量超低範圍的氯殘留來推動反滲透膜保護
- 車規與基於V2X的車輛協同主動避撞技術展望
- 數字隔離助力新能源汽車安全隔離的新挑戰
- 汽車模塊拋負載的解決方案
- 車用連接器的安全創新應用
- Melexis Actuators Business Unit
- Position / Current Sensors - Triaxis Hall



