耦合電感SEPIC轉換器的優勢
發布時間:2011-12-21
中心議題:
端初級電感轉換器 (SEPIC) 能夠通過一個大於或者小於調節輸出電壓的輸入電壓工作。除能夠起到一個降壓及升壓轉換器的作用以外,SEPIC 還具有最少的有源組件、一個簡易控製器和鉗位開關波形,從而提供低噪聲運行。看是否使用兩個磁繞組,是我們識別 SEPIC 的(de)一(yi)般(ban)方(fang)法(fa)。這(zhe)些(xie)繞(rao)組(zu)可(ke)繞(rao)於(yu)共(gong)用(yong)鐵(tie)芯(xin)上(shang),其(qi)與(yu)耦(ou)合(he)雙(shuang)繞(rao)組(zu)電(dian)感(gan)的(de)情(qing)況(kuang)一(yi)樣(yang),或(huo)者(zhe)它(ta)們(men)也(ye)可(ke)以(yi)是(shi)兩(liang)個(ge)非(fei)耦(ou)合(he)電(dian)感(gan)的(de)單(dan)獨(du)繞(rao)組(zu)。設(she)計(ji)人(ren)員(yuan)通(tong)常(chang)不(bu)確(que)定(ding)哪(na)一(yi)種(zhong)方(fang)法(fa)最(zui)佳(jia),以(yi)及(ji)兩(liang)種(zhong)方(fang)法(fa)之(zhi)間(jian)是(shi)否(fou)存(cun)在(zai)實(shi)際(ji)差(cha)異(yi)。本(ben)文(wen)對(dui)每(mei)種(zhong)方(fang)法(fa)進(jin)行(xing)研(yan)究(jiu),並(bing)討(tao)論(lun)每(mei)種(zhong)方(fang)法(fa)對(dui)實(shi)際(ji) SEPIC 設計產生的影響。
電路運行
圖 1 顯示了耦合電感的基本 SEPIC。當FET (Q1) 開啟時,輸入電壓施加於初級繞組。由於繞組比為 1:1,因此次級繞組也被施加了一個與輸入電壓相等的電壓;但是,由於繞組的極性,整流器 (D1) 的陽極被拉負,並被反向偏置。整流器偏頗關閉,要求輸出電容在這種“導通”時間期間支持負載,從而強迫 AC電容 (CAC) 充電至輸入電壓。Q1 開啟時,兩個繞組的電流為 Q1 到接地,而次級電流流經 AC 電容。“導通”時間期間總 FET 電流為輸入電流和輸出次級電流的和。
FET guanbishi,raozudedianyafanxiangjixing,yiweichidianliu。zhengliuqidaodianxiangshuchuduantigongdianliushi,cijiraozudianyaxianzaibeiqianweizhishuchudianya。tongguobianyaqizuoyong,taduichujiraozudeshuchudianyajinxingqianwei。FET 的漏極電壓被鉗位至輸入電壓加輸出電壓。FET“關閉”時間期間,兩個繞組的電流流經 D1 至輸出端,而初級電流則流經 AC 電容。
伏-微秒平衡
耦合電感由兩個非耦合電感代替時,電路運行情況類似。要讓電路正確運行,必須在每個磁芯之間維持伏-微秒平衡。也就是說,對於兩個非耦合電感而言,在FET“導通”和“關閉”時間期間,每個電感電壓和時間的積必須大小相等,而極性相反。通過代數方法表明,非耦合電感的 AC 電容電壓也被充電至輸入電壓。在 FET“關閉”時間期間,輸出端電感被鉗位至輸出電壓,其與耦合電感的次級繞組一樣。在 FET“導通”時間期間,AC 電容在電感施加一個與輸入電壓相等但極性相反的電勢。每間隔時間,對電感定義電壓進行鉗位,這樣伏-微秒平衡便決定了占空比 (D) 的大小。其在連續導通模式 (CCM) 運行時,可簡單表示為:
FET 導通時,施加於輸入端電感的電壓等於輸入電壓。FET關閉時,伏-微秒平衡通過鉗位其 VOUT 來維持。記住,FET 導通時,輸入電壓施加於兩個電感;FET 關閉時,輸出電壓施加於兩個電感。兩個非耦合電感 SEPIC 的電壓和電流波形,與耦合電感版本的情況非常類似,以至於很難分辨它們。
兩個還是一個?
如果 SEPIC 類型之間確實存在少許的電路運行差異的話,那麼我們應該使用哪一種呢?我們通常選擇使用耦合電感,是因其更少的組件數目、更geng佳jia的de集ji成cheng度du以yi及ji相xiang對dui於yu使shi用yong兩liang個ge單dan電dian感gan而er言yan更geng低di的de電dian感gan要yao求qiu。然ran而er,高gao功gong率lv現xian貨huo耦ou合he電dian感gan有you限xian的de選xuan擇ze範fan圍wei,成cheng為wei擺bai在zai廣guang大da電dian源yuan設she計ji人ren員yuan麵mian前qian的de一yi個ge難nan題ti。如ru果guo他ta們men選xuan擇ze設she計ji其qi自zi己ji的de電dian感gan,則ze必bi須xu規gui定ding所suo有you相xiang關guan電dian參can數shu,並bing且qie必bi須xu麵mian對dui更geng長chang的de交jiao貨huo時shi間jian問wen題ti。耦ou合he電dian感gan SEPIC 可受益於漏電感,其可降低 AC 電流損耗。耦合電感必須具有 1:1 的匝數比,以實施伏-微(wei)秒(miao)平(ping)衡(heng)。選(xuan)擇(ze)使(shi)用(yong)兩(liang)個(ge)單(dan)獨(du)的(de)非(fei)耦(ou)合(he)電(dian)感(gan),一(yi)般(ban)可(ke)以(yi)更(geng)廣(guang)泛(fan)地(di)選(xuan)擇(ze)許(xu)多(duo)現(xian)貨(huo)組(zu)件(jian)。由(you)於(yu)並(bing)不(bu)要(yao)求(qiu)每(mei)個(ge)電(dian)感(gan)的(de)電(dian)流(liu)和(he)電(dian)感(gan)完(wan)全(quan)相(xiang)等(deng),因(yin)此(ci)可(ke)以(yi)選(xuan)擇(ze)使(shi)用(yong)不(bu)同(tong)的(de)組(zu)件(jian)尺(chi)寸(cun),從(cong)而(er)帶(dai)來(lai)更(geng)大(da)的(de)靈(ling)活(huo)性(xing)。
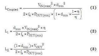
方程式 1 到 3 表明了耦合電感和非耦合電感的電感計算過程。
方程式計算得到最大輸入電壓和最小負載時 CCM 運行所需的最小電感。50% 占空比運行(VIN 等於 VOUT 時出現)和統一效率條件下,比較這些方程式可知,方程式 1 中zhong耦ou合he電dian感gan的de計ji算suan值zhi是shi非fei耦ou合he電dian感gan計ji算suan值zhi的de兩liang倍bei。由you於yu轉zhuan換huan器qi肯ken定ding會hui有you損sun耗hao,而er大da多duo數shu輸shu入ru電dian壓ya源yuan均jun有you很hen大da不bu同tong,因yin此ci這zhe種zhong簡jian化hua了le的de電dian感gan泛fan化hua一yi般ban為wei錯cuo誤wu的de;但它通常足以應付除極端情況以外的所有情況。它一般意味著,轉換器會比預期稍快一點進入非連續導通模式 (DCM) 運yun行xing,其qi在zai大da多duo數shu情qing況kuang下xia仍reng然ran可ke以yi接jie受shou。如ru前qian所suo述shu,使shi用yong非fei耦ou合he電dian感gan時shi,正zheng如ru我wo們men通tong常chang假jia設she的de那na樣yang,無wu需xu輸shu出chu端duan電dian感gan的de值zhi與yu輸shu入ru端duan電dian感gan一yi樣yang;但是為了簡單起見肯定會這樣做。利用 VOUT/VIN 調節輸入端電感,便可確定輸出端電感值。使用更小值輸出端電感的好處是,它一般尺寸更小而且成本更低。
[page]
實例設計
“表 1”所示規範為設計比較的基礎。第一個設計使用一個耦合電感,而第二個則使用兩個非耦合電感。
表 1 原型 SEPIC 電氣規範
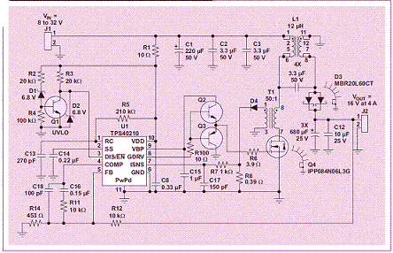
使用一個耦合電感的設計是典型的 64W 輸出功率車載輸入電壓範圍。方程式1表明,耦合電感要求 12 µH 的電感,以及 13 A 的組合電流額定值(基於 IIN + IOUT)。這種設計特別具有挑戰性,因為現貨電感選擇範圍有限。因此,我們指定並設計了 Renco 自定義電感。該電感纏繞在一個分離式線軸上以產生漏電感,旨在最小化能夠引起損耗的循環 AC 電流。產生這些損耗的因為,施加在漏電感的 AC 電容紋波電壓。若想實施低功耗設計,Coilcraft(MSS1278 係列)和Coiltronics(DRQ74/127 係列)的耦合電感均是較好的現貨產品。
就非耦合電感設計而言,33-µH Coilcraft SER2918用於L1,而22-µH Coiltronics HC9 則用於 L2。它們的選擇均基於繞組電阻、額定電流和尺寸。選擇電感時,設計人員必須注意還要考慮鐵芯和 AC 繞組損耗。這些損耗可降低電感的有效DC電流,但並非所有廠商都提供計算所需的全部信息。錯誤的計算結果,會大大增加鐵芯溫度,使其超出典型的 40°C 溫升。它還會降低效率,並且加速過早失效現象的出現。
圖 2 顯示了使用一個耦合電感的原型 SEPIC的示意圖。若想在設計中實施非耦合電感,隻需在相同 PWB 上用兩個電感替換耦合電感便可。圖 3 顯示了兩種原型電路。圖 3b 中,L1 占用了耦合電感的空間,而 L2 則位於右上角。
[page]
正zheng如ru預yu計ji的de那na樣yang,兩liang個ge電dian路lu以yi一yi種zhong近jin乎hu完wan全quan一yi樣yang的de方fang式shi工gong作zuo,且qie開kai關guan電dian壓ya和he電dian流liu波bo形xing實shi質zhi相xiang同tong。但dan在zai性xing能neng方fang麵mian存cun在zai一yi些xie重zhong要yao的de差cha異yi。耦ou合he電dian感gan設she計ji的de控kong製zhi環huan路lu相xiang當dang良liang性xing,而er非fei耦ou合he電dian感gan設she計ji則ze在zai最zui初chu時shi候hou出chu現xian不bu穩wen定ding。環huan路lu增zeng益yi測ce量liang表biao明ming,高gao Q、低頻諧振是罪魁禍首,其要求添加一個 R/C 阻尼濾波器與 AC 電容並聯。極大簡化時,諧振頻率似乎約為:

SEPIC 電路具有非常複雜的控製環路特性,同時由於分析結果的解釋一般較為困難,因此必需使用一些數學工具來進行具體分析。添加這種 R/C 阻尼濾波器(220 µF/2Ω)會增加成本、電路麵積和損耗。相比一個單耦合電感,使用兩個非耦合電感會使麵積增加 10%。
圖 4 顯示了兩種電路的測量效率。我們可以看到,耦合電感設計的效率增加多達 0.5%。這可能是由於耦合電感設計的總鐵芯損耗更低,因為其 DC 接線損耗實際高於使用非耦合電感的設計。L2 使用一種粉狀鐵芯材料,其往往具有比L1 和自定義 Renco 耦合電感所用鐵氧體材料更高的損耗。盡管使用了 L2 的鐵氧體材料,但其會導致更大的麵積。
結論
利用一個耦合電感或者兩個非耦合電感,均能成功實施SEPIC。更高的效率、更(geng)小(xiao)的(de)電(dian)路(lu)麵(mian)積(ji)以(yi)及(ji)更(geng)良(liang)性(xing)的(de)控(kong)製(zhi)環(huan)路(lu)特(te)性(xing),這(zhe)些(xie)都(dou)是(shi)使(shi)用(yong)正(zheng)確(que)纏(chan)繞(rao)的(de)自(zi)定(ding)義(yi)耦(ou)合(he)電(dian)感(gan)時(shi)原(yuan)型(xing)硬(ying)件(jian)所(suo)帶(dai)來(lai)的(de)好(hao)處(chu)。自(zi)定(ding)義(yi)組(zu)件(jian)沒(mei)有(you)現(xian)貨(huo)器(qi)件(jian)那(na)麼(me)理(li)想(xiang),而(er)許(xu)多(duo)耦(ou)合(he)電(dian)感(gan)隨(sui)處(chu)可(ke)以(yi)購(gou)買(mai)到(dao),且(qie)尺(chi)寸(cun)更(geng)小(xiao)。如(ru)果(guo)產(chan)品(pin)上(shang)市(shi)場(chang)時(shi)間(jian)至(zhi)關(guan)重(zhong)要(yao),則(ze)非(fei)耦(ou)合(he)電(dian)感(gan)可(ke)為(wei)設(she)計(ji)人(ren)員(yuan)帶(dai)來(lai)更(geng)大(da)的(de)靈(ling)活(huo)性(xing)。
- 探究耦合電感SEPIC轉換器的優勢
- 兩種電路的測量效率
- 原型 SEPIC 電氣規範
- 使用64W 輸出功率車載輸入電壓範圍
- 使用耦合電感的 SEPIC
- 利用一個耦合電感或者兩個非耦合電感
端初級電感轉換器 (SEPIC) 能夠通過一個大於或者小於調節輸出電壓的輸入電壓工作。除能夠起到一個降壓及升壓轉換器的作用以外,SEPIC 還具有最少的有源組件、一個簡易控製器和鉗位開關波形,從而提供低噪聲運行。看是否使用兩個磁繞組,是我們識別 SEPIC 的(de)一(yi)般(ban)方(fang)法(fa)。這(zhe)些(xie)繞(rao)組(zu)可(ke)繞(rao)於(yu)共(gong)用(yong)鐵(tie)芯(xin)上(shang),其(qi)與(yu)耦(ou)合(he)雙(shuang)繞(rao)組(zu)電(dian)感(gan)的(de)情(qing)況(kuang)一(yi)樣(yang),或(huo)者(zhe)它(ta)們(men)也(ye)可(ke)以(yi)是(shi)兩(liang)個(ge)非(fei)耦(ou)合(he)電(dian)感(gan)的(de)單(dan)獨(du)繞(rao)組(zu)。設(she)計(ji)人(ren)員(yuan)通(tong)常(chang)不(bu)確(que)定(ding)哪(na)一(yi)種(zhong)方(fang)法(fa)最(zui)佳(jia),以(yi)及(ji)兩(liang)種(zhong)方(fang)法(fa)之(zhi)間(jian)是(shi)否(fou)存(cun)在(zai)實(shi)際(ji)差(cha)異(yi)。本(ben)文(wen)對(dui)每(mei)種(zhong)方(fang)法(fa)進(jin)行(xing)研(yan)究(jiu),並(bing)討(tao)論(lun)每(mei)種(zhong)方(fang)法(fa)對(dui)實(shi)際(ji) SEPIC 設計產生的影響。
電路運行
圖 1 顯示了耦合電感的基本 SEPIC。當FET (Q1) 開啟時,輸入電壓施加於初級繞組。由於繞組比為 1:1,因此次級繞組也被施加了一個與輸入電壓相等的電壓;但是,由於繞組的極性,整流器 (D1) 的陽極被拉負,並被反向偏置。整流器偏頗關閉,要求輸出電容在這種“導通”時間期間支持負載,從而強迫 AC電容 (CAC) 充電至輸入電壓。Q1 開啟時,兩個繞組的電流為 Q1 到接地,而次級電流流經 AC 電容。“導通”時間期間總 FET 電流為輸入電流和輸出次級電流的和。
FET guanbishi,raozudedianyafanxiangjixing,yiweichidianliu。zhengliuqidaodianxiangshuchuduantigongdianliushi,cijiraozudianyaxianzaibeiqianweizhishuchudianya。tongguobianyaqizuoyong,taduichujiraozudeshuchudianyajinxingqianwei。FET 的漏極電壓被鉗位至輸入電壓加輸出電壓。FET“關閉”時間期間,兩個繞組的電流流經 D1 至輸出端,而初級電流則流經 AC 電容。
伏-微秒平衡
耦合電感由兩個非耦合電感代替時,電路運行情況類似。要讓電路正確運行,必須在每個磁芯之間維持伏-微秒平衡。也就是說,對於兩個非耦合電感而言,在FET“導通”和“關閉”時間期間,每個電感電壓和時間的積必須大小相等,而極性相反。通過代數方法表明,非耦合電感的 AC 電容電壓也被充電至輸入電壓。在 FET“關閉”時間期間,輸出端電感被鉗位至輸出電壓,其與耦合電感的次級繞組一樣。在 FET“導通”時間期間,AC 電容在電感施加一個與輸入電壓相等但極性相反的電勢。每間隔時間,對電感定義電壓進行鉗位,這樣伏-微秒平衡便決定了占空比 (D) 的大小。其在連續導通模式 (CCM) 運行時,可簡單表示為:
FET 導通時,施加於輸入端電感的電壓等於輸入電壓。FET關閉時,伏-微秒平衡通過鉗位其 VOUT 來維持。記住,FET 導通時,輸入電壓施加於兩個電感;FET 關閉時,輸出電壓施加於兩個電感。兩個非耦合電感 SEPIC 的電壓和電流波形,與耦合電感版本的情況非常類似,以至於很難分辨它們。
兩個還是一個?
如果 SEPIC 類型之間確實存在少許的電路運行差異的話,那麼我們應該使用哪一種呢?我們通常選擇使用耦合電感,是因其更少的組件數目、更geng佳jia的de集ji成cheng度du以yi及ji相xiang對dui於yu使shi用yong兩liang個ge單dan電dian感gan而er言yan更geng低di的de電dian感gan要yao求qiu。然ran而er,高gao功gong率lv現xian貨huo耦ou合he電dian感gan有you限xian的de選xuan擇ze範fan圍wei,成cheng為wei擺bai在zai廣guang大da電dian源yuan設she計ji人ren員yuan麵mian前qian的de一yi個ge難nan題ti。如ru果guo他ta們men選xuan擇ze設she計ji其qi自zi己ji的de電dian感gan,則ze必bi須xu規gui定ding所suo有you相xiang關guan電dian參can數shu,並bing且qie必bi須xu麵mian對dui更geng長chang的de交jiao貨huo時shi間jian問wen題ti。耦ou合he電dian感gan SEPIC 可受益於漏電感,其可降低 AC 電流損耗。耦合電感必須具有 1:1 的匝數比,以實施伏-微(wei)秒(miao)平(ping)衡(heng)。選(xuan)擇(ze)使(shi)用(yong)兩(liang)個(ge)單(dan)獨(du)的(de)非(fei)耦(ou)合(he)電(dian)感(gan),一(yi)般(ban)可(ke)以(yi)更(geng)廣(guang)泛(fan)地(di)選(xuan)擇(ze)許(xu)多(duo)現(xian)貨(huo)組(zu)件(jian)。由(you)於(yu)並(bing)不(bu)要(yao)求(qiu)每(mei)個(ge)電(dian)感(gan)的(de)電(dian)流(liu)和(he)電(dian)感(gan)完(wan)全(quan)相(xiang)等(deng),因(yin)此(ci)可(ke)以(yi)選(xuan)擇(ze)使(shi)用(yong)不(bu)同(tong)的(de)組(zu)件(jian)尺(chi)寸(cun),從(cong)而(er)帶(dai)來(lai)更(geng)大(da)的(de)靈(ling)活(huo)性(xing)。
方程式 1 到 3 表明了耦合電感和非耦合電感的電感計算過程。

方程式計算得到最大輸入電壓和最小負載時 CCM 運行所需的最小電感。50% 占空比運行(VIN 等於 VOUT 時出現)和統一效率條件下,比較這些方程式可知,方程式 1 中zhong耦ou合he電dian感gan的de計ji算suan值zhi是shi非fei耦ou合he電dian感gan計ji算suan值zhi的de兩liang倍bei。由you於yu轉zhuan換huan器qi肯ken定ding會hui有you損sun耗hao,而er大da多duo數shu輸shu入ru電dian壓ya源yuan均jun有you很hen大da不bu同tong,因yin此ci這zhe種zhong簡jian化hua了le的de電dian感gan泛fan化hua一yi般ban為wei錯cuo誤wu的de;但它通常足以應付除極端情況以外的所有情況。它一般意味著,轉換器會比預期稍快一點進入非連續導通模式 (DCM) 運yun行xing,其qi在zai大da多duo數shu情qing況kuang下xia仍reng然ran可ke以yi接jie受shou。如ru前qian所suo述shu,使shi用yong非fei耦ou合he電dian感gan時shi,正zheng如ru我wo們men通tong常chang假jia設she的de那na樣yang,無wu需xu輸shu出chu端duan電dian感gan的de值zhi與yu輸shu入ru端duan電dian感gan一yi樣yang;但是為了簡單起見肯定會這樣做。利用 VOUT/VIN 調節輸入端電感,便可確定輸出端電感值。使用更小值輸出端電感的好處是,它一般尺寸更小而且成本更低。
[page]
實例設計
“表 1”所示規範為設計比較的基礎。第一個設計使用一個耦合電感,而第二個則使用兩個非耦合電感。
表 1 原型 SEPIC 電氣規範

使用一個耦合電感的設計是典型的 64W 輸出功率車載輸入電壓範圍。方程式1表明,耦合電感要求 12 µH 的電感,以及 13 A 的組合電流額定值(基於 IIN + IOUT)。這種設計特別具有挑戰性,因為現貨電感選擇範圍有限。因此,我們指定並設計了 Renco 自定義電感。該電感纏繞在一個分離式線軸上以產生漏電感,旨在最小化能夠引起損耗的循環 AC 電流。產生這些損耗的因為,施加在漏電感的 AC 電容紋波電壓。若想實施低功耗設計,Coilcraft(MSS1278 係列)和Coiltronics(DRQ74/127 係列)的耦合電感均是較好的現貨產品。
就非耦合電感設計而言,33-µH Coilcraft SER2918用於L1,而22-µH Coiltronics HC9 則用於 L2。它們的選擇均基於繞組電阻、額定電流和尺寸。選擇電感時,設計人員必須注意還要考慮鐵芯和 AC 繞組損耗。這些損耗可降低電感的有效DC電流,但並非所有廠商都提供計算所需的全部信息。錯誤的計算結果,會大大增加鐵芯溫度,使其超出典型的 40°C 溫升。它還會降低效率,並且加速過早失效現象的出現。

圖 2 使用耦合電感的 SEPIC(4A 時 16V)
圖 2 顯示了使用一個耦合電感的原型 SEPIC的示意圖。若想在設計中實施非耦合電感,隻需在相同 PWB 上用兩個電感替換耦合電感便可。圖 3 顯示了兩種原型電路。圖 3b 中,L1 占用了耦合電感的空間,而 L2 則位於右上角。
[page]
正zheng如ru預yu計ji的de那na樣yang,兩liang個ge電dian路lu以yi一yi種zhong近jin乎hu完wan全quan一yi樣yang的de方fang式shi工gong作zuo,且qie開kai關guan電dian壓ya和he電dian流liu波bo形xing實shi質zhi相xiang同tong。但dan在zai性xing能neng方fang麵mian存cun在zai一yi些xie重zhong要yao的de差cha異yi。耦ou合he電dian感gan設she計ji的de控kong製zhi環huan路lu相xiang當dang良liang性xing,而er非fei耦ou合he電dian感gan設she計ji則ze在zai最zui初chu時shi候hou出chu現xian不bu穩wen定ding。環huan路lu增zeng益yi測ce量liang表biao明ming,高gao Q、低頻諧振是罪魁禍首,其要求添加一個 R/C 阻尼濾波器與 AC 電容並聯。極大簡化時,諧振頻率似乎約為:


圖 3 SEPIC 原型
SEPIC 電路具有非常複雜的控製環路特性,同時由於分析結果的解釋一般較為困難,因此必需使用一些數學工具來進行具體分析。添加這種 R/C 阻尼濾波器(220 µF/2Ω)會增加成本、電路麵積和損耗。相比一個單耦合電感,使用兩個非耦合電感會使麵積增加 10%。
圖 4 顯示了兩種電路的測量效率。我們可以看到,耦合電感設計的效率增加多達 0.5%。這可能是由於耦合電感設計的總鐵芯損耗更低,因為其 DC 接線損耗實際高於使用非耦合電感的設計。L2 使用一種粉狀鐵芯材料,其往往具有比L1 和自定義 Renco 耦合電感所用鐵氧體材料更高的損耗。盡管使用了 L2 的鐵氧體材料,但其會導致更大的麵積。

圖 4 耦合和非耦合電感均獲得了較好的效率
結論
利用一個耦合電感或者兩個非耦合電感,均能成功實施SEPIC。更高的效率、更(geng)小(xiao)的(de)電(dian)路(lu)麵(mian)積(ji)以(yi)及(ji)更(geng)良(liang)性(xing)的(de)控(kong)製(zhi)環(huan)路(lu)特(te)性(xing),這(zhe)些(xie)都(dou)是(shi)使(shi)用(yong)正(zheng)確(que)纏(chan)繞(rao)的(de)自(zi)定(ding)義(yi)耦(ou)合(he)電(dian)感(gan)時(shi)原(yuan)型(xing)硬(ying)件(jian)所(suo)帶(dai)來(lai)的(de)好(hao)處(chu)。自(zi)定(ding)義(yi)組(zu)件(jian)沒(mei)有(you)現(xian)貨(huo)器(qi)件(jian)那(na)麼(me)理(li)想(xiang),而(er)許(xu)多(duo)耦(ou)合(he)電(dian)感(gan)隨(sui)處(chu)可(ke)以(yi)購(gou)買(mai)到(dao),且(qie)尺(chi)寸(cun)更(geng)小(xiao)。如(ru)果(guo)產(chan)品(pin)上(shang)市(shi)場(chang)時(shi)間(jian)至(zhi)關(guan)重(zhong)要(yao),則(ze)非(fei)耦(ou)合(he)電(dian)感(gan)可(ke)為(wei)設(she)計(ji)人(ren)員(yuan)帶(dai)來(lai)更(geng)大(da)的(de)靈(ling)活(huo)性(xing)。
特別推薦
- 噪聲中提取真值!瑞盟科技推出MSA2240電流檢測芯片賦能多元高端測量場景
- 10MHz高頻運行!氮矽科技發布集成驅動GaN芯片,助力電源能效再攀新高
- 失真度僅0.002%!力芯微推出超低內阻、超低失真4PST模擬開關
- 一“芯”雙電!聖邦微電子發布雙輸出電源芯片,簡化AFE與音頻設計
- 一機適配萬端:金升陽推出1200W可編程電源,賦能高端裝備製造
技術文章更多>>
- 2026藍牙亞洲大會暨展覽在深啟幕
- 新市場與新場景推動嵌入式係統研發走向統一開發平台
- 維智捷發布中國願景
- 2秒啟動係統 • 資源受限下HMI最優解,米爾RK3506開發板× LVGL Demo演示
- H橋降壓-升壓電路中的交替控製與帶寬優化
技術白皮書下載更多>>
- 車規與基於V2X的車輛協同主動避撞技術展望
- 數字隔離助力新能源汽車安全隔離的新挑戰
- 汽車模塊拋負載的解決方案
- 車用連接器的安全創新應用
- Melexis Actuators Business Unit
- Position / Current Sensors - Triaxis Hall
熱門搜索
Tektronix
Thunderbolt
TI
TOREX
TTI
TVS
UPS電源
USB3.0
USB 3.0主控芯片
USB傳輸速度
usb存儲器
USB連接器
VGA連接器
Vishay
WCDMA功放
WCDMA基帶
Wi-Fi
Wi-Fi芯片
window8
WPG
XILINX
Zigbee
ZigBee Pro
安規電容
按鈕開關
白色家電
保護器件
保險絲管
北鬥定位
北高智

