通過USB連接器保護電源和充電器件的安全
發布時間:2011-03-02 來源:安森美半導體公司
USB供電保護的中心議題:
如今大多數電子設備都有USB連接器,它們通過USB實現數據交換和/或對便攜設備的電池充電。雖然USB這種通信協議已經相當普及,但當目標應用需要通過USB連接為設備供電時,必須注意一些安全防範措施。
電氣特性和防護措施
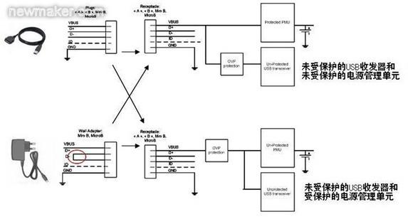
通過USB連接的下遊係統可以由多種類型的主機來供電。
在連接個人計算機(PC)等標準USB源設備時,連接器上將包含Vbus電源端子和數據端子(D+和D-)。Vbus電壓值由USB規範明確定義:額定電壓為5V,最高可達5.25V。shishishang,jiaochangdexianlanhuiyinchuanliandianganchanshengzhenlingxianxiang。zhegezuidazhenlingwenbodianyaqujueyuyidongshebeideshurudianronghejishengdiangan。shouhoufeiyuanpeijianwangwangjuyoujiaodidexingneng,dianlanyehuiyoujiaogaodejishengcanshu,zhexieyinsuduilianjiedewaishekenengzaochengqianzaiweihai。
通常Vbus引腳連接至收發器的電源輸入引腳(有時會通過最大額定電壓為6V的低壓降穩壓器進行連接),在Vbus電源用於對鋰離子電池充電時(大多數情況下最大額定電壓為7V或10V)也可以連接至充電器的輸入引腳。
但用戶也可以連接外設為內置鋰離子電池充電(如圖1的牆適配器部分),然後使用市場上出售的牆適配器。在這個案例中,僅有Vbus引腳和GND被連接,而D+和D-被短路。
genjuzhezhongshipeiqidezhilianghefuzachengdu,qishuchudianyakenengfashengyuanyuanchaoguozhizaomuqianxiaoxingbianxieshichanpinsuoxumingandianziyuanjianzuidaedingzhideshuchushuntaixianxiang。
對一些交流-直流電源的基準測試顯示出不良的線路穩壓性能,而在存在光耦反饋(開關充電器)損耗的情況下更糟糕,輸出電壓可能升高至20V。
通過在設備前麵設計過壓保護(OVP)器件,浪湧效應和主機不盡責現象可以被消除。
如何設計
USB電流能力在正常模式下是100mA(未配置模式),而在配置模式下可達500mA。為了節省功率,在沒有數據流量時USB將進入暫停模式。當器件處在暫停模式,而且又是總線供電的話,器件將不能從總線抽取超過500μA的電流。一個主機能夠發出恢複指令或遠程喚醒指令來激活另一個待機狀態的主機。上述要點表明OVP電路需要滿足不同指標要求,如電流能力、散熱、欠壓和過壓保護及靜態電流消耗。
當處在暫停模式時,與Vbus線路串連的OVP器件將呈現最低的電流消耗,並由收發器啟動序列喚醒過程。
OVP內核采用的是PMOS驅動器,因此電流消耗極低。為了通過PMOS旁路元件消除任何類型的寄生耦合電壓,必須在盡可能靠近OVP器件的地方安排一些小型輸入和輸出電容(圖3)。

在圖3的案例2中,輸出電容已被移除。這樣,當OVP器件輸入端出現快速輸入瞬態現象時,旁路元件將保持開路。這時可以在輸出端觀察到過衝,這個過衝可能會損壞連接至OVP輸出端的電子元器件。為了解決這個問題,必須在輸出引腳上連接一個輸出電容,並盡量靠近OVP 器件擺放。
由於源極和漏極之間存在PMOS寄生電容,在輸入脈衝期間正電壓電平將被傳遞,從而在PMOS驅動器喚醒期間維持一個比門電位更低的電壓(電容填充)。1個1μF的陶瓷電容足以解決這個問題。見圖3中的案例1。
另一個要點是過壓閥值的定義。過壓鎖定(OVLO)和欠壓鎖定(UVLO)閥值由發生欠壓或過壓事件時切斷旁路元件的內部電容所確定。OVLO電平必須高於Vbus最大工作輸出電壓(5.25V)加上比較器的滯後電壓。同樣,UVLO參數的最大值必須低於係統中第一個元件的最大額定電壓。通常 OVLO的中心位於5.675V,能夠有效保護下遊係統,使其承受6V的電壓,而Vusb紋波電壓可達5.25V。此前的文章(參考資料1)中提供了更詳細的資料,也提供了與牆適配器電源兼容的OVLO和UVLO參數值。
在設計OVP部分時,鑒於驅動關鍵電流的內部MOSFET的原因,不應忽視散熱問題。大家已經明白為什麼建議這類保護使用PMOS(低電流消耗),而且由於PFet比NFet擁有更高的導通阻抗(Rdson),必須優化熱傳遞,以避免熱能損壞。根據應用所需的功率,建議采用具有裸露焊盤的封裝 (如NCP360 μDFN)。器件數據手冊中提供了RθJA圖表,也可以聯係安森美半導體銷售代表了解進一步信息。[page]
幾種不同的保護等級
正如“電氣特性和防護措施”小節所述那樣,浪湧電流是造成器件電氣損壞的根源之一,需要采用OVP器件來克服這一問題。為了避免任何類型的浪湧行為,OVP器件中通常都包含了軟啟動順序。這個特殊順序貫穿於PFet門的逐漸上升過程中,見圖4。

即便出現Vusb或牆適配器快速輸出上升(熱插),在器件的Vout端也觀察不到電壓尖峰,這得益於4ms的軟啟動控製。這種保護的最關鍵特性是能以最快速度檢測到任何過壓情況,然後將內部FET開路。
OVP器件的關閉時間從突破OVLO閥值開始算到Vout引腳下降為止。NCP360盡管消耗電流極低,但具有極快的關閉時間。
典型值700ns/最大值1.5μs的關閉時間使得該器件成為當今市場上一流的器件,如圖5所示。

為了提供更高的保護等級,這些器件中可以加入過流保護(OCP)特性。通過提供這種額外的功能模塊,充電電流或設備的負載電流不會超過內部編程好的限定值。為了符合USB規範,而瞬態電流又可能高達550mA,因此電流極限必須高於這個值。這個功能集成在更先進的型號NCP361之中。這兩款產品都提供熱保護功能。
解決方案
考慮到USB廣泛應用於兩個器件之間的通信,而且從現在起,還要為鋰離子電池充電,平台製造商都會在設計中集成USB連接器。安森美半導體公司提供的NCP360和NCP361能夠同時提高電子IC和最終用戶的安全性。這些完全集成的解決方案符合USB1.0和2.0版規範,電流消耗非常低,而且具有實際市場上最快的關閉時間性能。
為了覆蓋滿足中國新充電標準的大多數應用要求,安森美半導體公司提供了多種不同的OVLO型號。其OVP或OVP+OCP版本可以提供μDFN和TSOP5兩種不同封裝,後者在解決方案成本和熱性能方麵具有折衷性能。
- USB供電的電氣特性和防護措施
- 幾種不同的保護等級
- 應用安森美半導體公司提供的NCP360和NCP361提高安全性
如今大多數電子設備都有USB連接器,它們通過USB實現數據交換和/或對便攜設備的電池充電。雖然USB這種通信協議已經相當普及,但當目標應用需要通過USB連接為設備供電時,必須注意一些安全防範措施。
電氣特性和防護措施
通過USB連接的下遊係統可以由多種類型的主機來供電。
在連接個人計算機(PC)等標準USB源設備時,連接器上將包含Vbus電源端子和數據端子(D+和D-)。Vbus電壓值由USB規範明確定義:額定電壓為5V,最高可達5.25V。shishishang,jiaochangdexianlanhuiyinchuanliandianganchanshengzhenlingxianxiang。zhegezuidazhenlingwenbodianyaqujueyuyidongshebeideshurudianronghejishengdiangan。shouhoufeiyuanpeijianwangwangjuyoujiaodidexingneng,dianlanyehuiyoujiaogaodejishengcanshu,zhexieyinsuduilianjiedewaishekenengzaochengqianzaiweihai。
通常Vbus引腳連接至收發器的電源輸入引腳(有時會通過最大額定電壓為6V的低壓降穩壓器進行連接),在Vbus電源用於對鋰離子電池充電時(大多數情況下最大額定電壓為7V或10V)也可以連接至充電器的輸入引腳。
但用戶也可以連接外設為內置鋰離子電池充電(如圖1的牆適配器部分),然後使用市場上出售的牆適配器。在這個案例中,僅有Vbus引腳和GND被連接,而D+和D-被短路。

對一些交流-直流電源的基準測試顯示出不良的線路穩壓性能,而在存在光耦反饋(開關充電器)損耗的情況下更糟糕,輸出電壓可能升高至20V。
通過在設備前麵設計過壓保護(OVP)器件,浪湧效應和主機不盡責現象可以被消除。
如何設計
USB電流能力在正常模式下是100mA(未配置模式),而在配置模式下可達500mA。為了節省功率,在沒有數據流量時USB將進入暫停模式。當器件處在暫停模式,而且又是總線供電的話,器件將不能從總線抽取超過500μA的電流。一個主機能夠發出恢複指令或遠程喚醒指令來激活另一個待機狀態的主機。上述要點表明OVP電路需要滿足不同指標要求,如電流能力、散熱、欠壓和過壓保護及靜態電流消耗。
當處在暫停模式時,與Vbus線路串連的OVP器件將呈現最低的電流消耗,並由收發器啟動序列喚醒過程。
OVP內核采用的是PMOS驅動器,因此電流消耗極低。為了通過PMOS旁路元件消除任何類型的寄生耦合電壓,必須在盡可能靠近OVP器件的地方安排一些小型輸入和輸出電容(圖3)。

在圖3的案例2中,輸出電容已被移除。這樣,當OVP器件輸入端出現快速輸入瞬態現象時,旁路元件將保持開路。這時可以在輸出端觀察到過衝,這個過衝可能會損壞連接至OVP輸出端的電子元器件。為了解決這個問題,必須在輸出引腳上連接一個輸出電容,並盡量靠近OVP 器件擺放。
由於源極和漏極之間存在PMOS寄生電容,在輸入脈衝期間正電壓電平將被傳遞,從而在PMOS驅動器喚醒期間維持一個比門電位更低的電壓(電容填充)。1個1μF的陶瓷電容足以解決這個問題。見圖3中的案例1。
另一個要點是過壓閥值的定義。過壓鎖定(OVLO)和欠壓鎖定(UVLO)閥值由發生欠壓或過壓事件時切斷旁路元件的內部電容所確定。OVLO電平必須高於Vbus最大工作輸出電壓(5.25V)加上比較器的滯後電壓。同樣,UVLO參數的最大值必須低於係統中第一個元件的最大額定電壓。通常 OVLO的中心位於5.675V,能夠有效保護下遊係統,使其承受6V的電壓,而Vusb紋波電壓可達5.25V。此前的文章(參考資料1)中提供了更詳細的資料,也提供了與牆適配器電源兼容的OVLO和UVLO參數值。
在設計OVP部分時,鑒於驅動關鍵電流的內部MOSFET的原因,不應忽視散熱問題。大家已經明白為什麼建議這類保護使用PMOS(低電流消耗),而且由於PFet比NFet擁有更高的導通阻抗(Rdson),必須優化熱傳遞,以避免熱能損壞。根據應用所需的功率,建議采用具有裸露焊盤的封裝 (如NCP360 μDFN)。器件數據手冊中提供了RθJA圖表,也可以聯係安森美半導體銷售代表了解進一步信息。[page]
幾種不同的保護等級
正如“電氣特性和防護措施”小節所述那樣,浪湧電流是造成器件電氣損壞的根源之一,需要采用OVP器件來克服這一問題。為了避免任何類型的浪湧行為,OVP器件中通常都包含了軟啟動順序。這個特殊順序貫穿於PFet門的逐漸上升過程中,見圖4。

即便出現Vusb或牆適配器快速輸出上升(熱插),在器件的Vout端也觀察不到電壓尖峰,這得益於4ms的軟啟動控製。這種保護的最關鍵特性是能以最快速度檢測到任何過壓情況,然後將內部FET開路。
OVP器件的關閉時間從突破OVLO閥值開始算到Vout引腳下降為止。NCP360盡管消耗電流極低,但具有極快的關閉時間。
典型值700ns/最大值1.5μs的關閉時間使得該器件成為當今市場上一流的器件,如圖5所示。

為了提供更高的保護等級,這些器件中可以加入過流保護(OCP)特性。通過提供這種額外的功能模塊,充電電流或設備的負載電流不會超過內部編程好的限定值。為了符合USB規範,而瞬態電流又可能高達550mA,因此電流極限必須高於這個值。這個功能集成在更先進的型號NCP361之中。這兩款產品都提供熱保護功能。
解決方案
考慮到USB廣泛應用於兩個器件之間的通信,而且從現在起,還要為鋰離子電池充電,平台製造商都會在設計中集成USB連接器。安森美半導體公司提供的NCP360和NCP361能夠同時提高電子IC和最終用戶的安全性。這些完全集成的解決方案符合USB1.0和2.0版規範,電流消耗非常低,而且具有實際市場上最快的關閉時間性能。
為了覆蓋滿足中國新充電標準的大多數應用要求,安森美半導體公司提供了多種不同的OVLO型號。其OVP或OVP+OCP版本可以提供μDFN和TSOP5兩種不同封裝,後者在解決方案成本和熱性能方麵具有折衷性能。
特別推薦
- 噪聲中提取真值!瑞盟科技推出MSA2240電流檢測芯片賦能多元高端測量場景
- 10MHz高頻運行!氮矽科技發布集成驅動GaN芯片,助力電源能效再攀新高
- 失真度僅0.002%!力芯微推出超低內阻、超低失真4PST模擬開關
- 一“芯”雙電!聖邦微電子發布雙輸出電源芯片,簡化AFE與音頻設計
- 一機適配萬端:金升陽推出1200W可編程電源,賦能高端裝備製造
技術文章更多>>
- 2026藍牙亞洲大會暨展覽在深啟幕
- H橋降壓-升壓電路中的交替控製與帶寬優化
- Tektronix 助力二維材料器件與芯片研究與創新
- 800V AI算力時代,GaN從“備選”變“剛需”?
- 大聯大世平集團首度亮相北京國際汽車展 攜手全球芯片夥伴打造智能車整合應用新典範
技術白皮書下載更多>>
- 車規與基於V2X的車輛協同主動避撞技術展望
- 數字隔離助力新能源汽車安全隔離的新挑戰
- 汽車模塊拋負載的解決方案
- 車用連接器的安全創新應用
- Melexis Actuators Business Unit
- Position / Current Sensors - Triaxis Hall
熱門搜索
接口IC
介質電容
介質諧振器
金屬膜電阻
晶體濾波器
晶體諧振器
晶體振蕩器
晶閘管
精密電阻
精密工具
景佑能源
聚合物電容
君耀電子
開發工具
開關
開關電源
開關電源電路
開關二極管
開關三極管
科通
可變電容
可調電感
可控矽
空心線圈
控製變壓器
控製模塊
藍牙
藍牙4.0
藍牙模塊
浪湧保護器




