數字PFC + LLC組合控製器助力快充適配器進入新時代
發布時間:2021-08-13 來源:Siran Wang 責任編輯:wenwei
【導讀】隨著移動設備的功率需求呈指數級增長,快充技術在過去幾年得到了迅猛發展。2020年末,手機市場領導者(如蘋果、小米和三星)開始不再提供手機包裝內附送的適配器。這一變化引發了零件市場適配器的又一波需求熱潮,也印證了快充適配器市場的兩大趨勢。
第一個趨勢是對多端口適配器的需求。傳統的手機隨附適配器無論功率多大,都隻提供單個USB端口。一旦不再附送適配器,傳統的“one phone, one adapter(一部手機配一個適配器)”的概念就變得毫無意義,因為客戶開始更喜歡多個 USB 端口設計的適配器。現代消費者在日常生活都會用到大量的電子設備(例如手機、平板電腦和筆記本電腦),無論在家中還是在旅途中,擁有一個可以同時為多個設備供電的適配器,當然是首選的充電方式(見圖 1) 。

圖1: 帶3C1A USB端口的100W適配器
第二個趨勢是適配器需要可以適用於超過100W的更高功率水平。由於快充技術的發展,大多數適配器的功率水平也在不斷提高。USB PD協議允許高達20V的充電電壓和5A充電電流。
迄今為止,出於量產成本以及單個便攜式設備實際充電要求等考慮,市場上的大多數產品附送適配器功率仍低於65W。
但dan由you於yu為wei多duo個ge設she備bei充chong電dian需xu要yao更geng高gao的de功gong率lv,許xu多duo零ling件jian市shi場chang的de多duo端duan口kou適shi配pei器qi已yi經jing超chao越yue了le傳chuan統tong的de功gong率lv限xian製zhi。而er且qie,因yin為wei可ke以yi為wei更geng多duo設she備bei充chong電dian,更geng高gao的de成cheng本ben也ye變bian得de可ke以yi接jie受shou。因yin此ci,額e定ding功gong率lv超chao過guo100W的大功率適配器正逐步成為主流產品。
對於最高功率65W的(de)適(shi)配(pei)器(qi),單(dan)級(ji)反(fan)激(ji)拓(tuo)撲(pu)一(yi)直(zhi)以(yi)來(lai)都(dou)是(shi)最(zui)常(chang)用(yong)的(de)解(jie)決(jue)方(fang)案(an)。特(te)別(bie)是(shi)對(dui)具(ju)有(you)寬(kuan)輸(shu)入(ru)和(he)輸(shu)出(chu)電(dian)壓(ya)範(fan)圍(wei)的(de)單(dan)端(duan)口(kou)快(kuai)充(chong)適(shi)配(pei)器(qi)而(er)言(yan),反(fan)激(ji)解(jie)決(jue)方(fang)案(an)無(wu)需(xu)額(e)外(wai)的(de) DC/DC 功率級即可適應多種電壓組合。然而,基於上述趨勢,市場需要快充適配器解決方案有所變革。
首先,大多數地區對電源都有強製的功率因數規範,當額定功率超過一定水平時,需要在前端進行功率因數校正(PFC)。其次,反激解決方案很難滿足100W以上應用的效率和功率密度要求。
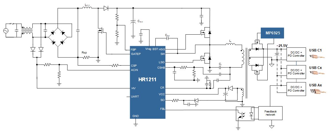
由於多端口適配器要求每個端口都能夠獨立調節輸出電壓,因此每個端口必須有自己的 DC/DC 級。這意味著主電源隻需要提供固定的輸出電壓即可,無需提供可調電壓。這使得兩級PFC + LLC 組合控製器成為更適合多端口大功率適配器的解決方案。LLC 是一種諧振變換器,它可在寬負載範圍內實現零電壓開關 (ZVS)。輸入端為PFC,輸出端為 DC/DC,LLC 解決方案實現了比反激解決方案更高的效率和功率密度。圖 2 顯示了典型的PFC + LLC 解決方案。

圖2: 采用HR1211實現的典型PFC + LLC控製器解決方案
我們以MPS的HR1211為例進行說明。HR1211是一款數字 PFC + LLC combo控製器,可用於大功率多端口PD適配器設計。
該PFC + LLC combo控製器是多端口適配器的理想解決方案。HR1211中的混合控製方案允許PFC 級的連續導通模式 (CCM) 和斷續導通模式 (DCM)。在滿載條件下,CCM降低了傳導損耗(尤其是在低壓線路輸入時)和電感尺寸要求。與此同時,LLC 級通過自適應死區時間追蹤技術實現了電流控製模式,保證了ZVS 操作在任何條件下都具有最小死區時間。這最大限度地降低了LLC 變換器的開關和傳導損耗。這些特性對實現高效率和高功率密度至關重要。在具有 3C1A USB 端口的100W PD 適配器中,從 AC 到 LLC 輸出的滿載效率接近95%(參見圖 3)。

圖3: 100W適配器設計中的HR1211滿載效率
基於此,我們可以在非常小的尺寸 (76mmx61mmx29mm) 下實現100W大功率適配器,而且可以輕鬆控製溫升。圖 4顯示了在 20V/5A 的連續滿載工作條件下,該解決方案的最高溫度為 77°C。

圖4: 在連續20V/5A 輸出條件下的熱性能
HR1211的專有控製方案還具有卓越的輕載性能。隨著負載的降低,該解決方案將逐步將PFC 操作從CCM模式改為DCM模式,並降低開關頻率。在輕載條件下,LLC 控製采用跳頻模式和突發模式來降低 LLC 變換器的等效開關頻率,從而降低開關損耗。
圖 5 顯示了在輸出電壓為20V時,USB Type-C 輸出之一從10%負載到滿載時的效率。PFC + LLC combo可以分別實現88.3%的高壓線路平均效率和89%的低壓線路平均效率,輕鬆滿足全球效率規範。

圖5: USB Type-C輸出效率
該解決方案的另一個好處是采用數字化設計,更具靈活性。它不僅外部電路相當簡單,而且HR1211芯片具有數字內核和多次可編程(MTP)存儲器,因而具有豐富的可編程性。可以通過基於 UART 的通信接口和圖形用戶界麵 (GUI) 編程各種操作模式裏的關鍵參數、開關特性、調整率以及轉換閾值。
憑借這種靈活的數字化設計,我們可以根據給定設計輕鬆優化效率、紋波、噪聲和保護等各類性能(參見圖 6)。這一點對快速發展的市場(如大功率快速充電適配器)尤為重要。一旦市場對電源規格、外形規格或性能規範提出新的需求,PFC + LLC combo控製器都能夠快速做出響應。

圖6: HR1211圖形用戶界麵
快充適配器市場不斷發展,超過100W 的大功率適配器以及具有多個USB PD端口的新型適配器需求不斷湧入。HR1211這種數字PFC + LLC 控製器解決方案可以很好地滿足此類需求,其出色的效率、性能、功率密度和靈活性將助力適配器市場進入新時代。
免責聲明:本文為轉載文章,轉載此文目的在於傳遞更多信息,版權歸原作者所有。本文所用視頻、圖片、文字如涉及作品版權問題,請聯係小編進行處理。
推薦閱讀:
特別推薦
- 噪聲中提取真值!瑞盟科技推出MSA2240電流檢測芯片賦能多元高端測量場景
- 10MHz高頻運行!氮矽科技發布集成驅動GaN芯片,助力電源能效再攀新高
- 失真度僅0.002%!力芯微推出超低內阻、超低失真4PST模擬開關
- 一“芯”雙電!聖邦微電子發布雙輸出電源芯片,簡化AFE與音頻設計
- 一機適配萬端:金升陽推出1200W可編程電源,賦能高端裝備製造
技術文章更多>>
- 1200餘家企業齊聚深圳,CITE2026打造電子信息產業創新盛宴
- 掌握 Gemini 3.1 Pro 參數調優的藝術
- 築牢安全防線:電池擠壓試驗機如何為新能源產業護航?
- Grok 4.1 API 實戰:構建 X 平台實時輿情監控 Agent
- 電源芯片國產化新選擇:MUN3CAD03-SF助力物聯網終端“芯”升級
技術白皮書下載更多>>
- 車規與基於V2X的車輛協同主動避撞技術展望
- 數字隔離助力新能源汽車安全隔離的新挑戰
- 汽車模塊拋負載的解決方案
- 車用連接器的安全創新應用
- Melexis Actuators Business Unit
- Position / Current Sensors - Triaxis Hall
熱門搜索
逆變器
逆導可控矽
鎳鎘電池
鎳氫電池
紐扣電池
歐勝
耦合技術
排電阻
排母連接器
排針連接器
片狀電感
偏光片
偏轉線圈
頻率測量儀
頻率器件
頻譜測試儀
平板電腦
平板顯示器
齊納二極管
氣動工具
氣體傳感器
氣體放電管
汽車電子
汽車繼電器
汽車連接器
牆壁開關
翹板開關
驅動模塊
燃料電池
繞線電感



