將MOS晶體管連接為二極管
發布時間:2020-07-01 來源:Doug Mercer 和 Antoniu Miclaus 責任編輯:wenwei
【導讀】本次實驗的目的是研究將MOS場效應晶體管(NMOS和PMOS)連接為二極管時的正向/反向電流與電壓特性。
材料:
● ADALM2000主動學習模塊
● 無焊麵包板
● 一個100 Ω電阻
● 一個ZVN2110A NMOS晶體管
● 一個ZVP2110A PMOS晶體管
NMOS說明
增強型NMOS晶體管柵源的電流與電壓特性可以使用ADALM2000實驗室硬件和以下連接來測量。使用麵包板,將波形發生器W1連接到電阻R1的一端。將示波器輸入2+也連接到這裏。將M1的柵極和漏極連接到R1的另一端,如圖所示。M1的源極連接至負電源Vn(–5 V)。將示波器輸入2-和示波器輸入1+連接到M1的柵極-漏極節點。示波器輸入1–最好接地,以降低噪聲影響。構建電路時,確保關閉電源Vn。確保所有連接都正確之後,接通電源。

圖1.NMOS二極管連接圖。
硬件設置
波形發生器配置為100 Hz三角波,峰峰值幅度為10 V,偏移為0 V。示波器的差分通道2(2+、2-)用於測量電阻(和晶體管)中的電流。連接示波器通道1 (1+)的單端輸入,以測量晶體管兩端的電壓。流過晶體管的電流是2+和2-之間的電壓差除以電阻值(100 Ω)的結果。

圖2.NMOS二極管麵包板電路。
程序步驟
將捕獲的數據加載到Excel表格中,計算電流。計算並繪製電流與晶體管兩端電壓(VGS)的曲線。應沒有反向流動電流。在正向導通區域,電壓-電流應呈二次函數關係。計算並繪製電流與VGS的平方根曲線。比較兩條曲線的形狀並評論。VGS的平方根曲線。比較兩條曲線的形狀並評論。

圖3.NMOS二極管XY曲線。
PMOS說明
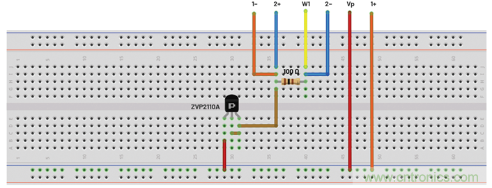
使用PMOS器件,重複實驗。連接方法類似,如圖4所示。您可能注意到,在本示例中,示波器輸入的極性發生反向。所以,示波器屏幕的電壓和電流方向與NMOS示例中類似。M1的源極連接至正電源Vp (+5 V)。將示波器輸入2+和示波器輸入1–連接到M1的柵極-漏極節點。構建電路時,確保關閉電源(Vp)。確保所有連接都正確之後,接通電源。

圖4.PMOS二極管連接圖。
硬件設置
波形發生器配置為100 Hz三角波,峰峰值幅度為10 V,偏移為0 V。示波器的差分通道2(2+、2-)用於測量電阻(和晶體管)中的電流。連接示波器通道1 (1–)的單端輸入以測量晶體管兩端的電壓。流過晶體管的電流是2+和2-之間的電壓差除以電阻值(100 Ω)的結果。

圖5.PMOS二極管麵包板電路。
程序步驟
將捕獲的數據加載到Excel表格中,計算電流。計算並繪製電流與VGS的曲線。應沒有反向流動電流。在正向導通區域,電壓和電流應呈二次函數關係。計算並繪製電流(ID)與VGS的平方根曲線。比較兩條曲線的形狀並評論。

圖6.PMOS二極管XY曲線。
問題
● 通過繪製ID和VGS的測量數據曲線,找到並報告VTH和K (W/L)的值。比較NMOS和PMOS的VTH和K (W/L)值,有什麼區別?
推薦閱讀:
特別推薦
- 噪聲中提取真值!瑞盟科技推出MSA2240電流檢測芯片賦能多元高端測量場景
- 10MHz高頻運行!氮矽科技發布集成驅動GaN芯片,助力電源能效再攀新高
- 失真度僅0.002%!力芯微推出超低內阻、超低失真4PST模擬開關
- 一“芯”雙電!聖邦微電子發布雙輸出電源芯片,簡化AFE與音頻設計
- 一機適配萬端:金升陽推出1200W可編程電源,賦能高端裝備製造
技術文章更多>>
- 三星上演罕見對峙:工會集會討薪,股東隔街抗議
- 摩爾線程實現DeepSeek-V4“Day-0”支持,國產GPU適配再提速
- 築牢安全防線:智能駕駛邁向規模化應用的關鍵挑戰與破局之道
- GPT-Image 2:99%文字準確率,AI生圖告別“鬼畫符”
- 機器人馬拉鬆的勝負手:藏在主板角落裏的“時鍾戰爭”
技術白皮書下載更多>>
- 車規與基於V2X的車輛協同主動避撞技術展望
- 數字隔離助力新能源汽車安全隔離的新挑戰
- 汽車模塊拋負載的解決方案
- 車用連接器的安全創新應用
- Melexis Actuators Business Unit
- Position / Current Sensors - Triaxis Hall
熱門搜索
Tektronix
Thunderbolt
TI
TOREX
TTI
TVS
UPS電源
USB3.0
USB 3.0主控芯片
USB傳輸速度
usb存儲器
USB連接器
VGA連接器
Vishay
WCDMA功放
WCDMA基帶
Wi-Fi
Wi-Fi芯片
window8
WPG
XILINX
Zigbee
ZigBee Pro
安規電容
按鈕開關
白色家電
保護器件
保險絲管
北鬥定位
北高智

