基於MPQ3326-AEC1的16路汽車LED驅動器應用
發布時間:2020-01-20 責任編輯:wenwei
【導讀】LED照明不僅節能高效,可靠性高,而且功能豐富。從先進的可控前照燈到複雜的車廂照明,再到將單獨的LED控製與不同的顏色和亮度相結合,不但可以大大增強駕駛體驗,還可以為車輛打造不同的風格和吸引力,廣被汽車應用采用。
MPS推出的 MPQ3326-AEC1便可以滿足各種汽車的照明需求,包括日行燈、車載娛樂顯示屏、動態方向燈、儀表盤背光、側燈、尾燈和照地燈等。其主要功能包括:
● 16通道,每通道最大可支持50mA且可多路並聯使用
● I2C通訊接口,最多可支持10片IC級聯
● 每路支持6-bit模擬調光/12-bit PWM調光
● 帶診斷Fault信號和寄存器
● LED開路,短路保護功能,驅動過溫檢測功能

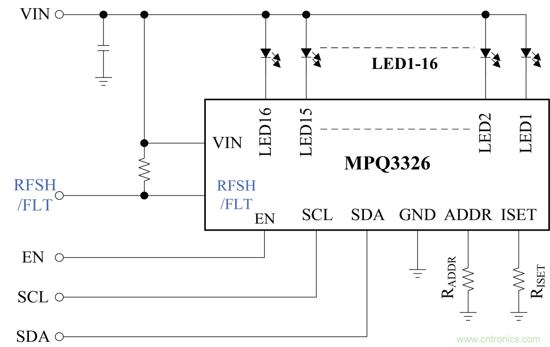
圖1:MPQ3326-AEC1典型應用電路
MPQ336有16路,每路支持50mA,且可通過多路並聯來輸出更大電流,並且具有每個通道可獨立調光的特點,可支持不同的車燈效果和LED功率等級,靈活性非常高。此外,其可通過I2C總線級聯10顆芯片的特點保證了很好的擴展性。
以下示例展示了MPQ3326-AEC1的靈活特性。
動態轉向燈和危險警示燈 動態轉向效果儼然成為當代新車設計的一種流行趨勢。常見的效果是按照左-右/右-左的移動順序點亮每個LED單元(見圖2)。此種方向指示模式,每個LED單元大約需要200mA的驅動電流。例如,轉向信號燈由5個獨立的LED單元組成(每單元3顆LED串聯,使用兩顆MPQ3326-AEC1,將其四通道並聯輸出,來驅動一個LED單元,即可實現5個LED單元的動態轉向效果。

圖2: 動態“左轉”方向信號
通過I2C總線控製可以針對不同的工作模式,通過係統微控製器啟用和排序每個陣列的LED燈。如圖3電路所示,用係統中的微處理器(MCU)通過I2C總線對每個LED單元進行時序控製,從而實現不同工作模式,比如:從左至右/從右至左滾動模式,或者所有LED單元同時閃爍的報警信號模式。

圖3:5個單元動態轉向燈電路圖
具有呼吸喚醒模式的日行燈
rixingdengyijingchengweisuoyououzhoucheliangdebiaopei。youyurixingdengtongchangyuzhuanxiangdengweiyutongyidengzu,,dangzhuanxiangdengliangqishi,weilebuyingxiangzhuanxiangdengdekeshixing,xuyaojiangrixingdengqiehuanzhidiliangdumoshi。ciwai,dangcheliangqidongshi,rixingdengkecaiyong“呼吸式”的動態效果,車輛猶如被“喚醒”一般,尤其在夜間,效果格外明顯。如果車廂內燈和照地燈也采用相似的呼吸喚醒模式,會顯得更加高端。
MPQ3326-AEC1的調光功能可以實現這些效果,其12bit的PWM調光方式結合6bit的模擬調光功能提供了非常精細的亮度控製。假設典型的日行燈每串LED可能使用250mA電流,如果每串並聯五個通道,那麼一顆MPQ3326-AEC1 就可以驅動3串LED。
提升效率,支持冷機啟動
對於許多車輛照明應用來說,LED照明在“冷車啟動”時是否能保持穩定且無閃爍非常重要,此時正常的12V電池電壓可能會暫時下降至6V。此類電壓跌落的現象也越來越普遍,因為考慮到節能減排,發動機自動啟停功能越來越被廣泛應用於傳統燃油車與混合電動車。
根據所需維持的LED燈串電壓,需要在MPQ3326-AEC1 LED恒流驅動之前放置一個Buck(降壓)或Boost(升壓)DC / DC變換器。MPS同樣也提供了一係列Boost升壓和Buck降壓產品。
對於三串及以上LED的升壓情況(假定正向電壓典型值為3V),MPQ3425-AEC1可以提供非同步升壓解決方案,其輸入端電壓可低至3.1V,最高可達55V,具有額定值5A開關電流限。
對於從正常12V電池電壓降壓給1或2顆串聯LED供電,可以選擇MPQ4420-AEC1 DC / DC變換器。與線性穩壓器(LDO)相比,其同步整流的工作模式可確保高效工作,不會產生大量損耗。此外, MPQ4420-AEC1 還具有出色的EMI性能(見圖4)。


圖4: MPQ4420-AEC1 (9mmx9mm) PCB和EMI性能圖(符合EN55022)
MPS提供了基於MPQ4420+兩顆MPQ3326的評估板,可以實現32顆LED一係列的動態效果(參見圖5),其中還包含一顆超低靜態電流(3µA)的LDO-MPQ2013給MCU待機使用。

圖5:MPQ4420-AEC1 + MPQ3326-AEC1評估板
推薦閱讀:
特別推薦
- 噪聲中提取真值!瑞盟科技推出MSA2240電流檢測芯片賦能多元高端測量場景
- 10MHz高頻運行!氮矽科技發布集成驅動GaN芯片,助力電源能效再攀新高
- 失真度僅0.002%!力芯微推出超低內阻、超低失真4PST模擬開關
- 一“芯”雙電!聖邦微電子發布雙輸出電源芯片,簡化AFE與音頻設計
- 一機適配萬端:金升陽推出1200W可編程電源,賦能高端裝備製造
技術文章更多>>
- 解鎖算力芯片的“速度密碼”:SmartDV全棧IP方案深度解析
- 1200餘家企業齊聚深圳,CITE2026打造電子信息產業創新盛宴
- 掌握 Gemini 3.1 Pro 參數調優的藝術
- 築牢安全防線:電池擠壓試驗機如何為新能源產業護航?
- Grok 4.1 API 實戰:構建 X 平台實時輿情監控 Agent
技術白皮書下載更多>>
- 車規與基於V2X的車輛協同主動避撞技術展望
- 數字隔離助力新能源汽車安全隔離的新挑戰
- 汽車模塊拋負載的解決方案
- 車用連接器的安全創新應用
- Melexis Actuators Business Unit
- Position / Current Sensors - Triaxis Hall
熱門搜索




