了解電機驅動的真空機器人的世界
發布時間:2019-11-22 責任編輯:wenwei
【導讀】隨著世界變得越來越自動化,使用常規立式吸塵器清潔房屋感覺苦不堪言。自2002年首台真空機器人上市以來,清潔機器人的功能和可用選項大幅增加。事實上,許多優質機器人真空吸塵器目前已進入第六代。
推動這一變化的因素- 無論是比喻含義還是字麵含義 - 是使您的現代真空機器人流暢運行的一個器件 - 電機驅動。如同今天的家用機器人助手一樣,電驅動的尺寸持續縮小,同時性能也在提高。
在本文中,我將回顧真空機器人的主要特點和當前趨勢,以及電機驅動如何幫助滿足這些要求。
展望未來,預計真空機器人將變得不那麼笨拙(換言之,不那麼容易迷失方向)且運行更快。設計尺寸也將繼續縮小,使他們能夠清潔諸如廚櫃或低間隙家具之類的狹窄部位。
真空機器人設計挑戰
電dian池chi壽shou命ming和he可ke靠kao性xing是shi真zhen空kong機ji器qi人ren麵mian臨lin的de兩liang大da設she計ji挑tiao戰zhan。大da多duo數shu真zhen空kong機ji器qi人ren都dou是shi電dian池chi供gong電dian的de,並bing從cong電dian源yuan座zuo充chong電dian。真zhen空kong機ji器qi人ren的de典dian型xing框kuang圖tu如ru圖tu1所示。

圖1:真空機器人的部分
電機是真空機器人的重要組成部分。如何驅動電機以及使用何種電機驅動決定電池壽命和可靠性。
讓我們回顧一下控製真空機器人消耗的大部分功率的主要係統模塊、所涉及的主電機,以及確定哪種電機驅動將控製並降低功耗的係統要求:
● 真空機器人的主吸力是通過一個運行在3到4A的電機來完成的,通常具有高達8A的峰值電流。效率和全麵保護是關鍵要求。該電機通常由無刷電機驅動進行驅動,以降低噪音並提高效率。
● 兩liang個ge雙shuang向xiang輪lun使shi用yong有you刷shua電dian機ji驅qu動dong。早zao期qi型xing號hao隻zhi能neng向xiang一yi個ge方fang向xiang移yi動dong,但dan雙shuang向xiang輪lun在zai解jie鎖suo機ji器qi人ren或huo使shi其qi從cong困kun難nan的de位wei置zhi改gai變bian方fang向xiang時shi非fei常chang有you用yong。這zhe些xie是shi低di速su電dian機ji,帶dai典dian<1A的典型均方根(RMS)額(e)定(ding)電(dian)流(liu)。與(yu)光(guang)滑(hua)的(de)瓷(ci)磚(zhuan)或(huo)硬(ying)木(mu)地(di)板(ban)相(xiang)比(bi),需(xu)要(yao)更(geng)好(hao)的(de)扭(niu)矩(ju)在(zai)諸(zhu)如(ru)地(di)毯(tan)等(deng)更(geng)粗(cu)糙(cao)的(de)地(di)板(ban)類(lei)型(xing)移(yi)動(dong)。另(ling)一(yi)個(ge)關(guan)鍵(jian)要(yao)求(qiu)是(shi)監(jian)控(kong)輸(shu)出(chu)電(dian)流(liu),且(qie)如(ru)果(guo)電(dian)流(liu)持(chi)續(xu)較(jiao)長(chang)時(shi)間(jian),則(ze)向(xiang)微(wei)控(kong)製(zhi)器(qi)(MCU)發送反饋,這可能表明真空機器人卡住了。
● 主刷使用位於真空機器人中心的有刷電機,用於攪動和拉動地板上的汙垢。這是一款中速電機,額定RMS電流約為3A。
● 取(qu)決(jue)於(yu)真(zhen)空(kong)機(ji)器(qi)人(ren)和(he)品(pin)牌(pai)的(de)類(lei)型(xing),可(ke)能(neng)有(you)一(yi)個(ge)或(huo)兩(liang)個(ge)單(dan)向(xiang)側(ce)刷(shua)以(yi)中(zhong)速(su)運(yun)行(xing)。這(zhe)些(xie)側(ce)刷(shua)通(tong)過(guo)向(xiang)內(nei)朝(chao)向(xiang)機(ji)器(qi)人(ren)的(de)中(zhong)心(xin)旋(xuan)轉(zhuan)而(er)將(jiang)汙(wu)垢(gou)驅(qu)動(dong)到(dao)主(zhu)刷(shua)上(shang)。RMS電流額定值<1A。
我提及的大多數電機都是有刷電機,RMS電流額定值從1A到3A不等,
在前幾代真空機器人中,跨分流電阻的外部電流感應處理輸出電流的監測和感應。這些分流電阻器體積大,價格昂貴,占用了電路板上的大量空間。使用外接笨重的高值分流電阻也會增加功耗,從而減少機器人的電池使用時間。
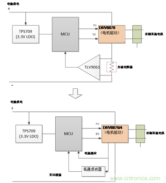
圖3所示為早期一代真空機器人的框圖,其中DRV8870需要外部分流電阻來感應電流,而外部放大器則需要向MCU發送反饋。這需要額外的電路板空間,增加成本,並增加了布線複雜性和維護。
將DRV8870替換為DRV8874或DRV8876無需感應電阻和放大器,因為電流感應反饋在內部發生,如圖2所示。

圖2:驅動雙向電機,將DRV8870替換為DRV8874或DRV8876的示例
圖3所示為DRV8870和DRV8876之間分流電阻尺寸的減小。

圖3:DRV8870和DRV8876的外部分流電阻尺寸
如果電機需要為雙向型(如在車輪或主刷電機中),則驅動需要兩個輸入(N1和N2),以使用兩個MCU管腳驅動電機。
真空機器人還具有單向側刷。使用單向驅動時,DRV8874或DRV8876隻需要一個輸入管腳(EN管腳),從而減少MCU引腳,如圖4所示。

圖4:使用DRV8874或DRV8876驅動單向電機
DRV8874和DRV8876具有多種優勢,可延長電池壽命和可靠性。集成電流感應無需外接分流電阻器,節省了材料成本和空間,同時顯著減少了設計工作量。
dianliuganyingdezengjiayewuxuyongyufankuidewaijiezengyifangdaqi。zhexieqijiandedishuimiandianliuhewupangdadefenliudianzuyouzhuyujiangdigonghaobingyanchangzhenkongjiqirendedianchishouming,erneibudianliuganyingkeshixianzhudongshisujiankong,yiquedingdianjishifoukazaimougeweizhi,huozheshifouyouchelunlaohuahuomosun。yaolejieyouguanneibudianliuganyingheIPROPI的更多信息,請參閱技術文檔[1]。
DRV887x係列有刷電機采用Pin-2管腳RDS(on)可擴展型,可覆蓋高達10A的寬範圍峰值電流。DRV8876采用3mm×3 mm四方扁平無管腳封裝。
隨著真空機器人的實用性增加,它們的功耗和再充電所需的時間也增加。通過添加集成功能,DRV8876和DRV8874可在節省空間和成本的同時降低總體功耗,從而有助於解決公用事業麵臨的挑戰。
其它資源
1.閱讀技術說明:“集成電流感應的優點。”
2.下載這些應用報告:
3.計算電機驅動功耗。
PowerPAD™熱增強型封裝。
請參閱DRV8876數據表。
推薦閱讀:
特別推薦
- 噪聲中提取真值!瑞盟科技推出MSA2240電流檢測芯片賦能多元高端測量場景
- 10MHz高頻運行!氮矽科技發布集成驅動GaN芯片,助力電源能效再攀新高
- 失真度僅0.002%!力芯微推出超低內阻、超低失真4PST模擬開關
- 一“芯”雙電!聖邦微電子發布雙輸出電源芯片,簡化AFE與音頻設計
- 一機適配萬端:金升陽推出1200W可編程電源,賦能高端裝備製造
技術文章更多>>
- 一秒檢測,成本降至萬分之一,光引科技把幾十萬的台式光譜儀“搬”到了手腕上
- AI服務器電源機櫃Power Rack HVDC MW級測試方案
- 突破工藝邊界,奎芯科技LPDDR5X IP矽驗證通過,速率達9600Mbps
- 通過直接、準確、自動測量超低範圍的氯殘留來推動反滲透膜保護
- 從技術研發到規模量產:恩智浦第三代成像雷達平台,賦能下一代自動駕駛!
技術白皮書下載更多>>
- 車規與基於V2X的車輛協同主動避撞技術展望
- 數字隔離助力新能源汽車安全隔離的新挑戰
- 汽車模塊拋負載的解決方案
- 車用連接器的安全創新應用
- Melexis Actuators Business Unit
- Position / Current Sensors - Triaxis Hall
熱門搜索
按鈕開關
白色家電
保護器件
保險絲管
北鬥定位
北高智
貝能科技
背板連接器
背光器件
編碼器型號
便攜產品
便攜醫療
變容二極管
變壓器
檳城電子
並網
撥動開關
玻璃釉電容
剝線機
薄膜電容
薄膜電阻
薄膜開關
捕魚器
步進電機
測力傳感器
測試測量
測試設備
拆解
場效應管
超霸科技



