開關電源“各種拓撲結構”的對比與分析!
發布時間:2019-04-04 責任編輯:wenwei
【導讀】Power Supply是一種提供電力能源的設備,它可以將一種電力能源形式轉換成另外一種電力能源形式,並能對其進行控製和調節。
什麼是Power Supply?

開關電源的元件構成

三種基本的非隔離開關電源

三種基本的隔離開關電源

反激變換器(Flyback)工作原理 (電流連續模式)

反激變換器(Flyback)工作原理 (電流斷續模式)

反激變換器(Flyback)工作原理(1)

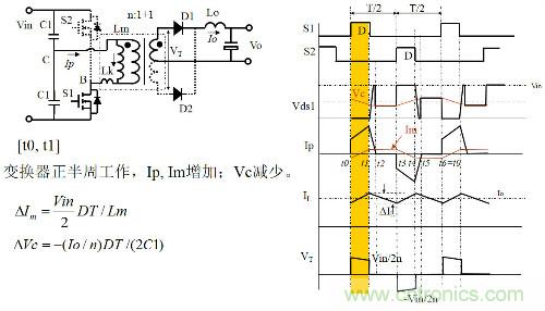
反激變換器(Flyback)工作原理(2)

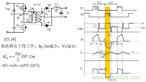
反激變換器(Flyback)工作原理(3)

反激變換器(Flyback)工作原理(4)

反激變換器(Flyback)特征總結

諧振複位正激變換器(Resonant Reset Forward)(1)

諧振複位正激變換器(Resonant Reset Forward)(2)

諧振複位正激變換器(Resonant Reset Forward)(3)

諧振複位正激變換器(Resonant Reset Forward)(4)

諧振複位正激變換器(Resonant Reset Forward)(5)

諧振複位正激變換器(Resonant Reset Forward)特征

有源鉗位正激變換器(Active Clamped Forward)(1)

有源鉗位正激變換器(Active Clamped Forward)(2)

有源鉗位正激變換器(Active Clamped Forward)(3)

有源鉗位正激變換器(Active Clamped Forward)(4)

有源鉗位正激變換器(Active Clamped Forward)(5)

有源鉗位正激變換器(Active Clamped Forward)(6)

有源鉗位正激變換器(Active Clamped Forward)(7)

有源鉗位正激變換器(Active Clamped Forward)(8)

有源鉗位正激變換器(Active Clamped Forward)(9)

有源鉗位正激變換器(Active Clamped Forward)(10)

橋式變換器(Bridge Type Converter)

橋式變換器(Bridge Type Converter)(1)

橋式變換器(Bridge Type Converter)(2)

橋式變換器(Bridge Type Converter)(3)

橋式變換器(Bridge Type Converter)(4)

橋式變換器(Bridge Type Converter)(5)

橋式變換器(Bridge Type Converter)(6)

橋式變換器(Bridge Type Converter)(7)

幾種隔離式變換器之比較

推薦閱讀:
特別推薦
- 噪聲中提取真值!瑞盟科技推出MSA2240電流檢測芯片賦能多元高端測量場景
- 10MHz高頻運行!氮矽科技發布集成驅動GaN芯片,助力電源能效再攀新高
- 失真度僅0.002%!力芯微推出超低內阻、超低失真4PST模擬開關
- 一“芯”雙電!聖邦微電子發布雙輸出電源芯片,簡化AFE與音頻設計
- 一機適配萬端:金升陽推出1200W可編程電源,賦能高端裝備製造
技術文章更多>>
- 三星上演罕見對峙:工會集會討薪,股東隔街抗議
- 摩爾線程實現DeepSeek-V4“Day-0”支持,國產GPU適配再提速
- 築牢安全防線:智能駕駛邁向規模化應用的關鍵挑戰與破局之道
- GPT-Image 2:99%文字準確率,AI生圖告別“鬼畫符”
- 機器人馬拉鬆的勝負手:藏在主板角落裏的“時鍾戰爭”
技術白皮書下載更多>>
- 車規與基於V2X的車輛協同主動避撞技術展望
- 數字隔離助力新能源汽車安全隔離的新挑戰
- 汽車模塊拋負載的解決方案
- 車用連接器的安全創新應用
- Melexis Actuators Business Unit
- Position / Current Sensors - Triaxis Hall
熱門搜索
NFC
NFC芯片
NOR
ntc熱敏電阻
OGS
OLED
OLED麵板
OmniVision
Omron
OnSemi
PI
PLC
Premier Farnell
Recom
RF
RF/微波IC
RFID
rfid
RF連接器
RF模塊
RS
Rubycon
SATA連接器
SD連接器
SII
SIM卡連接器
SMT設備
SMU
SOC
SPANSION

