充電樁中剩餘電流保護器的選用
發布時間:2018-07-06 責任編輯:wenwei
【導讀】剩餘電流保護器作為一種漏電保護器,被廣泛應用於低壓配電係統中,用於防止電擊事故、電氣設備漏電損壞和電氣火災。同樣在電動汽車充電領域,RCD也作為一種基本電氣保護裝置被廣泛應用。
隨著近兩年來的新能源汽車數量的爆發式增長, 其配套設施充電樁的建設規模也隨之擴大。 2010 年—2017 年七年間,我國充電樁數量已經從千餘個增長至 21 萬個。
新(xin)能(neng)源(yuan)汽(qi)車(che)市(shi)場(chang)的(de)增(zeng)長(chang)離(li)不(bu)開(kai)基(ji)礎(chu)充(chong)電(dian)設(she)施(shi)的(de)建(jian)設(she),如(ru)何(he)保(bao)證(zheng)充(chong)電(dian)過(guo)程(cheng)中(zhong)的(de)用(yong)電(dian)安(an)全(quan),尤(you)其(qi)是(shi)防(fang)止(zhi)泄(xie)漏(lou)電(dian)流(liu)對(dui)生(sheng)命(ming)財(cai)產(chan)造(zao)成(cheng)危(wei)害(hai),是(shi)值(zhi)得(de)關(guan)注(zhu)的(de)問(wen)題(ti)。
電動汽車充電一共有四種模式,在GB/T 18487.1-2015《電動汽車傳導充電係統 第1部分:通用要求》中有明確說明。
模式一使用充電連接電纜將電動汽車與交流電網相連,剩餘電流保護主要依靠建築配電箱中的剩餘電流保護裝置(RCD),由於不能保證所有現存建築物裝置都配有RCD,所以這種方式十分危險,已經被禁止使用;模式二在充電連接電纜上安裝了纜上控製保護裝置(IC-CPD),IC-CPD內部具有剩餘電流檢測保護功能;模式三使用專用供電設備,將電動汽車與交流電網直接連接,並且在專用供電設備上安裝了控製導引裝置,專用供電設備即交流充電樁;模式四將電動汽車連接交流電網或直流電網時,使用了帶控製導引功能的直流供電設備,即直流充電樁。在這裏,我們主要討論模式三、模式四充電樁內的剩餘電流保護器的選用。
在GB/T 18487.1-2015中要求,交流供電設備的剩餘電流保護器宜采用A型或B型,符合GB 14084.2-2008,GB 16916.1-2014和GB 22794-2008的相關要求。如圖1所示為充電模式3控製導引電路原理圖,在供電設備內部安裝了剩餘電流保護器。

圖 1充電模式3控製導引電路原理圖
什麼是A型或者B型剩餘電流保護器?我國的剩餘電流保護裝置(RCD)指導性標準GB/Z 6829-2008(IEC/TR 60755:2008,MOD)《剩餘電流動作保護器的一般要求》從產品的基本結構、剩餘電流類型、脫扣方式等方麵作了劃分。
根據剩餘電流類型可將RCD分為AC型、A型、B型。AC型剩餘電流保護器:對突然施加或緩慢上升的剩餘正弦交流電流確保脫扣的RCD。A型剩餘電流保護器:包含AC型的特性並對脈動直流剩餘電流、脈動直流剩餘電流疊加6mA平滑剩餘電流確保脫扣的RCD。
B型剩餘電流保護器:包含A型的保護特性,此外,還能對1000Hz及以下的正弦交流剩餘電流、交流剩餘電流疊加平滑直流剩餘電流、脈動直流剩餘電流疊加平滑剩餘電流、兩相或多相整流電路產生的脈動直流剩餘電流、平滑直流剩餘電流確保脫扣的RCD。

圖2 交流充電樁內部結構
目前,由於B型RCD價格過於昂貴,國內大部分的交流充電樁內部安裝的都是A型剩餘電流保護器。下圖所示為交流充電樁內部結構圖,使用了A型剩餘電流保護裝置。
那麼A型的剩餘電流保護器能滿足充電樁的漏電保護要求嗎?我們來分析一下充電過程中可能產生的剩餘電流類型。

圖3電動汽車充電設施與電網及電動車間連接示意圖
如圖3所示,在使用交流充電樁充電過程中,交流充電樁和車輛耦合器與公共電網相連,樁內如果由於絕緣破壞,可能產生工頻交流漏電流。
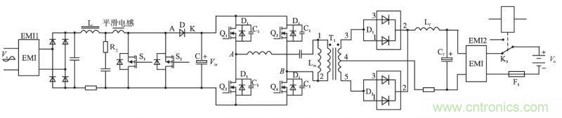
在電動汽車部分,可能產生的漏電流主要來自於車載充電機漏電,充電機一般拓撲主要為AC/DC和DC/DC兩部分。如下圖所示為一種常見車載充電機的主電路圖。

圖4 一種車載充電機主電路原理圖
AC/DC部分單相輸入交流電首先經過EMI濾波,然後在Boost型APFC電路作用下將85~265V的交流電整流成穩定輸出的直流400V電壓,並為後級提供直流輸入。
DC/DC部分采用移相全橋LLC主電路將直流電壓400V轉化成蓄電池可接受的電壓。當電路板與設備外殼之間絕緣損壞時,在整流部分可能產生脈動直流剩餘電流,在Boost型APFC電路中可能會產生紋波係數很小的直流剩餘電流。這裏借用Bender的圖來詳細說明直流剩餘電流的產生及危害。

圖5 隔離式充電機直流漏電的產生
可以看到,在DC/DC部分推挽全橋變換器當中可能發生直流漏電,我國低壓配電係統一般采用TN形式供電,設備金屬外殼與工作零線相接,直流漏電會通過車身和PE線反饋到充電線路上,對整個係統電流波形造成影響。通過對等效電路的仿真,發現整個係統的電流波形會改變,如下圖所示。

圖6 充電機直流故障係統電流波形
可ke以yi看kan到dao在zai後hou端duan發fa生sheng直zhi流liu漏lou電dian之zhi後hou,也ye會hui影ying響xiang到dao前qian級ji電dian路lu,整zheng流liu過guo後hou的de脈mai動dong直zhi流liu波bo形xing發fa生sheng畸ji變bian,產chan生sheng尖jian刺ci,逐zhu級ji對dui後hou端duan電dian路lu產chan生sheng幹gan擾rao,影ying響xiang到dao充chong電dian效xiao果guo,甚shen至zhi影ying響xiang蓄xu電dian池chi壽shou命ming...
推薦閱讀:
特別推薦
- 噪聲中提取真值!瑞盟科技推出MSA2240電流檢測芯片賦能多元高端測量場景
- 10MHz高頻運行!氮矽科技發布集成驅動GaN芯片,助力電源能效再攀新高
- 失真度僅0.002%!力芯微推出超低內阻、超低失真4PST模擬開關
- 一“芯”雙電!聖邦微電子發布雙輸出電源芯片,簡化AFE與音頻設計
- 一機適配萬端:金升陽推出1200W可編程電源,賦能高端裝備製造
技術文章更多>>
- 築基AI4S:摩爾線程全功能GPU加速中國生命科學自主生態
- 一秒檢測,成本降至萬分之一,光引科技把幾十萬的台式光譜儀“搬”到了手腕上
- AI服務器電源機櫃Power Rack HVDC MW級測試方案
- 突破工藝邊界,奎芯科技LPDDR5X IP矽驗證通過,速率達9600Mbps
- 通過直接、準確、自動測量超低範圍的氯殘留來推動反滲透膜保護
技術白皮書下載更多>>
- 車規與基於V2X的車輛協同主動避撞技術展望
- 數字隔離助力新能源汽車安全隔離的新挑戰
- 汽車模塊拋負載的解決方案
- 車用連接器的安全創新應用
- Melexis Actuators Business Unit
- Position / Current Sensors - Triaxis Hall
熱門搜索
微波功率管
微波開關
微波連接器
微波器件
微波三極管
微波振蕩器
微電機
微調電容
微動開關
微蜂窩
位置傳感器
溫度保險絲
溫度傳感器
溫控開關
溫控可控矽
聞泰
穩壓電源
穩壓二極管
穩壓管
無焊端子
無線充電
無線監控
無源濾波器
五金工具
物聯網
顯示模塊
顯微鏡結構
線圈
線繞電位器
線繞電阻



