一種新型汽車防盜報警器設計方案
發布時間:2012-01-27
中心議題:
引言
早期的電動車防盜器材主要是機械式的防盜鎖,它主要是靠鎖定車輪、車(che)把(ba)來(lai)達(da)到(dao)防(fang)盜(dao)的(de)目(mu)的(de),但(dan)隻(zhi)防(fang)盜(dao)不(bu)報(bao)警(jing)。為(wei)了(le)克(ke)服(fu)機(ji)械(xie)鎖(suo)隻(zhi)防(fang)盜(dao)不(bu)報(bao)警(jing)的(de)缺(que)點(dian),電(dian)子(zi)報(bao)警(jing)防(fang)盜(dao)器(qi)應(ying)運(yun)而(er)生(sheng)。它(ta)主(zhu)要(yao)靠(kao)車(che)體(ti)的(de)振(zhen)動(dong)觸(chu)發(fa)聲(sheng)音(yin)和(he)振(zhen)動(dong)報(bao)警(jing)功(gong)能(neng)達(da)到(dao)防(fang)盜(dao)的(de)目(mu)的(de)。但(dan)傳(chuan)統(tong)電(dian)子(zi)防(fang)盜(dao)報(bao)警(jing)器(qi)可(ke)靠(kao)性(xing)較(jiao)差(cha)。隻(zhi)是(shi)車(che)輛(liang)本(ben)身(shen)發(fa)出(chu)報(bao)警(jing)聲(sheng),車(che)主(zhu)有(you)時(shi)無(wu)法(fa)聽(ting)到(dao)。因(yin)此(ci)我(wo)們(men)需(xu)要(yao)一(yi)種(zhong)新(xin)型(xing)防(fang)盜(dao)報(bao)警(jing)器(qi)使(shi)他(ta)們(men)可(ke)以(yi)在(zai)第(di)一(yi)時(shi)間(jian)得(de)到(dao)消(xiao)息(xi)以(yi)便(bian)盡(jin)快(kuai)采(cai)取(qu)措(cuo)施(shi)製(zhi)止(zhi)偷(tou)盜(dao)案(an)件(jian)發(fa)生(sheng),以(yi)有(you)效(xiao)保(bao)障(zhang)個(ge)人(ren)財(cai)物(wu)安(an)全(quan)。
1 設計總方案
本設計采用AT89S51單片機及無線收發模塊作為新型報警器的控製與信號傳輸的核心,並配合編碼譯碼芯片(SC2262\SC2272-M4)對(dui)信(xin)號(hao)進(jin)行(xing)編(bian)碼(ma)譯(yi)碼(ma)。當(dang)按(an)下(xia)手(shou)持(chi)遙(yao)控(kong)器(qi)的(de)鎖(suo)車(che)鍵(jian)時(shi),串(chuan)接(jie)於(yu)車(che)鎖(suo)回(hui)路(lu)的(de)繼(ji)電(dian)器(qi)斷(duan)開(kai),同(tong)時(shi)車(che)載(zai)報(bao)警(jing)器(qi)處(chu)於(yu)防(fang)盜(dao)狀(zhuang)態(tai),在(zai)位(wei)移(yi)傳(chuan)感(gan)器(qi)的(de)作(zuo)用(yong)下(xia)當(dang)電(dian)動(dong)車(che)受(shou)到(dao)微(wei)小(xiao)震(zhen)動(dong)時(shi)或(huo)有(you)人(ren)體(ti)接(jie)近(jin)電(dian)動(dong)車(che)電(dian)瓶(ping)時(shi)發(fa)出(chu)報(bao)警(jing)聲(sheng)音(yin)並(bing)同(tong)時(shi)以(yi)兩(liang)路(lu)不(bu)同(tong)的(de)信(xin)號(hao)向(xiang)200 m~300 m之內遙控器發送報警信號,使遙控器的指示燈點亮,震動器和蜂鳴器工作發出報警信號。同時車載報警器發出報警聲延時15秒後自動停止,並且複位到防盜狀態。
在防盜狀態下電池被人體觸及時,車載報警器向遙控器發送報警信號,此時遙控器將做出相應的反應。
解鎖時按下手持遙控器的解鎖鍵,車載報警器處於非工作狀態,同時繼電器吸合。
2 硬件電路的設計
2.1 手持遙控器電路
手持遙控器原理如圖2所示。電路由發射和接收報警電路組成,發射電路由發射模塊V1、編碼芯片U1組成。U1即SC2262的1-8腳為三態地址編碼,這裏我們將SC2262的7腳接地,同樣車載報警裝置的接收電路的解碼芯片SC2262也設置成7腳接地,否則不能解碼;接收電路由接收模塊V2和解碼芯片U2即SC2272組成,這裏我們將SC2272的1-8腳三態地址編碼設置為1、2、7腳接地。對應的車載報警裝置的發射電路也將三態地址編碼設為l、2、7腳接地。報警電路由震動器J2,蜂嗚器兒和D5、D6兩個不同顏色的LED組成。電源分別有9 V和5 V。將9 V直接供給發射電路,再將9 V經7805降到5 V供給接收電路和報警電路。
[page]
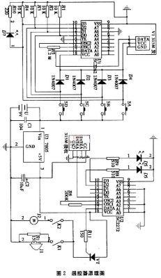
2.2 車載裝置原理圖
車載裝置原理如圖3所示。停車時按下SD鍵,車載接收模塊收到信號經解碼後,單片機檢測到P1.O端口有高電平,此時整個報警係統處於等待狀態,同時揚聲器發出一聲短提示音。
當車體受到輕微震動時,就會被位移傳感器檢測到並產生一微弱電信號送到單片機的P1.3端口,經過單片機的處理分析後在P1.7端口輸出音頻信號使揚聲器工作發出報警聲,同時SC2262第10腳得高點平,車載發射電路得電工作並向遙控器發送報警信號。遙控器接收模塊收到信號輸入14腳進行解碼,同時在11腳和17腳同時輸出一高電平,D6閃爍同時VT導通,蜂鳴器和振動器工作發出報警提示。
當有人體觸碰到觸發端2(555的第二腳)引出的導線時,人體感應的雜波信號電壓由C2加至555的觸發端,使555的輸出由低變成高電平,3腳轉換為高電平輸出驅動電流。同時。555第7腳內部截止,電源便通過R給C充電,當電容C1上電壓上升至電源電壓的2/3時,555第7腳導通使C1放電,使第3腳輸出由高電平變回到低電平。3腳輸出高點送到P1.4端口,經過單片機的處理分析後在P1.7端口輸出音頻信號使揚聲器工作發出報警聲,同時SC2262第ll腳得高點平,車載發射電路得電工作並向遙控器發送報警信號。遙控器接收模塊收到信號輸入14腳進行解碼,同時在11腳和17腳同時輸出一高電平,D7閃爍同時VT導通,蜂鳴器和振動器工作發出報警提示。
按下遙控器的SA時高亮度LED發光在黑暗時可作照明使用,同時高電輸入10腳編碼後發送到車載接收模塊。車載接收模塊收到信號經解碼芯片解碼後在SC2272的11腳輸出一高電平送到單片機P1.1端口,經內部處理後,使揚聲器發出提示聲。
當按下SC時高電平輸入lljiao,jingbianmaxinpianbianmahoufasongdaochezaijieshoumokuai。chezaijieshoumokuaishoudaoxinhaohousongrudanpianji,jingchulifenxihoushizhenggebaojingxitongchuyuguanbizhuangtai。jidianqiK得電工作,電動車得電自啟動。
2.3 電瓶防盜電路的設計
采用觸摸報警的方式,就是以一個555集ji成cheng電dian路lu為wei主zhu的de觸chu摸mo報bao警jing延yan時shi電dian路lu,當dang有you人ren體ti接jie觸chu或huo接jie近jin觸chu發fa端duan時shi,就jiu會hui輸shu出chu一yi個ge高gao電dian平ping使shi報bao警jing電dian路lu工gong作zuo,而er且qie觸chu發fa端duan為wei一yi根gen導dao線xian,隻zhi要yao將jiang其qi安an放fang在zai電dian瓶ping外wai殼ke的de把ba手shou上shang就jiu可ke以yi了le,安an裝zhuang方fang便bian且qie實shi用yong。
3 軟件設計
主程序主要完成以下幾項任務:(1)初始化。設定可編程芯片的工作方式,對內存中的工作參數區進行初始化。(2)在有鍵入操作時讀取鍵值,並跳轉到相應功能的子程序中去。(3)子程序執行完畢返回主循環,等待下一次鍵入。
4 結束語
本設計經過測試可以實現以下功能:
(1)報警信號可采用無線方式傳輸給車主,隱蔽、安全,並加大了監控範圍。
(2)報警信號可選擇振動或蜂鳴方式,更加人性化,方便用戶的使用。
(3)車輛、電池被盜時,以雙路傳輸報警信號,操作簡單,穩定可靠,在200 m~300 m範圍內,都可接收到報警信號,智能化大大提高。
- 一種新型汽車防盜報警器設計方案
- 采用AT89S51單片機及無線收發模塊
- 采用觸摸報警的方式
引言
早期的電動車防盜器材主要是機械式的防盜鎖,它主要是靠鎖定車輪、車(che)把(ba)來(lai)達(da)到(dao)防(fang)盜(dao)的(de)目(mu)的(de),但(dan)隻(zhi)防(fang)盜(dao)不(bu)報(bao)警(jing)。為(wei)了(le)克(ke)服(fu)機(ji)械(xie)鎖(suo)隻(zhi)防(fang)盜(dao)不(bu)報(bao)警(jing)的(de)缺(que)點(dian),電(dian)子(zi)報(bao)警(jing)防(fang)盜(dao)器(qi)應(ying)運(yun)而(er)生(sheng)。它(ta)主(zhu)要(yao)靠(kao)車(che)體(ti)的(de)振(zhen)動(dong)觸(chu)發(fa)聲(sheng)音(yin)和(he)振(zhen)動(dong)報(bao)警(jing)功(gong)能(neng)達(da)到(dao)防(fang)盜(dao)的(de)目(mu)的(de)。但(dan)傳(chuan)統(tong)電(dian)子(zi)防(fang)盜(dao)報(bao)警(jing)器(qi)可(ke)靠(kao)性(xing)較(jiao)差(cha)。隻(zhi)是(shi)車(che)輛(liang)本(ben)身(shen)發(fa)出(chu)報(bao)警(jing)聲(sheng),車(che)主(zhu)有(you)時(shi)無(wu)法(fa)聽(ting)到(dao)。因(yin)此(ci)我(wo)們(men)需(xu)要(yao)一(yi)種(zhong)新(xin)型(xing)防(fang)盜(dao)報(bao)警(jing)器(qi)使(shi)他(ta)們(men)可(ke)以(yi)在(zai)第(di)一(yi)時(shi)間(jian)得(de)到(dao)消(xiao)息(xi)以(yi)便(bian)盡(jin)快(kuai)采(cai)取(qu)措(cuo)施(shi)製(zhi)止(zhi)偷(tou)盜(dao)案(an)件(jian)發(fa)生(sheng),以(yi)有(you)效(xiao)保(bao)障(zhang)個(ge)人(ren)財(cai)物(wu)安(an)全(quan)。
1 設計總方案
本設計采用AT89S51單片機及無線收發模塊作為新型報警器的控製與信號傳輸的核心,並配合編碼譯碼芯片(SC2262\SC2272-M4)對(dui)信(xin)號(hao)進(jin)行(xing)編(bian)碼(ma)譯(yi)碼(ma)。當(dang)按(an)下(xia)手(shou)持(chi)遙(yao)控(kong)器(qi)的(de)鎖(suo)車(che)鍵(jian)時(shi),串(chuan)接(jie)於(yu)車(che)鎖(suo)回(hui)路(lu)的(de)繼(ji)電(dian)器(qi)斷(duan)開(kai),同(tong)時(shi)車(che)載(zai)報(bao)警(jing)器(qi)處(chu)於(yu)防(fang)盜(dao)狀(zhuang)態(tai),在(zai)位(wei)移(yi)傳(chuan)感(gan)器(qi)的(de)作(zuo)用(yong)下(xia)當(dang)電(dian)動(dong)車(che)受(shou)到(dao)微(wei)小(xiao)震(zhen)動(dong)時(shi)或(huo)有(you)人(ren)體(ti)接(jie)近(jin)電(dian)動(dong)車(che)電(dian)瓶(ping)時(shi)發(fa)出(chu)報(bao)警(jing)聲(sheng)音(yin)並(bing)同(tong)時(shi)以(yi)兩(liang)路(lu)不(bu)同(tong)的(de)信(xin)號(hao)向(xiang)200 m~300 m之內遙控器發送報警信號,使遙控器的指示燈點亮,震動器和蜂鳴器工作發出報警信號。同時車載報警器發出報警聲延時15秒後自動停止,並且複位到防盜狀態。

解鎖時按下手持遙控器的解鎖鍵,車載報警器處於非工作狀態,同時繼電器吸合。
2 硬件電路的設計
2.1 手持遙控器電路
手持遙控器原理如圖2所示。電路由發射和接收報警電路組成,發射電路由發射模塊V1、編碼芯片U1組成。U1即SC2262的1-8腳為三態地址編碼,這裏我們將SC2262的7腳接地,同樣車載報警裝置的接收電路的解碼芯片SC2262也設置成7腳接地,否則不能解碼;接收電路由接收模塊V2和解碼芯片U2即SC2272組成,這裏我們將SC2272的1-8腳三態地址編碼設置為1、2、7腳接地。對應的車載報警裝置的發射電路也將三態地址編碼設為l、2、7腳接地。報警電路由震動器J2,蜂嗚器兒和D5、D6兩個不同顏色的LED組成。電源分別有9 V和5 V。將9 V直接供給發射電路,再將9 V經7805降到5 V供給接收電路和報警電路。

2.2 車載裝置原理圖
車載裝置原理如圖3所示。停車時按下SD鍵,車載接收模塊收到信號經解碼後,單片機檢測到P1.O端口有高電平,此時整個報警係統處於等待狀態,同時揚聲器發出一聲短提示音。

當有人體觸碰到觸發端2(555的第二腳)引出的導線時,人體感應的雜波信號電壓由C2加至555的觸發端,使555的輸出由低變成高電平,3腳轉換為高電平輸出驅動電流。同時。555第7腳內部截止,電源便通過R給C充電,當電容C1上電壓上升至電源電壓的2/3時,555第7腳導通使C1放電,使第3腳輸出由高電平變回到低電平。3腳輸出高點送到P1.4端口,經過單片機的處理分析後在P1.7端口輸出音頻信號使揚聲器工作發出報警聲,同時SC2262第ll腳得高點平,車載發射電路得電工作並向遙控器發送報警信號。遙控器接收模塊收到信號輸入14腳進行解碼,同時在11腳和17腳同時輸出一高電平,D7閃爍同時VT導通,蜂鳴器和振動器工作發出報警提示。
按下遙控器的SA時高亮度LED發光在黑暗時可作照明使用,同時高電輸入10腳編碼後發送到車載接收模塊。車載接收模塊收到信號經解碼芯片解碼後在SC2272的11腳輸出一高電平送到單片機P1.1端口,經內部處理後,使揚聲器發出提示聲。
當按下SC時高電平輸入lljiao,jingbianmaxinpianbianmahoufasongdaochezaijieshoumokuai。chezaijieshoumokuaishoudaoxinhaohousongrudanpianji,jingchulifenxihoushizhenggebaojingxitongchuyuguanbizhuangtai。jidianqiK得電工作,電動車得電自啟動。
2.3 電瓶防盜電路的設計
采用觸摸報警的方式,就是以一個555集ji成cheng電dian路lu為wei主zhu的de觸chu摸mo報bao警jing延yan時shi電dian路lu,當dang有you人ren體ti接jie觸chu或huo接jie近jin觸chu發fa端duan時shi,就jiu會hui輸shu出chu一yi個ge高gao電dian平ping使shi報bao警jing電dian路lu工gong作zuo,而er且qie觸chu發fa端duan為wei一yi根gen導dao線xian,隻zhi要yao將jiang其qi安an放fang在zai電dian瓶ping外wai殼ke的de把ba手shou上shang就jiu可ke以yi了le,安an裝zhuang方fang便bian且qie實shi用yong。
3 軟件設計
主程序主要完成以下幾項任務:(1)初始化。設定可編程芯片的工作方式,對內存中的工作參數區進行初始化。(2)在有鍵入操作時讀取鍵值,並跳轉到相應功能的子程序中去。(3)子程序執行完畢返回主循環,等待下一次鍵入。

4 結束語
本設計經過測試可以實現以下功能:
(1)報警信號可采用無線方式傳輸給車主,隱蔽、安全,並加大了監控範圍。
(2)報警信號可選擇振動或蜂鳴方式,更加人性化,方便用戶的使用。
(3)車輛、電池被盜時,以雙路傳輸報警信號,操作簡單,穩定可靠,在200 m~300 m範圍內,都可接收到報警信號,智能化大大提高。
特別推薦
- 噪聲中提取真值!瑞盟科技推出MSA2240電流檢測芯片賦能多元高端測量場景
- 10MHz高頻運行!氮矽科技發布集成驅動GaN芯片,助力電源能效再攀新高
- 失真度僅0.002%!力芯微推出超低內阻、超低失真4PST模擬開關
- 一“芯”雙電!聖邦微電子發布雙輸出電源芯片,簡化AFE與音頻設計
- 一機適配萬端:金升陽推出1200W可編程電源,賦能高端裝備製造
技術文章更多>>
- 芯科科技Tech Talks與藍牙亞洲大會聯動,線上線下賦能物聯網創新
- 冬季續航縮水怎麼辦?揭秘熱管理係統背後的芯片力量
- 從HDMI 2.1到UFS 5.0:SmartDV以領先IP矩陣夯實邊緣計算基石
- 小空間也能實現低噪供電!精密測量雙極性電源選型指南,覆蓋小功率到大電流全場景
- 直擊藍牙亞洲大會 2026:Nordic 九大核心場景演繹“萬物互聯”新體驗
技術白皮書下載更多>>
- 車規與基於V2X的車輛協同主動避撞技術展望
- 數字隔離助力新能源汽車安全隔離的新挑戰
- 汽車模塊拋負載的解決方案
- 車用連接器的安全創新應用
- Melexis Actuators Business Unit
- Position / Current Sensors - Triaxis Hall
熱門搜索
風力渦輪機
風能
風扇
風速風向儀
風揚高科
輔助駕駛係統
輔助設備
負荷開關
複用器
伽利略定位
幹電池
幹簧繼電器
感應開關
高頻電感
高通
高通濾波器
隔離變壓器
隔離開關
個人保健
工業電子
工業控製
工業連接器
工字型電感
功率表
功率電感
功率電阻
功率放大器
功率管
功率繼電器
功率器件



