名廠專家:如何設計高精度溫度傳感器電路
發布時間:2014-12-31 來源:Sachin Gupta 責任編輯:sherryyu
【導讀】在這篇文章中,我們將介紹使用這些傳感器進行精密溫度測量電路設計的要點。溫度傳感電路設計包括:正確選擇合適的溫度感應器以及必要的信號調節器和數字化器件產品,以便更有效地、更準確地測量溫度數值。
zaidaduoshudegongyeyongceliangkongzhijiancetixizhong,wenduceliangchuangandianludeshejidoushiyigezhongyaodezuchengbufen。taguangfanyingyongyuhenduotedingdehuanjingkongzhichulijisuanzhong。yixiezuichangjiandechuanganqikeyiyongyuceliangjueduiwenduhuozhewendubianhua,lirushidianzushidewendujianceqi(RTD)、二極管傳感器、熱敏電阻傳感器以及熱電偶傳感器等等。
在這篇文章中,我們將介紹使用這些傳感器進行精密溫度測量電路設計的要點。溫度傳感電路設計包括:正確選擇合適的溫度感應器以及必要的信號調節器和數字化器件產品,以便更有效地、更準確地測量溫度數值。
在我們介紹溫度測量係統之前,我們先來看看常見的傳統溫度傳感器設計電路的優點及缺點。
傳統熱電偶傳感器設計電路
熱電偶傳感器工作的原理是當溫度不同時,兩種不同成分的金屬的接合點之間產生電壓(或稱為電動勢)。yigereouyouliangzhongbutongdejinshuduanlianjieercheng,xiangliandeqizhongyiduanbeichengweireduan。lingyiduanzebeichengweilengduan,gongtonglianjiedaowenduceshidianlu。reduanyulengduanzhijianyouyuwenchadechayierdaozhichanshengdiandongshi。zhezhongdiandongshikeyiyongceliangdianluceliangdedao。tu1顯示的是一個基本的熱電偶傳感器電路。

圖1:基本的熱電偶傳感器設計電路
熱(re)電(dian)偶(ou)傳(chuan)感(gan)器(qi)產(chan)生(sheng)的(de)實(shi)際(ji)電(dian)壓(ya)取(qu)決(jue)於(yu)相(xiang)對(dui)溫(wen)度(du)之(zhi)差(cha)以(yi)及(ji)被(bei)用(yong)於(yu)組(zu)成(cheng)熱(re)電(dian)偶(ou)傳(chuan)感(gan)器(qi)的(de)不(bu)同(tong)的(de)金(jin)屬(shu)類(lei)型(xing)。熱(re)電(dian)偶(ou)的(de)靈(ling)敏(min)度(du)和(he)溫(wen)度(du)測(ce)量(liang)範(fan)圍(wei)同(tong)樣(yang)與(yu)所(suo)使(shi)用(yong)的(de)兩(liang)種(zhong)金(jin)屬(shu)有(you)很(hen)大(da)關(guan)係(xi)。在(zai)市(shi)麵(mian)上(shang)有(you)許(xu)多(duo)類(lei)型(xing)的(de)熱(re)電(dian)偶(ou)傳(chuan)感(gan)器(qi)出(chu)售(shou),它(ta)們(men)可(ke)以(yi)根(gen)據(ju)所(suo)使(shi)用(yong)的(de)不(bu)同(tong)金(jin)屬(shu)冷(leng)熱(re)端(duan)來(lai)區(qu)分(fen):例如,B型(鉑/銠)、J型(鐵/鎳銅合金)、和K型(鎳鉻合金/鋁鎳合金)。大家可以根據實際應用場合選擇合適的熱電偶傳感器器件。
熱電偶傳感器的主要優勢是他們的魯棒性(在異常和危險情況下係統恢複正常運轉的特性)、寬溫範圍(零下270攝氏度到零上3000攝氏度)、響應快、封裝種類多、成本較低。而它們的局限主要是精度較低和噪聲較大。
電阻式溫度檢測傳感器設計電路
電阻式溫度檢測傳感器(RTD)的工作原理是:由you於yu每mei種zhong金jin屬shu在zai不bu同tong溫wen度du下xia具ju有you特te定ding的de和he獨du特te的de電dian阻zu率lv特te性xing,所suo以yi當dang溫wen度du變bian化hua時shi檢jian測ce金jin屬shu電dian阻zu的de變bian化hua,從cong而er得de到dao溫wen度du測ce量liang數shu值zhi。金jin屬shu的de電dian阻zu是shi和he它ta自zi己ji的de長chang度du成cheng正zheng比bi、和截麵積成反比的。這個比例數值取決於傳感器本身金屬材質的電阻率大小。
為了更精確的測量溫度,RTD構造裏金屬材料的選擇就成了一個比較關鍵的考慮因素。用於電阻式溫度檢測傳感器的金屬主要有鉑、鎳以及銅。在這三種材料中,金屬鉑製成的電阻式溫度檢測傳感器是最精確、最可靠的。它也具有不易被汙染的環境等因素影響,可保證長期穩定性和可重複性。這些電阻式溫度檢測傳感器主要優點還有寬溫範圍(零下250攝氏度到零上900攝氏度)、高精度、和線性等等。其局限性則包括成本較高和響應略慢等等。
熱敏電阻傳感器設計電路
和電阻式溫度檢測傳感器RTD相(xiang)類(lei)似(si),熱(re)敏(min)電(dian)阻(zu)傳(chuan)感(gan)器(qi)的(de)工(gong)作(zuo)原(yuan)理(li)也(ye)是(shi)隨(sui)溫(wen)度(du)的(de)變(bian)化(hua),電(dian)阻(zu)阻(zu)值(zhi)相(xiang)應(ying)變(bian)化(hua)。隻(zhi)是(shi),一(yi)般(ban)的(de)熱(re)敏(min)電(dian)阻(zu)都(dou)擁(yong)有(you)一(yi)個(ge)可(ke)計(ji)算(suan)的(de)負(fu)溫(wen)度(du)係(xi)數(shu)。熱(re)敏(min)電(dian)阻(zu)傳(chuan)感(gan)器(qi)的(de)主(zhu)要(yao)優(you)勢(shi)是(shi)它(ta)們(men)的(de)價(jia)格(ge)低(di)並(bing)且(qie)精(jing)度(du)可(ke)以(yi)接(jie)受(shou)。它(ta)們(men)的(de)缺(que)點(dian)是(shi)溫(wen)度(du)範(fan)圍(wei)非(fei)線(xian)性(xing)。然(ran)而(er),鑒(jian)於(yu)當(dang)今(jin)許(xu)多(duo)微(wei)控(kong)製(zhi)器(qi)芯(xin)片(pian)上(shang)都(dou)有(you)片(pian)上(shang)閃(shan)存(cun),可(ke)以(yi)建(jian)立(li)一(yi)個(ge)可(ke)查(zha)詢(xun)糾(jiu)錯(cuo)的(de)數(shu)據(ju)表(biao)來(lai)減(jian)少(shao)非(fei)線(xian)性(xing)問(wen)題(ti)帶(dai)來(lai)的(de)精(jing)度(du)影(ying)響(xiang)範(fan)圍(wei)。如(ru)果(guo)需(xu)要(yao)測(ce)量(liang)的(de)溫(wen)度(du)範(fan)圍(wei)在(zai)零(ling)下(xia)100攝氏度到零上300攝氏度之內,則熱敏電阻傳感器仍可以作為比較可靠的和比較精密的溫度測量設備。
溫度測量係統
在溫度監測係統中,傳感器必須把溫度轉換成電信號,經過信號調節階段(信號處理取決於不同的傳感器),然後送到一個模擬數字轉換器(ADC),進jin行xing轉zhuan換huan得de到dao數shu值zhi。係xi統tong還hai需xu要yao通tong信xin外wai設she電dian路lu來lai和he其qi它ta大da的de設she備bei接jie口kou連lian接jie以yi便bian提ti供gong反fan饋kui,或huo者zhe將jiang數shu值zhi送song至zhi片pian上shang閃shan存cun來lai存cun儲chu測ce量liang值zhi或huo者zhe進jin行xing必bi要yao的de顯xian示shi。圖tu2顯示了溫度測量係統的基本框圖。

圖2:溫度測量係統框圖。
盡管圖2顯示在ADC之前進行了信號處理,是否有需要在信號轉換之後進行處理還取決於是模擬係統還是數字係統。整體精度依賴於噪聲控製、偏移、預處理電路及ADC所帶來的增益誤差。很多應用需要從遠端進行實時溫度數據采集,比如礦場、工業、和各種自動化場合。利用串行通信協議,如UART、I2C都可以用來給主係統控製器傳輸這種溫度數據。
[page]
如何提高熱電偶溫度傳感器精度
基ji於yu熱re電dian偶ou傳chuan感gan器qi的de溫wen控kong係xi統tong廣guang泛fan應ying用yong於yu工gong業ye控kong製zhi中zhong,這zhe是shi由you於yu其qi很hen寬kuan的de溫wen度du範fan圍wei的de優you勢shi造zao成cheng的de。它ta的de基ji本ben原yuan理li是shi通tong過guo測ce量liang接jie合he點dian電dian動dong勢shi來lai感gan應ying溫wen度du。但dan它ta需xu要yao一yi個ge假jia設she:jiadinglengduanshiqiaqiashizaisheshilingdu。raner,ranglengduanyizhibaochizaizhegewendushibuqieheshijide。weileshixianjingqueceliang,xuyaoyingyongyizhongjishushouduan,womenkeyichengzhiweilengduanbuchang(CJC)。
為了進行冷端補償,基於熱電偶的精密溫度測量係統裏附加了一個溫度傳感器(安裝在冷端的頂頭)laicelianglengduandewendu。lengduandewenduceliangzuichangyongdeshiremindianzuchuanganqi,yinweiqichengbendi,wendufanweikeyifugailengduanwendu,manzudaduoshuyingyong。weileceliangCJC電壓、先要找冷端溫度,然後檢查熱電偶電動勢來求得溫度。加上冷端電壓後產生出CJC電壓,其相應的溫度就是實際溫度。
熱電偶產生的電動勢隻有幾uV,這使它很容易受到噪聲幹擾。並且,在這個信號傳輸給模數轉換器之前,它需要被放大(這同時也會增加噪聲和偏移)。在精密測量中,應該去除這類噪聲和偏移。我們舉例來說明如何使用相關雙抽樣方法(CDS)消除偏移和減少低頻噪聲。
CDS可以在信號處理階段減少低頻噪聲和偏移。首先,測量零參考偏移(兩個輸入都短路就可以測量到),然後測量熱電偶電壓。當直接用熱電偶信號測量時,它包括實際熱電偶電壓、噪聲電壓、偏移量(見方程1)。零參考讀數包括噪聲和偏移量(見方程2)。
(方程1) VTCouple_Signal = VTC + VN + Voffset
(方程2) VZero_Ref = VN + Voffset
之前的零參考取樣數值和目前零參考測量數值的關係是:
(方程3) VZero_ref_Prev = (VN + Voffset)*Z-1
那麼,當前的熱電偶測量值和之前的零參考電平的差是:
(方程4) Vsignal = (VTC + VN + Voffset) - (VN + Voffset)*Z-1
Voffset是靜態的, 所以它當前的值和之前的取樣數值是相同的。VN不(bu)是(shi)一(yi)成(cheng)不(bu)變(bian)的(de),因(yin)為(wei)它(ta)是(shi)噪(zao)聲(sheng)和(he)漂(piao)移(yi),所(suo)以(yi)需(xu)要(yao)被(bei)去(qu)除(chu)。從(cong)當(dang)前(qian)取(qu)樣(yang)值(zhi)中(zhong)減(jian)去(qu)前(qian)麵(mian)的(de)噪(zao)聲(sheng)值(zhi)將(jiang)會(hui)去(qu)除(chu)低(di)頻(pin)噪(zao)聲(sheng)。由(you)此(ci)可(ke)見(jian),相(xiang)關(guan)的(de)雙(shuang)抽(chou)樣(yang)方(fang)法(fa)CDS工作起來就像是高通濾波器。EECOL_2011Mar09_DSP_TA_50.pdf
模擬數字轉換器ADC的本身有一個低通濾波來去除高頻噪聲。然而,在模數轉換器ADC輸出端的IIR濾波器將有助於進一步弱化經過它或傳輸給模擬數字轉換器ADC的(de)噪(zao)聲(sheng)頻(pin)帶(dai)。市(shi)麵(mian)上(shang)的(de)混(hun)合(he)信(xin)號(hao)控(kong)製(zhi)器(qi)都(dou)可(ke)配(pei)置(zhi)數(shu)字(zi)濾(lv)波(bo)器(qi),它(ta)可(ke)以(yi)通(tong)過(guo)器(qi)件(jian)本(ben)身(shen)硬(ying)件(jian)處(chu)理(li)過(guo)濾(lv)而(er)無(wu)需(xu)在(zai)固(gu)件(jian)電(dian)路(lu)上(shang)進(jin)行(xing)過(guo)濾(lv)從(cong)而(er)可(ke)以(yi)節(jie)省(sheng)CPU周期。圖3所示實現了一個基於熱電偶的溫度監測係統,它使用了賽普拉斯公司的PSoC5和PSoC3器件來實現。這些器件都有片上20位分辨率的delta-sigma模數轉換器,都內置了可編程增益緩存用來放大信號,內置了數字濾波器模塊(DFB)來lai濾lv波bo。它ta提ti供gong了le一yi個ge高gao度du集ji成cheng的de溫wen度du測ce量liang係xi統tong。然ran而er,由you於yu設she計ji中zhong有you熱re電dian偶ou,所suo以yi可ke能neng需xu要yao附fu加jia一yi個ge增zeng益yi段duan。這zhe個ge增zeng益yi可ke以yi通tong過guo一yi個ge放fang大da器qi來lai實shi現xian,可ke以yi使shi用yong片pian上shang的de可ke編bian程cheng增zeng益yi放fang大da器qi(PGA)。

圖3:基於熱電偶傳感器的溫度測量係統電路。
在圖3的係統中,模擬MUX、AMuxCDS和AMuxCDS_1shiyonglaibachuanganqizhengduanhefuduanshuchudexinhaozhuanhuanchengmoshuzhuanhuanqidezhengshurulaishishixiangguanshuangchouyang。xianzaidewentishishiyongxiangtongdemoshuzhuanhuanqishiruheranglianggechuanganqidianludoushiyiyangdelingcankaozhi。daanshizheyangde--熱敏電阻、熱電偶有不同的輸出電壓範圍,因此需要不同倍數的放大。PSoC3和PSoC5器件中的ADC有(you)多(duo)個(ge)配(pei)置(zhi),可(ke)以(yi)改(gai)變(bian)運(yun)行(xing)時(shi)間(jian)。對(dui)於(yu)不(bu)同(tong)的(de)增(zeng)益(yi)設(she)置(zhi),偏(pian)移(yi)也(ye)不(bu)同(tong),所(suo)以(yi)需(xu)要(yao)兩(liang)種(zhong)傳(chuan)感(gan)器(qi)電(dian)路(lu)中(zhong)都(dou)使(shi)用(yong)相(xiang)關(guan)雙(shuang)抽(chou)樣(yang)。這(zhe)會(hui)幫(bang)助(zhu)消(xiao)除(chu)整(zheng)個(ge)模(mo)擬(ni)信(xin)號(hao)鏈(lian)的(de)偏(pian)移(yi)。AMux用於傳感器在熱電偶、熱敏電阻之間的選擇。直接內存訪問(DMA)讀取ADC值並寫入數字濾波模塊(DFB)來過濾噪聲。
[page]
RTD和熱敏電阻溫度傳感器設計電路
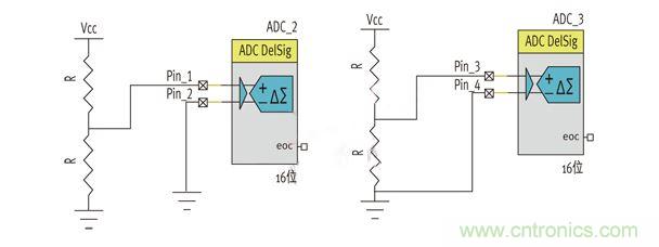
使用電阻式溫度檢測器(RTD)和(he)熱(re)敏(min)電(dian)阻(zu)測(ce)量(liang)溫(wen)度(du)時(shi)需(xu)要(yao)測(ce)量(liang)電(dian)阻(zu),所(suo)以(yi)測(ce)量(liang)的(de)方(fang)式(shi)決(jue)定(ding)了(le)係(xi)統(tong)的(de)精(jing)度(du)。為(wei)了(le)測(ce)量(liang)到(dao)精(jing)確(que)的(de)信(xin)號(hao),應(ying)該(gai)使(shi)用(yong)差(cha)分(fen)輸(shu)入(ru)而(er)不(bu)是(shi)單(dan)端(duan)輸(shu)入(ru)。差(cha)分(fen)輸(shu)入(ru)可(ke)以(yi)消(xiao)除(chu)普(pu)通(tong)噪(zao)聲(sheng),而(er)且(qie)效(xiao)果(guo)不(bu)錯(cuo),可(ke)以(yi)達(da)到(dao)μV級的敏感度(相對於單端輸入的mV靈敏度好多了)。讓我們來看看兩種連接-ve輸入到ADC的不同模式,詳見圖4。

圖4:兩種不同的 -ve連接方式設計電路。
圖4右邊的電路設計好於左邊的。在右麵的電路中,-ve直接連接到靠近分壓電阻的參考電壓。右麵的電路可以幫助降低測量時的噪聲的和由於PCB布局或走線阻抗帶來的誤差等等。
基於熱敏電阻的溫度測量係統可以說是圖3和圖4的集合。現在,讓我們看看使用RTD的測量係統。金屬鉑RTD製成的溫度傳感器無論從時間和溫度上來說都是最精確、最穩定的,所以在精確測量的應用中使用它應該是首選。RTD上的電壓降是可以測量的,和熱敏電阻的測量方式一樣,通常使用2線方法。連接RTD到測量係統時,要經過較長的電路,如果使用電壓源作為激勵的話,電路走線電阻就成為主要的測量誤差源,圖5則給出了2線測量電路和4線測量電路設計上的區別。

圖5:2線連接和4線連接的測量電路設計。
在2線電路中,RTD的電阻(RRTD)可以按方程5測量得到。然而,如果我們看一下這個電路,還有另一個電阻Rwire,那可能會導致一個測量誤差。
(方程5) RRTD = (Rref+Rwire)*( V2-V1)/(V-V2)
另一方麵,在4線電路中的RTD電阻可以按照方程6計算。因為測量係統具有很高的輸入阻抗, 在測控係統中沒有電流,因此分壓電阻節點和測量係統間的電阻是串聯方式,不會有影響。RTD的電阻(RRTD)可按方程6推導出來。
(方程6) RRTD = Rref*( V2-V1)/(V4-V3)
[page]
我們再來看一下方程5和方程6。測量的準確度主要取決於Rref的精確度。為了在電壓激勵中克服這個問題,RTD使用恒流源來代替電壓源。當使用恒流源時,穿過RTD的de電dian壓ya降jiang隻zhi取qu決jue於yu其qi電dian阻zu值zhi和he恒heng流liu源yuan值zhi。然ran而er,使shi用yong恒heng流liu源yuan勵li磁ci時shi測ce量liang的de準zhun確que度du取qu決jue於yu電dian流liu源yuan的de精jing確que度du。由you於yu是shi進jin行xing精jing密mi的de溫wen度du測ce量liang工gong作zuo,DAC電流應該被TIA校準。圖6顯示了使用PSoC3和PSoC5器件實現的一個基於RTD的溫度測量係統。這些器件有片上電流源,不需要額外增加模擬放大器電路。同時,這些設備有片上TIA可以用於為IDAC校準。

圖6:基於電阻式溫度檢測器RTD的溫度測量設計電路
下麵我們總結一下進行精密溫度測量電路設計的基本要點:
1.根據應用選擇恰當的傳感器。
2.CDS有助於進行準確的感測器的讀數,避免偏移誤差,消除低頻噪聲。
3.對於熱電偶係統,可以用濾波器來清除噪聲。
4.電流勵磁係統可以通過消除電路中不準確的參考電阻來提高準確度。
5.如果使用電壓激勵,應該使用4線測量係統。
6.係統的整體精度取決於信號鏈的準確度和精率。因此,建議使用高精度高分辨率的Delta sigma 模擬數字轉換器ADC。
7.為了適應環境的變化,而又能保證精度,建議使用基於混合信號的實現方式。
wenduchuangandianlubufenshixuduogongyexitonghuoqianrushishejidezhongyaozuchengbufen。womenyijingtaolunlezaizhunqueduquchuanganqizhishisuomianlindegezhonggeyangdetiaozhan,yijiruheshiyongjingquemonijishulaitigaojingdu。zhexieshitongyongdejishu,tatongyangshiyongyuqitachuanganqijiekoudianlu。
特別推薦
- 噪聲中提取真值!瑞盟科技推出MSA2240電流檢測芯片賦能多元高端測量場景
- 10MHz高頻運行!氮矽科技發布集成驅動GaN芯片,助力電源能效再攀新高
- 失真度僅0.002%!力芯微推出超低內阻、超低失真4PST模擬開關
- 一“芯”雙電!聖邦微電子發布雙輸出電源芯片,簡化AFE與音頻設計
- 一機適配萬端:金升陽推出1200W可編程電源,賦能高端裝備製造
技術文章更多>>
- 芯科科技Tech Talks與藍牙亞洲大會聯動,線上線下賦能物聯網創新
- 冬季續航縮水怎麼辦?揭秘熱管理係統背後的芯片力量
- 從HDMI 2.1到UFS 5.0:SmartDV以領先IP矩陣夯實邊緣計算基石
- 小空間也能實現低噪供電!精密測量雙極性電源選型指南,覆蓋小功率到大電流全場景
- 直擊藍牙亞洲大會 2026:Nordic 九大核心場景演繹“萬物互聯”新體驗
技術白皮書下載更多>>
- 車規與基於V2X的車輛協同主動避撞技術展望
- 數字隔離助力新能源汽車安全隔離的新挑戰
- 汽車模塊拋負載的解決方案
- 車用連接器的安全創新應用
- Melexis Actuators Business Unit
- Position / Current Sensors - Triaxis Hall
熱門搜索



