電路設計:可穿戴醫療設備語音報警電路
發布時間:2014-09-26 責任編輯:sherryyu
【導讀】本文講解的可穿戴醫療設備語音報警電路設計,主要是用集成語音芯片ISD2560組成。具有較強功能的語音錄放芯片,是一種永久記憶型語音錄放電路設計。值得醫療設備擁有!
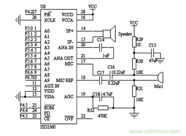
可穿戴醫療設備語音報警電路: 電路如圖所示,主要由集成語音芯片ISD2560組成。
ISD2560是Winbond公司生產的一款具有較強功能的語音錄放芯片,是一種永久記憶型語音錄放電路,錄音時間為60s,可重複錄放10萬次。該芯片采用多電平直接模擬量存儲專利技術,能夠非常真實、zirandizaixianyuyin。tongguoshixianluzhihaodeshengyin,shixianxueyaceliangzhidezidongshengyintishi,ruguoxueyagaochuzhengchangxueyadeshangxiaxianzhi,haihuifahuibaojing,tixingshiyongzhejiuyi。jutizuofa:經過一段時間(大概為正常人的一個月)的de精jing確que測ce量liang,在zai電dian腦nao上shang處chu理li數shu據ju,得de到dao血xue壓ya的de正zheng常chang範fan圍wei,將jiang其qi上shang下xia限xian設she置zhi為wei報bao警jing範fan圍wei,時shi時shi監jian控kong佩pei戴dai者zhe的de血xue壓ya值zhi,如ru果guo血xue壓ya超chao出chu正zheng常chang範fan圍wei,則ze開kai始shi計ji時shi,將jiang日ri期qi時shi間jian等deng數shu據ju都dou要yao記ji錄lu下xia來lai,如ru果guo超chao出chu正zheng常chang範fan圍wei的de時shi間jian超chao出chu五wu分fen鍾zhong,則ze開kai始shi報bao警jing提ti醒xing,提ti示shi內nei容rong為wei:尊敬的用戶您好,此時您的血壓偏高低,建議您立即進行電壓測量,並服用相應的藥物!

特別推薦
- 噪聲中提取真值!瑞盟科技推出MSA2240電流檢測芯片賦能多元高端測量場景
- 10MHz高頻運行!氮矽科技發布集成驅動GaN芯片,助力電源能效再攀新高
- 失真度僅0.002%!力芯微推出超低內阻、超低失真4PST模擬開關
- 一“芯”雙電!聖邦微電子發布雙輸出電源芯片,簡化AFE與音頻設計
- 一機適配萬端:金升陽推出1200W可編程電源,賦能高端裝備製造
技術文章更多>>
- 芯科科技Tech Talks與藍牙亞洲大會聯動,線上線下賦能物聯網創新
- 冬季續航縮水怎麼辦?揭秘熱管理係統背後的芯片力量
- 從HDMI 2.1到UFS 5.0:SmartDV以領先IP矩陣夯實邊緣計算基石
- 小空間也能實現低噪供電!精密測量雙極性電源選型指南,覆蓋小功率到大電流全場景
- 直擊藍牙亞洲大會 2026:Nordic 九大核心場景演繹“萬物互聯”新體驗
技術白皮書下載更多>>
- 車規與基於V2X的車輛協同主動避撞技術展望
- 數字隔離助力新能源汽車安全隔離的新挑戰
- 汽車模塊拋負載的解決方案
- 車用連接器的安全創新應用
- Melexis Actuators Business Unit
- Position / Current Sensors - Triaxis Hall
熱門搜索
風力渦輪機
風能
風扇
風速風向儀
風揚高科
輔助駕駛係統
輔助設備
負荷開關
複用器
伽利略定位
幹電池
幹簧繼電器
感應開關
高頻電感
高通
高通濾波器
隔離變壓器
隔離開關
個人保健
工業電子
工業控製
工業連接器
工字型電感
功率表
功率電感
功率電阻
功率放大器
功率管
功率繼電器
功率器件


