中廣芯源推出8通道觸摸感應的觸摸控製芯片GS1088
發布時間:2011-12-04
產品特性:
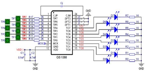
中廣芯源推出了8通道觸摸感應的觸摸控製芯片GS1088,這是一款整合了8通道觸摸感應的觸摸控製芯片。該芯片能夠通過直接輸出模式控製,方便替代以往機械式按鍵。該芯片的工作電壓為 2.0VDC-5.5VDC,在3V供電空載模式下,耗電量低於80uA低(di)功(gong)耗(hao)模(mo)式(shi)。此(ci)外(wai)該(gai)芯(xin)片(pian)可(ke)以(yi)通(tong)過(guo)外(wai)部(bu)端(duan)口(kou)接(jie)高(gao)電(dian)平(ping)或(huo)低(di)電(dian)平(ping)調(tiao)整(zheng)觸(chu)摸(mo)靈(ling)敏(min)度(du),具(ju)有(you)較(jiao)高(gao)靈(ling)敏(min)度(du)和(he)可(ke)靠(kao)性(xing)防(fang)止(zhi)外(wai)部(bu)噪(zao)聲(sheng)幹(gan)擾(rao)一(yi)起(qi)誤(wu)動(dong)作(zuo)。
獲取詳細信息請登錄http://www.zgsemi.com
- 直接輸出模式控製
- 低功耗、較高靈敏度和可靠性
- 標準的SSOP-24封裝,芯片體積小,外圍電路簡單
- 小家電、數碼產品、智能家居電子產品、手持設備等的觸摸按鍵
中廣芯源推出了8通道觸摸感應的觸摸控製芯片GS1088,這是一款整合了8通道觸摸感應的觸摸控製芯片。該芯片能夠通過直接輸出模式控製,方便替代以往機械式按鍵。該芯片的工作電壓為 2.0VDC-5.5VDC,在3V供電空載模式下,耗電量低於80uA低(di)功(gong)耗(hao)模(mo)式(shi)。此(ci)外(wai)該(gai)芯(xin)片(pian)可(ke)以(yi)通(tong)過(guo)外(wai)部(bu)端(duan)口(kou)接(jie)高(gao)電(dian)平(ping)或(huo)低(di)電(dian)平(ping)調(tiao)整(zheng)觸(chu)摸(mo)靈(ling)敏(min)度(du),具(ju)有(you)較(jiao)高(gao)靈(ling)敏(min)度(du)和(he)可(ke)靠(kao)性(xing)防(fang)止(zhi)外(wai)部(bu)噪(zao)聲(sheng)幹(gan)擾(rao)一(yi)起(qi)誤(wu)動(dong)作(zuo)。

獲取詳細信息請登錄http://www.zgsemi.com
特別推薦
- 噪聲中提取真值!瑞盟科技推出MSA2240電流檢測芯片賦能多元高端測量場景
- 10MHz高頻運行!氮矽科技發布集成驅動GaN芯片,助力電源能效再攀新高
- 失真度僅0.002%!力芯微推出超低內阻、超低失真4PST模擬開關
- 一“芯”雙電!聖邦微電子發布雙輸出電源芯片,簡化AFE與音頻設計
- 一機適配萬端:金升陽推出1200W可編程電源,賦能高端裝備製造
技術文章更多>>
- 算力爆發遇上電源革新,大聯大世平集團攜手晶豐明源線上研討會解鎖應用落地
- 築基AI4S:摩爾線程全功能GPU加速中國生命科學自主生態
- 一秒檢測,成本降至萬分之一,光引科技把幾十萬的台式光譜儀“搬”到了手腕上
- AI服務器電源機櫃Power Rack HVDC MW級測試方案
- 突破工藝邊界,奎芯科技LPDDR5X IP矽驗證通過,速率達9600Mbps
技術白皮書下載更多>>
- 車規與基於V2X的車輛協同主動避撞技術展望
- 數字隔離助力新能源汽車安全隔離的新挑戰
- 汽車模塊拋負載的解決方案
- 車用連接器的安全創新應用
- Melexis Actuators Business Unit
- Position / Current Sensors - Triaxis Hall
熱門搜索
微波功率管
微波開關
微波連接器
微波器件
微波三極管
微波振蕩器
微電機
微調電容
微動開關
微蜂窩
位置傳感器
溫度保險絲
溫度傳感器
溫控開關
溫控可控矽
聞泰
穩壓電源
穩壓二極管
穩壓管
無焊端子
無線充電
無線監控
無源濾波器
五金工具
物聯網
顯示模塊
顯微鏡結構
線圈
線繞電位器
線繞電阻




