手機觸摸屏及其目標提取方法
發布時間:2011-10-18
中心議題:
- 電阻式觸摸屏和電容式觸摸屏的構成及原理
- 觸摸屏係統結構
- MMI目標提取辦法
解決方案:
- 按鍵提取方法
- 滑動操作的目標提取方法
觸摸屏是手機發展的新趨勢,文章從電阻屏和電容屏的結構及原理入手,介紹了觸摸屏的係統結構,並利用MTK 的MMI 模塊開放接口函數,說明了用戶目標提取方法和實現途徑。
1 觸摸屏構成及原理
適用於移動設備和消費電子產品的觸摸屏技術包括電阻式觸摸屏和投射電容式(projectedcapacitive)chumoping。chumopingfuzhezaixianshiqidebiaomian,yuxianshiqipeiheshiyong,nengceliangchuchumodianzaipingmushangdezuobiaoweizhi,jiukegenjuxianshipingshangduiyingzuobiaodiandexianshineironghuotufuhuozhichumozhedeyitu。
1.1 電阻式觸摸屏
電(dian)阻(zu)觸(chu)摸(mo)屏(ping)是(shi)一(yi)塊(kuai)四(si)層(ceng)透(tou)明(ming)的(de)複(fu)合(he)薄(bo)膜(mo)屏(ping),最(zui)下(xia)麵(mian)是(shi)玻(bo)璃(li)或(huo)有(you)機(ji)玻(bo)璃(li)構(gou)成(cheng)的(de)基(ji)層(ceng),最(zui)上(shang)麵(mian)是(shi)一(yi)層(ceng)外(wai)表(biao)麵(mian)經(jing)過(guo)硬(ying)化(hua)處(chu)理(li)從(cong)而(er)光(guang)滑(hua)防(fang)刮(gua)的(de)塑(su)料(liao)層(ceng),中(zhong)間(jian)是(shi)兩(liang)層(ceng)金(jin)屬(shu)導(dao)電(dian)層(ceng)ITO(Indium Tin Oxide ,銦錫氧化物,一種透明的導電材料),分別在基層和塑料層之內,兩導電層之間有許多細小的透明隔離點把它們隔開。電阻式觸摸屏結構如圖1 所示。

圖1 電阻式觸摸屏結構[page]
當dang手shou指zhi觸chu摸mo屏ping幕mu時shi,兩liang導dao電dian層ceng在zai觸chu摸mo點dian處chu接jie觸chu。觸chu摸mo屏ping的de兩liang個ge金jin屬shu導dao電dian層ceng是shi觸chu摸mo屏ping的de兩liang個ge工gong作zuo麵mian,在zai每mei個ge工gong作zuo麵mian的de兩liang端duan各ge塗tu有you一yi條tiao銀yin膠jiao,稱cheng為wei該gai工gong作zuo麵mian的de一yi對dui電dian極ji。若ruo在zai一yi個ge工gong作zuo麵mian的de電dian極ji對dui上shang施shi加jia電dian壓ya,則ze在zai該gai工gong作zuo麵mian上shang就jiu會hui形xing成cheng均jun勻yun連lian續xu的de平ping行xing電dian壓ya分fen布bu。當dang在zaiX方向的電極對上施加一確定的電壓,而Y方向電極對上不加電壓時,在X平行電壓場中,觸點處的電壓值可以在Y+(或Y-)電極上反映出來,通過測量Y+ 電極對地的電壓大小,便可得知觸點的X坐標值。同理,當在Y電極對上加電壓,而X電極對上不加電壓時,通過測量X+ 電極的電壓,便可得知觸點的Y坐標,如圖2 所示。根據X坐標和Y坐標可知觸摸點在屏幕上的位置。

圖2 電阻觸摸屏線路圖
電阻式觸摸屏是大批量應用、低成本的技術,其缺點是:堆疊厚,相對較為複雜;光學性能不良,需要較大功率的背光;不能檢測多個手指的動作;必須有壓力才能動作;需要用戶校準。
1.2 投射電容式觸摸屏
投射電容式觸控技術主要有兩種:一種是自電容型,另一種是互電容型。
互電容屏也是在玻璃表麵用ITO 製作橫向電極與縱向電極,兩組電極交叉的地方會形成電容,也即這兩組電極分別構成了電容的兩極,形成電容矩陣。
如圖3 所示,當手指觸摸到電容屏時,由於人體是導電的,所以在ITO 電極與手指之間形成了新的電容,從而改變了原來兩個ITO 電(dian)極(ji)之(zhi)間(jian)的(de)電(dian)容(rong)量(liang)。檢(jian)測(ce)兩(liang)電(dian)極(ji)間(jian)互(hu)電(dian)容(rong)大(da)小(xiao)時(shi),橫(heng)向(xiang)的(de)電(dian)極(ji)依(yi)次(ci)發(fa)出(chu)激(ji)勵(li)信(xin)號(hao),縱(zong)向(xiang)的(de)所(suo)有(you)電(dian)極(ji)同(tong)時(shi)接(jie)收(shou)信(xin)號(hao),這(zhe)樣(yang)可(ke)以(yi)得(de)到(dao)所(suo)有(you)橫(heng)向(xiang)和(he)縱(zong)向(xiang)電(dian)極(ji)交(jiao)彙(hui)點(dian)的(de)電(dian)容(rong)值(zhi)大(da)小(xiao),即(ji)整(zheng)個(ge)觸(chu)摸(mo)屏(ping)二(er)維(wei)平(ping)麵(mian)的(de)電(dian)容(rong)大(da)小(xiao)。

圖3 投射電容式觸摸屏[page]
根據觸摸屏二維電容變化量數據,行列傳感器信號最強的交叉點即為觸摸點,如圖4 suoshi,tongguoneichafashuzhibijinnengfeichangjingquediquedingshouzhiweizhidezuobiaozhi。shejiyigetoushedianrongchuanganqizhenliedemudeshi,zaitongyishijianshishouzhinenggouyuduoyuyigedeX傳感器和一個以上的Y傳感器發生作用,結合其它技術能實現多點觸摸。

圖4 行和列傳感器的信號強度確定了觸摸的位置
當幾個觸摸按鍵互相靠近時,接近的手指會導致多個按鍵電容的變化。Atmel 專利的鄰鍵抑製(AKS)技術采用迭代法重複測量每個按鍵上的電容變化,比較結果來確定哪個按鍵是用戶想要的。AKS抑製或忽略來自所有其它按鍵的信號,提供所選擇按鍵的信號,這可防止鄰鍵的假觸摸。
投射電容式觸摸屏相比其它觸摸屏技術的優勢是:信噪比高;觸摸屏表麵的清晰度和亮度比電阻屏高;能夠支持多點觸摸;無wu需xu用yong戶hu校xiao準zhun。其qi缺que點dian之zhi一yi是shi當dang戴dai手shou套tao或huo者zhe用yong絕jue緣yuan體ti觸chu摸mo時shi無wu反fan應ying,此ci外wai,還hai存cun在zai漂piao移yi現xian象xiang,當dang溫wen度du或huo濕shi度du較jiao高gao時shi會hui不bu敏min感gan,當dang人ren體ti或huo另ling一yi隻zhi手shou靠kao近jin時shi會hui誤wu動dong作zuo。
2 觸摸屏係統
如圖5 所示,一個觸摸屏係統包括:前麵板、傳感器薄膜、顯示單元、控製器板和係統軟件。

圖5 觸摸屏係統
qianmianbanshizhongduanchanpindezuibiaoceng。zaimouxiechanpinzhong,tajiangtoumingdegaibanweiqilai,yimianshoudaowaibuelieqihouhuochaoshideyingxiang,yefangzhixiamiandechuanganchanpinshoudaohuakeyijipohuai。
觸摸屏"傳感器"是一個帶有觸摸響應表麵的透明玻璃板,用來檢測觸摸輸入。該傳感器被安放到LCD 上麵,使得麵板的觸摸區域能覆蓋顯示屏的可視區域。前已述及,在觸摸時,根據電容值變化的數據,從而可確定屏幕上的觸摸位置。
用於觸摸屏的LCD 選擇方法與傳統係統中基本相同,包括分辨率、清晰度、刷新速度、chengbendeng。danzaichumopingzhonglingyigezhuyaodekaolvshifushedianping,youyuchumochuanganqizhongdejishujiyumianbanbeichumosuochanshengdeweixiaodianrongbianhua,nenggoufushexuduodiancizaoshengdeLCD 是設計中的難點。
[page]
chumokongzhiqishiyigexiaoxingdeweikongzhiqixinpian,taweiyuchumochuanganqiheqianrushixitongkongzhiqizhijian。chumokongzhiqitiqulaizichumochuanganqidexinxi,bingjiangqizhuanhuanchengqianrushixitongkongzhiqinenggoulijiedexinxi。gaixinpiankeyizhuangpeidaoxitongneibudekongzhiqibanshang,yekeyizhantiedaobolichumochuanganqishangderouxingyinshuadianlushang。
觸chu摸mo屏ping驅qu動dong器qi軟ruan件jian可ke以yi來lai自zi原yuan廠chang商shang,也ye可ke以yi是shi後hou來lai加jia裝zhuang的de軟ruan件jian。該gai軟ruan件jian應ying能neng使shi觸chu摸mo屏ping和he係xi統tong控kong製zhi器qi一yi同tong工gong作zuo,它ta將jiang告gao訴su產chan品pin的de操cao作zuo係xi統tong如ru何he解jie析xi來lai自zi觸chu摸mo控kong製zhi器qi的de觸chu摸mo事shi件jian信xin息xi。在zai嵌qian入ru式shi係xi統tong中zhong,嵌qian入ru式shi控kong製zhi驅qu動dong器qi必bi須xu將jiang出chu現xian在zai屏ping幕mu上shang的de信xin息xi與yu接jie收shou到dao的de觸chu摸mo位wei置zhi進jin行xing比bi對dui。
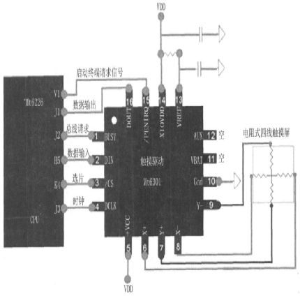
3 MMI 目標提取方法
台灣聯發科技公司提供的MTK 手機平台中的MMI 模塊即人機界麵模塊,主要負責人機界麵的顯示、屏幕流的控製以及與L4 層進行通信完成人機交互。MMI 模塊主要由三部分組成,分別是應用層軟件、框架和圖像用戶接口。
3.1 按鍵提取方法
如圖6 所示,在獲得觸摸點消息後,係統MMI 層調用MMI 層坐標轉換函數提取驅動層發送的觸摸點位置信息,並轉化為MMI 層的位置信息。當有觸摸操作進行時,底層驅動程序向MMI 層發送觸摸點的位置信息。在獲得驅動層觸摸點信息後,係統MMI 層調用MMI 層坐標轉換函數提取驅動層發送的觸摸點位置信息,並轉化為MMI 層的位置信息。如果係統所發事件是按下事件(MMI_PEN_EVENT_DOWN),係統根據觸摸點坐標調用當前按鍵信息提取函數獲得被選按鍵信息;如果是滑動事件(MMI_PEN_EVENT_MOVE),則進行滑動方向判斷。

圖6 按鍵提取流程圖[page]
3.2 滑動操作的目標提取方法
以圖片瀏覽為例,手指向左滑動顯示上一張圖片,向右滑動顯示下一張圖片。如圖7 所示,設置有效的滑動區域,並且根據屏幕大小設置一個合理的滑動閾值,以防手指的微小滑動導致誤操作。具體操作流程如圖8 所示。

圖7 手指滑動區域 圖8 使用拇指滑動控製圖片的操作流程
當dang手shou指zhi按an下xia時shi,首shou先xian判pan斷duan按an下xia點dian的de坐zuo標biao是shi否fou在zai設she定ding的de有you效xiao區qu域yu內nei,再zai判pan斷duan抬tai起qi點dian的de坐zuo標biao是shi否fou在zai設she定ding的de有you效xiao區qu域yu內nei。當dang手shou指zhi按an下xia點dian和he抬tai起qi點dian都dou在zai有you效xiao範fan圍wei內nei時shi,計ji算suan滑hua動dong距ju離li,若ruo滑hua動dong距ju離li小xiao於yu設she定ding閾yu值zhi,當dang作zuo是shi無wu效xiao觸chu摸mo,不bu做zuo任ren何he處chu理li。滑hua動dong距ju離li大da於yu設she定ding的de閾yu值zhi且qie向xiang左zuo滑hua動dong,切qie換huan為wei上shang一yi張zhang圖tu片pian;滑動距離大於設定的閾值且向右滑動,切換為下一張圖片。
4 結論
從顯示器、手機,到GPS、辦公設備、醫療監控等各種設備,觸摸屏都正在快速地應用到各個領域。
觸摸屏具有極好的外觀,觸控效率高,還提供了較高的安全性能、抗惡劣氣候性能和耐磨性,利用多點觸控技術將開辟一個全新的、廣闊的市場。
- 噪聲中提取真值!瑞盟科技推出MSA2240電流檢測芯片賦能多元高端測量場景
- 10MHz高頻運行!氮矽科技發布集成驅動GaN芯片,助力電源能效再攀新高
- 失真度僅0.002%!力芯微推出超低內阻、超低失真4PST模擬開關
- 一“芯”雙電!聖邦微電子發布雙輸出電源芯片,簡化AFE與音頻設計
- 一機適配萬端:金升陽推出1200W可編程電源,賦能高端裝備製造
- 2026藍牙亞洲大會暨展覽在深啟幕
- 新市場與新場景推動嵌入式係統研發走向統一開發平台
- 維智捷發布中國願景
- 2秒啟動係統 • 資源受限下HMI最優解,米爾RK3506開發板× LVGL Demo演示
- H橋降壓-升壓電路中的交替控製與帶寬優化
- 車規與基於V2X的車輛協同主動避撞技術展望
- 數字隔離助力新能源汽車安全隔離的新挑戰
- 汽車模塊拋負載的解決方案
- 車用連接器的安全創新應用
- Melexis Actuators Business Unit
- Position / Current Sensors - Triaxis Hall

