射頻入門實戰:ADALM2000實現Peltz振蕩器設計與調試
發布時間:2025-11-13 責任編輯:lina
【導讀】在射頻電路設計領域,Peltz振蕩器以其獨特的雙晶體管架構和穩定的振蕩特性,成為學習高頻電路原理的理想平台。本次實驗將基於ADALM2000主動學習模塊,完整展示Peltz振蕩器的設計、仿真與實測流程,為電子工程學習者提供一套可落地的實踐方案。
在射頻電路設計領域,Peltz振蕩器以其獨特的雙晶體管架構和穩定的振蕩特性,成為學習高頻電路原理的理想平台。本次實驗將基於ADALM2000主動學習模塊,完整展示Peltz振蕩器的設計、仿真與實測流程,為電子工程學習者提供一套可落地的實踐方案。

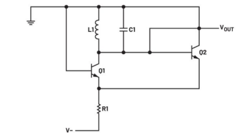
圖1.Peltz振蕩器基本配置
LC諧振電路的諧振頻率由公式1得出。

電路原理深度解析
雙晶體管協同工作機製
Peltz振蕩器采用Q1、Q2兩個晶體管構成的放大-反饋結構。Q1作為共基極放大器,其集電極負載由LC諧振電路(L1+C1)組成;Q2配置為射極跟隨器,形成閉環正反饋。當諧振電路在特定頻率處呈現最大阻抗時,共基極級獲得峰值電壓增益,與射極跟隨器(增益≈1)共同構建大於1的環路增益,實現穩定振蕩。

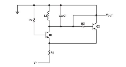
圖2.提高輸出擺幅
輸出擺幅優化策略
基礎配置中,LC諧振電路的峰峰值擺幅受限於晶體管結壓降(約±0.6V)。通過引入基極串聯電阻(R2、R3),在電壓擺幅達到極限時分流基極電流,可有效將輸出擺幅提升至±1.25V以上。這一改進顯著增強了電路的實用性和觀測效果。
實驗實施全流程
仿真預驗證階段
●使用仿真軟件構建圖1、圖2所示電路
●計算偏置電阻R1,確保雙管集電極電流>200μA(-5V供電)
●配置L1(100μH)、C1(100pF),實現>1MHz諧振頻率
●通過瞬態仿真驗證擺幅提升效果,記錄數據用於實測對比
材料
•ADALM2000主動學習模塊
•無焊試驗板
•跳線
•兩個小信號NPN晶體管(2N3904)
•一個10 kΩ電阻
•兩個4.7 kΩ電阻
•一個100 µH電感
•一個100 pF電容

圖3.Peltz振蕩器電路
硬件搭建要點
●按圖3布局在無焊試驗板上組裝電路
●重點檢查電源極性(-5V)及晶體管方向(2N3904)
●示波器通道1連接LC諧振電路,通道2監測發射極波形
●設置采集參數:200mV/div,時基1μs/div,上升沿觸發

圖4.Peltz振蕩器電路試驗板連接
實測數據分析
接通電源後,示波器應顯示穩定的正弦振蕩波形(參考圖5)。通過對比仿真與實測結果,學生可以深入理解:
●實際元件參數與理想模型的差異
●布線分布參數對高頻電路的影響
●晶體管非線性特性的實際表現
實驗教學價值
本實驗將抽象的高頻振蕩原理轉化為可視化的電信號,幫助學生建立從理論計算、仿真驗證到硬件實現的完整工程思維。特別適合作為《高頻電子線路》、《射頻電路設計》等課程的配套實驗,培養學生的電路調試能力和係統分析能力。

圖5.Peltz振蕩器電路波形圖
推薦閱讀:
- 噪聲中提取真值!瑞盟科技推出MSA2240電流檢測芯片賦能多元高端測量場景
- 10MHz高頻運行!氮矽科技發布集成驅動GaN芯片,助力電源能效再攀新高
- 失真度僅0.002%!力芯微推出超低內阻、超低失真4PST模擬開關
- 一“芯”雙電!聖邦微電子發布雙輸出電源芯片,簡化AFE與音頻設計
- 一機適配萬端:金升陽推出1200W可編程電源,賦能高端裝備製造
- 具身智能成最大亮點!CITE 2026開幕峰會釋放產業強信號
- 助力醫療器械產業高質量發展 派克漢尼汾閃耀2026 ICMD
- 比異步時鍾更隱蔽的“芯片殺手”——跨複位域(RDC)問題
- 數據之外:液冷技術背後的連接器創新
- “眼在手上”的嵌入式實踐:基於ROS2與RK3576的機械臂跟隨抓取方案
- 車規與基於V2X的車輛協同主動避撞技術展望
- 數字隔離助力新能源汽車安全隔離的新挑戰
- 汽車模塊拋負載的解決方案
- 車用連接器的安全創新應用
- Melexis Actuators Business Unit
- Position / Current Sensors - Triaxis Hall





