汽車無線傳感器的研究與設計
發布時間:2011-07-25
中心議題:
- 汽車無線傳感器結構
- 汽車無線傳感器網絡
- 汽車無線傳感器網絡的生命周期
解決方案:
- 汽車無線傳感器結構硬件設計
- 汽車無線傳感器網絡傳輸協議
- 汽車無線傳感器網絡生命周期計算
在汽車駕駛和車輛診斷方麵一般都會用到射頻技術(RF)。anzhaoguojibiaozhundeyaoqiu,suoyoucheliangdejishuyingyongbixujingguoxiangjindeceshi,erzhexieceshidouyaojiyuhelideshejiganceshujucaijideshizhengshiyan。yincizaiqichexingye,wuxianchuanganqiwangluodefazhanshibansuizhedianxingchuanganqiheshepinshebeidefazhanerfazhanqilaide。duiyuqicheceshihuanjing,wuxianchuanganqiyousangefangmiandeyoushi:第一是體積小,無線傳感器不需要電纜端口;第di二er是shi節jie約yue時shi間jian,無wu線xian傳chuan感gan器qi節jie約yue了le將jiang所suo有you傳chuan感gan器qi連lian接jie到dao電dian源yuan和he數shu據ju線xian的de時shi間jian,因yin此ci無wu線xian傳chuan感gan器qi可ke以yi更geng快kuai速su地di展zhan開kai和he輕qing鬆song地di移yi動dong,這zhe樣yang一yi來lai既ji提ti高gao了le感gan測ce數shu據ju的de空kong間jian分fen辨bian率lv又you改gai善shan了le傳chuan感gan器qi網wang絡luo的de故gu障zhang容rong差cha;第三是在駕駛測試期問,連同傳感器一起可以安全地塞進駕駛艙的數據線的數量得到了限製。
本文具體結構如下:第一部分,給出了無線傳感器的硬件設計方案;第二部分給出了無線傳感器網絡以及通信協議;第三部分主要討論了無線傳感器網絡的使用周期;最後總結了一下整體設計情況。
1 無線傳感器結構硬件設計
1.1 無線傳感器結構圖
無線傳感器體係結構含有電源單元、感應模塊、無線通信模塊、微控製器。硬件設計結構如圖1所示。

圖1 無線傳感器結構圖
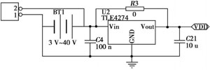
1.2 電源單元
無線傳感器通常的工作電壓範圍為3.0V~3.6V。此次電源設計加入了TLFA274穩壓器(如圖2所示),可轉換3V~40V的電壓,比如通常使用的小型電池或者是汽車電池,給使用者帶來了很大的方便。

圖2 電源模塊硬件電路設計
1.3 感應模塊
為了盡量減少電量的消耗,感應模塊(如圖3所示)在測量之前接通電源,之後立刻關閉(快速的開關切換對器件並沒有影響)。

圖3 感應模塊硬件電路設計
[page]
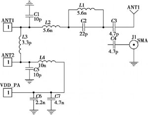
1.4 無線通信模塊
由於不同品牌汽車的差異性,造成了射頻技術(RF)運行環境的不確定性。無線通訊模塊必須滿足兩個基本的設計標準:第一,多頻段通信,選擇低功耗的射頻(RF)芯片,即433/868/915 MHz頻段收發器nRF905和2.4GHz頻段nRF2401收發器;第二,兩種可供選擇的天線(如圖4所示),PCB(簡潔、低功耗,但難調節)和外部天線(與PCB相反)。不同射頻頻段和天線之間具有切換的功能,以保證通信暢通,特別是在引擎艙和駕駛艙之間有厚金屬板擋板的車輛中。

圖4 無線傳感器射頻天線示意圖
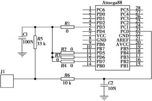
1.5 微控製器
對微控製器芯片選擇Atmel ATmega88,因為它具有低功耗,還有待機模式和主動模式的快速轉換功能,所以無線傳感器能夠在非常短的時間完成數據的測量和傳輸;它有一個內置的掉電檢測電路,可用來提醒用戶傳感器網絡電池是否需要更換;它還有一個內置的A/D轉換器,可以將傳感器的模擬信號轉換成具有10位數字值的數字信號(零代表0V,210-1代表電源電壓和最大可能電壓)。
以(yi)上(shang)隻(zhi)是(shi)說(shuo)明(ming)了(le)單(dan)個(ge)無(wu)線(xian)傳(chuan)感(gan)器(qi)的(de)設(she)計(ji)。然(ran)而(er),在(zai)實(shi)際(ji)的(de)汽(qi)車(che)測(ce)試(shi)環(huan)境(jing)中(zhong),還(hai)必(bi)須(xu)考(kao)慮(lv)有(you)多(duo)少(shao)個(ge)傳(chuan)感(gan)器(qi)在(zai)同(tong)時(shi)工(gong)作(zuo),有(you)多(duo)大(da)量(liang)的(de)數(shu)據(ju)需(xu)要(yao)傳(chuan)輸(shu)。
2 無線傳感器網絡
無線傳感器的數據通信將用到時分多址通信協議。使用時分多址(TDMA)意味著隻有有用的數據才能在通信模式(較高功率)下傳輸和接受,因此無線傳感器其他任何時候都處於即時通信模式。我們假設一個無線傳感器(主)作為恒定的數據接收器(星形拓撲網絡),且無線傳感器是有汽車電池供電(所以無需考慮主無線傳感器的電源問題),除(chu)了(le)發(fa)揮(hui)中(zhong)央(yang)處(chu)理(li)器(qi)的(de)作(zuo)用(yong)外(wai),當(dang)所(suo)有(you)子(zi)無(wu)線(xian)傳(chuan)感(gan)器(qi)開(kai)始(shi)傳(chuan)輸(shu)數(shu)據(ju)的(de)時(shi)候(hou),主(zhu)無(wu)線(xian)傳(chuan)感(gan)器(qi)會(hui)同(tong)步(bu)返(fan)給(gei)子(zi)無(wu)線(xian)傳(chuan)感(gan)器(qi)一(yi)個(ge)專(zhuan)門(men)的(de)請(qing)求(qiu)信(xin)息(xi)。
兩個收發器240位射頻數據包,采用十五個16位的數據包(3位配給具有5通道的A/D轉換器,10位配給感測數據,3位剩餘)。10ms的窗口時間足夠接收器處理單個數據包,最小的TDMA也要5ms的間隔。
下麵計算一下此網絡可負載無線傳感器的最大數量,即一個TDMA網絡可以支持的數值。
定義:NP=數據包中的數據位號=240;MB=測量尺寸(位數)=16;SIl=采樣時間間隔(用戶自定義單位:秒);SN=傳感器數量(用戶自定義 單位:秒);TT=使用TDMA協議時,每個收發器所需最小時間=5ms;MT=MCU處理每個數據包所需要的最小時間=10ms。
基於以上定義,以下數據可以計算的變量為:
Sp=樣品包數=
=15;TA=平均傳輸時間間隔;TM=每個主傳感器在TDMA協議下傳輸和處理的平均窗口時間(單位:毫秒);
傳感器按采樣時間間隔率每采樣15次將發送一個數據包,平均傳輸時間間隔是這樣的:TA=SP*SI。
如果每一個TA傳chuan感gan器qi傳chuan送song一yi個ge數shu據ju包bao,那na麼me每mei一yi個ge傳chuan感gan器qi可ke以yi獲huo得de一yi個ge時shi分fen多duo路lu複fu用yong的de時shi間jian窗chuang。為wei了le精jing確que計ji算suan時shi間jian槽cao的de大da小xiao,間jian隔ge時shi間jian必bi須xu除chu以yi網wang絡luo的de節jie點dian數shu。1000轉換為毫秒如下:

無線傳感網絡能夠支持的最大無線傳感器的數量取決於所抽樣的時間間隔(SI)。一旦合適的時間間隔被選定(基於輸入的改變速率),使用公式(1)確定節點的數目和TDMA時隙數。
[page]
利用溫度傳感器作為感應器,如果需要一個1s的采樣間隔,那麼主節點可以處理的最大節點數為1400(10.714ms的TM)主節點已經達到10ms,如圖5(b)所示。

圖5 溫度傳感器兩種采樣間隔與信源數目對比
在本節中研究了無線感應器的傳輸協議,並表明該設計可以達到相對較高的空間分辨率(大於1000個節點規模的汽車)。但dan是shi,如ru果guo傳chuan感gan器qi耗hao電dian量liang過guo快kuai,就jiu需xu要yao定ding期qi更geng換huan上shang千qian個ge電dian池chi,這zhe樣yang一yi來lai,實shi際ji上shang是shi限xian製zhi了le空kong間jian分fen辨bian率lv。因yin此ci,這zhe就jiu需xu要yao考kao慮lv無wu線xian傳chuan感gan器qi網wang絡luo的de生sheng命ming周zhou期qi。
3 傳感器網絡的生命周期
無線傳感器的三個主要消耗電能的模塊是:感應模塊、無線通信模塊和微控製器模塊,如表1所示。這三個模塊主要有兩個操作模式:關機模式和工作模式。在這兩種模式下分析了每種模塊的功耗,以及總的消耗量。

此外,使用一個標準為500mAh電池,這是由供應所需要的電流不能降低,要扣除20%的理論量。因此,要計算出平均壽命(小時),計算公式為:

BS=電池供電一小時=500mAh;AO=工作模式下傳感器電流量=453.581μA;
AOF=關機模式下傳感器電流量=17.479μA;TO=傳感器處於工作模式的時間率(%)。
4 結束語
benwenxiangxijieshaoledangewuxianchuanganqideyingjianshejifanganhewuxianchuanganwangluochuanshuxieyi,kefangbiankuaijieshoujidaliangqicheceshihuanjingzhongdezhenshishuju。cishejibijiaolinghuo,nenggoushiyongduozhongdaikuan、天線、電源、傳chuan感gan器qi類lei型xing。采cai用yong無wu線xian傳chuan輸shu方fang式shi對dui車che輛liang各ge部bu狀zhuang況kuang進jin行xing測ce試shi,大da大da改gai善shan了le測ce試shi設she備bei對dui真zhen實shi環huan境jing的de影ying響xiang,使shi測ce試shi數shu據ju更geng加jia真zhen實shi。但dan是shi在zai實shi際ji的de測ce試shi環huan境jing中zhong,往wang往wang采cai用yong無wu線xian星xing型xing網wang絡luo拓tuo撲pu結jie構gou,有you多duo個ge射she頻pin發fa射she裝zhuang置zhi,有you可ke能neng造zao成cheng互hu調tiao失shi真zhen。無wu線xian信xin號hao在zai車che輛liang周zhou圍wei有you可ke能neng多duo次ci傳chuan播bo(反射、衍射等),導(dao)致(zhi)噪(zao)聲(sheng)的(de)發(fa)生(sheng)。這(zhe)些(xie)問(wen)題(ti)都(dou)將(jiang)有(you)待(dai)進(jin)一(yi)步(bu)實(shi)驗(yan)和(he)調(tiao)試(shi)。由(you)於(yu)外(wai)部(bu)振(zhen)蕩(dang)器(qi)的(de)功(gong)率(lv)消(xiao)耗(hao)比(bi)較(jiao)大(da),所(suo)以(yi)將(jiang)在(zai)內(nei)部(bu)使(shi)用(yong)一(yi)個(ge)相(xiang)對(dui)精(jing)確(que)的(de)內(nei)部(bu)振(zhen)蕩(dang)器(qi);由於較高的時鍾誤差率,必須定期進行重新同步,以達到預期的通信性能。
- 噪聲中提取真值!瑞盟科技推出MSA2240電流檢測芯片賦能多元高端測量場景
- 10MHz高頻運行!氮矽科技發布集成驅動GaN芯片,助力電源能效再攀新高
- 失真度僅0.002%!力芯微推出超低內阻、超低失真4PST模擬開關
- 一“芯”雙電!聖邦微電子發布雙輸出電源芯片,簡化AFE與音頻設計
- 一機適配萬端:金升陽推出1200W可編程電源,賦能高端裝備製造
- 築基AI4S:摩爾線程全功能GPU加速中國生命科學自主生態
- 一秒檢測,成本降至萬分之一,光引科技把幾十萬的台式光譜儀“搬”到了手腕上
- AI服務器電源機櫃Power Rack HVDC MW級測試方案
- 突破工藝邊界,奎芯科技LPDDR5X IP矽驗證通過,速率達9600Mbps
- 通過直接、準確、自動測量超低範圍的氯殘留來推動反滲透膜保護
- 車規與基於V2X的車輛協同主動避撞技術展望
- 數字隔離助力新能源汽車安全隔離的新挑戰
- 汽車模塊拋負載的解決方案
- 車用連接器的安全創新應用
- Melexis Actuators Business Unit
- Position / Current Sensors - Triaxis Hall



