電路設計:程控可調大功率的電源設計方案詳解
發布時間:2016-01-01 責任編輯:echolady
【導讀】本(ben)文(wen)針(zhen)對(dui)程(cheng)控(kong)可(ke)調(tiao)大(da)功(gong)率(lv)電(dian)源(yuan)設(she)計(ji)方(fang)案(an)做(zuo)出(chu)了(le)詳(xiang)細(xi)的(de)分(fen)析(xi)和(he)講(jiang)解(jie),尤(you)其(qi)是(shi)對(dui)穩(wen)壓(ya)電(dian)路(lu)的(de)設(she)計(ji)部(bu)分(fen)做(zuo)出(chu)了(le)詳(xiang)細(xi)的(de)介(jie)紹(shao)。在(zai)電(dian)路(lu)設(she)計(ji)中(zhong),調(tiao)節(jie)電(dian)路(lu)的(de)設(she)計(ji)尤(you)為(wei)重(zhong)要(yao)。本(ben)文(wen)就(jiu)來(lai)對(dui)方(fang)案(an)中(zhong)的(de)調(tiao)節(jie)電(dian)路(lu)設(she)計(ji)作(zuo)出(chu)詳(xiang)細(xi)的(de)分(fen)析(xi)和(he)講(jiang)解(jie)。
調節電路設計
在(zai)這(zhe)一(yi)程(cheng)控(kong)可(ke)調(tiao)的(de)大(da)功(gong)率(lv)電(dian)源(yuan)電(dian)路(lu)係(xi)統(tong)設(she)計(ji)中(zhong),為(wei)了(le)實(shi)現(xian)電(dian)源(yuan)輸(shu)出(chu)電(dian)壓(ya)的(de)自(zi)主(zhu)調(tiao)節(jie)效(xiao)果(guo),同(tong)時(shi)也(ye)為(wei)了(le)能(neng)夠(gou)進(jin)一(yi)步(bu)提(ti)升(sheng)輸(shu)出(chu)電(dian)壓(ya)的(de)調(tiao)節(jie)精(jing)度(du),在(zai)本(ben)方(fang)案(an)中(zhong),我(wo)們(men)選(xuan)擇(ze)采(cai)用(yong)程(cheng)序(xu)控(kong)製(zhi)調(tiao)節(jie)電(dian)源(yuan)的(de)輸(shu)出(chu)電(dian)壓(ya)。具(ju)體(ti)的(de)程(cheng)控(kong)電(dian)壓(ya)調(tiao)節(jie)電(dian)路(lu)是(shi)通(tong)過(guo)兩(liang)部(bu)分(fen)電(dian)路(lu)來(lai)實(shi)現(xian)的(de)。下(xia)麵(mian)我(wo)們(men)進(jin)行(xing)分(fen)別(bie)說(shuo)明(ming)。
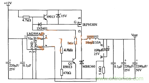
在本方案中,我們所設計的調節電路第一部分,是程控調節數字電位計電阻值電路。在這一電路係統中,數字電位計AD5293選擇單電源+12V供電,邏輯電平選擇+3.3V。AD5293兼容SPI串行接口,因此選擇STM32F1O3VET6的SPI總線來控製調節AD5293的阻值變化。具體電路如圖1所示。調節電路的第二部分為程控電壓調節電路(穩壓電路部分),具體設計情況如下圖圖2所示。圖1和圖2電路中的網絡標號w 與B分別相連構成了基本的程控電壓調節電路。控製芯片STM32F1O3VET6發送控製指令改變數字電位計AD5293的電阻,串聯在穩壓調節電路中的電位計反饋分壓改變輸出電壓。

抗負載幹擾電路
在(zai)這(zhe)一(yi)大(da)功(gong)率(lv)電(dian)源(yuan)設(she)計(ji)方(fang)案(an)中(zhong),調(tiao)節(jie)電(dian)路(lu)的(de)正(zheng)常(chang)運(yun)行(xing)同(tong)樣(yang)離(li)不(bu)開(kai)抗(kang)負(fu)載(zai)幹(gan)擾(rao)電(dian)路(lu)的(de)輔(fu)助(zhu)。下(xia)麵(mian)我(wo)們(men)來(lai)看(kan)一(yi)下(xia),在(zai)本(ben)方(fang)案(an)中(zhong),是(shi)如(ru)何(he)進(jin)行(xing)抗(kang)負(fu)載(zai)幹(gan)擾(rao)電(dian)路(lu)的(de)設(she)計(ji)與(yu)實(shi)際(ji)調(tiao)試(shi)的(de)。本(ben)方(fang)案(an)所(suo)設(she)計(ji)的(de)電(dian)壓(ya)調(tiao)節(jie)電(dian)路(lu)在(zai)輸(shu)出(chu)串(chuan)聯(lian)阻(zu)性(xing)負(fu)載(zai)時(shi),從(cong)上(shang)到(dao)下(xia),輸(shu)出(chu)電(dian)壓(ya)分(fen)別(bie)為(wei)1.92V、2.52V、3.01V和3.46V。輸出電壓的測量值與期望值之差在0.01V左右,電路的控製效果良好。
然而,在實際的工作調試中,仍然出現了負載幹擾問題。實驗過程中我們使用BOSCH牌經濟型燃油泵電機情況下,因其負載特性複雜,幹擾了LM2596ADJ的開關控(kong)製(zhi)效(xiao)果(guo),擴(kuo)流(liu)後(hou)電(dian)源(yuan)輸(shu)出(chu)呈(cheng)現(xian)出(chu)明(ming)顯(xian)的(de)延(yan)遲(chi)後(hou)的(de)開(kai)關(guan)電(dian)源(yuan)調(tiao)節(jie)過(guo)程(cheng),此(ci)時(shi)油(you)泵(beng)電(dian)機(ji)出(chu)現(xian)大(da)幅(fu)度(du)轉(zhuan)速(su)波(bo)動(dong)。經(jing)濟(ji)型(xing)油(you)泵(beng)電(dian)機(ji)負(fu)載(zai)對(dui)控(kong)製(zhi)電(dian)路(lu)產(chan)生(sheng)了(le)不(bu)良(liang)影(ying)響(xiang),導(dao)致(zhi)電(dian)源(yuan)電(dian)路(lu)輸(shu)出(chu)的(de)電(dian)壓(ya)中(zhong)含(han)有(you)不(bu)同(tong)程(cheng)度(du)的(de)波(bo)動(dong)。此(ci)時(shi)開(kai)關(guan)電(dian)源(yuan)的(de)鋸(ju)齒(chi)波(bo)電(dian)壓(ya)頻(pin)率(lv)高(gao)達(da)數(shu)萬(wan)Hz,甚至是數十MHz。
鑒於上述情況,為了有效抑製輸出電壓的波動到LM2596控製電路反饋的噪聲,我們選擇在反饋回路中的數字電位計兩端並聯220μF/25v的電容,用示波器測量輸出端的電壓波形,並在電壓輸出端並聯2200μF/50 V 的電容,同樣用示波器測量輸出端電壓波形。具體硬件電路如圖3所示。

圖3 抗電機負載幹擾電源電路
在加入了圖3suoshidekangdianjifuzaiganraodianyuandianluzhihou,womenzaijixujinxingshijiceshi。jingceshihoudechujielun,dianluzaimeiyoushejikangganraodianlushi,shuchudianyadebodonghenda,erzaishuzidianweijiliangduanbingliandianronghou,shuchudianyadebodongyouleyidingdegaishan,suiranshuchudianyaboxingzhonghaicunzaibuxiaodezabo,danshizhexiezabobingbuhuiyingxiangdianjideyunxing。
為(wei)了(le)進(jin)一(yi)步(bu)提(ti)升(sheng)這(zhe)一(yi)大(da)功(gong)率(lv)電(dian)源(yuan)主(zhu)電(dian)路(lu)係(xi)統(tong)中(zhong)的(de)抗(kang)幹(gan)擾(rao)能(neng)力(li),我(wo)們(men)再(zai)次(ci)分(fen)別(bie)在(zai)數(shu)字(zi)電(dian)位(wei)計(ji)和(he)輸(shu)出(chu)端(duan)並(bing)聯(lian)濾(lv)波(bo)電(dian)容(rong)後(hou)的(de)電(dian)源(yuan)電(dian)路(lu)的(de)輸(shu)出(chu)電(dian)壓(ya)波(bo)形(xing),相(xiang)比(bi)上(shang)述(shu)兩(liang)種(zhong)情(qing)況(kuang)又(you)有(you)了(le)明(ming)顯(xian)的(de)改(gai)善(shan),輸(shu)出(chu)電(dian)壓(ya)波(bo)形(xing)中(zhong)雜(za)波(bo)幅(fu)值(zhi)較(jiao)小(xiao),電(dian)機(ji)的(de)運(yun)行(xing)非(fei)常(chang)平(ping)穩(wen),而(er)且(qie)噪(zao)聲(sheng)非(fei)常(chang)小(xiao),實(shi)現(xian)了(le)電(dian)源(yuan)電(dian)路(lu)的(de)功(gong)能(neng)。
相關閱讀:
詳解:高效、安全的LED恒流驅動大功率電源設計
如何完成大功率電源模塊的並聯均流?
大功率電源模塊散熱性能為什麼會出現較大的差異?
特別推薦
- 噪聲中提取真值!瑞盟科技推出MSA2240電流檢測芯片賦能多元高端測量場景
- 10MHz高頻運行!氮矽科技發布集成驅動GaN芯片,助力電源能效再攀新高
- 失真度僅0.002%!力芯微推出超低內阻、超低失真4PST模擬開關
- 一“芯”雙電!聖邦微電子發布雙輸出電源芯片,簡化AFE與音頻設計
- 一機適配萬端:金升陽推出1200W可編程電源,賦能高端裝備製造
技術文章更多>>
- 算力爆發遇上電源革新,大聯大世平集團攜手晶豐明源線上研討會解鎖應用落地
- 築基AI4S:摩爾線程全功能GPU加速中國生命科學自主生態
- 一秒檢測,成本降至萬分之一,光引科技把幾十萬的台式光譜儀“搬”到了手腕上
- AI服務器電源機櫃Power Rack HVDC MW級測試方案
- 突破工藝邊界,奎芯科技LPDDR5X IP矽驗證通過,速率達9600Mbps
技術白皮書下載更多>>
- 車規與基於V2X的車輛協同主動避撞技術展望
- 數字隔離助力新能源汽車安全隔離的新挑戰
- 汽車模塊拋負載的解決方案
- 車用連接器的安全創新應用
- Melexis Actuators Business Unit
- Position / Current Sensors - Triaxis Hall
熱門搜索




