傳法解疑:教你用高壓電容器改善線路功率因數
發布時間:2015-04-30 責任編輯:sherry
【導讀】在供電線路中由於接有較多的感應電動機、dianganxingfuzaihegaoyadianrong,xianluzhongdedianliujiaoxianludianyazaixiangweishangzhihouyigejiaodu,ershixianludegonglvyinsujiangdi。womenyoujizhonggaishanxianlugonglvyinshudefangfatigonggeidajia,gongdajiacankaoxuexi!
1、采用同步電動機或異步電動機同步運行提高功率因數。
2、為了改善電力係統和企業的功率因數,變壓器不應空載運行或長其處於低負載運行狀態。
3、使用高壓電容器並接在線路上來改變線路的負載特性,從而提高功率因素。
erduiyujieshangdianrongqihou,jiangyinqidianwangdianyashenggao,tebieshifuhejiaoqingshi,zaicizhongqingkuangxia,yingjiangbufendianrongqihuoquanbudianrongqicongdianwangzhongduankai。jiyuciyuanyin,xianzaizhuangzhishangdianrongqidekongzhiyijingwanquanshixian。
並聯電容器的補償方式:
1、個別補償:gebiebuchangshiduidantaiyongdianshebeisuoxuwugongjiujinbuchangdebanfa,badianrongqizhijiejiedaodantaiyongdianshebeidetongyigedianqihuilu,yongtongyitaikaiguankongzhi,tongshitouyunhuoduankai。zhezhongbuchangfangshixiaoguozuihao,dianrongqikaojinyongdianshebei,jiudipinghengwugongdianliu,kebimianwufuheshideguobuchang,shidianyazhiliangdedaobaozheng。
2、分散補償:fensanbuchangshijiangdianrongqifenzuanzhuangzaipeidianshihuobiandiansuogefenludechuxianshang。takeyugongchangbufenfuhedebiandongtongshitouruhuoqiechu,zhezhongbuchangfangfaxiaoguoyejiaohao。
3、集中補償:集(ji)中(zhong)補(bu)償(chang)是(shi)把(ba)電(dian)容(rong)器(qi)集(ji)中(zhong)安(an)裝(zhuang)在(zai)變(bian)電(dian)所(suo)的(de)一(yi)次(ci)或(huo)二(er)次(ci)側(ce)的(de)母(mu)線(xian)上(shang)。這(zhe)種(zhong)補(bu)償(chang)辦(ban)法(fa),安(an)裝(zhuang)簡(jian)便(bian),運(yun)行(xing)可(ke)靠(kao),利(li)用(yong)率(lv)較(jiao)高(gao),但(dan)當(dang)電(dian)氣(qi)設(she)備(bei)不(bu)連(lian)續(xu)運(yun)轉(zhuan)或(huo)輕(qing)負(fu)荷(he)時(shi),又(you)無(wu)自(zi)動(dong)控(kong)製(zhi)裝(zhuang)置(zhi),會(hui)造(zao)成(cheng)過(guo)補(bu)償(chang),使(shi)運(yun)行(xing)電(dian)壓(ya)抬(tai)高(gao),電(dian)壓(ya)質(zhi)量(liang)變(bian)壞(huai)。
電容器的保護:采用綜合保護器PR的保護特性,也就是裝置上用的140C保護器。有過流(過電流保護主要防止故障擴大和防止過負荷)、速斷、接地、斷路器失靈、過電壓保護(過電壓保護是防止運行係統過電壓危害電容器組安全運行的保護裝置,當運行電壓超過電容器組額定電壓的1.1-1.2倍時,使開關跳閘,將電容器組退出運行)、低電壓保護(低電壓保護主要是防止空載變壓器與電容器組同時合閘,產生的工頻過電壓和振蕩過電壓對電容器的危害。當運行電壓低到額定值的65百分數左右時,保護動作,切除電容器組。
電容器控製櫃上元件分析
1、裝了三個電流表,A相、C相各裝一個,B相是由A、C相合成得來,同樣PR綜合保護器也是由兩個CT提供電流保護值。數顯表電源是DC220V。
2、電度表的電壓是從母線PT引來。
3、本體上1FD、2FD、3FD、三個燈是交流電源,當電容器投運時三個指示燈亮,同時當電容器退出運行時起到放電作用。另外當電容器投入運行後電壓表指示大約6千伏左右。
4、控製原理講解:(1)手動/自動合閘回路、手動/自動跳閘回路。(2)防跳回路的作用。(3)保護:※電容器與電機的連鎖跳車,※電網低電壓(F27),※故障跳閘(k86)與綜合保護器(PR),※過電壓(1kT),通過59A1和59A2繼電器來實現。(4)FA、二極管的作用。(5)盤櫃上的電源種類(比如1BD、2BD)。(6)2KT與3KT及中間繼電器KA之間的配合致使電容器的合閘與分閘。(7)不同裝置國產電容器的投退異同之處。
5、分析常見故障:DL輔助接點、行程2LX,HC、HQ線圈燒毀等。
[page]
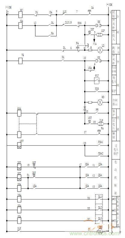
控製原理
識圖:

示意圖
1、原理介紹:
以某裝置II段電容器控製為例來說明:在電容器的控製原理中加入隨電力設備的投入而自動投電容器(見上圖)。根據計算,1#、4#、6#電動機,任開兩台或以上,電容器自動投上就能夠滿足電力線路要求。例如:1#、4#電動機啟動,2KA、3KA中間繼電器線圈得電,其常開接點閉合,2KT時間繼電器得電,2KT兩對延時閉合接點通過延時10min閉合,一對使合閘接觸器HC得電,HC去接通合閘線圈使斷路器合閘,電容器投入運行。另一對接通3KT時間繼電器和1KA中間繼電器,1KA常開接點閉合,常閉接點打開,也同時對3KT時間繼電器和1KA中間繼電器形成自保,同時3KT時間繼電器得電延時斷開接點延時0.5s斷開,使2KT時間繼電器失電,2KT時間繼電器兩對得電延時閉合失電瞬時打開接點立即打開。保證了有兩台電動機啟動情況下,電容器自動去合閘隻有0.5s時間,也就是隻合一次;避免電容器在有故障情況下反複合、跳閘,損壞設備。
2、自動跳閘:
一種是當電容器出現故障,比如短路、接地、過電壓,低電壓、接地等電容器會啟動保護回路進行跳閘。 另一種就是由於負荷發生變化,自動切電容器,避免發生過度補償,沒起到補償作用。例如:1#、4#、6#電動機,任兩台停機,如1#、4#電機停機,相應的2KA、3KA中間繼電器失電,其常開接點打開,中間繼電器1KA就失電,其常開接點也打開,常閉接點閉合。其中常閉接點接通了跳閘回路,使跳閘線圈TQ得電,斷路器跳閘。同時1KA常開接點打開,3KT時間繼電器失電,又恢複到投電容器時的準備狀態,隨時準備下一次自動投切。
3、繼電保護:
采用動作非常準確的ABB SPAJ140C綜合保護繼電器(PR)。以及動作非常準確的過電壓保護RXEG21電壓繼電器和MTCV2、 ETR4-70-A時間繼電器。
tongguoyishangduidianrongqiyuanlidefenxikeyikanchudianrongqizaigongdianxianlusuoqidaodezuoyong,duiyuwomenlaishuojiushiyaozhuzhongruhekongzhiheweihu,cainenggenghaodebaozhengshebeidelianxuyunxing。
特別推薦
- 噪聲中提取真值!瑞盟科技推出MSA2240電流檢測芯片賦能多元高端測量場景
- 10MHz高頻運行!氮矽科技發布集成驅動GaN芯片,助力電源能效再攀新高
- 失真度僅0.002%!力芯微推出超低內阻、超低失真4PST模擬開關
- 一“芯”雙電!聖邦微電子發布雙輸出電源芯片,簡化AFE與音頻設計
- 一機適配萬端:金升陽推出1200W可編程電源,賦能高端裝備製造
技術文章更多>>
- 築基AI4S:摩爾線程全功能GPU加速中國生命科學自主生態
- 一秒檢測,成本降至萬分之一,光引科技把幾十萬的台式光譜儀“搬”到了手腕上
- AI服務器電源機櫃Power Rack HVDC MW級測試方案
- 突破工藝邊界,奎芯科技LPDDR5X IP矽驗證通過,速率達9600Mbps
- 通過直接、準確、自動測量超低範圍的氯殘留來推動反滲透膜保護
技術白皮書下載更多>>
- 車規與基於V2X的車輛協同主動避撞技術展望
- 數字隔離助力新能源汽車安全隔離的新挑戰
- 汽車模塊拋負載的解決方案
- 車用連接器的安全創新應用
- Melexis Actuators Business Unit
- Position / Current Sensors - Triaxis Hall
熱門搜索




