電機控製交流感應電動機
發布時間:2014-09-15 責任編輯:echolady
【導讀】交流感應電動機是最受歡迎的汽車用於消費和工業應用,並代表了工業革命背後的“肌肉”。這個“無火花”的概念汽車首次構想尼古拉特斯拉在19世紀晚期兩個定子階段組成的多相結構的正交關係。它已經被修改為更常見的三相結構,導致電機的電壓和電流平衡操作。電機沒有電刷/像刷直流電機換向器結構,消除了所有與引發相關的問題,如電噪音、刷磨損、高摩擦,可靠性差。沒有磁鐵轉子和定子結構進一步增強了可靠性,也很經濟的生產。在高功率應用程序(如500馬力和更高版本),交流感應電動機是汽車存在之一,97%或huo更geng高gao的de效xiao率lv評ping級ji。然ran而er,在zai輕qing載zai條tiao件jian下xia,正zheng交jiao磁ci化hua電dian流liu所suo需xu的de轉zhuan子zi磁ci通tong代dai表biao著zhe一yi個ge龐pang大da的de部bu分fen定ding子zi電dian流liu,導dao致zhi降jiang低di效xiao率lv和he功gong率lv因yin數shu運yun行xing。
執行時最好與正弦電壓和電流驅動。其優點之一是令人難以置信的順利操作,他們可以提供低轉矩波動的結果。為了實現這一點,由開槽定子結構的繞組放置在槽正弦繞組分布,導致正弦流量分布的空隙。這個通量也鏈接轉子電路,它由銅或鋁棒兩端短路,並安裝在一個多層複合結構由軟鐵、或其他黑色金屬材料。在大多數情況下,電動機的效率可以增加通過減少轉子電阻。通量穿過這些導體,d-flux / dt整個轉子電壓的印象酒吧,導致轉子電流。換句話說,從定子轉子電路的電流感應電路;一樣,二次電流誘導標準變壓器的初級線圈。這個轉子電流產生的磁通,這與定子mmF產生轉矩。然而,為了實現這一目標d-flux / dt影響轉子,轉子不能以同樣的速度旋轉,旋轉的定子。因此,感應電動機分為異步電機。定子磁通矢量之間的不同轉速和轉子叫做滑動。隨著越來越多的電機軸的扭矩要求,滑動頻率增加。總之,電機的速度是一個函數的數量定子波蘭人,電機轉矩(因此感應電動機轉差率),和交流輸入電壓的頻率。
三相拓撲表示一個變速應用程序的理想選擇。三相逆變器常用圖表所示,在電機轉速可以通過控製不同的電壓和頻率應用波形(開環V /赫茲或標量控製)。此外,速度可以控製的包裝速度環在轉矩環將磁場定向控製(FOC)。前者可以很容易地實現經濟的設備如MSP430,但事實更適合一個強大的32位處理器如TI的C2000處理器。

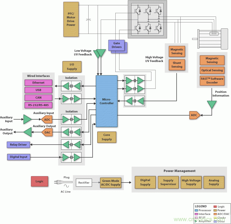
圖解:係統框圖
微控製器
C2000單片機設計理想的實時操作和高分辨率的脈寬調節器(pwm)精確地控製門的司機。12位,雙取樣保持的高速模數轉換器(adc)可以樣品任何傳感器輸入精度高。高性能pwm和adc的結合保證了低轉矩脈動和高效的電機控製。強大的C2000單片機核心架構支持數學算法的快速執行控製和矢量控製電機。
Stellaris單片機是基於廣泛使用的手臂皮質M3核心和所有motor-control-related外圍設備集成。Stellaris單片機有10位ADC和motor-control-specific PWM提供電機的高效控製。車載通信設備如USB、以太網使單片機作為網絡控製器能夠進行運動控製。
TMS570大力神安全單片機是基於廣泛使用的手臂皮質R4F構建核心和緩解的開發和認證安全關鍵係統。及和TMS570大力神安全單片機2 x 12位ADC。靈活的HET協同處理器提供motor-control-specific PWM提供電機的高效控製。車載通信設備如USB、以太網,可以使單片機作為網絡安全控製器進行運動控製。
隔離
TI數字光電隔離器邏輯輸入和輸出緩衝區由TI的二氧化矽(二氧化矽)隔離屏障,提供4 kV的隔離。與隔離電源一起使用,這些設備塊高電壓隔離,並防止噪聲電流進入當地的地麵和幹擾或破壞敏感電路。
接口/連接
傳統的模擬rs - 232 / rs - 485接口保持電機控製應用程序的流行選擇。展望未來,設計師正在整合主流,如以太網接口,USB接口,可以為他們的產品。TI致力於提供解決方案為傳統和新興工業接口。例如,TI最近介紹了ISO1050,世界上第一個孤立可以收發器。
電源管理
德州儀器提供電源管理IC解決方案從標準ICs高性能、插件,電源塊,數字功率場效應管和集成功率模塊。從AC / DC和DC / DC電源、線性監管者和non-isolated開關直流/直流監管者PMICs和權力並顯示解決方案,德州儀器電源管理IC解決方案可以幫助您完成您的項目。
相關閱讀:
國內現行軌道交通安全門係統驅動電機控製方案
電機控製——考官磁阻電機與有刷直流電機
能夠為交流電機控製提供簡單轉化的電機控製器
相關閱讀:
國內現行軌道交通安全門係統驅動電機控製方案
電機控製——考官磁阻電機與有刷直流電機
能夠為交流電機控製提供簡單轉化的電機控製器
特別推薦
- 噪聲中提取真值!瑞盟科技推出MSA2240電流檢測芯片賦能多元高端測量場景
- 10MHz高頻運行!氮矽科技發布集成驅動GaN芯片,助力電源能效再攀新高
- 失真度僅0.002%!力芯微推出超低內阻、超低失真4PST模擬開關
- 一“芯”雙電!聖邦微電子發布雙輸出電源芯片,簡化AFE與音頻設計
- 一機適配萬端:金升陽推出1200W可編程電源,賦能高端裝備製造
技術文章更多>>
- 築基AI4S:摩爾線程全功能GPU加速中國生命科學自主生態
- 一秒檢測,成本降至萬分之一,光引科技把幾十萬的台式光譜儀“搬”到了手腕上
- AI服務器電源機櫃Power Rack HVDC MW級測試方案
- 突破工藝邊界,奎芯科技LPDDR5X IP矽驗證通過,速率達9600Mbps
- 通過直接、準確、自動測量超低範圍的氯殘留來推動反滲透膜保護
技術白皮書下載更多>>
- 車規與基於V2X的車輛協同主動避撞技術展望
- 數字隔離助力新能源汽車安全隔離的新挑戰
- 汽車模塊拋負載的解決方案
- 車用連接器的安全創新應用
- Melexis Actuators Business Unit
- Position / Current Sensors - Triaxis Hall
熱門搜索
微波功率管
微波開關
微波連接器
微波器件
微波三極管
微波振蕩器
微電機
微調電容
微動開關
微蜂窩
位置傳感器
溫度保險絲
溫度傳感器
溫控開關
溫控可控矽
聞泰
穩壓電源
穩壓二極管
穩壓管
無焊端子
無線充電
無線監控
無源濾波器
五金工具
物聯網
顯示模塊
顯微鏡結構
線圈
線繞電位器
線繞電阻



