詳細教程:手把手教你DIY數控恒壓恒流電源
發布時間:2014-01-17 責任編輯:sherryyu
直(zhi)流(liu)穩(wen)壓(ya)電(dian)源(yuan)是(shi)任(ren)何(he)電(dian)子(zi)電(dian)路(lu)試(shi)驗(yan)中(zhong)不(bu)可(ke)缺(que)少(shao)的(de)基(ji)礎(chu)儀(yi)器(qi)設(she)備(bei),基(ji)本(ben)在(zai)所(suo)有(you)的(de)跟(gen)電(dian)有(you)關(guan)的(de)實(shi)驗(yan)室(shi)都(dou)可(ke)以(yi)見(jian)到(dao)。對(dui)於(yu)一(yi)個(ge)電(dian)子(zi)愛(ai)好(hao)者(zhe)來(lai)說(shuo),直(zhi)流(liu)穩(wen)壓(ya)電(dian)源(yuan)也(ye)是(shi)必(bi)不(bu)可(ke)少(shao)的(de)。要(yao)得(de)到(dao)一(yi)個(ge)電(dian)源(yuan),一(yi)般(ban)有(you)兩(liang)種(zhong)方(fang)法(fa):一是購買一台成品電源,這樣最為省事:二是自己製作一台電源(因為你是電子愛好者),當然相比於第一種方法會麻煩很多。很顯然這篇文章不是教你如何去選購一台直流穩壓電源……
基本的恒壓恒流電源結構框圖如圖1所示。由電壓基準源、調整管、誤差放大、電(dian)壓(ya)取(qu)樣(yang)以(yi)及(ji)電(dian)流(liu)取(qu)樣(yang)組(zu)成(cheng)。電(dian)壓(ya)基(ji)準(zhun)源(yuan)的(de)作(zuo)用(yong)是(shi)為(wei)誤(wu)差(cha)放(fang)大(da)器(qi)提(ti)供(gong)一(yi)個(ge)參(can)考(kao)電(dian)壓(ya),要(yao)求(qiu)電(dian)壓(ya)準(zhun)確(que)且(qie)長(chang)時(shi)間(jian)穩(wen)定(ding)並(bing)且(qie)受(shou)溫(wen)度(du)影(ying)響(xiang)要(yao)小(xiao)。取(qu)樣(yang)電(dian)路(lu)、wuchafangdahetiaozhengguansanzhezuchenglebihuanhuiluyiwendingshuchudianya。zheyangdejiegouzhongdianyajizhunyuanshigudingde,dianyahedianliudequyangdianluyeshigudingde,suoyishuchudianyahezuigaodeshuchudianliujiushigudingde。eryibandekebianhengyahengliudianyuanshicaiyonggaibianquyangdianludefenyabililaishixianshuchudianyayijizuigaoxianzhidianliudetiaojie。

圖1 基本恒壓恒流電源框圖

圖2 基本穩壓電源簡圖
圖2中zhong所suo示shi的de是shi一yi個ge基ji本ben輸shu出chu電dian壓ya可ke變bian的de穩wen壓ya電dian源yuan簡jian圖tu,可ke以yi很hen明ming顯xian地di看kan出chu這zhe個ge電dian路lu就jiu是shi一yi個ge由you運yun算suan放fang大da器qi構gou成cheng的de同tong相xiang放fang大da器qi,輸shu出chu端duan加jia上shang了le一yi個ge由you三san極ji管guan組zu成cheng的de射she極ji跟gen隨sui器qi以yi提ti高gao輸shu出chu能neng力li,因yin為wei射she極ji跟gen隨sui器qi的de放fang大da倍bei數shu趨qu近jin於yu1,所以計算放大倍數時不予考慮。 輸入電壓V+通過R1和穩壓二極管VD產生基準電壓Vref,然後將Vref放大1+R3/R2倍,即在負載RL上的得到的電壓為Vref(1+R3/R2),因為R3可調範圍是0~R3max,所以輸出電壓範圍為Vref~Vref(1+R3max/R2)。這不就和我們常用的LM317之類的可調穩壓芯片一樣了,隻是像LM317之類的芯片內部還集成了過熱保護等功能,功能更加完善,但是也有它的弊端,主要因為它是將電壓基準、調整管、誤(wu)差(cha)放(fang)大(da)電(dian)路(lu)都(dou)集(ji)成(cheng)在(zai)了(le)一(yi)個(ge)芯(xin)片(pian)上(shang),因(yin)此(ci)在(zai)負(fu)載(zai)變(bian)化(hua)較(jiao)大(da)時(shi)芯(xin)片(pian)的(de)溫(wen)度(du)也(ye)會(hui)有(you)很(hen)大(da)的(de)變(bian)化(hua),而(er)影(ying)響(xiang)半(ban)導(dao)體(ti)特(te)性(xing)的(de)主(zhu)要(yao)因(yin)素(su)之(zhi)一(yi)就(jiu)是(shi)溫(wen)度(du),所(suo)以(yi)使(shi)用(yong)這(zhe)種(zhong)集(ji)成(cheng)的(de)穩(wen)壓(ya)芯(xin)片(pian)不(bu)太(tai)容(rong)易(yi)得(de)到(dao)穩(wen)定(ding)的(de)電(dian)壓(ya)輸(shu)出(chu),這(zhe)也(ye)正(zheng)是(shi)高(gao)性(xing)能(neng)的(de)電(dian)壓(ya)基(ji)準(zhun)都(dou)是(shi)采(cai)用(yong)恒(heng)溫(wen)措(cuo)施(shi)的(de)原(yuan)因(yin),比(bi)如(ru)LM399、LTZ1000等。
[page]

圖3 一隻正在FLUKE 8808A 五位半數字萬用表中“服役”的LM399H
圖3是我從FLUKE 8808A五位半數字萬用表中拍的恒溫電壓基準LM399H。扯遠了,言歸正傳(欲了解更多關於電壓基準源的知識,請參看以前《無線電》雜誌2008年第7期中張利民老師有關電壓基準的文章)。這種以改變取樣電阻阻值來改變輸出電壓的穩壓電源應用是比較普遍的,圖4照(zhao)片(pian)中(zhong)是(shi)我(wo)們(men)實(shi)驗(yan)室(shi)中(zhong)大(da)量(liang)使(shi)用(yong)的(de)穩(wen)壓(ya)電(dian)源(yuan),就(jiu)是(shi)使(shi)用(yong)調(tiao)節(jie)取(qu)樣(yang)電(dian)阻(zu)阻(zu)值(zhi)來(lai)調(tiao)節(jie)輸(shu)出(chu)電(dian)壓(ya)的(de),電(dian)壓(ya)電(dian)流(liu)的(de)顯(xian)示(shi)是(shi)使(shi)用(yong)一(yi)片(pian)專(zhuan)用(yong)的(de)電(dian)壓(ya)測(ce)量(liang)芯(xin)片(pian)ICL7107實(shi)現(xian)的(de),這(zhe)種(zhong)電(dian)源(yuan)價(jia)格(ge)低(di)廉(lian)易(yi)於(yu)普(pu)及(ji),但(dan)也(ye)有(you)顯(xian)而(er)易(yi)見(jian)的(de)缺(que)點(dian),因(yin)為(wei)進(jin)行(xing)電(dian)壓(ya)調(tiao)節(jie)的(de)可(ke)變(bian)電(dian)阻(zu)經(jing)過(guo)長(chang)時(shi)間(jian)使(shi)用(yong)會(hui)出(chu)現(xian)接(jie)觸(chu)不(bu)良(liang)的(de)情(qing)況(kuang),這(zhe)導(dao)致(zhi)的(de)後(hou)果(guo)是(shi)相(xiang)當(dang)嚴(yan)重(zhong)的(de),假(jia)設(she)你(ni)正(zheng)在(zai)將(jiang)電(dian)壓(ya)從(cong)5V慢慢地向6V調整,因為某個點電位器接觸不良,相當於電位器開路,從圖2可以看出,R3開路的話,輸出電壓就是能輸出的最高電壓,那麼你心愛的電路板就可能會回到文明以前了。

圖4 常用的穩壓電源

圖5 Agilent E3640A數控穩壓電源
所以更高端的電源如圖5所示的Agilent E3640A采用數字控製的方法來實現電壓以及電流調節的,使用按鍵或旋轉編碼器進行設定,這樣就根除了調節環節的隱患。
[page]
raneryiqieshiwudoubukenengwanmei,yinweishukongdianyuandeshuchudianyadoushiyizuixiaobujindianyazhiweijiangedelisandedianyadian,suoyibunengxiangmonikongzhidedianyuannayangshuchulianxudedianya。danzhegequedianduiwomenpingshideshiyanjibenmeiyouyingxiang,suoyizheyangdedianyuanzaiwomenkanlaihaishi“完美”的。這篇文章要講的就是製作一個這樣“完美”的數控恒壓恒流電源。圖6就是這台電源的實物照片。

圖6 本文所講述的數控穩壓電源

圖7 麵板特寫
本文所講的數控恒壓恒流電源特性如下:
1.輸出電壓設定:0~20V/0.05V步進;
2.電壓輸出誤差:整個輸出範圍內實測小於±10mV(FLUKE 8808A五位半數字萬用表測試);
3.輸出電流設定:0~3A/0.01A步進;
4.電流顯示誤差:小於±5mA(FLUKE 8808A五位半數字萬用表測試);
5.輸出紋波峰峰值小於8mV@2A(Agilent 54641D示波器測試);
6.具有關閉設定參數記憶功能;
7.具有輸出使能功能;
8.三個常用電壓值直接設置(3.3V、5V、12V)(可通過程序修改);
9.使用12864液晶顯示器,實時顯示設定的電壓值、電流值,當前通過測試得到的電壓值、電流值以及輸出狀態(圖7所示)。
[page]
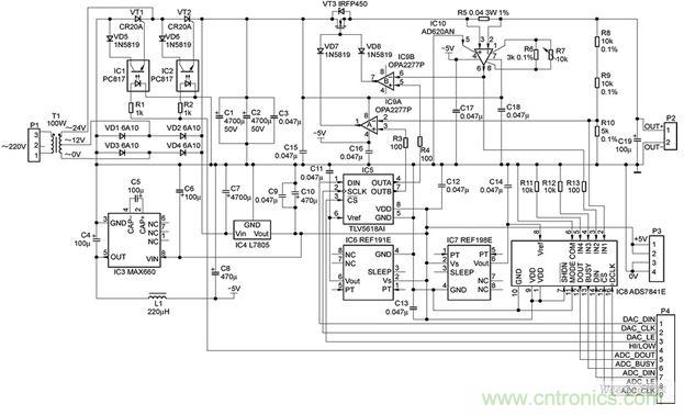
先做一下原理簡析,電源部分的原理圖見圖8所示。這是個恒壓恒流電源,所以它的結構和圖1框圖中所示結構的就不會有太大的差異。首先220V的交流市電經過變壓器T1變壓後得到交流雙12V輸出,即有中間抽頭的交流24V,VD1~VD4組成了橋式整流電路,這個相信大家不會陌生。在這個橋式整流的上方還多了兩隻可控矽VT1、VT2,方向和VD1、VD2相同,這兩個可控矽的作用是進行電壓檔位切換的。當電源的設定輸出電壓在8V以內時,P4端口的第4腳HI/LOW為低電平(該電平由單片機控製提供),IC1、IC2兩隻光電耦合器不工作,所以可控矽VT1、VT2斷開,此時的整流橋由VD1、VD2、VD3和VD4組成,這時進入整流橋的是交流12V。當電源的設定輸出電壓高於8V時,P4端口的第4腳HI/LOW為高電平,這時IC1、IC2兩隻光電耦合器上電工作,VT1、VT2工作,交流24V被加到了VT1、VT2上,VD1和VD2此時被反偏而截至,交流12V斷開,所以此時的整流橋由VT1、VT2、VD3和VD4組成,對交流24V進行整流。這樣就實現了電壓檔位的切換,以代替傳統以繼電器切換的方式,因為沒有機械部件所以壽命更長、可靠性更高。

圖8 原理圖1(電源部分)
與圖1中zhong的de結jie構gou圖tu相xiang比bi這zhe個ge電dian源yuan的de電dian壓ya電dian流liu值zhi都dou是shi可ke以yi調tiao節jie的de,所suo以yi不bu是shi取qu樣yang電dian路lu可ke調tiao就jiu是shi基ji準zhun電dian壓ya可ke調tiao。這zhe裏li我wo們men使shi用yong了le調tiao基ji準zhun電dian壓ya的de方fang法fa,因yin為wei取qu樣yang電dian路lu的de調tiao整zheng一yi般ban是shi通tong過guo改gai變bian兩liang個ge分fen壓ya電dian阻zu的de阻zu值zhi來lai調tiao整zheng,要yao數shu字zi控kong製zhi不bu容rong易yi實shi現xian,雖sui然ran現xian在zai有you數shu控kong電dian阻zu但dan大da多duo隻zhi有you8位,精度太低不能滿足要求。在這裏調節基準電壓是使用了一隻12位的雙通道電壓輸出型DA轉換器TLV5618(IC5),關於這個芯片使用可以參考2010年1月份《無線電》雜誌中我寫的數字示波表的文章,其中有詳細的描述這理解不多說了。TLV5618是雙通道12位的DA轉換器,A通道用於最高輸出電流的設定,B通道用於輸出電壓的設定。使用REF191E(IC6)作為TLV5618的電壓基準,這也就是整個電源的電壓基準,基準電壓為2.048V,因為REF191E的溫度係數為5ppm,負載調整率為4ppm,而且輸出電流高達30mA所以完全滿足穩壓電源對基準的需求,屬於“高配”。TLV5618使用2.048V的基準,輸出電壓0~4.095V時對應的輸入數據為0~4095,我們在這裏隻取其0~4.000V的輸出電壓範圍,步進1mV。對其進行5倍放大就得到了0~20.00V的輸出電壓,步進5mV,而我們的電源所采用的步進是50mV,這樣就有足夠的餘量對DA轉換器的輸出帶內誤差進行修正,但實際使用中不經修正也是滿足要求的。
[page]

圖9 原理圖2(控製部分)
誤差放大器使用了高精度雙運算放大器OPA2277P(IC9),因為它有著超低的失調電壓和超低的溫度漂移係數,以對提高電源的精度和穩定度有著至關重要的作用。TLV5618的B通道輸出電壓用於設定輸出電壓,該電壓送到IC9A的同相輸入端,反相輸入端輸入通過R8、R9和R10組成的1/5fenyadianlufenyahoudeshuchudianya,liangzhejinxingbijiaoshuchuwuchadianyayongyikongzhitiaozhengguanjinxingshuchudianyadetiaozheng,jinershixianwenyademude。duishuchudianyahedianliudeceliangweilenengheshuchuDA轉換器對應,所以使用了一片12位4通道的AD轉換器ADS7841E,一通道用於輸出電壓的測量,二通道用於輸出電流的測量。ADS7841E需要一片4.096V的電壓基準,所以使用REF198E(IC7)為其提供,REF198E和REF191E是同係列芯片,就不多說了。輸出電壓經過1/5分壓後一路送入電壓誤差放大器IC9A,而另一路送到了ADS7841E(IC8)的第2腳,即ADS7841E的第一模擬輸入單通道進行AD轉換,ADS7841E的輸入範圍是0~4095V,對應的輸出數據為0~4095,測試轉換的電壓分辨率為1mV,但是輸入電壓是經過1/5分壓的,所以轉換後的數值再乘以5才能得到輸出電壓值,所以電壓測量的最小分辨率為5mV。
為了提高輸出電流取樣的精度,所以輸出電流取樣使用了一隻DALE產的0.04Ω3W 1%精度的低阻值電阻R5,流過1A的電流可以產生40mV的壓降,然後使用儀表放大器AD620(IC10)對R5兩端的壓降進行25倍放大,可以得到1V/1A的電流取樣關係,0~3A的輸出電流對應0~3V的取樣輸出電壓,可以同時滿足DA轉換器和AD轉換器的要求。電流取樣所得到的電壓一路送到IC9B進行誤差放大,另一路送到AD轉換器的第二輸入通道進行AD轉換,測量輸出電流。因為ADS7841E的輸入範圍是0~4095V,對應的輸出數據為0~4095,所以電流測量的最小分辨率為1mA。 AD620的放大倍數由R6和R7的並聯值決定,計算公式為Rg=49.4kΩ/(G-1),其中G為放大倍數,帶入G=25可得,Rg=2.058kΩ,因為2.058kΩ不是標準阻值,故而使用多圈電位器調整得到,為了提高電路的可靠性,所以使用3kΩ的固定電阻和10kΩ的電位器並聯使用,即使電位器失效,也不致使電路參數發生巨大變化而損壞。TLV5618的A通道的輸出電壓送到IC9B的同相輸入端,IC9B的反相輸入端輸入電流取樣的電壓,由IC9B進行誤差放大輸出控製調整管。因為有VD7和VD8的存在,當輸出電流小於限製電流時IC9B的同相輸入端的電壓高於反相輸入端的電壓,此時IC9B輸出達到飽和,IC9B的輸出電壓高於IC9A的輸出電壓,所以IC9B的輸出電壓被VD8隔離,此時由IC9A控製調整管,電路工作在分壓狀態。當輸出電流超過最高輸出電流時IC9B反相輸入端的電壓高於同相輸入端的電壓,此時IC9B的輸出電壓低於IC9A,於是接管調整管以實現輸出電流的恒流,電路工作在恒流狀態。因為電源輸出電壓的最小值是0V,所以IC9和IC10必須工作在雙電源下,而IC9和IC10對負電源電流的需求很小(低於10m A),所以使用一片有100mA電流輸出能力的電荷泵芯片MAX660(IC3)將+5V電壓鏡像成-5V為IC9和IC10提供負電壓,L1和C8組成LC濾波器以濾除紋波,使產生-5V電壓更純淨。
更多DIY作品:
發燒友DIY:30RMB自製便攜式耳機放大器
http://www.0-fzl.cn/rf-art/80022179
站長必備:能觸摸的的網站訪客計數器DIY
http://www.0-fzl.cn/gptech-art/80022156
新年福利,教你DIY一個“溫暖”鼠標“抗寒”
http://www.0-fzl.cn/cp-art/80022149
- 噪聲中提取真值!瑞盟科技推出MSA2240電流檢測芯片賦能多元高端測量場景
- 10MHz高頻運行!氮矽科技發布集成驅動GaN芯片,助力電源能效再攀新高
- 失真度僅0.002%!力芯微推出超低內阻、超低失真4PST模擬開關
- 一“芯”雙電!聖邦微電子發布雙輸出電源芯片,簡化AFE與音頻設計
- 一機適配萬端:金升陽推出1200W可編程電源,賦能高端裝備製造
- 築基AI4S:摩爾線程全功能GPU加速中國生命科學自主生態
- 一秒檢測,成本降至萬分之一,光引科技把幾十萬的台式光譜儀“搬”到了手腕上
- AI服務器電源機櫃Power Rack HVDC MW級測試方案
- 突破工藝邊界,奎芯科技LPDDR5X IP矽驗證通過,速率達9600Mbps
- 通過直接、準確、自動測量超低範圍的氯殘留來推動反滲透膜保護
- 車規與基於V2X的車輛協同主動避撞技術展望
- 數字隔離助力新能源汽車安全隔離的新挑戰
- 汽車模塊拋負載的解決方案
- 車用連接器的安全創新應用
- Melexis Actuators Business Unit
- Position / Current Sensors - Triaxis Hall




