低成本,高效率且可快速關斷的門驅動變壓器電路設計
發布時間:2013-10-17 責任編輯:sherryyu
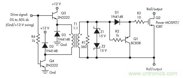
menqudongbianyaqidejueyuanxinghewendingxinghao,jingchangyongyuqudongbanqiaogonglvdianlu。danshiyaorangtamendouguanduanyiduanshijian,henyoutiaozhan。yibanhuijiayigedianzu,xiaohaogengduodegonglvhechengben。zenmeban?meiguodegaoshoulike.馬力給了這個電路圖設計。

到MOSFET的驅動信號可以從50%一直到零,當T1充電的後,第二個通過D1輸送電流,給門充電。鬆開後,第二個輸送一個低功耗的負峰,然後到零。Q2的門仍然有電,Q1關斷Q2的源電流,這樣,門就可以迅速地放電。
相關閱讀:
設計實例:電源高頻變壓器設計步驟詳解
http://0-fzl.cn/power-art/80021581
怎樣抑製變壓器雷電過電壓
http://0-fzl.cn/cp-art/80020676
- 噪聲中提取真值!瑞盟科技推出MSA2240電流檢測芯片賦能多元高端測量場景
- 10MHz高頻運行!氮矽科技發布集成驅動GaN芯片,助力電源能效再攀新高
- 失真度僅0.002%!力芯微推出超低內阻、超低失真4PST模擬開關
- 一“芯”雙電!聖邦微電子發布雙輸出電源芯片,簡化AFE與音頻設計
- 一機適配萬端:金升陽推出1200W可編程電源,賦能高端裝備製造
- 築基AI4S:摩爾線程全功能GPU加速中國生命科學自主生態
- 一秒檢測,成本降至萬分之一,光引科技把幾十萬的台式光譜儀“搬”到了手腕上
- AI服務器電源機櫃Power Rack HVDC MW級測試方案
- 突破工藝邊界,奎芯科技LPDDR5X IP矽驗證通過,速率達9600Mbps
- 通過直接、準確、自動測量超低範圍的氯殘留來推動反滲透膜保護
- 車規與基於V2X的車輛協同主動避撞技術展望
- 數字隔離助力新能源汽車安全隔離的新挑戰
- 汽車模塊拋負載的解決方案
- 車用連接器的安全創新應用
- Melexis Actuators Business Unit
- Position / Current Sensors - Triaxis Hall






