具有較好EMC性能的直流不間斷電源係統
發布時間:2013-01-09 責任編輯:Lynnjiao
【導讀】本文所介紹的直流不間斷電源係統可靠性高,具有較好的EMC性(xing)能(neng),電(dian)池(chi)檢(jian)測(ce)方(fang)案(an)簡(jian)易(yi),控(kong)製(zhi)操(cao)作(zuo)方(fang)便(bian),剩(sheng)餘(yu)時(shi)間(jian)的(de)預(yu)測(ce)方(fang)法(fa)簡(jian)單(dan)實(shi)用(yong),軟(ruan)硬(ying)件(jian)的(de)設(she)計(ji)簡(jian)單(dan)而(er)靈(ling)活(huo)。通(tong)過(guo)在(zai)變(bian)電(dian)站(zhan)現(xian)場(chang)使(shi)用(yong)的(de)情(qing)況(kuang)看(kan)來(lai),效(xiao)果(guo)很(hen)好(hao)。
在(zai)變(bian)電(dian)站(zhan)中(zhong),直(zhi)流(liu)電(dian)源(yuan)對(dui)變(bian)電(dian)站(zhan)的(de)二(er)次(ci)設(she)備(bei)以(yi)及(ji)變(bian)電(dian)站(zhan)的(de)實(shi)時(shi)通(tong)信(xin)非(fei)常(chang)重(zhong)要(yao)。如(ru)果(guo)直(zhi)流(liu)電(dian)源(yuan)不(bu)可(ke)靠(kao),會(hui)導(dao)致(zhi)繼(ji)電(dian)保(bao)護(hu)失(shi)靈(ling),造(zao)成(cheng)停(ting)電(dian)麵(mian)積(ji)擴(kuo)大(da),也(ye)使(shi)得(de)通(tong)信(xin)出(chu)錯(cuo),以(yi)致(zhi)發(fa)生(sheng)更(geng)大(da)的(de)事(shi)故(gu),為(wei)此(ci),要(yao)求(qiu)其(qi)有(you)較(jiao)高(gao)的(de)可(ke)靠(kao)性(xing)。通(tong)常(chang),采(cai)用(yong)儲(chu)能(neng)電(dian)容(rong)或(huo)蓄(xu)電(dian)池(chi)作(zuo)後(hou)備(bei)電(dian)源(yuan),並(bing)且(qie)直(zhi)接(jie)作(zuo)為(wei)直(zhi)流(liu)輸(shu)出(chu),但(dan)輸(shu)出(chu)電(dian)能(neng)質(zhi)量(liang)不(bu)高(gao),而(er)且(qie)電(dian)池(chi)管(guan)理(li)複(fu)雜(za)。因(yin)此(ci),本(ben)文(wen)采(cai)用(yong)帶(dai)蓄(xu)電(dian)池(chi)的(de)開(kai)關(guan)電(dian)源(yuan)提(ti)高(gao)電(dian)源(yuan)的(de)可(ke)靠(kao)性(xing),同(tong)時(shi)輸(shu)出(chu)電(dian)能(neng)質(zhi)量(liang)高(gao),滿(man)足(zu)通(tong)信(xin)的(de)要(yao)求(qiu)。一(yi)般(ban)情(qing)況(kuang)下(xia),蓄(xu)電(dian)池(chi)的(de)管(guan)理(li)是(shi)一(yi)件(jian)非(fei)常(chang)複(fu)雜(za)的(de)工(gong)作(zuo),該(gai)係(xi)統(tong)采(cai)用(yong)PIC16C73單片機來實現電池管理,管理方案簡單可靠。
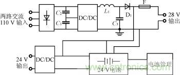
24V直流不間斷電源係統
24V配電網專用不間斷電源係統示意圖如圖1所示。

圖1:變電站配電網專用24V直流電源係統示意圖
電源係統的性能指標
兩路交流輸入 90~130V;
可以用於變電站小型直流電機啟動;
輸出直流24±0.03V;
實時檢測電池工作參數,遠程監控;
負載電流3A時備用時間≥10h;
可以遠程,現場實現電池管理操作;
工作溫度範圍-40℃~+80℃。
電源係統的各個模快
1)前一級是半橋DC/DC電路,用作充電器。為提高可靠性,輸入為兩路交流110V,可以工作在交流90~130V,輸出為直流28V(蓄電池在充電狀態下),既用於對蓄電池充電,又可以通過蓄電池啟動小型的直流電機。開關管采用晶體管2SC2625,控製芯片采用TL494。電路自激啟動過程:直流母線上的分壓電阻使得2SC2625的VBE≥0.6V,晶體管導通,電路開始自激,輔組繞組上建立瞬時電壓,使得TL494工作,電路進入正常工作狀態。
2)後一級DC/DC電路采用推挽電路結構,變壓器雙向磁化,有效防止磁飽和。由於電池端電壓可以在21V~27V之間變化,該電路可以實現升降壓調節,使輸出電壓穩定在24V,滿足負載要求。
3)電池管理模塊采用PIC16C73,其框圖如圖2所示。PIC16C73是Microchip公司推出的PIC8位中檔單片機,僅35條單字節指令,自帶5個A/D轉換模塊,穩定性好,可以工作在惡劣的環境。

圖2:電池管理框圖
通過采樣電路,實時將電池的端電壓,放電電流,充電電流,電池溫度,交流停電,充電器故障信號等送給PIC16C73處理。處理後的數據可以送給現場的LCD顯示,以便現場巡檢;數據送給上位機,可以實現遠程監控。
4)開關電源集成控製器TL494可以輸出兩路互補的脈衝控製信號,也可以實現單端輸出。最小死區為3%而且可調,內有穩壓和過流保護運放。
電池管理方案及功能實現
電池管理部分硬件圖如圖3所示。

圖3:電池管理部分硬件圖
電池容量的選擇
按滿足交流停電狀態下持續放電的要求。在廠家提供蓄電池容量變換係數Kc的條件下,采用式(1)計算容量C
C=IG/(KcδTδK) (1)
式中:I為按配電網最大負荷電流設計;
G為蓄電池獨立供電時間,由配電網可靠性等級決定;
δT為蓄電池放電容量溫度係數,在15~25℃環境溫度下,溫度每增高或降低1℃時,容量隨溫度變化增加或減小0.006至0.007的額定容量,δT=1+0.006(T-25℃);
δK為蓄電池衰老係數,一般取0.8。
根據以上原則,並結合實際應用場合,本係統選擇了2個12A•h/12V的鉛酸蓄電池串聯。
電池管理的硬件實現
交流上電後,一方麵通過R4和D3對蓄電池充電,同時為後一級提供輸入,此時繼電器K1吸合,但由於D4反偏,蓄電池不對負載放電;在交流停電或蓄電池放電狀態時,D1反偏截止,此時蓄電池通過繼電器觸點及D4對負載供電。當檢測到電池電壓≤21V時,停止供電,係統處於完全停電狀態,應當避免這種情況的發生。R7和R8用來檢測電池的充放電電流。在充電狀態下,28V直流輸出恒定,當處於放電狀況下,該輸出會有變化的。
1)直流啟動 在交流失電的情況下,可以直接按一下S1,蓄電池為負載供電,同時,R5端為高電平,繼電器K1吸合,即使S1斷開,也不會中斷供電,對S1形成自鎖。
2)放電控製 由(you)於(yu)在(zai)大(da)多(duo)數(shu)情(qing)況(kuang)下(xia),電(dian)池(chi)處(chu)於(yu)充(chong)電(dian)狀(zhuang)態(tai),這(zhe)對(dui)於(yu)電(dian)池(chi)的(de)使(shi)用(yong)壽(shou)命(ming)有(you)很(hen)大(da)的(de)影(ying)響(xiang)。因(yin)此(ci),在(zai)一(yi)定(ding)的(de)時(shi)間(jian)裏(li)應(ying)使(shi)電(dian)池(chi)放(fang)電(dian)。在(zai)該(gai)係(xi)統(tong)中(zhong),放(fang)電(dian)分(fen)手(shou)動(dong)放(fang)電(dian)和(he)自(zi)動(dong)定(ding)時(shi)放(fang)電(dian)。定(ding)時(shi)的(de)長(chang)短(duan)根(gen)據(ju)用(yong)戶(hu)的(de)要(yao)求(qiu)而(er)定(ding),一(yi)般(ban)定(ding)為(wei)60天,單片機內部計時器計時到達後,給出放電信號。放電信號通過硬件電路,在R3端並上一電阻R1,使得TL494腳1的電位上升,控製脈衝變窄,輸出電壓變低,使D1處於反偏截止,此時,蓄電池單獨對負載供電,前一級DC/DC相當於空載狀態。根據電池廠家的建議,將電池的放電終了電壓設為10.5V×2=21V,當檢測到蓄電池電壓≤21V時,撤銷放電信號,充電器對蓄電池充電,同時為負載提供能量。
3)電機啟動 由(you)於(yu)電(dian)機(ji)啟(qi)動(dong)所(suo)需(xu)的(de)電(dian)流(liu)較(jiao)大(da),在(zai)此(ci)係(xi)統(tong)中(zhong)通(tong)過(guo)蓄(xu)電(dian)池(chi)放(fang)電(dian)來(lai)達(da)到(dao)這(zhe)個(ge)目(mu)的(de)。在(zai)啟(qi)動(dong)前(qian),人(ren)為(wei)發(fa)出(chu)一(yi)個(ge)信(xin)號(hao),使(shi)充(chong)電(dian)器(qi)的(de)電(dian)壓(ya)下(xia)跌(die),此(ci)時(shi)蓄(xu)電(dian)池(chi)投(tou)入(ru)工(gong)作(zuo)。
4)充電電壓可控 改變蓄電池的充電電壓即是改變充電器的輸出,而在R3端並接不同的電阻R1,R2即可改變輸出電壓,用戶可以根據需要自行設定電壓。
電池的參數檢測
1)充電電流Ic和放電電流Id 當蓄電池處於充電狀態時,由於D4的箝位作用,負載電流Io完全由充電器提供,此時R7的端電壓UR7=IoR7,Id=0,IR8=Io+Ic,取R7=R8則
Ic=(UR8-UR7)/R7;
當由蓄電池單獨供電時,D4的箝位作用消失,此時UR8=0,Ic=0,因此,Id=Io=UR7/R7,所以,隻要將UR7和UR8通過差分放大器得到0~5V的電流信號,送至PIC16C73的兩個A/D轉換通道,通過微處理器的處理,可以檢測任一時刻的Ic和Id。
2)電池電壓 由於采用兩個12V電池串聯,所以,應分別檢測蓄電池端壓,電壓輸出通過電阻分壓獲得電壓采樣值。當檢測到電池電壓UB1(UB2)出現|(UB1-12)|/12≥δ0(δ0是均衡率,此處取4%)時,表示該電池電壓充電不均衡,應采取相應的措施。
3)電池溫度 采用AD590溫度傳感器,將溫度采樣值送到單片機,當檢測到電池溫度超過80℃的時間大於10min時,立即撤銷放電控製信號,並將R5的高電平變為低電平,使繼電器斷開。
4)電池容量 電池容量檢測問題一直是蓄電池管理中的難點,通常的做法有:基於電動勢的容量預測、基於電池內阻的容量預測、同時基於電池內阻與電動勢的容量預測、基於電流放電率的容量預測、基於電流時間積分的容量預測等。在本係統中,由於負載的變化遵從Io=0.2n(n為並聯負載的個數),因此,容量檢測采用電流時間積分的容量預測,會使檢測簡單可行。電池放電容量CΔ= Iddt,由於負載的投切,電流發生變化遵從固定的規律,所以CΔ=0.2n1t1+0.2n2t2(n1t1,n2t2為不同負載作用的時間)。如果知道電池放電前的初始容量Co的話,則變化後的電池容量Cx=Co-CΔ。這種方法相對比較簡單,容易實現,而且可以采用係統本身所具有的電流采樣電路,無需外加特殊設備。
剩餘時間的預測
電池容量預測的目的是為了獲得電池係統能夠提供的工作時間的相關信息,因此,實際上我們隻須知道在當前條件下(電壓、電流、溫度)電池係統還能夠提供的工作時間。在某一時刻,電壓、電流、wenduzhikeyiceliangdedao,name,womenjiunengyucegaidianchizaicidianliuxiahengliufangdiandekechixushijian,jixitongzhongyouzheyangyizhangbiao,jiangdianyafenchengjidang,dianliuyefenchengjidang,rubiao1所列。
表1:電池容量預測表

表中的t(n,m)為以Im放電,電壓達到Vn時所剩的時間
xitongsuoyaozuodegongzuojiushijianggaibiaotianman,bingqiegenjumouyishikededuandianyahedianliu,conggaibiaozhongjisuanchugaidianchizaigaidianliuxiahainenggouyunxingdeshijian。dianyadianliudefendangqujiandedaxiaojuedingledianchishengyurongliangyucedejingdu。xiamianyi12A•h/12V的鉛酸電池為例來說明該係統的工作過程。
1)表格的初始化 初始化可以由兩種方法,其一,通過電池廠商提供的電池放電曲線獲得數據;qier,jiushicongyunxingzhonghuodeshuju。chushihuashujubingbuxuyaojiangbiaogetianman,danshichushihuashujudeduoguajuedinglexitongyunxingchuqishengyurongliangyucedezhunquedu。womenjiangdianliufenwei4檔:0.05C/0.1C/0.15C/0.2C,而電壓以0.1V分為一檔。
2)修正電壓 在不同的放電電流時,電池內阻以及極化電壓是不同的,因此,首先必須獲得不同放電電流下的修正電壓。以0.05C為基準,對電池進行放電實驗,得出不同電壓點的修正電壓。
3)預測剩餘時間 根據初始化的結果,獲得預測表中的一部分數據,如果從預測表中已知t(V1,I2)時,預測以I1放電達到V1時剩餘的時間,采用換算公式(2)預測。
t(V1,I1)=t(V1-Vx2+Vx1,I2)×I2/I1(2)
式中:t(V1,I1)是以I1放電,當電池電壓達到V1時剩餘的時間;
Vxn是各電流相應的修正電壓。
I2的選擇考慮就近的原則以保證預測的準確度。選擇最近一次放電結果進行預測,例如:上次用0.1C放電,這次要預測0.2C,則I2取0.1C。這是因為電池的物理化學狀態隨時在變,時間越靠近,結果應該越準確。該方法預測剩餘時間的誤差在15min以下,在實際應用中可以提高時間和電壓的測量精度從而提高預測的準確度。
4)預測表的修正 預測表的修正在電池放電至截至電壓時進行分為幾種情況:
(1)放電結束前,電池恒流放電,對該恒流值下的放電預測表進行修正;
(2)放電完畢前,電池經過幾種電流放電,通過時間折算公式(2)修正這幾種電流相應電壓預測表;
(3)在不同溫度下,按-4mV/℃進行修正。
圖4為剩餘時間預測程序流程圖。

圖4:剩餘時間預測程序流程圖
這種預測方法的優點在於:
——不需要大量的預設曲線;
——不需要增加多餘的測量設備,充分利用原有係統的電壓電流測量係統;
——隨著運行時間的增加,預測準確度增加;
——這種預測方法可以根據需要調整存儲器的容量,以提高精度。
- 噪聲中提取真值!瑞盟科技推出MSA2240電流檢測芯片賦能多元高端測量場景
- 10MHz高頻運行!氮矽科技發布集成驅動GaN芯片,助力電源能效再攀新高
- 失真度僅0.002%!力芯微推出超低內阻、超低失真4PST模擬開關
- 一“芯”雙電!聖邦微電子發布雙輸出電源芯片,簡化AFE與音頻設計
- 一機適配萬端:金升陽推出1200W可編程電源,賦能高端裝備製造
- 築基AI4S:摩爾線程全功能GPU加速中國生命科學自主生態
- 一秒檢測,成本降至萬分之一,光引科技把幾十萬的台式光譜儀“搬”到了手腕上
- AI服務器電源機櫃Power Rack HVDC MW級測試方案
- 突破工藝邊界,奎芯科技LPDDR5X IP矽驗證通過,速率達9600Mbps
- 通過直接、準確、自動測量超低範圍的氯殘留來推動反滲透膜保護
- 車規與基於V2X的車輛協同主動避撞技術展望
- 數字隔離助力新能源汽車安全隔離的新挑戰
- 汽車模塊拋負載的解決方案
- 車用連接器的安全創新應用
- Melexis Actuators Business Unit
- Position / Current Sensors - Triaxis Hall




