支持輸入OVP的熱調節電池充電器的設計
發布時間:2012-12-19 責任編輯:Lynnjiao
【導讀】電池容量是電池電壓的函數,電壓越高,容量就越大。不過,如果電池電壓升高,就會導致電池使用壽命縮短。
例如,如果用4.3 V電壓給電池充電,那麼容量就會提高10%,但電池使用壽命會縮短一半。另一方麵,如果電池充電不足,比理想電壓狀態低40 mV,那麼容量就會降低約8%。因此,非常精準的電池充電電壓至關重要。
充電曲線適用於鋰離子電池充電,它包括3個充電階段:預充階段、快充恒流(CC)階段、恒壓(CV)終止階段。在預充階段,在電池電壓低於3.0 V時,電池以較低速率充電。通常情況下,當電池電壓達到3.0 V,充電器就會進入CC階段。快速充電階段CC通常限製在1 C電池額定值以下。如果充電率超過1 C,那麼電池使用壽命就會縮短,因為節點上積存的金屬鋰會與電解質發生反應,造成永久損失。最後,充電器會進入CV階段,這時它將保持峰值電池電壓,並在充電電流下降到預定義大小時終止充電。
支持輸入OVP的熱調節電池充電器
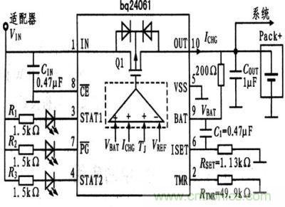
圖1為支持熱調節和輸入OVP的低成本單獨線性電池充電器電路。該充電器能將適配器的DC電壓降到電池電壓水平。線性充電器的功耗計算公式:
充電器從預充階段轉向快充模式時,輸入電壓與電池電壓之間有較大差值,這時功耗會達到最高。例如,如果用5 V適配器來給1 200 mAh鋰離子電池充電,那麼在1 A充電電流與3.2 V電池電壓下的最大功耗為1.8 W。如果采用3 mmx3 mm QFN封裝,熱阻抗為47℃/W,這樣的功耗會造成85℃的溫度提升。在45℃環境溫度下,結溫超過125℃的工作溫度極限。在充電開始階段,很難將結溫控製在安全散熱範圍內。隨著電池電壓在充電階段不斷升高,功耗也會下降。充電進入CV模式後,功耗會進一步下降,而充電電流也開始下降。
如何改進設計才能確保充電器在安全散熱範圍內正常工作呢?更高級的電池充電器(如bq2406x與bq2403x)引入了熱調節環路,可避免充電器過熱。內部芯片溫度達到預定義的溫度閾值後(如110℃),器件溫度隻要進一步提升就會使充電電流下降。這有助於限製功耗,並為充電器提供熱保護。使IC結溫升高到熱調節的最大功耗取決於PCB板布局、散熱通孔的數量以及環境溫度。從圖2看出,1.2 s之後,熱環路會在2 s內將有效充電電流從1.2 A降至600 mA。

圖1:支持熱調節與輸入OVP的充電器
熱調節通常在快充早期階段進行,不過如果在CV模(mo)式(shi)下(xia)器(qi)件(jian)仍(reng)然(ran)工(gong)作(zuo)的(de)話(hua),充(chong)電(dian)電(dian)流(liu)會(hui)過(guo)早(zao)達(da)到(dao)充(chong)電(dian)終(zhong)止(zhi)閾(yu)值(zhi)。為(wei)了(le)避(bi)免(mian)充(chong)電(dian)誤(wu)終(zhong)止(zhi),隻(zhi)要(yao)散(san)熱(re)調(tiao)節(jie)回(hui)路(lu)在(zai)工(gong)作(zuo),電(dian)池(chi)充(chong)電(dian)終(zhong)止(zhi)功(gong)能(neng)就(jiu)會(hui)被(bei)禁(jin)用(yong)。此(ci)外(wai),降(jiang)低(di)有(you)效(xiao)充(chong)電(dian)電(dian)流(liu)會(hui)延(yan)長(chang)電(dian)池(chi)充(chong)電(dian)時(shi)間(jian),如(ru)果(guo)充(chong)電(dian)安(an)全(quan)計(ji)時(shi)器(qi)有(you)固(gu)定(ding)設(she)置(zhi)的(de)話(hua),就(jiu)會(hui)過(guo)早(zao)終(zhong)止(zhi)充(chong)電(dian)。bq2406x采用動態安全計時器控製電路,能在熱調節階段有效延長安全時間,並盡可能降低安全計時器的故障率。從圖3中可以看出,熱調節模式下安全計時器的響應與有效充電電流成反比。
啟用電池充電功能後,內部電路會生成與ISET引腳設置的實際充電電流成正比的電流。電阻器RSET上生成的電壓反映的是充電電流。該電壓可由主機監控,以獲取充電電流信息。
weililizidianchichongdiandeshipeiqiyouhenduozhong。dijiaweishipeiqidewenyashuchukenengbutailixiang,kongzaixiadeshuchudianyayegaoyuzhengchangfuzaiqingkuang。ciwai,zaidianchirecharenqingkuangxia,chongdianqishurudianyahuidadaoshipeiqidianyadeliangbei,zheshiyouxianlandianganhedianchichongdianqishurudianrongjiandegongzhenzaochengde。weilezaishurudianyagaoyuyudingyiyuzhishitigaoanquandu,bq2406x充電器的輸入OVP功能將禁止充電。
LDO模式(TMR引腳開路時)可禁止充電終止電路或電池檢測電路工作。並將安全定時器時鍾保持在複位狀態。該模式通常用於無電池或正在進行測試的工作環境。

圖2:采用熱調節技術的充電電流

圖3:熱調節中的動態安全計時器
許多應用都要求在電池充電同時給係統供電。如圖l所示,係統直接連接到電池充電輸出,係統和充電器間的相互影響會使安全計時器生成錯誤充電終止信息。圖4為能夠解決上述問題的典型應用電路。這裏有兩個獨立的電源路徑,一個給電池充電,另一個給係統供電。如果AC適配器不可用,那麼電池放電MOSFET在R4和C2設置的時間延遲之後就會打開,這樣電池就能給係統供電了。

圖4:電源路徑管理的電池充電器
支持熱調節功能的線性電池充電器能顯著提高散熱設計與安全性。利用輸入OVP機製,隻有經過認可的適配器才能給電池充電,從而提高係統安全性。
- 噪聲中提取真值!瑞盟科技推出MSA2240電流檢測芯片賦能多元高端測量場景
- 10MHz高頻運行!氮矽科技發布集成驅動GaN芯片,助力電源能效再攀新高
- 失真度僅0.002%!力芯微推出超低內阻、超低失真4PST模擬開關
- 一“芯”雙電!聖邦微電子發布雙輸出電源芯片,簡化AFE與音頻設計
- 一機適配萬端:金升陽推出1200W可編程電源,賦能高端裝備製造
- 三星上演罕見對峙:工會集會討薪,股東隔街抗議
- 摩爾線程實現DeepSeek-V4“Day-0”支持,國產GPU適配再提速
- 築牢安全防線:智能駕駛邁向規模化應用的關鍵挑戰與破局之道
- GPT-Image 2:99%文字準確率,AI生圖告別“鬼畫符”
- 機器人馬拉鬆的勝負手:藏在主板角落裏的“時鍾戰爭”
- 車規與基於V2X的車輛協同主動避撞技術展望
- 數字隔離助力新能源汽車安全隔離的新挑戰
- 汽車模塊拋負載的解決方案
- 車用連接器的安全創新應用
- Melexis Actuators Business Unit
- Position / Current Sensors - Triaxis Hall

