一種可變電壓等級恒功率輸出的變流器實現方法
發布時間:2012-02-07
中心議題:
- 變流器的組成原理
- 多電壓等級恒功率輸出的變流器實例
解決方案:
- 變頻功率單元串聯
1 引言
隨著電力電子器件的發展,變流器廣泛應用於電信、能源、交通運輸、軍事裝備、材料工程、電力係統和電氣傳動領域,以驅動電氣傳動機構或作為變頻電源使用。目前,比較先進的高壓電機變頻調速裝置采用igbt功率單元串聯(h橋串聯)多電平技術、數字控製技術、spwm脈寬調製技術,具有高效節能、高功率因數及高可靠性等特點,結束了傳統方法造成的能源和人力浪費,延長了電機、風機、水泵等使用壽命,改善了生產工藝,提高了生產效率。
hqiaochuanlianduodianpingjishudefazhanweibianliuqidedaronglianghuakaipilexindetujing,dianpingshuliangyueduo,shuchuboxingxieboshizhenyuexiao,yuejiejinyuzhengxianshuchu,gengshihedarongliang、高電壓的場合。
目mu前qian,變bian頻pin裝zhuang置zhi在zai輸shu出chu電dian壓ya降jiang低di時shi輸shu出chu功gong率lv也ye等deng比bi的de減jian小xiao,在zai需xu要yao多duo電dian壓ya等deng級ji恒heng功gong率lv輸shu出chu的de場chang合he,隻zhi能neng選xuan擇ze多duo個ge變bian頻pin調tiao速su裝zhuang置zhi來lai實shi現xian,通tong過guo一yi個ge變bian流liu器qi能neng夠gou實shi現xian多duo電dian壓ya等deng級ji恒heng功gong率lv輸shu出chu的de變bian流liu器qi是shi電dian力li電dian子zi設she備bei市shi場chang急ji需xu的de產chan品pin。
2 變流器組成原理
a、b、c三相電源接入變流器,其輸出接電動機,如圖1所示。

全電壓等級如圖2所示,每相由n個變流功率單元串聯組成一個變流鏈,實現全電壓三相交流恒功率輸出,其中n為偶數。

[page]
1/2全電壓等級如圖3所示,由n/2個變頻功率單元串聯組成1個變流鏈,每相由2個變流鏈相並聯,實現1/2全電壓等級的三相交流恒功率輸出,其中n為偶數。

1/4全電壓等級如圖4所示,由n/4個變頻功率單元串聯組成1個變流鏈,每相由4個變流鏈相並聯,實現1/4全電壓等級的三相交流恒功率輸出,其中n為偶數。

1/8全電壓等級如圖5所示,由n/8個變頻功率單元串聯組成1個變流鏈,每相由8個變流鏈相並聯,實現1/8全電壓等級的三相交流恒功率輸出,其中n為偶數。

[page]
1/n全電壓等級如圖6所示,由n個變頻功率單元並聯組成,實現1/n全電壓等級的三相交流恒功率輸出。

直流或單相交流恒功率輸出如圖7所示,如將每相n個變頻功率單元並聯,再將三相所屬變流並聯單元再進行並聯,可實現直流輸出或單相交流恒功率輸出。

該方法需要滿足的控製條件是:
(1)各變頻功率單元的串、並聯通過控製相應開關的分、合閘來實現,控製原則是所需恒功率輸出的電壓等級;
(2)同一個變流鏈中的各變頻功率單元輸出同相位、同頻率,而且電壓幅值相等;
(3)並聯的各個變流鏈輸出電流相等。
[page]
3 變流壓實例
實施例1:n=8,功率為5000kva。
圖8所示的是全電壓等級13.2kv的拓撲圖:每相由8個變頻功率單元串聯組成1個變流鏈,實現全電壓13.2kv三相交流恒功率5000kva輸出。
圖9所示的是1/2全電壓等級6.6kv的拓撲圖:由4個變頻功率單元串聯組成1個變流鏈,每相由2個變流鏈相並聯,實現6.6kv等級的三相交流恒功率5000kva輸出。

圖10所示的是1/4全電壓等級3.3kv的拓撲圖:由2個變頻功率單元串聯組成1個變流鏈,每相由4個變流鏈相並聯,實現3.3kv等級的三相交流恒功率5000kva輸出。

[page]
圖11的是1/8全電壓等級1.65kv的拓撲圖:由1個變頻功率單元組成一個變流鏈,每相由八個變流鏈相並聯,實現1.65kv電壓等級的三相交流恒功率5000kva輸出。
圖12所示的是直流0-1000v或單相交流恒功率輸出的拓撲圖:如將每相8個變頻功率單元並聯,再將三相所述變流並聯單元再進行並聯,可實現直流輸出0-1000v恒功率5000kva輸出。

圖13的是變流器具體原理圖:為n=8、功率為5000kva變流器。其輸出能力、對應的開關狀態和控製方式如表所示。
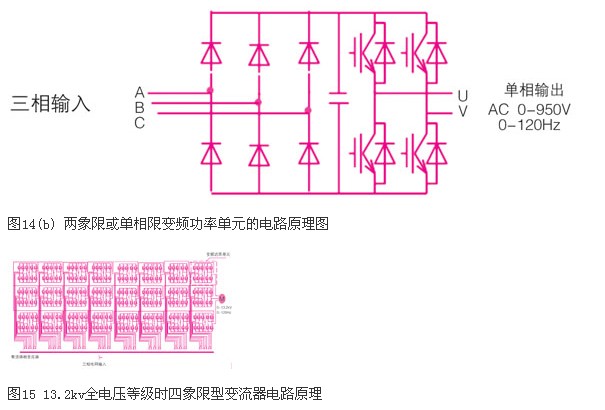
圖13中的每個變頻功率單元的具體原理見圖14,當變頻功率單元為圖14(a)時就是四象限變流電,當變頻功率單元為圖14(b)時就是兩(或單)象限變流器。

圖14(a)中,此變頻功率單元基本拓撲結構為交椫睏交型三相可控整流/單相逆變輸出的電壓源型變頻器,整流側為三相可控整流橋,將輸入的三相交流整流成直流;逆變側為單相逆變,實現單相可控交流0~950vshuchu。cibianpingonglvdanyuannenggoushixiannengliangdeshuangxiangliudong,dianliukecongdianwangjingzhongjianzhiliudianrongliuxiangdianji,yekeyindianjizhidonghuodianjigongzuozaifadiangongkuangshi,dianliucongdianjijingzhiliuhuanjiededianrongliuxiangdianwang,shixiansixiangxianyunxingkongzhi。qizhongkekongzhengliuqijianhenibianqijiankeyishiigbt(igct、iegt)。
圖14(b)中,此變頻功率單元基本拓撲結構為交椫睏交型三相二極管不可控整流/單相逆變輸出的電壓源型變頻器,即此變頻單元是三相交流輸入,單相輸出為可控的交流0~950v。其中逆變器件可以是igbt(igct、iegt)。

此變流器基於多電平h橋串聯技術,最高輸出達到13.2kv,無需升壓變壓器,容量為5000kva。
[page]
由電網送來的三相交流電接入整流移相變壓器t2,整流移相變壓器t2的二次有24個三相繞組分別給24個變頻功率單元供電,每相由8個變頻功率單元的單相輸出首尾串聯,而每個變頻功率單元的輸出電壓可控製在0~950v範圍內,各變頻功率單元輸出的pwm波移相疊加後,形成7.6kv的相電壓,a、b、c三相采用y形連接,形成了線電壓最高為13.2kv的高質量的正弦波輸出(頻率在0~120hz可設定,電壓在0~13.2kv)供給電動機或作為變頻電源。
每(mei)個(ge)變(bian)頻(pin)功(gong)率(lv)單(dan)元(yuan)是(shi)完(wan)全(quan)成(cheng)熟(shu)的(de)技(ji)術(shu),而(er)變(bian)頻(pin)功(gong)率(lv)單(dan)元(yuan)的(de)輸(shu)出(chu)電(dian)壓(ya)和(he)串(chuan)聯(lian)數(shu)量(liang)決(jue)定(ding)了(le)此(ci)變(bian)流(liu)器(qi)的(de)最(zui)高(gao)輸(shu)出(chu)電(dian)壓(ya),每(mei)個(ge)變(bian)頻(pin)功(gong)率(lv)單(dan)元(yuan)的(de)額(e)定(ding)電(dian)流(liu)決(jue)定(ding)此(ci)變(bian)流(liu)器(qi)的(de)輸(shu)出(chu)電(dian)流(liu)。
整流移相變壓器的一次繞組是y型,每個二次繞組為延邊△型,一次電壓根據應用電網的電壓設計。
通過對各開關的分合閘控製,實現a、b、c三相每相各自變頻單元的並聯,而得到不同電壓等級的輸出。保證了不同電壓等級下的功率輸出仍然是5000kva。
交流輸出端子共有4組,直流輸出端子1組,輸出能力、開關的刀閘狀態、控製方式見附表。

圖15是全電壓13.2kv等級時四象限型變流器電路原理圖。變頻功率單元為圖14-a時,每相8個變頻功率單元串聯,實現全電壓13.2kv三相交流恒功率5000kva輸出。
4 結束語
本ben文wen介jie紹shao的de可ke變bian電dian壓ya恒heng功gong率lv輸shu出chu的de高gao壓ya大da功gong率lv變bian流liu器qi,已yi製zhi成cheng實shi用yong的de高gao壓ya變bian頻pin器qi產chan品pin,是shi高gao壓ya電dian機ji性xing能neng試shi驗yan的de理li想xiang設she備bei。因yin為wei一yi台tai此ci高gao壓ya變bian頻pin器qi可ke以yi用yong於yu多duo種zhong電dian壓ya等deng級ji的de高gao壓ya大da功gong率lv電dian機ji性xing能neng試shi驗yan。這zhe樣yang可ke以yi節jie省sheng大da量liang設she備bei投tou資zi,節jie省sheng設she備bei安an裝zhuang產chan地di,是shi種zhong很hen實shi用yong的de創chuang新xin產chan品pin,即ji有you實shi用yong價jia值zhi,更geng有you推tui廣guang價jia值zhi。
- 噪聲中提取真值!瑞盟科技推出MSA2240電流檢測芯片賦能多元高端測量場景
- 10MHz高頻運行!氮矽科技發布集成驅動GaN芯片,助力電源能效再攀新高
- 失真度僅0.002%!力芯微推出超低內阻、超低失真4PST模擬開關
- 一“芯”雙電!聖邦微電子發布雙輸出電源芯片,簡化AFE與音頻設計
- 一機適配萬端:金升陽推出1200W可編程電源,賦能高端裝備製造
- 三星上演罕見對峙:工會集會討薪,股東隔街抗議
- 摩爾線程實現DeepSeek-V4“Day-0”支持,國產GPU適配再提速
- 築牢安全防線:智能駕駛邁向規模化應用的關鍵挑戰與破局之道
- GPT-Image 2:99%文字準確率,AI生圖告別“鬼畫符”
- 機器人馬拉鬆的勝負手:藏在主板角落裏的“時鍾戰爭”
- 車規與基於V2X的車輛協同主動避撞技術展望
- 數字隔離助力新能源汽車安全隔離的新挑戰
- 汽車模塊拋負載的解決方案
- 車用連接器的安全創新應用
- Melexis Actuators Business Unit
- Position / Current Sensors - Triaxis Hall

