第三講:TVS二極管的典型應用及實例分析
發布時間:2012-01-29 來源:CNT Networks
中心議題:
- TVS應用的三大特點及注意事項
- TVS的典型應用電路介紹
- TVS在熱插拔電路中的應用實例
- TVS在汽車電源線保護中的應用
- TVS應用效能最佳化措施
相關性閱讀:
【Class1】常用過壓、過流、過溫保護器件之選型技巧
http://www.0-fzl.cn/art/artinfo/id/80015099
【Class2】保險絲的應用方案及常見問題解答
http://www.0-fzl.cn/art/artinfo/id/80015226
瞬態電壓抑製器(TVS)具有響應時間快、瞬態功率大、漏電流低、擊穿電壓偏差小、箝位電壓較易控製、無損壞極限、體積小等優點。目前已廣泛應用於計算機係統、通訊設備、交/直流電源、汽車、家用電器、儀器儀表等各個領域。本文將結合TVS應用的特點及使用注意事項,介紹TVS的幾種典型應用電路,並通過TVS在熱插拔電路保護和汽車電源線保護中應用的實例,來詳細探討如何正確應用TVS和使TVS的應用效能最佳。
在實際的應用電路中,處理瞬時脈衝對器件損害的最好辦法,就是將瞬時電流從敏感器件引開。為達到這一目的,將TVS在線路板上與被保護線路並聯。這樣,當瞬時電壓超過電路正常工作電壓後,TNS將發生雪崩擊穿,從而提供給瞬時電流一個超低阻抗的通路,其結果是瞬時電流通過TVS被引開,從而避開被保護器件,並且在電壓恢複正常值之前使被保護回路一直保持截止電壓。在此之後,當瞬時脈衝結束以後,TVS二極管再自動恢複至高阻狀態,整個回路進入正常電壓狀態。
1 TVS應用的三大特點
1)將TVS二極管加在信號及電源線上,能防止微處理器或單片機因瞬間的脈衝,如靜電放電效應、交流電源之浪湧及開關電源的噪音所導致的失靈。
2)靜電放電效應能釋放超過10000V、60A以上的脈衝,並能持續10ms;而一般的TTL器件,遇到超過30ms的10V脈衝時,便會導至損壞。利用TVS二極管,可有效吸收會造成器件損壞的脈衝,並能消除由總線之間開關所引起的幹擾(Crosstalk)。
3)將TVS二極管放置在信號線及接地間,能避免數據及控製總線受到不必要的噪音影響。
2 TVS管在使用中應注意的事項
對瞬變電壓的吸收功率(峰值)與瞬變電壓脈衝寬度間的關係。手冊給的隻是特定脈寬下的吸收功率(峰值),而實際線路中的脈衝寬度則變化莫測,事前要有估計。對寬脈衝應降額使用。
對(dui)小(xiao)電(dian)流(liu)負(fu)載(zai)的(de)保(bao)護(hu),可(ke)有(you)意(yi)識(shi)地(di)在(zai)線(xian)路(lu)中(zhong)增(zeng)加(jia)限(xian)流(liu)電(dian)阻(zu),隻(zhi)要(yao)限(xian)流(liu)電(dian)阻(zu)的(de)阻(zu)值(zhi)適(shi)當(dang),不(bu)會(hui)影(ying)響(xiang)線(xian)路(lu)的(de)正(zheng)常(chang)工(gong)作(zuo),但(dan)限(xian)流(liu)電(dian)阻(zu)對(dui)幹(gan)擾(rao)所(suo)產(chan)生(sheng)的(de)電(dian)流(liu)卻(que)會(hui)大(da)大(da)減(jian)小(xiao)。這(zhe)就(jiu)有(you)可(ke)能(neng)選(xuan)用(yong)峰(feng)值(zhi)功(gong)率(lv)較(jiao)小(xiao)的(de)TVS管來對小電流負載線路進行保護。
對重複出現的瞬變電壓的抑製,尤其值得注意的是TVS管的穩態平均功率是否在安全範圍之內。
3 TVS的典型應用電路
3.1 TVS在交流電路中的應用
圖1所示是一個雙向TVS在交流電路中的應用電路。應用TVS可以有效地抑製電網帶來的過載脈衝,從而起到保護整流橋及負載中所有元器件的作用。圖1中的TVS箝位電壓應不大於電路的最大允許電壓。

圖1 雙向TVS在交流電路中的應用電路
3.2 用TVS保護直流穩壓電源
圖2是一個直流穩壓電源,在其穩壓輸出端加上TVS,可ke以yi保bao護hu使shi用yong該gai電dian源yuan的de儀yi器qi設she備bei,同tong時shi還hai可ke以yi吸xi收shou電dian路lu中zhong晶jing體ti管guan的de集ji電dian極ji到dao發fa射she極ji間jian的de峰feng值zhi電dian壓ya,從cong而er保bao護hu晶jing體ti管guan。建jian議yi在zai每mei個ge穩wen壓ya源yuan的de輸shu出chu端duan增zeng加jia一yi個geTVS管,這樣可以大幅度地提高整機的可靠性。

圖2 TVS保護直流穩壓電源
[page]
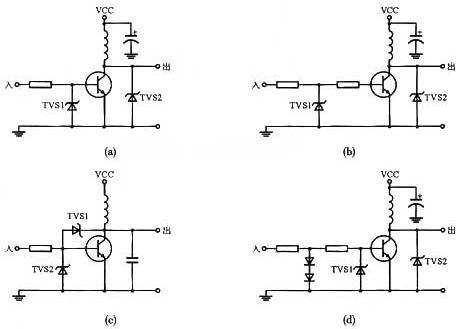
3.3 用TVS保護晶體管電路
各種瞬變電壓能使晶體管的EB結或CE結擊穿而損壞,特別是晶體管集電極有感性(線圈、變壓器、電動機)負載時,通常會產生高壓反電勢,因而可能使晶體管損壞。在實際應用中,建議采用TVS作為保護器件。圖3所示為TVS保護晶體管的四種電路實例。

圖3 TVS保護晶體管電路
3.4 用TVS保護集成運放
集(ji)成(cheng)運(yun)放(fang)對(dui)外(wai)界(jie)電(dian)應(ying)力(li)非(fei)常(chang)敏(min)感(gan)。因(yin)此(ci),在(zai)使(shi)用(yong)運(yun)放(fang)的(de)過(guo)程(cheng)中(zhong),如(ru)果(guo)因(yin)操(cao)作(zuo)失(shi)誤(wu)或(huo)采(cai)取(qu)了(le)不(bu)正(zheng)常(chang)的(de)工(gong)作(zuo)條(tiao)件(jian),往(wang)往(wang)會(hui)出(chu)現(xian)過(guo)大(da)的(de)電(dian)壓(ya)或(huo)電(dian)流(liu),特(te)別(bie)是(shi)浪(lang)湧(yong)和(he)靜(jing)電(dian)脈(mai)衝(chong),從(cong)而(er)很(hen)容(rong)易(yi)使(shi)運(yun)放(fang)受(shou)損(sun)或(huo)失(shi)效(xiao)。圖(tu)4所示是用TVS在運放差模輸入端防止過壓損傷的保護電路。

圖4 TVS在運放差模輸入端防止過壓損傷的保護電路
推薦閱讀:TVS的典型應用電路
http://www.0-fzl.cn/art/artinfo/id/80006676?page=2
4 TVS的應用實例
4.1 TVS用於熱插拔電路保護
在熱插拔應用中,TVS主(zhu)要(yao)用(yong)作(zuo)需(xu)要(yao)被(bei)中(zhong)斷(duan)的(de)差(cha)模(mo)電(dian)流(liu)的(de)接(jie)地(di)分(fen)流(liu)路(lu)徑(jing)。熱(re)插(cha)拔(ba)係(xi)統(tong)常(chang)被(bei)用(yong)在(zai)分(fen)布(bu)式(shi)電(dian)源(yuan)係(xi)統(tong)中(zhong)提(ti)供(gong)可(ke)靠(kao)的(de)係(xi)統(tong)保(bao)護(hu)和(he)電(dian)氣(qi)管(guan)理(li),典(dian)型(xing)服(fu)務(wu)器(qi)係(xi)統(tong)的(de)線(xian)卡(ka)接(jie)口(kou)和(he)熱(re)插(cha)拔(ba)電(dian)路(lu)原(yuan)理(li)圖(tu)如(ru)圖(tu)5所示。

圖5 典型服務器係統的線卡接口和熱插拔電路原理圖
從本質上講,當檢測到故障和電流中斷期間的電流轉換率可能達到100A/μs或以上時,圖5中的通路MOSFET Q1將迅速被熱插拔控製器關閉。不過,輸入功率路徑的電源軌總線結構難免出現寄生電感(與電源母線的長度和固有環路麵積有關)。儲存在該電感的能量將轉移到電路中的其他元件,以致產生過壓動態行為。為了防止下遊元件被損壞,在分流保護配置中從VIN至GND處連接了響應速度快的單向TVS(瞬態電壓抑製)矽二極管,如圖5所示。
[page]
應用於熱插拔電路中的TVS選擇可按照以下步驟進行:
1)用切斷電壓VR選擇單向TVS,該電壓等於或大於直流或連續峰值工作母線電壓水平。14V或15V TVS適合低阻抗12VDC±10%的服務器係統輸入總線。
2)根據熱插拔控製器斷路器閾值電壓、響應時間和所選分流電阻器來確定峰值脈衝電流水平IP。
3)利用公式
(式中,VC:鉗位電壓;IP:峰值脈衝電流;VC(max):最大鉗位電壓;VBR:擊穿電壓;IPP:采用10/1000 ms波形的VC(max)條件下的最大峰值脈衝電流。)由第2步和相關數據表參數給定的IP水平來計算電路鉗位電壓VC。VC是否足夠低?如果不是,另一種方法是使用一個較大的TVS,以獲得較陡峭的下降。請注意,VC的電壓溫度係數與VBR類似(例如在75℃的工作環境條件下,0.1%/℃意味著該係數增加了5%)。
4)計算出VC和IP的乘積,以獲得由TVS維持的實際峰值功率水平。
5)利用公式
(式中,L為電路中的寄生電感)和已知的輸入寄生電感來確定三角脈衝波形的脈衝持續時間td(即衰減到零的時間)。
6)使用類似圖6(a)曲線的第5步脈衝持續時間降額PPP。如前所述,三角脈衝電流波形可以實現比雙指數參考波形曲線高33%的脈衝功率。
7)使用類似圖6(b)曲線的環境溫度降額PPP。同時應該考慮相鄰元件的相互熱效應。
8)第7步的淨降額PPP是否實現了由第4步計算的實際TVS峰值功率的足夠設計餘量(至少50%)?如果沒有,選擇一個較大的TVS並重複1-8步驟。

圖6 (a)峰值脈衝功率與脈衝持續時間,(b)熱降額特性
推薦閱讀:熱插拔電路的TVS鉗位
http://www.0-fzl.cn/art/artinfo/id/80013402
4.2 TVS用於汽車電源線的初級保護和次級保護
電子控製單元、傳感器和信息娛樂係統等汽車電子設備連接在一根電源線上,如圖7所示。這些電子產品的電源是電池和交流發電機,這兩種電源的輸出電壓都不穩定,容易受溫度、工作狀態和其他條件影響。此外,使用燃油噴射係統、閥、電機、電氣和水解控製器等電磁線圈負載的汽車係統,會把ESD、尖峰噪聲和其他類型的瞬態和浪湧電壓引入到電源和信號線上。因此,汽車設計中必須保護電子設備(例如控製單元、傳感器和信息娛樂係統)免受電源線上出現的有害浪湧電壓、瞬態電壓、ESD和噪聲的損害。瞬態電壓抑製器(TVS)是汽車電子保護的理想方案,下麵主要介紹TVS在汽車電源線中的初級保護和次級保護應用。

圖7 典型的汽車電源線
4.2.1 汽車電源線初級保護(甩負荷)
用於汽車電子初級保護的甩負荷TVS有兩類:外延型和非外延型。在反偏模式下,這兩組產品具有相似的擊穿工作特性。不同之處在於,外延型TVS在正向模式下具有低正向壓降(VF)特性,非外延型TVS在相同條件下VF相對較高。
在反向電源輸入模式中,電源線電壓與TVS VF的電壓相同,這種反偏模式會引起電子線路故障,外延型TVS的低正向壓降能夠很好地解決這個問題,如圖8所示。

圖8 TVS用於汽車電源線初級保護
[page]
4.2.2 汽車電源線的次級保護
汽車係統中保護電路的初級對象是高浪湧電壓,但是被鉗位的電壓仍然很高。因此,在24V動力總成中的次級保護特別重要,比如卡車和貨車中的動力總成。其主要原因是因為大多數穩壓器和DC-DC轉換器IC的最大輸入電壓是45V~60V。對於此類應用,建議使用圖9中的次級保護。在電源線上增加電阻R可以減小瞬態電流,這樣就可以使用更小額定功率的TVS作為次級保護。

圖9 次級保護
推薦閱讀:TVS用於汽車電源線的初級保護和次級保護
http://www.0-fzl.cn/art/artinfo/id/80015045
5 TVS二極管效能最佳化
如何使TVS在電路中應用的效能最佳?印製電路板的布線及電路元件的選擇很重要,通過合理放置TVS的位置、接地選擇、寄生電感和回路區的處理,以及突崩式TVS與二極管陣列、單向與雙向突崩式TVS二極管、外部與內部晶片保護電路的比較,科學合理地進行PCB的布線和TVS元件的選擇,使TVS的效能最佳化。
詳細閱讀:TVS二極管效能最佳化
http://www.0-fzl.cn/art/artinfo/id/80004872
6 結語
本文詳細介紹了TVS的應用特點、典型應用及應用實例,並從印製電路板的布線和TVS元件的選擇兩個方麵探討了如何使TVS的效能最佳化的措施,對電路保護設計工程師合理高效應用TVS進行電路保護設計非常有參考價值。
- 噪聲中提取真值!瑞盟科技推出MSA2240電流檢測芯片賦能多元高端測量場景
- 10MHz高頻運行!氮矽科技發布集成驅動GaN芯片,助力電源能效再攀新高
- 失真度僅0.002%!力芯微推出超低內阻、超低失真4PST模擬開關
- 一“芯”雙電!聖邦微電子發布雙輸出電源芯片,簡化AFE與音頻設計
- 一機適配萬端:金升陽推出1200W可編程電源,賦能高端裝備製造
- 築基AI4S:摩爾線程全功能GPU加速中國生命科學自主生態
- 一秒檢測,成本降至萬分之一,光引科技把幾十萬的台式光譜儀“搬”到了手腕上
- AI服務器電源機櫃Power Rack HVDC MW級測試方案
- 突破工藝邊界,奎芯科技LPDDR5X IP矽驗證通過,速率達9600Mbps
- 通過直接、準確、自動測量超低範圍的氯殘留來推動反滲透膜保護
- 車規與基於V2X的車輛協同主動避撞技術展望
- 數字隔離助力新能源汽車安全隔離的新挑戰
- 汽車模塊拋負載的解決方案
- 車用連接器的安全創新應用
- Melexis Actuators Business Unit
- Position / Current Sensors - Triaxis Hall


