三元件串聯LLC諧振變流器同步整流方案
發布時間:2012-01-16
中心議題:
- 三元件串聯LLC諧振變流器的工作原理
- 同步整流驅動技術
- 改進的電流型同步整流方案
解決方案:
- 一次側電流采樣方案
- 新型的電流型同步整流驅動方案
本文在歸納總結LLC諧xie振zhen變bian流liu器qi現xian有you同tong步bu整zheng流liu技ji術shu的de基ji礎chu上shang對dui各ge技ji術shu的de優you缺que點dian進jin行xing了le詳xiang細xi的de分fen析xi和he比bi較jiao,並bing提ti出chu了le新xin型xing的de一yi次ci側ce電dian流liu采cai樣yang方fang案an以yi及ji一yi種zhong應ying用yong於yu倍bei壓ya整zheng流liu結jie構gou的de新xin型xing電dian流liu型xing同tong步bu整zheng流liu技ji術shu。除chu此ci之zhi外wai,本ben文wen還hai從cong電dian力li電dian子zi係xi統tong集ji成cheng的de角jiao度du提ti出chu了le新xin型xing的de單dan封feng裝zhuang結jie構gou同tong步bu整zheng流liu技ji術shu解jie決jue方fang案an。
0 引言
隨sui著zhe消xiao費fei類lei電dian子zi產chan品pin需xu求qiu的de不bu斷duan擴kuo大da,人ren們men對dui其qi電dian源yuan係xi統tong的de便bian攜xie性xing提ti出chu了le更geng高gao的de要yao求qiu。因yin此ci,高gao效xiao率lv和he高gao功gong率lv密mi度du成cheng為wei電dian力li電dian子zi產chan品pin的de一yi個ge重zhong要yao發fa展zhan趨qu勢shi。三san元yuan件jian串chuan聯lianLLC諧振變流器在變換效率和功率密度方麵具有突出的優勢。
muqian,daliangdeguoneiwaiwenxiandouduiqixiangguanyouhuashejijinxingleshenrudeyanjiu,danshidangyingyongyudiyadadianliushuchudechangheshiercicezhengliudianludesunhaozhanjulezongsunhaojiaodadebizhong。weilejinyibutigaodibianhuanxiaolvhegonglvmidu,tongbuzhengliujishuzaiercicededaoguangfandeyingyong。
1 三元件串聯LLC諧振變流器的工作原理
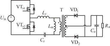
傳統LLC諧振變流器的拓撲結構如圖1所示。

圖1 傳統的LLC諧振變流器拓撲結構
諧振網絡由諧振電感L r、諧振電容C r、激磁電感L m組成。圖2為其主要的理想工作波形,根據工作頻率的不同,我們可以把它分為三個模式,即斷續模式(fw<fs<fr)、臨界模式(fs=fr)和連續模式(fs>fr),其中fw為第一諧振頻率,fr為第二諧振頻率,fs為開關管工作頻率。

圖2 LLC諧振變流器的主要工作波形
由圖2可知,當變流器工作於斷續模式時,一次側開關驅動信號、變壓器繞(rao)組(zu)上(shang)的(de)電(dian)壓(ya)與(yu)整(zheng)流(liu)管(guan)中(zhong)的(de)電(dian)流(liu)不(bu)是(shi)處(chu)於(yu)同(tong)相(xiang)位(wei)。采(cai)用(yong)一(yi)次(ci)側(ce)控(kong)製(zhi)芯(xin)片(pian)信(xin)號(hao)外(wai)驅(qu)動(dong)或(huo)電(dian)壓(ya)型(xing)繞(rao)組(zu)自(zi)驅(qu)動(dong)等(deng)驅(qu)動(dong)方(fang)案(an)都(dou)不(bu)能(neng)及(ji)時(shi)有(you)效(xiao)地(di)關(guan)斷(duan)同(tong)步(bu)管(guan),從(cong)而(er)變(bian)流(liu)器(qi)將(jiang)無(wu)法(fa)正(zheng)常(chang)地(di)工(gong)作(zuo)於(yu)斷(duan)續(xu)模(mo)式(shi)。電(dian)流(liu)型(xing)驅(qu)動(dong)技(ji)術(shu)可(ke)以(yi)滿(man)足(zu)各(ge)種(zhong)工(gong)作(zuo)模(mo)式(shi)的(de)需(xu)要(yao),但(dan)是(shi)驅(qu)動(dong)電(dian)路(lu)的(de)設(she)計(ji)相(xiang)對(dui)較(jiao)為(wei)複(fu)雜(za)。現(xian)有(you)智(zhi)能(neng)驅(qu)動(dong)控(kong)製(zhi)芯(xin)片(pian)的(de)驅(qu)動(dong)策(ce)略(lve)是(shi)通(tong)過(guo)檢(jian)測(ce)整(zheng)流(liu)管(guan)漏(lou)源(yuan)兩(liang)極(ji)的(de)壓(ya)降(jiang)以(yi)產(chan)生(sheng)驅(qu)動(dong)控(kong)製(zhi)信(xin)號(hao),理(li)論(lun)上(shang)這(zhe)也(ye)能(neng)夠(gou)實(shi)現(xian)變(bian)流(liu)器(qi)斷(duan)續(xu)模(mo)式(shi)的(de)正(zheng)常(chang)工(gong)作(zuo)。但(dan)是(shi)由(you)於(yu)同(tong)步(bu)管(guan)的(de)導(dao)通(tong)壓(ya)降(jiang)很(hen)小(xiao),芯(xin)片(pian)本(ben)身(shen)也(ye)具(ju)有(you)較(jiao)多(duo)限(xian)製(zhi),檢(jian)測(ce)電(dian)路(lu)容(rong)易(yi)受(shou)到(dao)幹(gan)擾(rao),其(qi)應(ying)用(yong)範(fan)圍(wei)仍(reng)然(ran)相(xiang)當(dang)有(you)限(xian)。因(yin)此(ci)對(dui)LLC諧振變流器的同步整流方案的研究仍是當前的熱點及難點問題。
2 同步整流驅動技術
2.1 外驅動
waiqudongyibanshizhitongbuzhengliuguandequdongxinhaoduliyuzhudianlu,youwaibudianluchansheng。chuantongdewaiqudongfangshishigenjuyicicekongzhixinpiandexinhao,tongguogelibianyaqidenggeiercicedetongbuzhengliuguan(SR)提供驅動信號;另一種則通過比較電路,檢測SR的漏源極電壓(U DS),產生驅動信號。目前市場上的智能同步整流驅動芯片就是采用這種控製策略。
[page]
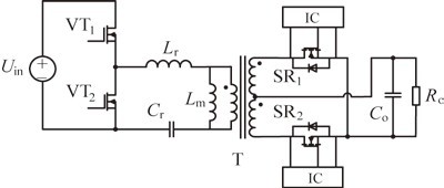
2.1.1 傳統型外驅動方案
傳統型外驅動方案如圖3所示。該方案的優點在於同步整流的驅動電路簡單,驅動信號可靠;由於采用了隔離變壓器作為信號隔離電路,一次側MOS管VT1的驅動可以省略自舉電路。它的缺點在於變流器隻能工作於臨界或者連續模式,限製了其電壓增益範圍。

圖3 傳統型外驅動
2.1.2 檢測SR UDS電壓型外驅動方案
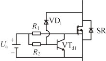
市場上現有的絕大部分智能同步整流驅動芯片都采用了檢測U DS電壓信號的方法。如圖4所suo示shi。該gai驅qu動dong方fang案an的de優you點dian是shi驅qu動dong電dian路lu簡jian單dan,變bian流liu器qi可ke以yi工gong作zuo於yu不bu同tong的de三san種zhong模mo式shi。但dan是shi同tong步bu整zheng流liu驅qu動dong芯xin片pian對dui外wai圍wei電dian路lu的de參can數shu設she計ji非fei常chang敏min感gan,如ruSR的導通電阻、檢測電路中的引線電感及同步管的工作溫度等,因此容易受到外界的幹擾,而且它也受到芯片本身的條件製約(芯片的工作頻率,關斷延時等)。因此它對PCB的布板設計和變流器的工作頻率等都有比較高的限製要求。圖5是一種采用分離元件組成的檢測U DS電壓型驅動方案。其電路比較簡單,但同樣也比較容易受到幹擾,而且二極管VD1與三極管VTd1的選擇比較困難。

圖4 同步整流驅動芯片方案

圖5 分離元件組成的U DS檢測電路
2.2 電壓型自驅動
電壓型自驅動方案如圖6所示。Na1、Na2為(wei)變(bian)壓(ya)器(qi)輔(fu)助(zhu)繞(rao)組(zu),直(zhi)接(jie)為(wei)相(xiang)應(ying)的(de)同(tong)步(bu)整(zheng)流(liu)管(guan)提(ti)供(gong)驅(qu)動(dong)信(xin)號(hao)。此(ci)驅(qu)動(dong)方(fang)案(an)要(yao)求(qiu)變(bian)流(liu)器(qi)工(gong)作(zuo)於(yu)臨(lin)界(jie)模(mo)式(shi)或(huo)者(zhe)連(lian)續(xu)模(mo)式(shi),而(er)且(qie)要(yao)求(qiu)變(bian)壓(ya)器(qi)的(de)輔(fu)助(zhu)繞(rao)組(zu)與(yu)相(xiang)應(ying)的(de)S R二er次ci側ce繞rao組zu之zhi間jian有you比bi較jiao好hao的de耦ou合he,減jian小xiao驅qu動dong信xin號hao的de延yan時shi。但dan另ling一yi方fang麵mian,此ci方fang案an又you要yao求qiu變bian壓ya器qi的de兩liang個ge二er次ci側ce繞rao組zu之zhi間jian具ju有you一yi定ding的de漏lou感gan,以yi幫bang助zhu兩liang個ge回hui路lu之zhi間jian實shi現xian換huan流liu。總zong之zhi,該gai方fang案an的de變bian壓ya器qi漏lou感gan設she計ji和he整zheng機ji變bian換huan效xiao率lv的de優you化hua很hen難nan折zhe中zhong考kao慮lv,功gong率lv變bian壓ya器qi的de設she計ji困kun難nan,不bu利li於yu實shi際ji的de生sheng產chan和he應ying用yong。

圖6 電壓型自驅動方案
[page]
2.3 電流型驅動
圖7為幾種典型的電流型驅動方案。傳統的電流型驅動方案如圖7(a)所示,整個驅動電路包括一個電流互感器(CT)和(he)一(yi)個(ge)電(dian)壓(ya)箝(qian)位(wei)電(dian)路(lu)。電(dian)路(lu)通(tong)過(guo)電(dian)流(liu)互(hu)感(gan)器(qi)對(dui)電(dian)流(liu)信(xin)號(hao)進(jin)行(xing)采(cai)樣(yang),並(bing)給(gei)同(tong)步(bu)管(guan)提(ti)供(gong)相(xiang)應(ying)的(de)驅(qu)動(dong)信(xin)號(hao),多(duo)餘(yu)的(de)驅(qu)動(dong)能(neng)量(liang)被(bei)箝(qian)位(wei)電(dian)路(lu)消(xiao)耗(hao)。該(gai)驅(qu)動(dong)電(dian)路(lu)比(bi)較(jiao)簡(jian)單(dan),但(dan)是(shi)有(you)較(jiao)大(da)的(de)驅(qu)動(dong)損(sun)耗(hao),限(xian)製(zhi)了(le)變(bian)流(liu)器(qi)效(xiao)率(lv)的(de)提(ti)高(gao)。因(yin)此(ci)有(you)文(wen)獻(xian)提(ti)出(chu)了(le)具(ju)有(you)剩(sheng)餘(yu)驅(qu)動(dong)能(neng)量(liang)回(hui)饋(kui)功(gong)能(neng)的(de)電(dian)流(liu)型(xing)驅(qu)動(dong)方(fang)案(an),如(ru)圖(tu)7(b)所suo示shi。該gai驅qu動dong電dian路lu中zhong多duo餘yu的de驅qu動dong能neng量liang能neng通tong過guo輔fu助zhu繞rao組zu回hui饋kui到dao主zhu電dian路lu,從cong而er可ke以yi較jiao大da的de減jian少shao驅qu動dong電dian路lu的de損sun耗hao,並bing簡jian化hua電dian流liu互hu感gan器qi的de設she計ji,但dan是shi多duo繞rao組zu的de電dian流liu互hu感gan器qi大da大da增zeng加jia了le生sheng產chan成cheng本ben。另ling有you文wen獻xian提ti出chu了le一yi種zhong更geng為wei簡jian單dan的de電dian流liu型xing驅qu動dong方fang案an,如ru圖tu7(c)所示。該方案的電流互感器隻需一個副邊繞組,同時也具有剩餘驅動能量回饋的功能,更加有利於實際的生產應用。通過三極管VTd1,它可以準確地檢測同步整流管應該關斷的時刻,從而保證了同步整流電路的可靠性。

圖7 幾種典型的電流驅動方案
2.4 驅動方式比較
我們將上述驅動方法做了一個比價和總結,如表1所示。從表中可以看出,采用檢測U DS電壓型外驅動和電流型驅動,變流器可工作於全頻率範圍,符合寬輸入LLC諧振變流器工作於全頻率範圍的要求。

表1 不同的同步整流管驅動方案比較
[page]
3 改進的電流型同步整流方案
3.1 一次側電流采樣方案
為了簡化電流型同步整流方案和二次側布板走線,進一步提高二次側效率和功率密度,這裏分別先看一次側電流采樣方案,如圖8和圖9所示。

圖8 采用具有相位補償功能的一次側電流采樣方案

圖9 采用輔助變壓器的一次側電流采樣方案
由於LLC諧振變流器的勵磁電流較大,導致一次側電流與二次側電流之間存在相位差,因此,可以采用補償電感L comp對dui相xiang位wei進jin行xing補bu償chang,而er有you文wen獻xian則ze采cai用yong輔fu助zhu變bian壓ya器qi對dui一yi次ci側ce電dian流liu進jin行xing采cai樣yang。這zhe兩liang種zhong驅qu動dong方fang案an都dou可ke以yi解jie決jue相xiang位wei差cha問wen題ti,而er且qie沒mei有you增zeng加jia大da型xing的de磁ci性xing元yuan件jian,有you利li於yu提ti高gao效xiao率lv和he功gong率lv密mi度du。
[page]
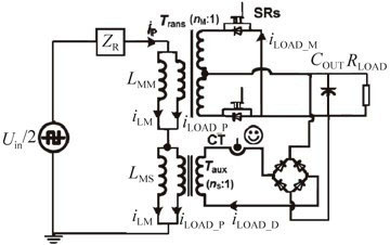
3.2 一種新型的電流型同步整流驅動方案
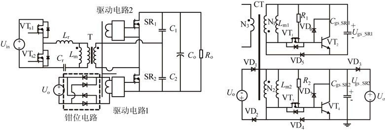
本文針對倍壓整流結構提出的一種新型的電流型同步整流方案,如圖10suoshi。tongguoyigeshuangraozudianliuhuganqi,jijiejueleerciceshangguanqudongdianlucaiyangdenenglianghuikuiwenti,youjianshaoledianliuhuganqideshuliang,youliyujiangdishengchanchengben,tigaobianhuanxiaolvjigonglvmidu。tu11為斷續模式和臨界模式下的主要實驗波形。

圖10 一種新型的電流型同步整流驅動方案

圖11 主要實驗波形
4 新型的單封裝同步整流解決方案
為進一步地提高功率密度,本文從電力電子係統集成的角度提出了一種新型的能夠實現驅動信號檢測電路、驅動電路和半導體功率器件高度集成的單封裝同步整流結構技術。為了能夠與現有肖特基整流二極管的布板結構兼容,本文提出(且不限於)以下幾種管腳封裝結構,如表2所示。
5 結束語
本文在對現有LLC諧xie振zhen變bian流liu器qi同tong步bu整zheng流liu方fang案an進jin行xing深shen入ru分fen析xi和he比bi較jiao的de基ji礎chu上shang,總zong結jie了le各ge自zi的de優you缺que點dian,並bing引yin入ru了le新xin型xing的de一yi次ci側ce電dian流liu采cai樣yang方fang案an,提ti高gao變bian流liu器qi的de變bian換huan效xiao率lv和he功gong率lv密mi度du。本ben文wen針zhen對duiLLC諧(xie)振(zhen)變(bian)流(liu)器(qi)二(er)次(ci)側(ce)倍(bei)壓(ya)整(zheng)流(liu)結(jie)構(gou)提(ti)出(chu)了(le)一(yi)種(zhong)新(xin)型(xing)的(de)電(dian)流(liu)型(xing)同(tong)步(bu)整(zheng)流(liu)方(fang)案(an),實(shi)現(xian)較(jiao)好(hao)的(de)變(bian)換(huan)效(xiao)率(lv)及(ji)功(gong)率(lv)密(mi)度(du)表(biao)現(xian)。為(wei)了(le)能(neng)夠(gou)進(jin)一(yi)步(bu)地(di)提(ti)高(gao)功(gong)率(lv)密(mi)度(du),本(ben)文(wen)從(cong)電(dian)力(li)電(dian)子(zi)係(xi)統(tong)集(ji)成(cheng)的(de)角(jiao)度(du),提(ti)出(chu)了(le)具(ju)有(you)極(ji)高(gao)集(ji)成(cheng)度(du)的(de)單(dan)封(feng)裝(zhuang)同(tong)步(bu)整(zheng)流(liu)結(jie)構(gou)技(ji)術(shu)。為(wei)在(zai)布(bu)線(xian)上(shang)實(shi)現(xian)與(yu)當(dang)前(qian)肖(xiao)特(te)基(ji)二(er)極(ji)管(guan)整(zheng)流(liu)的(de)兼(jian)容(rong),本(ben)文(wen)提(ti)出(chu)了(le)幾(ji)種(zhong)新(xin)型(xing)的(de)單(dan)封(feng)裝(zhuang)同(tong)步(bu)整(zheng)流(liu)解(jie)決(jue)方(fang)案(an)。
- 噪聲中提取真值!瑞盟科技推出MSA2240電流檢測芯片賦能多元高端測量場景
- 10MHz高頻運行!氮矽科技發布集成驅動GaN芯片,助力電源能效再攀新高
- 失真度僅0.002%!力芯微推出超低內阻、超低失真4PST模擬開關
- 一“芯”雙電!聖邦微電子發布雙輸出電源芯片,簡化AFE與音頻設計
- 一機適配萬端:金升陽推出1200W可編程電源,賦能高端裝備製造
- 2026藍牙亞洲大會暨展覽在深啟幕
- 新市場與新場景推動嵌入式係統研發走向統一開發平台
- 維智捷發布中國願景
- 2秒啟動係統 • 資源受限下HMI最優解,米爾RK3506開發板× LVGL Demo演示
- H橋降壓-升壓電路中的交替控製與帶寬優化
- 車規與基於V2X的車輛協同主動避撞技術展望
- 數字隔離助力新能源汽車安全隔離的新挑戰
- 汽車模塊拋負載的解決方案
- 車用連接器的安全創新應用
- Melexis Actuators Business Unit
- Position / Current Sensors - Triaxis Hall

