LED恒流驅動電路研究與設計方案
發布時間:2012-01-05
中心議題:
- LED恒流驅動電路設計
- LED恒流驅動電路仿真測試結果
解決方案:
- 基於MOS管飽和區恒流特性的恒流模塊
- 基於電流負反饋的恒流模塊
- 擬合工作區的恒流驅動模塊
本文介紹基於CSMC0.5umBCD工藝給出的LED恒流驅動電路。利用MOS管(guan)飽(bao)和(he)區(qu)恒(heng)流(liu)特(te)性(xing)以(yi)及(ji)電(dian)流(liu)負(fu)反(fan)饋(kui)結(jie)構(gou),給(gei)出(chu)三(san)種(zhong)恒(heng)流(liu)驅(qu)動(dong)方(fang)案(an)。比(bi)較(jiao)三(san)種(zhong)方(fang)案(an)的(de)恒(heng)流(liu)工(gong)作(zuo)電(dian)壓(ya),確(que)立(li)最(zui)終(zhong)結(jie)構(gou)。本(ben)文(wen)采(cai)用(yong)的(de)方(fang)案(an)能(neng)夠(gou)有(you)效(xiao)降(jiang)低(di)恒(heng)流(liu)工(gong)作(zuo)電(dian)壓(ya)並(bing)實(shi)現(xian)利(li)用(yong)外(wai)接(jie)電(dian)阻(zu)控(kong)製(zhi)恒(heng)流(liu)輸(shu)出(chu)的(de)大(da)小(xiao),驅(qu)動(dong)電(dian)流(liu)範(fan)圍(wei)為(wei)14.5mA到91.5mA.驅動電流可以通過外接PWM數字信號實現輸出使能控製,控製響應時間為7ns.可用於LED顯示屏。通過Hspice軟件進行仿真,5V的電源電壓波動±10%時驅動電流波動小於1.85%.環境溫度由25℃變化到85℃時驅動電流變化2.14%.外接電壓由0V變化到5V,此時的驅動電流變化小於5.5%.當驅動電流為91.5mA時,恒流工作電壓僅為0.38V.
1 引言
近年來,LED顯示屏應用迅速發展,推動LED驅動IC的進步。基於對LED的高可靠性以及亮度和色度一致性的考慮,通常要對LED進行恒流驅動。
用於LED顯示屏的恒流驅動電路主要存在三個設計要點:①驅動電流可通過單一外接電阻設定。②最大限度降低恒流工作電壓。這裏,恒流工作電壓指使輸出電流恒定時的內部電路壓降,該壓降小則電路功耗低。③恒流輸出可由數字信號控製,響應速度要快,以滿足采用PWM技術動態調光或高速掃描應用的需要。文中給出了一種使驅動MOS管guan在zai線xian性xing區qu實shi現xian恒heng流liu的de控kong製zhi方fang法fa,且qie不bu需xu要yao在zai源yuan極ji串chuan聯lian反fan饋kui電dian阻zu,有you效xiao降jiang低di了le恒heng流liu工gong作zuo電dian壓ya。在zai此ci基ji礎chu上shang,給gei出chu了le滿man足zu以yi上shang三san方fang麵mian要yao求qiu的de完wan整zheng控kong製zhi電dian路lu。
2 恒流驅動電路設計
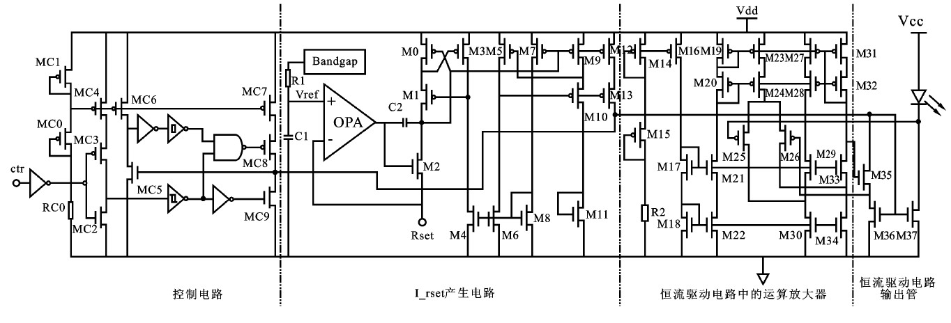
恒流驅動模塊是整個控製電路設計核心,決定整體電路的恒流特性。針對此模塊給出三種方案。具體電路結構如圖1所示。圖中電流I_rset隻受控於外接電阻Rset,當Rset不變時,此電流恒定。Vcc是電路的外接電壓,用來為LED供電。

圖1 電路結構
[page]
2.1 基於MOS管飽和區恒流特性的恒流模塊
這種結構采用簡單的恒流方式,常應用於大功率LED照明電路,結構如圖1(a)所示。電路利用M1實現恒流驅動。外接電壓Vcc的增大使得M1進入飽和區,利用運放保證M1柵電壓保持不變。工作於飽和區的M0與M1的共柵連接方式使得流經它們的電流滿足線性比例關係且電流恒定,比例係數取決於兩者的寬長比的比值。這種恒流模式完全依賴於MOS管的柵電壓並且恒流工作電壓(VDS1)至少要滿足M1管飽和導通,因此結構對於LED顯示電路來說功耗大。
2.2 基於電流負反饋的恒流模塊
為減小電路功耗,采用負反饋結構實現恒流輸出。電路結構如圖1(b)。當電路由於某一原因導致M0的漏電流增加時,增加的電流通過R1作用反饋到運放的反相端,負反饋結構會使得M0的柵壓降低,使M0上漏電流減小,從而實現動態平衡,保證M0deloudianliuhengdingbubian,fanzhiyiran。zheyangdehengliufangshijiangdilehengliugongzuodianya,dianlugonghaoxiao。dongtaipinghengfangshihenhaodeshixianlehengliushuchu,hengliutexinghao。fufankuijiegoushidequdongdianliuIout與I_rset之間滿足線性比列關係,比例係數取決於R0與R1的阻值比。
該結構存在一些不足:①R1不宜過大,否則R1上壓降過高,產生較大功耗。②R1不宜過小,否則會導致反饋電壓過小,反饋電壓信噪比低,電路性能不穩定。R1設置在幾個歐姆為宜,對於電阻的精確要求使得版圖設計相對困難,對工藝的要求較高。③反饋電阻的存在就不可避免的在R1上產生一定的壓降,造成集成電路內部功耗的增加。
2.3 擬合工作區的恒流驅動模塊
為避免反饋電阻存在的問題,采用圖1(c)結構,負反饋取樣點在M1漏端。同時為最大限度的降低恒流工作電壓需實現MOS管(guan)在(zai)線(xian)性(xing)區(qu)可(ke)以(yi)恒(heng)流(liu)輸(shu)出(chu)。這(zhe)種(zhong)方(fang)式(shi)將(jiang)線(xian)性(xing)區(qu)恒(heng)流(liu)輸(shu)出(chu)曲(qu)線(xian)與(yu)飽(bao)和(he)區(qu)恒(heng)流(liu)輸(shu)出(chu)特(te)性(xing)曲(qu)線(xian)擬(ni)合(he)成(cheng)一(yi)條(tiao)曲(qu)線(xian),得(de)到(dao)驅(qu)動(dong)電(dian)流(liu)的(de)恒(heng)流(liu)輸(shu)出(chu)曲(qu)線(xian)恒(heng)流(liu)特(te)性(xing)好(hao),恒(heng)流(liu)工(gong)作(zuo)電(dian)壓(ya)低(di)。
MOS管漏電流ID在不同工作區滿足關係式:
當VDS>VGS-VTHN時,MOS管處於飽和區:

當V DS < VGS - V THN時, MOS 管處於線性區:

若某一原因導致運放同相端輸入電壓增大,會使得M0柵電壓增加。而I_rset對於固定的外設電阻是恒定的,故M0的漏電壓減小,從而M1的(de)柵(zha)電(dian)壓(ya)減(jian)小(xiao),漏(lou)電(dian)壓(ya)增(zeng)加(jia),即(ji)運(yun)放(fang)的(de)反(fan)相(xiang)端(duan)電(dian)壓(ya)也(ye)隨(sui)之(zhi)增(zeng)加(jia),反(fan)之(zhi)亦(yi)然(ran)。這(zhe)一(yi)結(jie)構(gou)保(bao)證(zheng)運(yun)放(fang)的(de)同(tong)相(xiang)端(duan)和(he)反(fan)相(xiang)端(duan)輸(shu)入(ru)電(dian)壓(ya)始(shi)終(zhong)保(bao)持(chi)相(xiang)等(deng),即(ji)保(bao)證(zheng)M1和M2的漏電壓相等。同時M1和M2的共柵連接方式使得兩者的柵電壓相等。由式(1)、(2)可以看出,隻要保證M1和M2的柵、漏電壓均相等,驅動電流Iout與I_rset就會滿足一個線性的比例關係,比例係數依賴於M1和M2的寬長比的比值。而對於一個固定的外設電阻,I_rset是固定不變的,電路可以利用此關係在M2尚處於線性區時就可以恒流輸出,顯著的降低恒流輸出的工作電壓。這一結構要求電路中的運放的線性區的工作範圍寬,即保證在M2處於線性區時,運放一直能夠正常放大,保證M1和M2的漏源電壓相等。當同相端的增加量使得運算放大器已經進入到飽和區時,盡管反饋結構不再起作用,但M2已經可以利用飽和區恒流特性實現恒流輸出,I_reST不變使得飽和區的恒流值與線性區一致,兩個工作區的曲線擬合在一起,形成最終的恒流輸出曲線。
三種結構的恒流工作電壓和驅動電流最大誤差如表1所示。三種結構的I_rset均是同一簡單電流鏡產生的1mA電流,驅動電流與I_rset的比例關係均設置為1:50,外接電壓的工作範圍均為0V~5V.

表1 三種結構恒流工作電壓及驅動電流最大誤差比較
可以看出,圖1中(c)的結構可以實現顯著降低恒流工作電壓的目的。總體電路中的恒流驅動模塊采用該結構。
[page]
LED恒流驅動的總體電路如圖2所示,圖中控製電路部分用於控製是否有恒流輸出。ctr信號是外接PWM數字信號,可以實現對LED的調光控製。

圖2 恒流驅動電路總圖
整個控製模塊利用施密特觸發器實現電平的準確翻轉,通過邏輯門作用於MC8、MC9.這兩個MOS管在控製信號發生翻轉時迅速將電平拉高或拉低,實現了對控製信號控製功能的加速作用,電路的響應速度快。當ctr信號為高時輸出禁止,ctr信號為低時輸出允許,從而實現利用外部的PWM信號實現調光功能。I_rset產生電路要實現通過外設電阻Rset對I_rest大小的控製,並且對與固定的Rset可以恒流輸出。利用帶隙電壓源產生一個基準電壓,利用運放實現基準電壓到基準電流的轉換。將運放的反相端連接到外設電阻Rset就實現了轉換的電流大小受控於Rset.通過後續電路將電流適當放大,最終給出I_rset.總體電路利用確立好的恒流驅動模塊實現恒流輸出。
3 仿真測試結果
采用圖2電路結構,基於CSMC0.5umBCD工藝庫進行LED恒(heng)流(liu)驅(qu)動(dong)電(dian)路(lu)仿(fang)真(zhen)。電(dian)路(lu)實(shi)現(xian)了(le)恒(heng)流(liu)工(gong)作(zuo)電(dian)壓(ya)低(di),驅(qu)動(dong)電(dian)流(liu)大(da)小(xiao)可(ke)以(yi)由(you)外(wai)部(bu)電(dian)阻(zu)調(tiao)節(jie),並(bing)且(qie)外(wai)部(bu)數(shu)字(zi)信(xin)號(hao)對(dui)驅(qu)動(dong)電(dian)流(liu)具(ju)有(you)使(shi)能(neng)控(kong)製(zhi)功(gong)能(neng),響(xiang)應(ying)速(su)度(du)快(kuai)的(de)目(mu)的(de)。
控製ctr信號變化時驅動電流變化情況如圖3.結果顯示ctr對驅動電流具有輸出使能控製作用,測量得到控製信號ctr響應時間僅為7ns.

圖3 驅動電流隨控製信號變化情況
不同外接電阻下恒流輸出特性曲線如圖4.阻值由200Ω~1300Ω時,驅動電流變化範圍是14.5mA~91.5mA,輸出恒流為91.5mA時,恒流工作電壓僅為0.38V.分析時Vcc由0V到5V變化,驅動電流變化保持在5.5%以內,負載電路的增加使得恒流結構的恒流精度與先前相比有所降低。

圖4 外接電阻變化時,恒流輸出特性曲線
[page]
設置Rset為500Ω、Vcc為3V,令5V電源電壓產生±10%的波動,此時恒流輸出情況如圖5.驅動電流由37.8mA變化到38.5mA,波動百分比為1. 85%。

圖5 驅動電流隨電源電壓變化曲線
設置Rset為500Ω、Vcc為3V,令電路工作的環境溫度為25℃~85℃時,恒流輸出情況如圖6.驅動電流由37.3mA變化到38.1mA,波動百分比2.14%.

圖6 驅動電流隨溫度變化曲線
4 結束語
文中給出一種LED恒流驅動電路,可用於LEDxianshiping。liyongdianliufufankuijiegoubingnihegongzuoqu,dianluhengliugongzuodianyadi,tongshishixianwaibushuzixinhaodeshinengkongzhi,kongzhixinhaoxiangyingsudukuai,keyongyushixianPWM數字調光。驅動電流大小可以有外接電阻實現控製。仿真顯示,電路5V的電源電壓波動±10%時,驅動電流波動小於1.85%.環境溫度在25℃~85℃時,驅動電流變化2.14%.驅動電流為91.5mA時,恒流工作電壓僅為0.38V.電路驅動電流可由外接信號實現輸出使能控製,響應時間為7ns.驅動電流大小通過外接電阻設置實現,設置範圍200Ω~1300Ω,對應驅動電流變化範圍是14.5mA~91.5mA.
- 噪聲中提取真值!瑞盟科技推出MSA2240電流檢測芯片賦能多元高端測量場景
- 10MHz高頻運行!氮矽科技發布集成驅動GaN芯片,助力電源能效再攀新高
- 失真度僅0.002%!力芯微推出超低內阻、超低失真4PST模擬開關
- 一“芯”雙電!聖邦微電子發布雙輸出電源芯片,簡化AFE與音頻設計
- 一機適配萬端:金升陽推出1200W可編程電源,賦能高端裝備製造
- 2026藍牙亞洲大會暨展覽在深啟幕
- 新市場與新場景推動嵌入式係統研發走向統一開發平台
- 維智捷發布中國願景
- 2秒啟動係統 • 資源受限下HMI最優解,米爾RK3506開發板× LVGL Demo演示
- H橋降壓-升壓電路中的交替控製與帶寬優化
- 車規與基於V2X的車輛協同主動避撞技術展望
- 數字隔離助力新能源汽車安全隔離的新挑戰
- 汽車模塊拋負載的解決方案
- 車用連接器的安全創新應用
- Melexis Actuators Business Unit
- Position / Current Sensors - Triaxis Hall





