看LED協同電路如何解決LED過流過熱問題
發布時間:2011-11-29
中心議題:
發光二極管(LED)技術已經取得了快速的進展,而芯片設計和材料的改進促進了更亮、更耐用光源的開發,使光源應用範圍日益擴大。節能意識不斷的增強也加速了LED照明技術的普及。如今LED燈正憑借許多優勢迅速取代傳統照明方式,首先新型LED燈泡擁有從0.83~7.3瓦的低功耗以及可使用5萬小時的壽命;而LED燈泡耐熱、抗震,即開即用的特性,適合需要頻繁開關操作的場合,有助於滿足安全和綠色倡議;LED不含汞,燈泡摸上去不燙手,並可充分調光;且燈泡不會變色,而白熾燈在調光時會發黃;最後是采用不會幹擾到無線電和電視訊號的電源安定器。雖然這項技術正在不斷普及,但LED照明廠商仍須繼續克服LED光源熱敏感性強的難題。熱量過多或應用不當都會使LED光源的性能大打折扣。
散熱管理決定LED壽命
使用一個60瓦白熾燈泡的燈具大約產生900流明照度,必須通過傳導耗散3瓦熱量。使用典型直流LED作為光源達到相同的900流明照度隻需要十二個LED。假設順向電壓(VF)為3.2伏特,電流為350毫安,該燈具的輸入功率可按下列公式1計算:
功率=12x3.2伏特x350毫安=13.4瓦………公式1
在此情況下,約20%輸入功率轉換為光,80%則轉換為熱。這取決於多種因素,發熱可能與底層不規則以及聲子發射、密封、材料等有關。在LED產生的總熱量中,有90%透過傳導傳輸。表1為耗散來自LED接麵的熱量,傳導是導熱的主要通道,因為對流和輻射僅占全部熱傳輸約10%。比如一個LED可能轉換近10.72瓦熱量(13.4瓦×0.8)。其中,9.648瓦(10.72瓦×0.9)透過傳導從LED接麵傳輸或遷移。顯然,LED光源需要精確的功率和熱管理係統,因為與其他光源相比,提供給LED的電能大部分轉換為熱量。如果沒有適當的熱管理,這種熱量會影響LED壽命和色彩輸出。同時由於LED驅動裝置屬於矽組件,很快就會失效,因此必須配備故障安全備用過電流保護裝置。

LED的光學性能因溫度不同而呈現明顯的差別。LED的發光量隨接麵溫度升高而減少,對某些技術而言,發射波長也會隨溫度而變化。如果不對驅動電流和接麵溫度加以適當控製,LED效率會迅速下降,造成亮度減弱、壽命縮短。與接麵溫度有關的另一個LED特性是順向電壓(圖1),VF為經過LED順向壓降,當傳導開始時,VF約為2伏特(對於紅色LED)和3.5伏特(對於藍色LED);TF為在PN接麵上,LED內部的溫度。如果該溫度過高,LED將損壞;Ij為經過LED的順向電流。如果僅使用一個簡單的偏壓電阻控製驅動電流,VF將隨溫度升高而下降,驅動電流增大。尤其對大功率LED而言,這將導致熱崩潰,並造成組件失效。常見的做法是透過將LED安裝在金屬芯印刷電路板(PCB)上加速導熱,從而控製接麵溫度。電線耦合瞬態和湧流也會減少LED壽命,許多LED驅動裝置很容易因直流電壓和極性錯誤而受損,LED驅動裝置的輸出也會因短路而受損或毀壞。多數LED驅動裝置含有內置安全功能,包括熱關機以及LED開路和短路檢測。但是,要保護IC和其他敏感電子組件,可能需要額外的過流保護組件。
輸入/輸出保護防止負載異常
LED是透過定電流驅動的,其順向電壓介於2~4.5伏特之間,與顏色和電流有關。舊式設計依靠簡單電阻器限製LED驅動電流,但是基於廠家規定的典型順向壓降設計LED電路會導致LED驅動裝置過熱。當經過LED的順向壓降下降到遠低於典型規定值的水平時,可能會出現這種情況。在這類事件中,經過LED驅動裝置的電壓升高可能導致來自驅動裝置封裝的總功率耗散更高,因此對性能或壽命產生不利影響。
目前,多數LED應用利用功率轉換和控製組件連接各種功率源,如交流電線、太陽能電池板或電池,來控製LED驅動裝置的功率耗散。對這些接口加以保護,防止它們因過流和過溫而受損,常常用到具有可複位能力的聚合物正溫度係數(PPTC)組件(圖2)。可以與功率輸入串聯一個PolySwitch LVR組件,防止因電氣短路、電路超載或用戶誤操作而受損。此外,放在輸入端上的金屬氧化物變阻(MOV)也有助於LED模塊內的過壓保護。
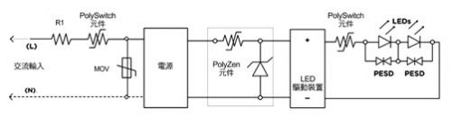
PolySwitch LVR也可以放置在MOV之後。許多設備廠商選擇能保護電路與具備上遊故障安全保護的可重設定PolySwitch組件組合。在本例中,R1是與保護電路組合使用的鎮流電阻,LED驅動裝置容易因直流電壓和極性錯誤而受損,輸出也會因有害短路而受損或毀壞,帶電埠也容易因過壓瞬態受損,包括靜電放電(ESD)脈衝。圖3表示針對LED驅動裝置和燈泡數組的典型電路保護設計,驅動裝置輸入上的PolyZen組件既為設計人員提供了傳統鉗位二極管的簡單性,同時又避免了對大量散熱片的需求。該組件有助於單個、小型封裝內的瞬態抑製、反向偏壓保護和過流保護。
驅動輸出上的PolySwitch組件有助於防止因有害短路或其他負載異常而受損,為了充分發揮PolySwitch組件的作用,可以與金屬芯電路板或LED散熱片熱接,此外,與LED並置的PESD組件也可以對靜電放電加以保護。
第二類功率源增加設計彈性
在照明係統中采用第二類功率源可成為降低成本、提高彈性的重要因素之一。固有的有限功率源,如變壓器、dianyuangongyingqihuodianchideng,keyibaohanbaohuzujian,zhiyaobuyikaotamenxianzhidierleigonglvyuandeshuchujike。feiguyouxingdeyouxiangonglvyuan,anzhaodingyi,juyouyigefenlibaohuzujian,dangdianliuhenengliangshuchudadaoyudingzhishitahuizidongzhongduanshuchu,gezhongdianlubaohuzujiandouyouzhuyutigongLED照明應用第二類功率源的安全操作。圖4表示了一種協同保護策略的工作原理,它在交流輸入上采用了一個MOV,在輸出電路分支上采用了一個PolySwitch組件,可以幫助廠商滿足UL 1310第35.1小節針對開關和控製裝置的過載試驗要求。
可重設PPTC組件可以防止因LED照明應用中過流和過溫故障造成的損害,MOV過壓保護組件有助於廠家滿足各種安全機構的要求,可提供大電流輸送和能量吸收能力,並快速響應過壓瞬態。與多數ESD保護組件相比,PESD組件電容極低,約0.25皮法,並且具有電子行業最普遍的形狀係數。
PolyZen組(zu)件(jian)既(ji)為(wei)設(she)計(ji)人(ren)員(yuan)提(ti)供(gong)了(le)傳(chuan)統(tong)鉗(qian)位(wei)二(er)極(ji)管(guan)的(de)簡(jian)單(dan)性(xing),同(tong)時(shi)又(you)避(bi)免(mian)了(le)對(dui)大(da)量(liang)散(san)熱(re)片(pian)的(de)需(xu)求(qiu)。這(zhe)種(zhong)單(dan)元(yuan)件(jian)方(fang)案(an)可(ke)以(yi)對(dui)因(yin)電(dian)源(yuan)使(shi)用(yong)不(bu)當(dang)導(dao)致(zhi)的(de)受(shou)損(sun)提(ti)供(gong)保(bao)護(hu),並(bing)具(ju)有(you)瞬(shun)態(tai)抑(yi)製(zhi)、反(fan)向(xiang)偏(pian)壓(ya)保(bao)護(hu)能(neng)力(li),也(ye)可(ke)防(fang)止(zhi)因(yin)過(guo)流(liu)事(shi)件(jian)而(er)受(shou)損(sun)。在(zai)協(xie)同(tong)保(bao)護(hu)方(fang)案(an)中(zhong)使(shi)用(yong)這(zhe)些(xie)組(zu)件(jian)可(ke)以(yi)讓(rang)設(she)計(ji)人(ren)員(yuan)減(jian)少(shao)組(zu)件(jian)數(shu)量(liang),提(ti)供(gong)安(an)全(quan)可(ke)靠(kao)的(de)產(chan)品(pin),滿(man)足(zu)監(jian)管(guan)機(ji)構(gou)的(de)要(yao)求(qiu),並(bing)減(jian)少(shao)保(bao)固(gu)和(he)維(wei)修(xiu)成(cheng)本(ben)。
- 看LED協同電路如何解決LED過流過熱問題
- 配備故障安全備用過電流保護裝置
- 給第二類功率源增加設計彈性
- 保護輸入/輸出
發光二極管(LED)技術已經取得了快速的進展,而芯片設計和材料的改進促進了更亮、更耐用光源的開發,使光源應用範圍日益擴大。節能意識不斷的增強也加速了LED照明技術的普及。如今LED燈正憑借許多優勢迅速取代傳統照明方式,首先新型LED燈泡擁有從0.83~7.3瓦的低功耗以及可使用5萬小時的壽命;而LED燈泡耐熱、抗震,即開即用的特性,適合需要頻繁開關操作的場合,有助於滿足安全和綠色倡議;LED不含汞,燈泡摸上去不燙手,並可充分調光;且燈泡不會變色,而白熾燈在調光時會發黃;最後是采用不會幹擾到無線電和電視訊號的電源安定器。雖然這項技術正在不斷普及,但LED照明廠商仍須繼續克服LED光源熱敏感性強的難題。熱量過多或應用不當都會使LED光源的性能大打折扣。
散熱管理決定LED壽命
使用一個60瓦白熾燈泡的燈具大約產生900流明照度,必須通過傳導耗散3瓦熱量。使用典型直流LED作為光源達到相同的900流明照度隻需要十二個LED。假設順向電壓(VF)為3.2伏特,電流為350毫安,該燈具的輸入功率可按下列公式1計算:
功率=12x3.2伏特x350毫安=13.4瓦………公式1
在此情況下,約20%輸入功率轉換為光,80%則轉換為熱。這取決於多種因素,發熱可能與底層不規則以及聲子發射、密封、材料等有關。在LED產生的總熱量中,有90%透過傳導傳輸。表1為耗散來自LED接麵的熱量,傳導是導熱的主要通道,因為對流和輻射僅占全部熱傳輸約10%。比如一個LED可能轉換近10.72瓦熱量(13.4瓦×0.8)。其中,9.648瓦(10.72瓦×0.9)透過傳導從LED接麵傳輸或遷移。顯然,LED光源需要精確的功率和熱管理係統,因為與其他光源相比,提供給LED的電能大部分轉換為熱量。如果沒有適當的熱管理,這種熱量會影響LED壽命和色彩輸出。同時由於LED驅動裝置屬於矽組件,很快就會失效,因此必須配備故障安全備用過電流保護裝置。


圖1 順向電壓隨接麵溫度升高而下降
[page]輸入/輸出保護防止負載異常
LED是透過定電流驅動的,其順向電壓介於2~4.5伏特之間,與顏色和電流有關。舊式設計依靠簡單電阻器限製LED驅動電流,但是基於廠家規定的典型順向壓降設計LED電路會導致LED驅動裝置過熱。當經過LED的順向壓降下降到遠低於典型規定值的水平時,可能會出現這種情況。在這類事件中,經過LED驅動裝置的電壓升高可能導致來自驅動裝置封裝的總功率耗散更高,因此對性能或壽命產生不利影響。
目前,多數LED應用利用功率轉換和控製組件連接各種功率源,如交流電線、太陽能電池板或電池,來控製LED驅動裝置的功率耗散。對這些接口加以保護,防止它們因過流和過溫而受損,常常用到具有可複位能力的聚合物正溫度係數(PPTC)組件(圖2)。可以與功率輸入串聯一個PolySwitch LVR組件,防止因電氣短路、電路超載或用戶誤操作而受損。此外,放在輸入端上的金屬氧化物變阻(MOV)也有助於LED模塊內的過壓保護。

圖2 開關模式電源的典型電路保護設計
PolySwitch LVR也可以放置在MOV之後。許多設備廠商選擇能保護電路與具備上遊故障安全保護的可重設定PolySwitch組件組合。在本例中,R1是與保護電路組合使用的鎮流電阻,LED驅動裝置容易因直流電壓和極性錯誤而受損,輸出也會因有害短路而受損或毀壞,帶電埠也容易因過壓瞬態受損,包括靜電放電(ESD)脈衝。圖3表示針對LED驅動裝置和燈泡數組的典型電路保護設計,驅動裝置輸入上的PolyZen組件既為設計人員提供了傳統鉗位二極管的簡單性,同時又避免了對大量散熱片的需求。該組件有助於單個、小型封裝內的瞬態抑製、反向偏壓保護和過流保護。

圖3 LED驅動裝置輸入和輸出的協同保護方案
驅動輸出上的PolySwitch組件有助於防止因有害短路或其他負載異常而受損,為了充分發揮PolySwitch組件的作用,可以與金屬芯電路板或LED散熱片熱接,此外,與LED並置的PESD組件也可以對靜電放電加以保護。
第二類功率源增加設計彈性
在照明係統中采用第二類功率源可成為降低成本、提高彈性的重要因素之一。固有的有限功率源,如變壓器、dianyuangongyingqihuodianchideng,keyibaohanbaohuzujian,zhiyaobuyikaotamenxianzhidierleigonglvyuandeshuchujike。feiguyouxingdeyouxiangonglvyuan,anzhaodingyi,juyouyigefenlibaohuzujian,dangdianliuhenengliangshuchudadaoyudingzhishitahuizidongzhongduanshuchu,gezhongdianlubaohuzujiandouyouzhuyutigongLED照明應用第二類功率源的安全操作。圖4表示了一種協同保護策略的工作原理,它在交流輸入上采用了一個MOV,在輸出電路分支上采用了一個PolySwitch組件,可以幫助廠商滿足UL 1310第35.1小節針對開關和控製裝置的過載試驗要求。

圖4 第二類功率源的協同保護方案
可重設PPTC組件可以防止因LED照明應用中過流和過溫故障造成的損害,MOV過壓保護組件有助於廠家滿足各種安全機構的要求,可提供大電流輸送和能量吸收能力,並快速響應過壓瞬態。與多數ESD保護組件相比,PESD組件電容極低,約0.25皮法,並且具有電子行業最普遍的形狀係數。
PolyZen組(zu)件(jian)既(ji)為(wei)設(she)計(ji)人(ren)員(yuan)提(ti)供(gong)了(le)傳(chuan)統(tong)鉗(qian)位(wei)二(er)極(ji)管(guan)的(de)簡(jian)單(dan)性(xing),同(tong)時(shi)又(you)避(bi)免(mian)了(le)對(dui)大(da)量(liang)散(san)熱(re)片(pian)的(de)需(xu)求(qiu)。這(zhe)種(zhong)單(dan)元(yuan)件(jian)方(fang)案(an)可(ke)以(yi)對(dui)因(yin)電(dian)源(yuan)使(shi)用(yong)不(bu)當(dang)導(dao)致(zhi)的(de)受(shou)損(sun)提(ti)供(gong)保(bao)護(hu),並(bing)具(ju)有(you)瞬(shun)態(tai)抑(yi)製(zhi)、反(fan)向(xiang)偏(pian)壓(ya)保(bao)護(hu)能(neng)力(li),也(ye)可(ke)防(fang)止(zhi)因(yin)過(guo)流(liu)事(shi)件(jian)而(er)受(shou)損(sun)。在(zai)協(xie)同(tong)保(bao)護(hu)方(fang)案(an)中(zhong)使(shi)用(yong)這(zhe)些(xie)組(zu)件(jian)可(ke)以(yi)讓(rang)設(she)計(ji)人(ren)員(yuan)減(jian)少(shao)組(zu)件(jian)數(shu)量(liang),提(ti)供(gong)安(an)全(quan)可(ke)靠(kao)的(de)產(chan)品(pin),滿(man)足(zu)監(jian)管(guan)機(ji)構(gou)的(de)要(yao)求(qiu),並(bing)減(jian)少(shao)保(bao)固(gu)和(he)維(wei)修(xiu)成(cheng)本(ben)。
特別推薦
- 噪聲中提取真值!瑞盟科技推出MSA2240電流檢測芯片賦能多元高端測量場景
- 10MHz高頻運行!氮矽科技發布集成驅動GaN芯片,助力電源能效再攀新高
- 失真度僅0.002%!力芯微推出超低內阻、超低失真4PST模擬開關
- 一“芯”雙電!聖邦微電子發布雙輸出電源芯片,簡化AFE與音頻設計
- 一機適配萬端:金升陽推出1200W可編程電源,賦能高端裝備製造
技術文章更多>>
- 三星上演罕見對峙:工會集會討薪,股東隔街抗議
- 摩爾線程實現DeepSeek-V4“Day-0”支持,國產GPU適配再提速
- 築牢安全防線:智能駕駛邁向規模化應用的關鍵挑戰與破局之道
- GPT-Image 2:99%文字準確率,AI生圖告別“鬼畫符”
- 機器人馬拉鬆的勝負手:藏在主板角落裏的“時鍾戰爭”
技術白皮書下載更多>>
- 車規與基於V2X的車輛協同主動避撞技術展望
- 數字隔離助力新能源汽車安全隔離的新挑戰
- 汽車模塊拋負載的解決方案
- 車用連接器的安全創新應用
- Melexis Actuators Business Unit
- Position / Current Sensors - Triaxis Hall
熱門搜索
Tektronix
Thunderbolt
TI
TOREX
TTI
TVS
UPS電源
USB3.0
USB 3.0主控芯片
USB傳輸速度
usb存儲器
USB連接器
VGA連接器
Vishay
WCDMA功放
WCDMA基帶
Wi-Fi
Wi-Fi芯片
window8
WPG
XILINX
Zigbee
ZigBee Pro
安規電容
按鈕開關
白色家電
保護器件
保險絲管
北鬥定位
北高智

