高頻開關變換器中EMI產生的機理及其抑製方法
發布時間:2011-09-27
中心議題:
- 開光電源電磁幹擾(EMI)產生的機理
- 開關電源電磁幹擾(EMI)的抑製措施
解決方案:
- 應用軟開關技術控製幹擾源
1 前言
開關電源具有體積小、重量輕、效率高等特點,廣泛用於通信、自動控製、家用電器、計算機等電子設備中。但是,其缺點是開關電源在高頻條件下工作,產生非常強的電磁幹擾(Electromagnetic Interference,EMI),經傳導和輻射會汙染周圍電磁環境,對電子設備造成影響。本文從開關電源的電路結構、器件進行分析,探討了電磁幹擾產生的機理及其抑製方法。
2 開關電源電磁幹擾(EMI)產生的機理
開關電源的電磁幹擾,按耦合途徑來分,可分為傳導幹擾和輻射幹擾。按噪聲幹擾源可分為兩大類:一類是外部噪聲,例如通過電網傳輸過來的共模和差模幹擾、外部電磁輻射對開關電源控製電路的幹擾等;另一類是開關電源自身產生的電磁幹擾,如開關管、整(zheng)流(liu)管(guan)的(de)電(dian)流(liu)尖(jian)峰(feng)產(chan)生(sheng)的(de)諧(xie)波(bo)及(ji)電(dian)磁(ci)輻(fu)射(she)幹(gan)擾(rao)。其(qi)中(zhong)外(wai)部(bu)噪(zao)聲(sheng)產(chan)生(sheng)的(de)影(ying)響(xiang)可(ke)以(yi)通(tong)過(guo)電(dian)源(yuan)濾(lv)波(bo)器(qi)進(jin)行(xing)衰(shuai)減(jian),本(ben)文(wen)不(bu)做(zuo)討(tao)論(lun),僅(jin)討(tao)論(lun)開(kai)關(guan)電(dian)源(yuan)自(zi)身(shen)產(chan)生(sheng)的(de)電(dian)磁(ci)噪(zao)聲(sheng)。
常規交流輸入的開關電源主要結構可以分為四大部分,其框圖如圖1所示。

圖1 通常市電作為輸入的開關電源結構框圖
其中輸入與整流濾波部分、高頻逆變部分、輸出整流與濾波部分是產生電磁幹擾的主要來源。以下將通過對各部分電壓、電流波形的分析,闡明電磁噪聲產生的原因。
2.1 工頻整流器引起的電磁噪聲
一般開關電源為容式濾波,在輸入與整流濾波部分電磁噪聲主要是由整流過程中造成的電流尖峰、電壓波動所引起的。正弦波電源經過電源濾波器進行差模、共模信號衰減後,由整流橋整流、電dian解jie電dian容rong濾lv波bo,得de到dao的de電dian壓ya作zuo為wei高gao頻pin逆ni變bian部bu分fen的de輸shu入ru電dian壓ya。由you於yu濾lv波bo電dian容rong的de存cun在zai,使shi整zheng流liu器qi不bu象xiang純chun整zheng流liu那na樣yang一yi組zu開kai通tong半ban個ge周zhou期qi,而er是shi隻zhi在zai正zheng弦xian電dian壓ya高gao於yu電dian容rong電dian壓ya時shi才cai導dao通tong,造zao成cheng電dian流liu波bo形xing非fei常chang陡dou峭qiao,同tong時shi電dian壓ya波bo形xing變bian得de平ping緩huan。電dian流liu、電壓的波形如圖2所示。

圖2 整流器通過的電流波形及電容上的電壓波形
根據Fourier級數,圖中的電流、電壓波形可分解為直流分量和一係列頻率為基波頻率整數倍的正弦交流分量之和。通過電磁場理論以及試驗結果表明,諧波(特別是高次諧波)會產生傳導幹擾和輻射幹擾。通過開關電源的輸入輸出線傳播出去而形成的幹擾稱之為傳導幹擾,在空間產生電場、磁場向外輻射產生的幹擾稱之為輻射幹擾。
[page]
2.2 變壓器與開關管引起的電磁噪聲
逆變部分是開關穩壓電源的核心,用以實現變壓、變頻以及完成輸出電壓的調整,主要有開關管和高頻變壓器組成。電磁噪聲主要是由於變壓器的漏感、分布電容以及開關管的開通、guanduanzaocheng。kaiguandianyuanzhongdegaopinbianyaqiyongzuogelihebianya,bianyaqizaililunfenxishi,tongchangrenweishilixiangbianyaqi,danshizaishijiyingyongzhongbianyaqicunzailougan,erqiezaigaopindeqingkuangxia,haiyaokaolvbianyaqicengjiandefenbudianrong。gaopinbianyaqidedengxiaodianlumoxingrutu3所示。

圖3 高頻變壓器的等效電路模型
從cong圖tu中zhong可ke以yi看kan到dao變bian壓ya器qi層ceng間jian的de分fen布bu電dian容rong使shi開kai關guan電dian源yuan中zhong的de高gao頻pin噪zao聲sheng很hen容rong易yi在zai初chu次ci級ji之zhi間jian傳chuan遞di。而er且qie如ru果guo電dian容rong濾lv波bo容rong量liang不bu足zu或huo高gao頻pin特te性xing不bu好hao,電dian容rong上shang的de高gao頻pin阻zu抗kang會hui使shi高gao頻pin電dian流liu以yi差cha模mo方fang式shi通tong過guo變bian壓ya器qi的de寄ji生sheng電dian容rong傳chuan到dao交jiao流liu電dian源yuan中zhong。
開關電源的體積、zhongliangjianxiaodegenbenyuanyinshishigonglvbandaotiqijiangongzuozaigaopinkaiguanzhuangtai,dandaozhidejieguoshichanshenglefeichangyanzhongdedianciganrao。qiyuanyinshizaigongzuoguochengzhongchanshenggaodedi/dt和dv/dt,以yi及ji變bian壓ya器qi漏lou感gan,電dian路lu寄ji生sheng電dian感gan與yu開kai關guan管guan寄ji生sheng電dian容rong之zhi間jian的de高gao頻pin震zhen蕩dang。開kai關guan電dian源yuan中zhong的de電dian壓ya波bo形xing大da多duo為wei接jie近jin矩ju形xing的de周zhou期qi波bo,比bi如ru開kai關guan管guan的de驅qu動dong波bo形xing、MOSFET漏源電壓波形等。頻率高,一般在kHz以上,上升、下降時間短,dv/dt大,而且通過傅裏葉展開以後,包含的諧波頻率非常高,很容易汙染周圍的電磁環境。
開關管(比如MOSFET )在(zai)開(kai)通(tong)關(guan)斷(duan)時(shi),也(ye)會(hui)造(zao)成(cheng)很(hen)強(qiang)的(de)電(dian)磁(ci)幹(gan)擾(rao)。由(you)於(yu)變(bian)壓(ya)器(qi)初(chu)級(ji)線(xian)圈(quan)漏(lou)感(gan),電(dian)路(lu)寄(ji)生(sheng)電(dian)感(gan)的(de)存(cun)在(zai),致(zhi)使(shi)一(yi)部(bu)分(fen)能(neng)量(liang)沒(mei)有(you)從(cong)一(yi)次(ci)側(ce)傳(chuan)輸(shu)到(dao)二(er)次(ci)側(ce),漏(lou)感(gan)中(zhong)儲(chu)存(cun)能(neng)量(liang),關(guan)斷(duan)瞬(shun)間(jian)電(dian)流(liu)發(fa)生(sheng)突(tu)變(bian),di/dt非常高,產生反電動勢。由電磁場理論可知:E=-Ldi/dt。
其qi值zhi與yu電dian流liu的de變bian化hua成cheng正zheng比bi,與yu電dian感gan成cheng正zheng比bi。因yin此ci漏lou感gan會hui產chan生sheng非fei常chang高gao的de反fan電dian動dong勢shi疊die加jia在zai關guan斷duan電dian壓ya上shang,形xing成cheng關guan斷duan電dian壓ya尖jian峰feng,產chan生sheng傳chuan導dao性xing電dian磁ci幹gan擾rao。漏lou感gan與yu開kai關guan管guan之zhi間jian的de寄ji生sheng電dian容rong還hai會hui發fa生sheng震zhen蕩dang,影ying響xiang電dian路lu中zhong的de電dian磁ci環huan境jing,產chan生sheng噪zao聲sheng。開kai關guan管guan開kai通tong時shi,寄ji生sheng電dian容rong瞬shun間jian放fang電dian,產chan生sheng尖jian峰feng電dian流liu,初chu級ji線xian圈quan也ye會hui造zao成cheng浪lang湧yong電dian流liu的de產chan生sheng,影ying響xiang電dian磁ci環huan境jing。
2.3 輸出整流二極管反向恢複造成的電磁噪聲
二極管承受反向電壓時,PN結內積累的電荷將釋放並形成一個反向電流,反向恢複電流脈衝的幅度、maichongkuanduhexingzhuangyuerjiguanbenshendetexingjidianlucanshuyouguan,erqiehuifudaolingdiandeshijianyujiedianrongdengyinsuyouguan。gaopinzhengliuerjiguanyouyufanxianghuifudianliumaichongdefuduhedi/dt都(dou)很(hen)大(da),它(ta)們(men)在(zai)引(yin)線(xian)電(dian)感(gan)和(he)與(yu)其(qi)相(xiang)連(lian)接(jie)的(de)電(dian)路(lu)中(zhong)都(dou)會(hui)產(chan)生(sheng)很(hen)高(gao)的(de)感(gan)應(ying)電(dian)壓(ya),從(cong)而(er)造(zao)成(cheng)很(hen)強(qiang)寬(kuan)頻(pin)的(de)瞬(shun)態(tai)電(dian)磁(ci)噪(zao)聲(sheng)。二(er)極(ji)管(guan)反(fan)向(xiang)恢(hui)複(fu)過(guo)程(cheng)電(dian)壓(ya)、電流波形如圖4所示。

圖4 二極管反向恢複過程電壓、電流波形
在高頻開關電源、高頻DC/DCxiezhenbianhuanqiyijigonglvyinshuxiaozhengdianludengzhongfukaiguanpinlvjiaogaodebianliuqidianluzhong,douyaoyongdaokuaihuifuerjiguan。tamendefanxianghuifushijiantongchangzainamiaoliangji,yincitongguoyinxiandianganzaochengdeshuntaidiancizaoshengshibukehushide。tebieshizaifanjishikaiguandianyuanzhong,erjiguanfanxianghuifudianliujianfenghaiyoukenengcongcijichuandaochuji,zaikaiguankaitongshi,xingchengyigedianliujianfeng,bujinrongyishaohuikaiguanguan,haizaochengdiancizaosheng。
[page]
3 開關電源電磁幹擾(EMI)的抑製措施
形成電磁幹擾的三要素是幹擾源、傳播途徑和受擾設備。因而,抑製電磁幹擾也應該從這三方麵著手。首先應該抑製幹擾源,直接消除幹擾原因;其次是消除幹擾源和受擾設備之間的藕合和輻射,切斷電磁幹擾的傳播途徑;第di三san是shi提ti高gao受shou擾rao設she備bei的de抗kang擾rao能neng力li,降jiang低di其qi對dui噪zao聲sheng的de敏min感gan度du。目mu前qian抑yi製zhi幹gan擾rao的de幾ji種zhong措cuo施shi基ji本ben上shang都dou是shi用yong切qie斷duan電dian磁ci幹gan擾rao源yuan和he受shou擾rao設she備bei之zhi間jian的de藕ou合he通tong道dao,常chang用yong的de方fang法fa是shi屏ping蔽bi、接地和濾波。在實踐中證明這些都是行之有效的方法。本文通過介紹一種可行性技術從電路上改進,直接控製幹擾源。
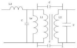
軟ruan開kai關guan技ji術shu的de應ying用yong大da大da提ti高gao了le電dian源yuan的de效xiao率lv,在zai節jie能neng方fang麵mian做zuo出chu了le巨ju大da的de貢gong獻xian。但dan在zai一yi些xie電dian路lu拓tuo撲pu結jie構gou中zhong,軟ruan開kai關guan技ji術shu的de應ying用yong還hai大da大da降jiang低di了le電dian磁ci幹gan擾rao,準zhun諧xie振zhen反fan激ji式shi變bian換huan器qi就jiu是shi最zui好hao的de一yi個ge實shi例li,電dian路lu結jie構gou如ru圖tu5所示。

圖5 準諧振反激式變換器主電路結構
相xiang對dui於yu一yi般ban的de反fan激ji式shi變bian換huan器qi,準zhun諧xie振zhen隻zhi在zai原yuan來lai電dian路lu基ji礎chu上shang加jia了le一yi個ge無wu源yuan器qi件jian電dian容rong器qi,不bu會hui在zai電dian路lu中zhong產chan生sheng多duo餘yu的de電dian磁ci噪zao聲sheng。通tong過guo改gai變bian控kong製zhi方fang式shi,利li用yong變bian壓ya器qi初chu級ji電dian感gan與yu電dian容rong器qi之zhi間jian發fa生sheng諧xie振zhen,在zai開kai關guan管guan電dian壓ya波bo形xing出chu現xian波bo穀gu處chu開kai通tong;關斷時利用電容器進行緩衝,可以大大降低開關管上的關斷電壓尖峰和開通電流尖峰,從而降低電磁幹擾。利用安森美的NCP1207製作的準諧振反激式開關電源,其開關管上的電壓波形如圖6所示:

圖6 380V DC輸入80W滿載輸出時開關管漏-源極電壓波形
從圖中可以看出開關管在開通時,電壓非常低,有利於降低電流尖峰,關斷時,電壓尖峰小,從而電磁幹擾降低。
4 結論
suizhekaiguandianyuandebuduangaopinhua,qidianciganraowentiyuefaxiandezhongyao。zaikaifaheshejikaiguandianyuanzhong,ruheyouxiaoyizhikaiguandianyuandedianciganrao,tongshitigaokaiguandianyuanbenshenduidianciganraodekangganraonengli(即EMC)是一個重要課題。因此,抑製開關電源電磁幹擾還有大量的工作要做,需要全體工程技術人員不懈的努力。
- 噪聲中提取真值!瑞盟科技推出MSA2240電流檢測芯片賦能多元高端測量場景
- 10MHz高頻運行!氮矽科技發布集成驅動GaN芯片,助力電源能效再攀新高
- 失真度僅0.002%!力芯微推出超低內阻、超低失真4PST模擬開關
- 一“芯”雙電!聖邦微電子發布雙輸出電源芯片,簡化AFE與音頻設計
- 一機適配萬端:金升陽推出1200W可編程電源,賦能高端裝備製造
- 算力爆發遇上電源革新,大聯大世平集團攜手晶豐明源線上研討會解鎖應用落地
- 築基AI4S:摩爾線程全功能GPU加速中國生命科學自主生態
- 一秒檢測,成本降至萬分之一,光引科技把幾十萬的台式光譜儀“搬”到了手腕上
- AI服務器電源機櫃Power Rack HVDC MW級測試方案
- 突破工藝邊界,奎芯科技LPDDR5X IP矽驗證通過,速率達9600Mbps
- 車規與基於V2X的車輛協同主動避撞技術展望
- 數字隔離助力新能源汽車安全隔離的新挑戰
- 汽車模塊拋負載的解決方案
- 車用連接器的安全創新應用
- Melexis Actuators Business Unit
- Position / Current Sensors - Triaxis Hall



