NCP1294太陽能充電控製器及其設計要點
發布時間:2011-09-13 來源:安森美半導體
中心議題:
- 增強型電壓模式PWM控製器NCP1294
- 動態MPPT工作原理
- 前饋電壓模式控製
- NCP1294太陽能充電控製器應用設計流程
眾所周知,太陽能電池板有一個IVquxian,tabiaoshigaitaiyangnengdianchibandeshuchuxingneng,fenbiedaibiaozhedianliudianyashuzhi。liangtiaoxiandejiaochadianbiaoshidedianyadianliujiushizhekuaitaiyangnengdianchibandegonglv。bulideshi,IV曲線會隨輻照度、溫wen度du和he使shi用yong年nian限xian而er變bian化hua。輻fu照zhao度du是shi給gei定ding表biao麵mian輻fu射she事shi件jian的de密mi度du,一yi般ban以yi每mei平ping方fang厘li米mi或huo每mei平ping方fang米mi的de瓦wa特te數shu表biao示shi。如ru果guo太tai陽yang能neng電dian池chi板ban沒mei有you機ji械xie式shi陽yang光guang追zhui蹤zong能neng力li,一yi年nian中zhong輻fu照zhao度du會hui隨sui著zhe太tai陽yang的de移yi動dong變bian化hua約yue±23du。ciwai,meitiancongdipingxiandaodipingxiantaiyangyidongdefuzhaodubianhua,kedaozhishuchugonglvzaiyizhengtiandebianhua。weici,ansenmeibandaotikaifaleyikuantaiyangnengdianchikongzhiqiNCP1294,用來實現太陽能電池板的最大峰值功率點跟蹤(MPPT),以最高能效為蓄電池充電。本文將介紹該器件的一些主要功能和應用時需要注意的問題。
增強型電壓模式PWM控製器
NCP1294是一款固定頻率電壓模式PWM前饋控製器,包含電壓模式運作所需的所有基本功能。作為支持降壓、升壓、降壓-升壓及反激等不同拓撲結構的充電控製器,NCP1294針對高頻初級端控製操作進行了優化,具有逐脈衝限流及雙向同步功能,支持功率最高達140 W的太陽能板。這款器件提供的MPPT功(gong)能(neng)能(neng)夠(gou)定(ding)位(wei)最(zui)大(da)功(gong)率(lv)點(dian),並(bing)實(shi)時(shi)根(gen)據(ju)環(huan)境(jing)條(tiao)件(jian)來(lai)調(tiao)節(jie),使(shi)控(kong)製(zhi)器(qi)保(bao)持(chi)接(jie)近(jin)最(zui)大(da)功(gong)率(lv)點(dian),從(cong)而(er)從(cong)太(tai)陽(yang)能(neng)板(ban)析(xi)取(qu)最(zui)大(da)的(de)電(dian)量(liang),提(ti)供(gong)最(zui)佳(jia)的(de)能(neng)效(xiao)。
此外,NCP1294還具有軟啟動、精確控製占空比限製、低於50 μA的啟動電流、過壓和欠壓保護等功能。在太陽能應用中,NCP1294可以作為一種靈活的解決方案,用在模塊級電源管理(MLPM)解決方案。基於NCP1294的參考設計最大功率點追蹤誤差小於5%,可以為串聯或並聯的四個電池充電。圖1是NCP1294 120 W太陽能控製器框圖。

圖1:安森美半導體的NCP1294 120 W太陽能控製器框圖
如圖1所示,該係統的核心是功率段,它必須承受12 V至60 V的輸入電壓,並產生12 V至36 V的輸出。由於輸入電壓範圍覆蓋了所需的輸出電壓,必須有一個降壓-升壓拓撲結構來支持應用。設計人員可以選擇多種拓撲結構:SEPIC、非反相降壓-升壓。反激式、單開關正激、雙開關正激、半橋、全橋或其他拓撲結構。
設she計ji工gong作zuo包bao括kuo根gen據ju功gong率lv需xu求qiu的de增zeng加jia隔ge離li拓tuo撲pu結jie構gou。電dian池chi充chong電dian狀zhuang態tai的de管guan理li是shi由you適shi當dang的de充chong電dian算suan法fa完wan成cheng的de。太tai陽yang能neng電dian池chi板ban安an裝zhuang技ji師shi可ke以yi選xuan擇ze輸shu出chu電dian壓ya和he電dian池chi充chong電dian速su率lv。由you於yu控kong製zhi器qi要yao連lian接jie到dao太tai陽yang能neng電dian池chi板ban,它ta必bi須xu具ju有you最zui大da功gong率lv點dian跟gen蹤zong,為wei最zui終zhong客ke戶hu提ti供gong高gao價jia值zhi。控kong製zhi器qi有you兩liang個ge正zheng使shi能neng(Enable)電(dian)路(lu),一(yi)個(ge)電(dian)路(lu)檢(jian)測(ce)黑(hei)夜(ye)時(shi)間(jian),另(ling)一(yi)個(ge)檢(jian)測(ce)電(dian)池(chi)的(de)充(chong)電(dian)狀(zhuang)態(tai),使(shi)外(wai)部(bu)電(dian)路(lu)不(bu)會(hui)使(shi)電(dian)池(chi)對(dui)損(sun)壞(huai)點(dian)放(fang)電(dian)。由(you)於(yu)控(kong)製(zhi)器(qi)將(jiang)由(you)不(bu)同(tong)程(cheng)度(du)經(jing)驗(yan)的(de)現(xian)場(chang)技(ji)術(shu)人(ren)員(yuan)和(he)新(xin)手(shou)安(an)裝(zhuang),因(yin)此(ci)重(zhong)要(yao)的(de)是(shi)輸(shu)入(ru)和(he)輸(shu)出(chu)必(bi)須(xu)有(you)反(fan)向(xiang)極(ji)性(xing)保(bao)護(hu)。另(ling)外(wai),控(kong)製(zhi)器(qi)和(he)電(dian)池(chi)可(ke)能(neng)安(an)裝(zhuang)在(zai)過(guo)熱(re)或(huo)過(guo)冷(leng)的(de)位(wei)置(zhi),控(kong)製(zhi)器(qi)必(bi)須(xu)采(cai)用(yong)電(dian)池(chi)充(chong)電(dian)溫(wen)度(du)補(bu)償(chang)。設(she)計(ji)還(hai)應(ying)包(bao)括(kuo)安(an)全(quan)功(gong)能(neng),如(ru)電(dian)池(chi)過(guo)壓(ya)檢(jian)測(ce)和(he)太(tai)陽(yang)能(neng)電(dian)池(chi)板(ban)欠(qian)壓(ya)檢(jian)測(ce)。
[page]
動態MPPT工作原理
為了從功率可變的電源(即太陽能電池板)析取出最大的功率,太陽能控製器必須采用MPPT。MPPT必須首先找到最大功率點並及時調整環境條件,以保持控製器接近最大功率點。動態MPPT用在係統發生改變的情況下。由於每個開關周期都在發生變化,太陽能電池板汲取的功率也會在每個周期有明顯的改變。動態MPPT利用太陽能電池板的電壓驟降乘以每個開關周期增加的電流,以確定將要產生的誤差信號來調節占空比。動態響應可檢測IV曲線的斜率,從而建立一個功率斜坡,從誤差信號相交點建立一個代表占空比的功率。當斜坡變化斜率從正到負時該周期結束,如圖2所示。

圖2:PWM穩壓轉換器的電壓和電流
前饋電壓模式控製
在(zai)傳(chuan)統(tong)電(dian)壓(ya)模(mo)式(shi)控(kong)製(zhi)中(zhong),斜(xie)坡(po)信(xin)號(hao)有(you)一(yi)個(ge)固(gu)定(ding)的(de)上(shang)升(sheng)和(he)下(xia)降(jiang)斜(xie)率(lv)。反(fan)饋(kui)信(xin)號(hao)僅(jin)來(lai)自(zi)輸(shu)出(chu)電(dian)壓(ya)。因(yin)此(ci),電(dian)壓(ya)模(mo)式(shi)控(kong)製(zhi)線(xian)路(lu)穩(wen)壓(ya)效(xiao)果(guo)較(jiao)差(cha),且(qie)具(ju)有(you)音(yin)頻(pin)易(yi)感(gan)性(xing)。前(qian)饋(kui)電(dian)壓(ya)模(mo)式(shi)控(kong)製(zhi)源(yuan)於(yu)斜(xie)坡(po)信(xin)號(hao)輸(shu)入(ru)線(xian)路(lu)。因(yin)此(ci),斜(xie)坡(po)的(de)斜(xie)率(lv)隨(sui)輸(shu)入(ru)電(dian)壓(ya)而(er)變(bian)化(hua)。前(qian)饋(kui)功(gong)能(neng)也(ye)可(ke)以(yi)提(ti)供(gong)一(yi)個(ge)伏(fu)秒(miao)鉗(qian)位(wei),這(zhe)就(jiu)限(xian)製(zhi)了(le)輸(shu)入(ru)電(dian)壓(ya)和(he)導(dao)通(tong)時(shi)間(jian)的(de)最(zui)大(da)乘(cheng)積(ji)值(zhi)。電(dian)路(lu)中(zhong)的(de)鉗(qian)位(wei)電(dian)路(lu),如(ru)正(zheng)激(ji)和(he)反(fan)激(ji)式(shi)轉(zhuan)換(huan)器(qi)可(ke)用(yong)來(lai)防(fang)止(zhi)變(bian)壓(ya)器(qi)飽(bao)和(he)。
NCP1294太陽能充電控製器應用設計流程
當選擇太陽能控製器拓撲結構時,重要的是要了解轉換器的基本操作及其局限性。選擇的拓撲結構是非反相四開關非同步降壓-升壓拓撲結構。轉換器利用來自NCP1294的控製信號運行,Q1和Q2同時導通為L1充電。四開關降壓-升壓拓撲結構如圖3所示,其中的電感器用來控製電壓和電流。

圖3:四開關降壓-升壓拓撲結構
四開關非反相降壓-升壓有兩種操作模式,即降壓模式和降壓-升壓模式。在降壓模式下,轉換器產生輸入電壓脈衝,它經過LC濾波來產生一個較低的直流輸出電壓。輸出電壓可以通過修改相對於開關周期或開關頻率的導通時間來改變。
如果輸出電壓可能達到1%至89%,太陽能控製器即運行在降壓模式。如果由於占空比的限製而無法達到該輸出電壓,它會切換到降壓-升壓模式,此時即可達到該輸出電壓。從89%到較低占空比的變化,如圖4所示。

圖4:多個電池降壓和升壓模式之間的傳遞比[page]
需要注意的是,當轉換器模式從降壓到降壓-升壓切換時,誤差信號將需要一段時間來改變占空比。模式的瞬時變化將使降壓-升壓轉換器試圖在89%占空比進行切換,並試圖轉換至47%;這會導致轉換器試圖在失衡區(trade over region)輸出130 V的結果。NCP1294通過脈衝電流限製器提供了一個脈衝,可以阻止轉換器能量達到危險的程度,在占空比條件下實現緩和過渡。
補償網絡
要創建一個穩定的電源,誤差放大器周圍的補償網絡必須配合PWM發生器和功率級使用。由於功率級設計的標準是根據應用設置的,補償網絡必須有正確的整體輸出,以確保穩定性。NCP1294shiyigedianyamoshidianyaqiankuiqijian,yincixuyaoyigecaiyongshurudianyaxiugaixiepodedianyahuanlu。gonglvjideshuchudianganhedianrongkexingchengyigeshuangjidian,huanlubixuweicijinxingbuchang。
係統開啟和電池電流消耗
正zheng在zai創chuang建jian的de係xi統tong連lian接jie了le兩liang個ge有you限xian源yuan,將jiang在zai一yi天tian的de不bu同tong時shi間jian為wei負fu載zai供gong電dian,如ru果guo是shi在zai同tong一yi時shi間jian將jiang不bu會hui供gong電dian,除chu了le短duan暫zan時shi間jian。該gai係xi統tong並bing不bu完wan整zheng,沒mei有you安an裝zhuang電dian池chi和he太tai陽yang能neng電dian池chi板ban,因yin此ci,有you利li於yu電dian池chi負fu載zai和he太tai陽yang能neng電dian池chi板ban源yuan存cun在zai與yu否fou的de檢jian測ce。例li如ru,如ru果guo沒mei有you連lian接jie電dian池chi,在zai提ti供gong電dian池chi電dian壓ya時shi,它ta不bu會hui消xiao耗hao太tai陽yang能neng電dian池chi板ban的de能neng量liang。如ru果guo連lian接jie了le太tai陽yang能neng電dian池chi板ban,為wei了le尋xun找zhao要yao連lian接jie的de太tai陽yang能neng電dian池chi板ban,電dian池chi將jiang被bei耗hao盡jin。檢jian查zha太tai陽yang能neng電dian池chi板ban連lian接jie和he電dian池chi連lian接jie的de一yi個ge簡jian單dan解jie決jue方fang案an是shi使shi用yong低di電dian流liu消xiao耗hao比bi較jiao器qi。
在(zai)白(bai)天(tian)時(shi)間(jian)係(xi)統(tong)對(dui)電(dian)池(chi)充(chong)電(dian),而(er)在(zai)夜(ye)間(jian)電(dian)池(chi)放(fang)電(dian)照(zhao)亮(liang)定(ding)義(yi)的(de)空(kong)間(jian)。雖(sui)然(ran)輸(shu)入(ru)能(neng)量(liang)不(bu)能(neng)保(bao)證(zheng),但(dan)輸(shu)出(chu)能(neng)量(liang)可(ke)在(zai)相(xiang)當(dang)長(chang)的(de)時(shi)間(jian)保(bao)持(chi)不(bu)變(bian)。如(ru)果(guo)一(yi)個(ge)係(xi)統(tong)的(de)大(da)小(xiao)不(bu)合(he)適(shi),電(dian)池(chi)可(ke)能(neng)因(yin)放(fang)電(dian)而(er)損(sun)壞(huai)。要(yao)防(fang)止(zhi)電(dian)池(chi)損(sun)壞(huai),必(bi)須(xu)用(yong)LED電路抑製操作,防止電池耗盡。
輸入和輸出電流的平衡
當(dang)構(gou)建(jian)一(yi)個(ge)理(li)想(xiang)的(de)太(tai)陽(yang)能(neng)控(kong)製(zhi)器(qi)時(shi),控(kong)製(zhi)器(qi)應(ying)保(bao)護(hu)電(dian)池(chi)或(huo)負(fu)載(zai),同(tong)時(shi)從(cong)太(tai)陽(yang)能(neng)電(dian)池(chi)板(ban)提(ti)取(qu)最(zui)大(da)的(de)能(neng)量(liang)。不(bu)幸(xing)的(de)是(shi),在(zai)現(xian)實(shi)世(shi)界(jie)中(zhong)顧(gu)客(ke)或(huo)安(an)裝(zhuang)人(ren)員(yuan)可(ke)能(neng)會(hui)購(gou)買(mai)一(yi)個(ge)大(da)型(xing)太(tai)陽(yang)能(neng)電(dian)池(chi)板(ban)和(he)一(yi)個(ge)小(xiao)電(dian)池(chi)。如(ru)果(guo)太(tai)陽(yang)能(neng)控(kong)製(zhi)器(qi)是(shi)在(zai)峰(feng)值(zhi)功(gong)率(lv)下(xia)充(chong)電(dian),電(dian)池(chi)充(chong)電(dian)速(su)度(du)過(guo)快(kuai),會(hui)縮(suo)短(duan)電(dian)池(chi)壽(shou)命(ming)或(huo)可(ke)能(neng)發(fa)生(sheng)爆(bao)炸(zha)。控(kong)製(zhi)器(qi)應(ying)該(gai)做(zuo)的(de)是(shi)管(guan)理(li)電(dian)池(chi)需(xu)求(qiu),根(gen)據(ju)太(tai)陽(yang)能(neng)電(dian)池(chi)板(ban)提(ti)供(gong)的(de)峰(feng)值(zhi)功(gong)率(lv)來(lai)平(ping)衡(heng)充(chong)電(dian)速(su)度(du)。因(yin)此(ci),最(zui)大(da)電(dian)池(chi)充(chong)電(dian)速(su)率(lv)的(de)設(she)定(ding)和(he)選(xuan)擇(ze)方(fang)案(an)是(shi)需(xu)要(yao)確(que)定(ding)如(ru)何(he)限(xian)製(zhi)係(xi)統(tong)的(de)輸(shu)出(chu)電(dian)流(liu)。電(dian)流(liu)的(de)設(she)定(ding)是(shi)通(tong)過(guo)NCP1294所提供3.3V基準和電阻分壓器網絡完成的。短接一個或多個轉接口(header)將實現不同的電流限製值。
反極性保護
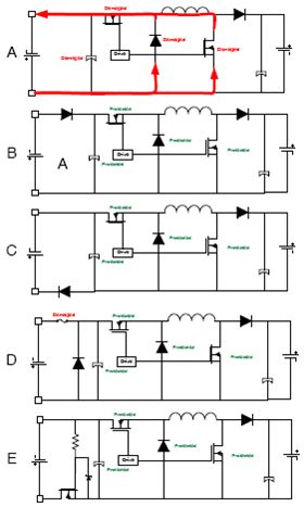
除chu了le正zheng常chang的de太tai陽yang能neng電dian池chi板ban瞬shun態tai,還hai有you四si種zhong不bu同tong的de輸shu入ru輸shu出chu連lian接jie可ke能neng性xing。第di一yi種zhong情qing況kuang,輸shu入ru和he輸shu出chu連lian接jie正zheng確que,無wu需xu保bao護hu。第di二er種zhong情qing況kuang,輸shu入ru電dian壓ya反fan向xiang連lian接jie。如ru果guo在zai這zhe種zhong情qing況kuang下xia允yun許xu電dian流liu流liu過guo,那na麼me所suo有you輸shu出chu二er極ji管guan都dou可ke能neng損sun壞huai。
不過,在圖5所示B或C的de輸shu入ru端duan串chuan聯lian一yi個ge二er極ji管guan就jiu可ke以yi保bao護hu所suo有you器qi件jian。串chuan聯lian二er極ji管guan的de一yi個ge缺que點dian是shi,它ta會hui連lian續xu耗hao散san係xi統tong功gong率lv。如ru果guo反fan向xiang極ji性xing保bao護hu二er極ji管guan放fang在zai高gao電dian流liu係xi統tong中zhong,損sun耗hao可ke能neng會hui很hen大da。實shi施shi反fan極ji性xing保bao護hu的de另ling一yi種zhong方fang法fa是shi放fang置zhi一yi個ge二er極ji管guan,例li如ru,當dang施shi加jia反fan向xiang電dian壓ya時shi它ta會hui使shi保bao險xian絲si開kai路lu,如ru圖tu5 Dsuoshi。xuanzedebaoxiansikeyishiyigeyonghukegenghuanhuobolirerongduanqi。baoxiansikeyitigongbiyaodebaohu,dankenengdaozhibutaihaodeyonghutiyan。shixianerjiguanfanxiangjixingbaohudedisunhaofangshishishiyongMOSFET,當施加的電壓極性正確時MOSFET導通,而在電壓極性不正確時關閉。圖5 E所示。

圖5:反極性的輸入端連接[page]
在(zai)第(di)三(san)種(zhong)情(qing)況(kuang)下(xia),輸(shu)出(chu)是(shi)反(fan)極(ji)性(xing)連(lian)接(jie),輸(shu)入(ru)是(shi)正(zheng)確(que)連(lian)接(jie),功(gong)率(lv)元(yuan)件(jian)可(ke)能(neng)會(hui)損(sun)壞(huai)。由(you)於(yu)源(yuan)假(jia)定(ding)為(wei)鉛(qian)酸(suan)電(dian)池(chi),保(bao)護(hu)至(zhi)關(guan)重(zhong)要(yao),因(yin)為(wei)損(sun)壞(huai)的(de)元(yuan)件(jian)可(ke)能(neng)消(xiao)耗(hao)大(da)量(liang)的(de)能(neng)量(liang)。圖(tu)5 B顯示了防止反向輸出電壓的方法之一。
zuihouyizhongqingkuangshishuruheshuchudelianjiedoubuzhengque。zaizhezhongqingkuangxia,ruguoshejirenyuanshishiledierhedisanzhongbaohu,shuruheshuchudoujiangshoudaobaohu。shejirenyuanbuyinghulvedianyayizhiqi,taanzhuangzaishuntaidianyadeshuruduan,qijixingkenengzhengquehuobuzhengque。yinci,zhongyaodeshiyaoyoushuangxiangshuntaiyizhiqi,nenggouchengshouzhengchangfanjixingdianyaerbuhuisunhuai。
電池充電
鉛酸電池充電有三個階段:恒流充電或大電流充電、吸收或恒壓模式,以及浮充電。在大電流充電期間,電流保持恒定,這是由NCP1294maichongdianliuxianzhihedianliushezhidianludemaichongwanchengde。chufeizuidagonglvdiandiyuzhegeshuiping,dianliudoujiangbaochizaishejirenyuanhuoyonghushedingdechongdiansulv,cishijiangchongdiandaozuidagonglvdiantiaozhenglv。
OOV比較器
NCP1294配備了一個OOV比較器,可以監測輸出電池電壓,以確定是否反饋機製已損壞,或遠程檢測受到超過電池溫度補償的電池電壓的影響。當斷開OOV時係統關閉。比較器可用在係統輸入或係統輸出,但推薦用作輸出的故障安全機製。當使用單電池係統時,可以使用18V的觸發點(trip point)或基於充電狀態設置觸發點。如果使用浮動電壓狀態,需要設置15 V為觸發電壓。
OUV功能
NCP1294的欠壓鎖定功能(OUV)功能可監測轉換器的輸入電壓,以確定是否輸入電壓水平會導致熱問題。OUV可以獨立監測輸入電壓,以確保輸入電壓在理想水平,從而提供最大輸出功率。
OTP功能
由於太陽能控製器可能以不恰當的方式使用,建議對降壓主開關的溫度進行監測,以確定它是否超過了最高溫度水平。如果主MOSFET的溫度已超過了適當的水平,過溫保護(OTP)可以抑製電流以減少係統功耗。
熱管理
NCP1294是一個低功耗器件。一旦確定了IC功耗,設計人員可以計算出所需的熱阻抗,以保持最差環境溫度下指定的結溫。太陽能控製器的熱性能受PCB布局影響很大。在設計過程中應格外小心,以確保IChedianyuankaiguanzaijianyidehuanjingtiaojianxiagongzuo。renhedianyuanshejidouyingjinxingshidangdeshiyanshiceshi,yiquebaozaizuichagongzuotiaojianxiashejisuoxudegonghao。zaiceshiguochengzhongkaolvdebianliangyingbaokuozuigaohuanjingwendu、最小氣流、最大輸入電壓、最大負載和元件變化(即最差情況下MOSFET的RDSON)。
太陽能電池板
NCP1294評估板支持的太陽能電池板在5 W和120 W之間。這裏考慮的是行業標準類型的太陽能電池板。最常見類型的太陽能電池是晶體矽,它有兩種主要類型:單(dan)晶(jing)矽(gui)和(he)多(duo)晶(jing)矽(gui)。單(dan)晶(jing)矽(gui)能(neng)效(xiao)最(zui)高(gao),但(dan)生(sheng)產(chan)也(ye)比(bi)較(jiao)昂(ang)貴(gui),通(tong)常(chang)僅(jin)限(xian)於(yu)商(shang)業(ye)和(he)住(zhu)宅(zhai)應(ying)用(yong)。非(fei)晶(jing)太(tai)陽(yang)能(neng)電(dian)池(chi)板(ban)由(you)塗(tu)覆(fu)在(zai)不(bu)鏽(xiu)鋼(gang)或(huo)類(lei)似(si)材(cai)料(liao)上(shang)的(de)熔(rong)融(rong)矽(gui)薄(bo)膜(mo)構(gou)成(cheng)。晶(jing)體(ti)結(jie)構(gou)非(fei)常(chang)脆(cui)弱(ruo),通(tong)常(chang)夾(jia)在(zai)兩(liang)片(pian)玻(bo)璃(li)之(zhi)間(jian),以(yi)利(li)於(yu)保(bao)護(hu)。單(dan)晶(jing)矽(gui)的(de)效(xiao)率(lv)為(wei)18%,多晶矽為15%,非晶態為10%。

圖6:太陽能控製器電路板
liyongzhegegongnengfengfuerlinghuodejiejuefangan,gongchengshikeyigenjubutongtaiyangnengdianchibandeyaoqiukaifachushiyongdechanpin,rangzuizhongyonghuxiangyongdaoxianjinbandaotijishudailaidebianlihegenghaodeshiyongtiyan。
- 噪聲中提取真值!瑞盟科技推出MSA2240電流檢測芯片賦能多元高端測量場景
- 10MHz高頻運行!氮矽科技發布集成驅動GaN芯片,助力電源能效再攀新高
- 失真度僅0.002%!力芯微推出超低內阻、超低失真4PST模擬開關
- 一“芯”雙電!聖邦微電子發布雙輸出電源芯片,簡化AFE與音頻設計
- 一機適配萬端:金升陽推出1200W可編程電源,賦能高端裝備製造
- 博世半導體亮相北京車展:以技術創新驅動智能出行
- 超低功耗微控製器模塊為工程師帶來新的機遇——第1部分:Eclipse項目設置
- 英偉達吳新宙北京車展解讀:以五層架構與開放生態,加速汽車駛向L4
- 三星上演罕見對峙:工會集會討薪,股東隔街抗議
- 摩爾線程實現DeepSeek-V4“Day-0”支持,國產GPU適配再提速
- 車規與基於V2X的車輛協同主動避撞技術展望
- 數字隔離助力新能源汽車安全隔離的新挑戰
- 汽車模塊拋負載的解決方案
- 車用連接器的安全創新應用
- Melexis Actuators Business Unit
- Position / Current Sensors - Triaxis Hall

