探究變頻器的電磁兼容與電磁幹擾抑製問題
發布時間:2011-08-30
中心議題:
- pwm變頻器的傳導幹擾機理
- pwm變頻器傳導幹擾的抑製措施
解決方案:
- 基於減小幹擾源發射強度的emi抑製技術
- 基於切斷傳導傳播途徑的emi抑製方法
1 引言
隨著現代控製理論、電力電子技術、計(ji)算(suan)機(ji)控(kong)製(zhi)技(ji)術(shu)和(he)傳(chuan)感(gan)器(qi)技(ji)術(shu)的(de)發(fa)展(zhan),整(zheng)個(ge)拖(tuo)動(dong)領(ling)域(yu)正(zheng)在(zai)進(jin)行(xing)一(yi)場(chang)革(ge)命(ming),交(jiao)流(liu)電(dian)機(ji)的(de)調(tiao)速(su)理(li)論(lun)取(qu)得(de)了(le)突(tu)破(po)性(xing)的(de)進(jin)展(zhan),交(jiao)流(liu)傳(chuan)動(dong)取(qu)代(dai)直(zhi)流(liu)傳(chuan)動(dong)已(yi)成(cheng)為(wei)不(bu)可(ke)逆(ni)轉(zhuan)的(de)趨(qu)勢(shi)。變(bian)頻(pin)器(qi)以(yi)其(qi)節(jie)能(neng)顯(xian)著(zhe)、過載能力強、調速精度高、響應速度快、保護功能完善、使用和維護方便等優點在交流傳動領域的應用將越來越廣泛。
變頻器是把工頻電源(50Hz或60Hz)bianhuanchenggezhongpinlvdejiaoliudianyuan,yishixiandianjidebiansuyunxingdeshebei,qizhongkongzhidianluwanchengduizhudianludekongzhi,zhengliudianlujiangjiaoliudianbianhuanchengzhiliudian,zhiliuzhongjiandianluduizhengliudianludeshuchujinxingpinghualvbo,nibiandianlujiangzhiliudianzainichengjiaoliudian。duiyurushiliangkongzhibianpinqizhezhongxuyaodaliangyunsuandebianpinqilaishuo,youshihaixuyaoyigejinxingzhuanjujisuandeCPUyijiyixiexiangyingdedianlu。bianpintiaosushitongguogaibiandianjidingziraozugongdiandepinlvlaidadaotiaosudemude。zaixiandaigongyezhong,bianpinqideshiyongyuelaiyueguangfan。muqianjihusuoyoubianpinqidoucaiyongpwm控製技術。
目前,國內外對電磁兼容問題非常重視。pwm變頻電機驅動係統所產生的電磁幹擾也越來越受到人們的重視。為了達到電磁兼容標準的要求,正確的設計、合理的運用抑製手段,使係統emi發射強度減小到emc標準限值以下,使電氣設備和係統實現電磁兼容。
2 pwm變頻器的傳導幹擾機理
所suo謂wei傳chuan導dao耦ou合he是shi指zhi電dian磁ci噪zao聲sheng的de能neng量liang在zai電dian路lu中zhong以yi電dian壓ya或huo電dian流liu的de形xing式shi,通tong過guo金jin屬shu導dao線xian或huo其qi他ta元yuan器qi件jian耦ou合he至zhi被bei騷sao擾rao設she備bei。傳chuan導dao耦ou合he又you可ke以yi分fen為wei直zhi接jie傳chuan導dao耦ou合he和he公gong共gong阻zu抗kang傳chuan導dao耦ou合he。直zhi接jie傳chuan導dao耦ou合he是shi指zhi噪zao聲sheng直zhi接jie通tong過guo導dao線xian、金屬體、電阻、電容、電感和變壓器等實際元器件耦合到被騷擾設備。公共阻抗傳導耦合是指噪聲通過印製板電路和機殼接地線、設備的公共安全接地線以及接地網絡中的共地阻抗產生公共的地阻抗耦合;噪聲通過交流供電電源及直流供電電源的公共電源阻抗時,產生公共電源阻抗耦合。
功率開關器件的開關運行狀態引起係統中各組件間複雜的相互耦合作用就會形成傳導幹擾。傳導幹擾考慮的最高頻率為30mhz,在真空中相應的電磁波波長λ為10m,因而對於尺寸小於λ/2π的電力電子裝置來講,屬於近場範圍,可用集總參數電路進行電磁幹擾分析。可以根據傳導幹擾傳播耦合通道的不同將係統輸入/輸(shu)出(chu)導(dao)線(xian)上(shang)的(de)騷(sao)擾(rao)區(qu)分(fen)為(wei)共(gong)模(mo)幹(gan)擾(rao)和(he)差(cha)模(mo)幹(gan)擾(rao)兩(liang)部(bu)分(fen),一(yi)般(ban)認(ren)為(wei)共(gong)模(mo)幹(gan)擾(rao)主(zhu)要(yao)是(shi)由(you)於(yu)係(xi)統(tong)變(bian)流(liu)器(qi)中(zhong)的(de)功(gong)率(lv)半(ban)導(dao)體(ti)開(kai)關(guan)器(qi)件(jian)開(kai)關(guan)動(dong)作(zuo)引(yin)起(qi)的(de)dv/dtjingxitongduidizasandianrongouheerchuanbo,yigejidedianyabianhuadouhuitongguorongxingouhedaolingyigejichanshengweiyidianliu。tongguojishengdianrongchanshengdedianliubingbuxuyaozhijiededianqilianjie,shenzhikeyimeiyoudi。qidaxiaokeyibiaoshiwei:i=cdu/dt ,式中c為電池幹擾源和敏感設備之間的等效耦合電容。
差模幹擾則主要是由於功率半導體開關器件開關引起的di/dtjingshurushuchuxianjiandedaotichuanbo。dangran,zhexiezhishichuandaoganraochanshengdezuibenzhiyuanyin,erbutongdedianjixitongqichuandaoganraodejutichengyinbutong,lingwai,gongmoganraohechagansaoraoshikeyixianghuzhuanhuade,bingbushijueduifenkaide。birutu1所示為共模電流傳輸通道的不平衡造成非本質差模噪聲的電路圖。

圖1 非本質差模噪聲產生機理
如圖2為pwm變頻驅動電機係統的電磁幹擾電流流通路徑圖,包括共模幹擾和差模幹擾。在pwm變bian頻pin器qi中zhong,為wei保bao證zheng開kai關guan管guan工gong作zuo時shi不bu會hui因yin過guo熱re而er失shi效xiao,都dou要yao對dui其qi安an裝zhuang散san熱re器qi,並bing且qie為wei防fang止zhi短duan路lu,開kai關guan管guan的de金jin屬shu外wai殼ke與yu散san熱re器qi之zhi間jian是shi通tong過guo導dao熱re絕jue緣yuan介jie質zhi相xiang隔ge離li的de,同tong時shi散san熱re器qi又you是shi通tong過guo機ji箱xiang接jie地di的de,於yu是shi,在zai變bian頻pin器qi與yu散san熱re器qi之zhi間jian就jiu形xing成cheng了le一yi個ge較jiao大da的de寄ji生sheng電dian容rong。當dang逆ni變bian器qi正zheng常chang工gong作zuo時shi,隨sui著zhe每mei相xiang橋qiao臂bi上shang、下開關管的輪流開通,橋臂中點電位會隨之發生準階躍變化。如果從emi角度看該現象,那麼三個橋臂所輸出的電壓就是三個emi幹擾源,而且每個開關動作時都會對功率開關器件與散熱片之間寄生電容進行充、放電,形成共模emi電流。

圖2 pwm變頻驅動電機係統的電磁幹擾電流流通路徑圖[page]
3 pwm變頻器傳導幹擾的抑製措施
由於電磁幹擾產生必須具備三要素:電磁幹擾源、電磁幹擾傳播途徑和敏感設備,所以對於抑製pwm變頻驅動電機係統的傳導幹擾也必須從三要素入手,即降低幹擾源的強度、切斷傳播途徑和提高敏感設備的抗擾度。
3.1 基於減小幹擾源發射強度的emi抑製技術
從降低幹擾源的強度來看,歸納起來有三種具有代表性的方法:改變電路拓撲、改進控製策略和優化驅動電路。
(1)改變電路拓撲
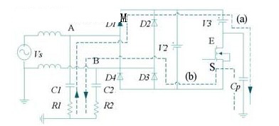
gaijindianlutuopudesiluzhuyaoshitongguoduichengjiegoulaixiaochubianhuanqishuchudegongmodianya,bingqieyouyukaiguanqijianshangdianyabianhualvjianbanershidezhuangzhishurucechuandaoganraofasheshuipingjiangdi。yia.l.julian為首的學者根據“電路平衡”原理提出了一種用於消除三相功率變換器輸出共模電壓的三相四橋臂方案[9-11],其實驗電路見圖3所示。該方法基本思想是采用一個外加“輔助相”使(shi)三(san)相(xiang)係(xi)統(tong)電(dian)路(lu)的(de)對(dui)地(di)電(dian)位(wei)對(dui)稱(cheng),並(bing)通(tong)過(guo)調(tiao)整(zheng)開(kai)關(guan)順(shun)序(xu),使(shi)四(si)橋(qiao)臂(bi)輸(shu)出(chu)相(xiang)電(dian)壓(ya)之(zhi)和(he)盡(jin)可(ke)能(neng)為(wei)零(ling),實(shi)現(xian)共(gong)模(mo)電(dian)壓(ya)完(wan)全(quan)為(wei)零(ling)。與(yu)傳(chuan)統(tong)三(san)橋(qiao)臂(bi)功(gong)率(lv)變(bian)換(huan)器(qi)相(xiang)比(bi),它(ta)的(de)共(gong)模(mo)emi可以減小約50%。

圖3 帶二階濾波器的三相四橋臂功率變換器
m.d.manjrekar和a.rao等學者提出了一種通過添加輔助零狀態開關,以消除因零開關狀態而產生共模電壓的方案,電路結構見圖4所示。這種輔助零狀態合成器方法在經濟方麵很有吸引力,並且還可以使消除感應電機側共模電壓。

圖4 輔助零狀態合成器結構圖
與yu傳chuan統tong的de功gong率lv變bian換huan相xiang比bi,盡jin管guan三san相xiang四si橋qiao臂bi和he輔fu助zhu零ling狀zhuang態tai合he成cheng器qi這zhe兩liang種zhong方fang法fa都dou能neng夠gou消xiao除chu或huo降jiang低di係xi統tong的de共gong模mo電dian壓ya,但dan它ta們men所suo采cai用yong的de調tiao製zhi策ce略lve都dou會hui使shi係xi統tong電dian壓ya利li用yong率lv下xia降jiang。為wei此ci,haoran zhang等學者提出了一種用於消除電機共模電壓和軸電流的雙橋功率變換器,拓撲結構見圖5所示。它是通過控製雙橋功率變換器產生標準的三相雙繞組感應電動機平衡激勵,並通過平衡激勵(磁係統)實現抵消共模電壓,達到消除軸電壓、軸電流及充分減小漏電流、emi發射強度的目的。

圖5 雙功率變換器驅動電路
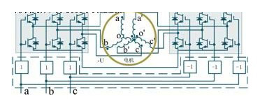
為了消除pwm電機驅動係統共模電流,a.consolidengxuezhejiyugongmodianyabuchangjishu,tichuleyizhongyingyongyuyoulianggehuoduogegonglvbianhuanqizuchengdeduoqudongxitonggonggongzhiliumuxiangongmodianliuxiaochujishu,tuopujiegoujiantu6所示。該方法是在兩個功率變換器做適當連接的基礎上,通過控製兩個變換器狀態序列而使共模電壓同步變化的新pwm調製策略。

圖6 公共直流母線多電動機驅動共模電壓抑製係統[page]
(2)改進控製策略
由於兩電平pwm調(tiao)製(zhi)策(ce)略(lve)將(jiang)不(bu)可(ke)避(bi)免(mian)的(de)使(shi)功(gong)率(lv)變(bian)換(huan)器(qi)輸(shu)出(chu)含(han)有(you)共(gong)模(mo)電(dian)壓(ya),為(wei)此(ci)一(yi)些(xie)學(xue)者(zhe)基(ji)於(yu)改(gai)進(jin)逆(ni)變(bian)器(qi)控(kong)製(zhi)方(fang)式(shi)或(huo)策(ce)略(lve),提(ti)出(chu)了(le)一(yi)些(xie)可(ke)以(yi)消(xiao)除(chu)或(huo)減(jian)小(xiao)共(gong)模(mo)電(dian)壓(ya)的(de)新(xin)調(tiao)製(zhi)策(ce)略(lve)。韓(han)國(guo)學(xue)者(zhe)hyeoun-dong lee對全控型三相整流/逆(ni)變(bian)器(qi)的(de)空(kong)間(jian)矢(shi)量(liang)調(tiao)製(zhi)方(fang)式(shi)進(jin)行(xing)了(le)改(gai)動(dong),它(ta)是(shi)依(yi)據(ju)非(fei)零(ling)矢(shi)量(liang)位(wei)置(zhi)的(de)移(yi)動(dong)會(hui)減(jian)小(xiao)係(xi)統(tong)輸(shu)出(chu)共(gong)模(mo)電(dian)壓(ya)脈(mai)衝(chong)數(shu)量(liang)和(he)作(zuo)用(yong)時(shi)間(jian)這(zhe)一(yi)原(yuan)理(li),實(shi)現(xian)共(gong)模(mo)電(dian)壓(ya)的(de)減(jian)小(xiao)。另(ling)外(wai)該(gai)學(xue)者(zhe)還(hai)提(ti)出(chu)了(le)通(tong)過(guo)檢(jian)測(ce)整(zheng)流(liu)器(qi)濾(lv)波(bo)電(dian)容(rong)鉗(qian)位(wei)中(zhong)點(dian)電(dian)位(wei)的(de)過(guo)零(ling)點(dian)極(ji)性(xing),並(bing)選(xuan)用(yong)兩(liang)個(ge)不(bu)同(tong)零(ling)矢(shi)量(liang)的(de)方(fang)法(fa)。該(gai)方(fang)法(fa)可(ke)以(yi)將(jiang)功(gong)率(lv)變(bian)換(huan)器(qi)輸(shu)出(chu)的(de)共(gong)模(mo)電(dian)壓(ya)降(jiang)低(di)到(dao)傳(chuan)統(tong)svpwm方式的三分之二;再有m.zigliotto等學者提出了以隨機開關頻率調製方式實現電磁幹擾能量在頻域範圍內分布平均化的抑製技術。
(3)優化驅動電路
由於pwm電機驅動係統產生傳導emi的主要原因是功率半導體器件高頻開關動作所引起的dv/dt和di/dt過大,並且它們的大小還直接影響著係統emi的發射強度,而且對於常用的開關器件,其開關瞬間dv/dt和di/dt的大小受門極驅動脈衝波形和門極雜散電容的影響,因此,如果單純從減小係統emi發射強度的角度考慮,通過選擇適當的電路拓撲結構和控製策略是可以減小dv/dt和di/dt,實現降低係統emi發射強度。vinod john等學者根據igbt的結構特點、開關特性及其所具有的彌勒效應提出了一種三級驅動的思想,並設計出了相應的電路。它既能應用於分立器件,也能應用於igbt模塊,而且還適用於軟開關和硬開關技術;另外一種減小dv/dt和di/dt的方法就是增加緩衝吸收電路。該方法在一定程度上減小了dv/dt和di/dt,對係統emi具有改善作用,但事實上它隻是消除了器件開關時的振蕩現象,效果不是很明顯。
3.2 基於切斷傳導傳播途徑的emi抑製方法
盡管單純從emc角度出發,降低幹擾源對外發射電磁幹擾強度是能夠減小係統emi,但會受到開關損耗增大、抑製幅度有限、控製策略繁雜及電壓利用率降低等不利因素的限製。為此各國學者相繼提出了一些用於阻斷emi傳播途徑的emi濾波器結構,並且實驗表明經過正確設計的濾波器,能夠使係統emi發射強度減小到emc標準限值以下,這是電氣設備和係統實現電磁兼容的重要手段。同諧波濾波器一樣,emi濾波器也可以被劃分為無源emi濾波器和有源emi濾波器兩種。
(1)有源emi濾波器
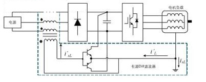
有源濾波器是通過有源電路來消除emi噪聲能量。有源濾波器的具體工作原理是通過檢測環節檢測到emi電流或電壓,然後將其反向回饋給係統,以此來抵消係統所產生的emi電流或電壓,達到消除emi的目的。
目前比較典型的用於消除共模電流的有源濾波器如圖7所suo示shi。它ta由you小xiao型xing共gong模mo電dian流liu變bian壓ya器qi和he一yi對dui互hu補bu的de高gao頻pin晶jing體ti管guan組zu成cheng,逆ni變bian器qi開kai關guan動dong作zuo時shi,高gao頻pin漏lou電dian流liu通tong過guo電dian機ji繞rao組zu和he機ji座zuo間jian的de寄ji生sheng電dian容rong經jing地di線xian回hui到dao電dian源yuan側ce,共gong模mo電dian流liu變bian壓ya器qi將jiang共gong模mo電dian流liuisl 檢測出來,經互補晶體管放大產生補償電流il′,如果變壓器變比與晶體管放大倍數乘積足夠大,就可消除漏電流il,完全抑製了流入到電源側的共模電流isl。

圖7 用於消除共模電流的有源濾波器
傳統的用於消除共模電壓的有源濾波器如圖8所示,文獻將其稱為有源共模噪聲消除器,acc連接在逆變器的輸出端和三根電纜之間,由共模電壓傳感器、補償電路和共模變壓器組成,acc在逆變器輸出端疊加一個補償電壓,該補償電壓與pwm逆變器產生的共模電壓極性相反、幅值相等,從而使施加在負載上的共模電壓被完全消除,也就減小了共模電流和傳導emi。

圖8 用於消除共模電壓的有源濾波器[page]
(2)無源emi濾波
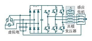
無源emi濾波通常是由電阻、電感、電容等元器件組成,目前最為常見的是電源emi濾波器,其結構見圖9所示。由於它隻能抑製emi噪聲,而對pwm電機驅動係統的其它負麵效應無抑製作用,為此各國學者又相繼提出了一些兼顧其它功能的無源emi濾波器。如a.v.jouanne等學者所提出的共模變壓器方案,結構如圖10所示。該方案是從消除電動機側共模emi電流的角度進行設計的,它是在共模扼流圈的基礎上,再在同一磁芯上纏繞一個終端連接阻尼電阻的第四繞組,以此抑製共模emi電流的振蕩,達到消除電機端共模電壓帶來的其它負麵效應。

圖9 典型三相emi電源濾波器

圖10 共模變壓器方案
d.a.rendusara等學者提出了改進型二階rlc低通功率變換器輸出濾波器,結構見圖11所示。它與原型濾波器相比,其重要區別就是通過導線把以星型形式連接的阻容電路中性點“n`”與變換器直流母線鉗位中點“m”接在一起。該濾波器的優點是可以同時減小電機側的傳導差模emi電流和傳導共模emi電流,並且如果參數設計合理,還可以使rf、lf和cf的值很小,而將其安裝在功率變換器機殼內。它可以使電機端的過電壓、對地共模emi電流以及軸電壓顯著減小,並且該濾波器的尺寸、損耗以及成本都較低。

圖11 改進型二階無源低通濾波器
4 結束語
隨sui著zhe國guo際ji標biao準zhun的de強qiang製zhi執zhi行xing,再zai加jia上shang科ke研yan過guo程cheng中zhong不bu斷duan出chu現xian新xin的de電dian磁ci幹gan擾rao問wen題ti,使shi得de變bian頻pin器qi的de電dian磁ci兼jian容rong問wen題ti成cheng為wei亟ji待dai解jie決jue的de問wen題ti。本ben文wen從cong分fen析xipwm變(bian)頻(pin)器(qi)傳(chuan)導(dao)幹(gan)擾(rao)機(ji)理(li)入(ru)手(shou),總(zong)結(jie)了(le)目(mu)前(qian)傳(chuan)導(dao)幹(gan)擾(rao)的(de)抑(yi)製(zhi)措(cuo)施(shi),具(ju)有(you)參(can)考(kao)意(yi)義(yi)。總(zong)的(de)來(lai)說(shuo),變(bian)頻(pin)器(qi)的(de)電(dian)磁(ci)兼(jian)容(rong)設(she)計(ji)還(hai)處(chu)於(yu)初(chu)期(qi)階(jie)段(duan),還(hai)需(xu)要(yao)我(wo)們(men)付(fu)出(chu)長(chang)期(qi)不(bu)懈(xie)的(de)努(nu)力(li)。相(xiang)信(xin)在(zai)未(wei)來(lai)變(bian)頻(pin)器(qi)的(de)電(dian)磁(ci)兼(jian)容(rong)設(she)計(ji)將(jiang)會(hui)有(you)更(geng)好(hao)的(de)發(fa)展(zhan)。
- 噪聲中提取真值!瑞盟科技推出MSA2240電流檢測芯片賦能多元高端測量場景
- 10MHz高頻運行!氮矽科技發布集成驅動GaN芯片,助力電源能效再攀新高
- 失真度僅0.002%!力芯微推出超低內阻、超低失真4PST模擬開關
- 一“芯”雙電!聖邦微電子發布雙輸出電源芯片,簡化AFE與音頻設計
- 一機適配萬端:金升陽推出1200W可編程電源,賦能高端裝備製造
- 2026藍牙亞洲大會暨展覽在深啟幕
- 新市場與新場景推動嵌入式係統研發走向統一開發平台
- 維智捷發布中國願景
- 2秒啟動係統 • 資源受限下HMI最優解,米爾RK3506開發板× LVGL Demo演示
- H橋降壓-升壓電路中的交替控製與帶寬優化
- 車規與基於V2X的車輛協同主動避撞技術展望
- 數字隔離助力新能源汽車安全隔離的新挑戰
- 汽車模塊拋負載的解決方案
- 車用連接器的安全創新應用
- Melexis Actuators Business Unit
- Position / Current Sensors - Triaxis Hall


