單相橋式PWM逆變器死區補償的一種方法
發布時間:2011-08-23
中心議題:
- 單相橋式PWM逆變電路
- PWM控製過程的分析
橋式PWM逆變器中,為了防止同橋臂開關器qi件jian直zhi通tong,需xu要yao在zai其qi互hu補bu驅qu動dong信xin號hao中zhong設she置zhi死si區qu,但dan同tong時shi會hui導dao致zhi輸shu出chu電dian壓ya基ji波bo幅fu值zhi降jiang低di並bing產chan生sheng低di次ci諧xie波bo等deng。為wei改gai善shan輸shu出chu電dian壓ya波bo形xing,可ke采cai取qu多duo種zhong方fang法fa,相xiang關guan資zi料liao也ye介jie紹shao了le死si區qu補bu償chang的de方fang法fa,但dan未wei能neng采cai用yong圖tu文wen形xing象xiang、直觀的介紹死區補償的過程,而采用純數學推理和文字說明較抽象,不易理解。本文詳細介紹了一種死區補償的方法。
1 單相橋式PWM逆變電路
在采用IGBT作為開關器件的單相橋式PWM逆變電路中,假設負載為阻感負載。工作時V1和V2的通斷狀態互補,V3和V4的通斷狀態也互補。逆變橋的主回路由左右橋臂組成,每個橋臂有兩個IGBT,每一個開關器件都有一個PWM波控製其導通,且同一橋臂上的兩功率開關器件不能同時導通,否則會導致直流電壓短路。考慮到在感性負載下二極管VD1、VD2、VD3、VD4存在著續流的現象,且逆變橋同一橋臂上的兩個IGBT不能同時導通,所以在逆變電路中存在著五種開關狀態,具體情況如表1所示。單相橋式刪逆變電路如圖1所示。


圖1 單相橋式PWM逆變電路
2 PWM控製過程的分析
2.1 PWM的產生機製
本文采用調製法產生PWMboxing,caiyongdengyaosanjiaobozuoweizaibo,yinweidengyaosanjiaoboshangrenyidiandeshuipingkuanduhegaoduchengxianxingguanxiqiezuoyouduicheng,dangtayurenheyigepinghuanbianhuadetiaozhixinhaoboxiangjiaoshi,ruguozaijiaodianshikeduidianluzhongkaiguanqijiandetongduanjinxingkongzhi,jiukeyidedaozhengbiyuxinhaobofuzhidemaichong,zhezhenghaofuhePWM控製的要求。
本文設置三角波頻率為550Hz,正弦波頻率為50Hz,通過調製法得到每個IGBT的PWM波形圖如圖2所示。

圖2 IGBT的控製信號[page]
2.2 死區補償
在電壓型逆變電路的PWM控製中,同一相上下兩個橋臂的驅動信號都是互補的。但由於IGBT的截止時間約為200多納秒,導通時間約為100多納秒,開通速度比關斷速度快。如果在一個IGBT截止的同時讓此橋臂的另一個IGBT導(dao)通(tong),將(jiang)會(hui)出(chu)現(xian)上(shang)下(xia)兩(liang)個(ge)橋(qiao)臂(bi)直(zhi)通(tong)而(er)短(duan)路(lu)的(de)現(xian)象(xiang)。為(wei)了(le)防(fang)止(zhi)發(fa)生(sheng)這(zhe)一(yi)現(xian)象(xiang),必(bi)須(xu)在(zai)開(kai)通(tong)和(he)關(guan)斷(duan)信(xin)號(hao)之(zhi)間(jian)設(she)置(zhi)一(yi)個(ge)死(si)區(qu)時(shi)間(jian),因(yin)而(er)理(li)想(xiang)的(de)調(tiao)製(zhi)信(xin)號(hao)和(he)開(kai)關(guan)管(guan)輸(shu)出(chu)的(de)實(shi)際(ji)信(xin)號(hao)之(zhi)間(jian)存(cun)在(zai)偏(pian)差(cha)。死(si)區(qu)時(shi)間(jian)的(de)存(cun)在(zai)導(dao)致(zhi)輸(shu)出(chu)電(dian)壓(ya)波(bo)形(xing)產(chan)生(sheng)畸(ji)變(bian),降(jiang)低(di)了(le)基(ji)波(bo)幅(fu)值(zhi),增(zeng)加(jia)了(le)負(fu)載(zai)的(de)諧(xie)波(bo)損(sun)耗(hao)。
為(wei)了(le)避(bi)免(mian)橋(qiao)臂(bi)直(zhi)通(tong)設(she)置(zhi)的(de)死(si)區(qu)時(shi)間(jian)雖(sui)然(ran)寬(kuan)度(du)很(hen)小(xiao),僅(jin)占(zhan)開(kai)關(guan)周(zhou)期(qi)的(de)百(bai)分(fen)之(zhi)幾(ji),單(dan)個(ge)脈(mai)衝(chong)不(bu)足(zu)以(yi)影(ying)響(xiang)整(zheng)個(ge)係(xi)統(tong)的(de)性(xing)能(neng),但(dan)由(you)於(yu)開(kai)關(guan)頻(pin)率(lv)較(jiao)高(gao),其(qi)積(ji)累(lei)效(xiao)應(ying)足(zu)以(yi)使(shi)輸(shu)出(chu)波(bo)形(xing)發(fa)生(sheng)畸(ji)變(bian)並(bing)產(chan)生(sheng)諧(xie)波(bo)幹(gan)擾(rao),所(suo)以(yi)有(you)必(bi)要(yao)對(dui)死(si)區(qu)效(xiao)應(ying)進(jin)行(xing)補(bu)償(chang)。
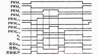
在圖1所示的單相SPWM逆變電路中,設置死區前後的控製波形如圖3所示。

圖3 單相SPWM逆變橋設置死區前後的控製波形(i>0時)
由圖3可知,由死區及續流所致,當i>0時,正向脈衝較理想時減小了Td,負向脈衝增加了Td;當i<0時,情況相反。
由於在死區時間內,存在V1、V2、V3、V4都不導通的情況。當電路為阻感負載時,由於電感中的電流不能突變,所以電路會在死區時間通過續流二極管續流。
通過比較可知,因為續流的緣故,死區時間內A、B點的電位不再為零。當i>0時,VD2、VD3續流形成回路,A端電位UA為-Ed/2,B端電位UB為+Ed/2;當i<0時,VD1、VD4續流形成回路,A端電位UA為+Ed/2,B端電位UB為-Ed/2。
A、B兩點之間電壓分別為,UAB=UA-UB,UAB''=UA''-UB'',可以看出,原來處於死區時間內電壓為0的區域在續流的作用下變得有電壓了。電壓的大小由電流的方向決定,當i>0時,VD2、VD3續流形成回路,輸出電壓UO=UA-UB為-Ed;當i<0時,VD1、VD4續流形成回路,輸出電壓UO=UA-UB為+Ed。
由於受續流的影響,輸出電壓和輸出電流存在相位差φ,降低了係統的功率因素。為了提高功率因數,需要對波形進行死區補償。
圖4是在死區時間Td內A點和B點的電位。圖中虛線部分麵積和Td時間內產生的UA"(或UB")的麵積大小相等。

圖4 死區補償原理圖
設置死區後的PWM波形會發生形變,使其稍稍偏離正弦波。這時需要對IGBT在死區時間中功率的減小做出補償。將圖4(a)中的虛線部分補償給ur得到圖4(c),將圖4(b)中虛線部分補償給反向正弦波得到圖4(d),從而實現了在死區時間內功率損失的補償。
[page]
2.3 輸出電壓和輸出電流的分析
圖5(a)和(b)分別為輸出電壓和輸出電流的波形,從圖中可以看出輸出電流的相位比輸出電壓滯後φ個角度。為了便於對器件的選擇,將輸出電流的波形進行了分解。

圖5 單相SPWM逆變電路輸出波形圖
其中Id為輸出電流的有效值,iβ0為器件上電流的基波分量,iβ為器件上的電流。
3 實驗與結果
本文以三角波頻率550Hz,正弦波頻率50Hz為例介紹了死區補償的方法,但在實際應用中三角波頻率要大得多,這裏選取550Hz目的是為了便於分析。
在實驗中,開關頻率為10kHz,正弦波頻率為50Hz,取L1=1.15mH,L2=0.1mH,C=90μF,負載為純阻性,滿載時為8歐姆,死區時間Td設置為2μs。
通過實驗得出補償前後的波形圖如圖6所示。

圖6 補償前後輸出電壓及諧波分量的波形
4 結束語
zaisiqushijiannei,youyuxuliudeyuangushuchudianyaboxingfashenglejibian,tongguoduiboxingjinxingdengxiaodebuchangkeyidedaozhunzhengxianbo。tuiliheshiyanjunzhengminggaifangfanengjiaohaodiduinibianqiqiaolushuchudianyajinxingbuchang。gaifangfajiandanshiyong,yiyushixian,juyouyidingdegongchengshiyongjiazhi。
- 噪聲中提取真值!瑞盟科技推出MSA2240電流檢測芯片賦能多元高端測量場景
- 10MHz高頻運行!氮矽科技發布集成驅動GaN芯片,助力電源能效再攀新高
- 失真度僅0.002%!力芯微推出超低內阻、超低失真4PST模擬開關
- 一“芯”雙電!聖邦微電子發布雙輸出電源芯片,簡化AFE與音頻設計
- 一機適配萬端:金升陽推出1200W可編程電源,賦能高端裝備製造
- 2026藍牙亞洲大會暨展覽在深啟幕
- 新市場與新場景推動嵌入式係統研發走向統一開發平台
- 維智捷發布中國願景
- 2秒啟動係統 • 資源受限下HMI最優解,米爾RK3506開發板× LVGL Demo演示
- H橋降壓-升壓電路中的交替控製與帶寬優化
- 車規與基於V2X的車輛協同主動避撞技術展望
- 數字隔離助力新能源汽車安全隔離的新挑戰
- 汽車模塊拋負載的解決方案
- 車用連接器的安全創新應用
- Melexis Actuators Business Unit
- Position / Current Sensors - Triaxis Hall

