有源電池平衡技術幫助增加大型鋰離子電池組供電能力
發布時間:2011-08-03
中心議題:
一些消費類應用要求單鋰離子電池(如手機),或者需要三節串聯和兩節並聯電池(如筆記本電腦)。這就引發了對更高功率、更高容量以及更加穩健電池組的(de)需(xu)求(qiu)。串(chuan)聯(lian)安(an)裝(zhuang)電(dian)池(chi)可(ke)以(yi)提(ti)高(gao)電(dian)壓(ya),而(er)並(bing)聯(lian)安(an)裝(zhuang)的(de)電(dian)池(chi)則(ze)可(ke)以(yi)增(zeng)加(jia)容(rong)量(liang)。這(zhe)些(xie)電(dian)池(chi)組(zu)數(shu)量(liang)不(bu)一(yi),從(cong)筆(bi)記(ji)本(ben)電(dian)腦(nao)使(shi)用(yong)的(de)六(liu)節(jie)電(dian)池(chi)到(dao)電(dian)動(dong)汽(qi)車(che)中(zhong)使(shi)用(yong)的(de)數(shu)百(bai)節(jie)電(dian)池(chi),這(zhe)給(gei)電(dian)池(chi)設(she)計(ji)人(ren)員(yuan)帶(dai)來(lai)許(xu)多(duo)新(xin)的(de)設(she)計(ji)困(kun)難(nan)。
這些大容量電池需要先進的管理來確保獲得高品質的設計。我們必須考慮合適的溫度、電壓和電流測量。隨著鋰離子電池組越來越大型,要求更多地關注散熱管理、電池組可靠性、電池使用壽命和電池平衡。實際上,隨著電池組中所需電池數量的增加,電池單元之間的溫度、容量和串聯阻抗差異成為一個重要問題。本文將主要討論這些差異帶來的影響,以及如何在電池設計中控製這些差異。
問題:電池狀態不匹配
電池的作用是為其主機存儲和提供能量。我們想盡可能多地向(從)電池組存儲和獲取能量。妨礙多節電池組完成這一工作的主要方麵是電池阻抗。讓我們來看一看其是如何影響向電池主機供電的。
在鋰離子電池組中,存在一些允許每節串聯電池達到的預定義電壓最小值和最大值。這是一種由電池組中IC控製的安全特性,請參見圖1A。隻zhi要yao每mei一yi節jie電dian池chi均jun保bao持chi在zai過guo壓ya和he欠qian壓ya斷duan開kai範fan圍wei之zhi間jian,則ze該gai電dian池chi組zu便bian能neng夠gou放fang電dian和he充chong電dian。如ru果guo一yi節jie電dian池chi達da到dao上shang述shu任ren何he一yi個ge閾yu值zhi,則ze整zheng個ge電dian池chi組zu便bian會hui關guan閉bi(欠壓),從而讓主機本應可用的電池組處於無法充電狀態(請參見圖1B)。另外,它不允許充電器向電池組充入應有的大量能量(請參見圖1C)(過壓)。
圖1:電池不平衡對於電池容量使用的影響。
電池不平衡的原因有很多:
* 非均勻熱應力
* 阻抗變量
* 低電池容量匹配
* 化學差別
[page]
zhexieyuanyinzhongdeyouyixiekeyitongguodianchixuanzehejiaohaodedianchizushejilaidedaozuixiaohua。jibianruci,suoyouqianqishejigongzuozhong,dianchibupinghengdezhuyaoyuanyinshifeijunyunreyingli。dianchiyudianchizhijiandewenduchayikeyinqizukangbianlianghehuaxuefanyingdebianhua。zhejiuxingchenglewenduchayi,erdianchibaoluzaizhezhongchayixiadeshijianjiaochang(請參見圖2*)。這是一幅筆記本電腦FLIR圖,其表明溫度差異的程度,即便在消費類電子應用中也是如此。溫度每升高10℃,一(yi)節(jie)鋰(li)離(li)子(zi)電(dian)池(chi)的(de)自(zi)放(fang)電(dian)率(lv)便(bian)翻(fan)一(yi)番(fan)。鋰(li)離(li)子(zi)電(dian)池(chi)的(de)一(yi)個(ge)特(te)點(dian)是(shi),內(nei)部(bu)阻(zu)抗(kang)是(shi)溫(wen)度(du)的(de)函(han)數(shu)。較(jiao)低(di)溫(wen)度(du)的(de)電(dian)池(chi)表(biao)現(xian)出(chu)高(gao)阻(zu)抗(kang),因(yin)此(ci)在(zai)充(chong)電(dian)或(huo)放(fang)電(dian)期(qi)間(jian)IR壓降更大。這種電阻還隨暴露在高充電狀態和高溫下持續時間的增加以及充電周期時間的延長而增大。
解決方案:電池平衡技術
由(you)於(yu)對(dui)能(neng)量(liang)供(gong)給(gei)的(de)影(ying)響(xiang),以(yi)及(ji)串(chuan)聯(lian)電(dian)池(chi)應(ying)用(yong)中(zhong)存(cun)在(zai)鋰(li)離(li)子(zi)電(dian)池(chi)過(guo)充(chong)電(dian)的(de)危(wei)險(xian)性(xing),必(bi)須(xu)使(shi)用(yong)電(dian)池(chi)平(ping)衡(heng)技(ji)術(shu)來(lai)對(dui)失(shi)衡(heng)進(jin)行(xing)校(xiao)正(zheng)。共(gong)有(you)兩(liang)類(lei)電(dian)池(chi)平(ping)衡(heng)技(ji)術(shu):無源電池平衡技術和有源電池平衡技術。
無源電池平衡技術
被稱為“電阻泄漏”平ping衡heng的de無wu源yuan電dian池chi平ping衡heng方fang法fa使shi用yong一yi條tiao簡jian單dan的de電dian池chi放fang電dian路lu徑jing,在zai所suo有you電dian池chi電dian壓ya相xiang等deng以yi前qian一yi直zhi為wei高gao壓ya電dian池chi放fang電dian。除chu其qi他ta電dian池chi管guan理li功gong能neng以yi外wai,許xu多duo器qi件jian都dou具ju有you電dian池chi平ping衡heng功gong能neng。
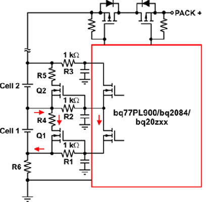
諸如bq77PL900等鋰離子電池組保護器主要用於許多無繩電池供電設備、助力自行車和輕便摩托車、不間斷電源以及醫療設備。其電路主要起到一個獨立電池保護係統的作用,使用5~10節串聯電池。除通過I2C端(duan)口(kou)控(kong)製(zhi)的(de)許(xu)多(duo)電(dian)池(chi)管(guan)理(li)功(gong)能(neng)以(yi)外(wai),還(hai)可(ke)將(jiang)電(dian)池(chi)電(dian)壓(ya)同(tong)可(ke)編(bian)程(cheng)閾(yu)值(zhi)對(dui)比(bi)以(yi)便(bian)決(jue)定(ding)是(shi)否(fou)需(xu)要(yao)進(jin)行(xing)電(dian)池(chi)平(ping)衡(heng)。如(ru)果(guo)任(ren)何(he)特(te)定(ding)電(dian)池(chi)達(da)到(dao)該(gai)閾(yu)值(zhi),則(ze)充(chong)電(dian)停(ting)止(zhi),並(bing)激(ji)活(huo)一(yi)條(tiao)內(nei)部(bu)旁(pang)路(lu)。當(dang)高(gao)壓(ya)電(dian)池(chi)降(jiang)至(zhi)恢(hui)複(fu)極(ji)限(xian)值(zhi)時(shi),電(dian)池(chi)平(ping)衡(heng)停(ting)止(zhi),而(er)繼(ji)續(xu)充(chong)電(dian)。

圖3
[page]

圖4
電池平衡算法隻使用電壓發散作為平衡標準,具有過平衡(或欠平衡)的缺點,這是由於存在阻抗失衡影響(請參見圖3和圖4)。問題是,電池阻抗還會在充電期間引起電壓差異(VDiff_Start和VDiff_End)。簡單的電壓電池平衡並未區分是電量失衡還是阻抗失衡。因此,這種平衡不能保證完全充電後所有電池均獲得100%的電量。
一種解決方案是使用電池電量監測計,例如:bq2084deng。tamendouyongyougaijindedianyapinghengjishu。youyudianchijiandezukangchayihuiwudaosuanfa,yincitazhizaichongdianzhouqimoduanfujinjinxingpingheng。zhezhongfangfazuixiaohualezukangchayideyingxiang,zheshiyinweidangchongdiandianliuzhujianjianruozhizhongzhiyuzhishiIRBAT壓降也變得更小。另外,這種IC還hai使shi平ping衡heng判pan斷duan基ji於yu所suo有you電dian池chi電dian壓ya,所suo以yi它ta是shi一yi種zhong更geng加jia高gao效xiao的de實shi施shi方fang法fa。盡jin管guan有you了le許xu多duo改gai進jin,但dan是shi單dan獨du依yi靠kao電dian壓ya電dian平ping的de這zhe種zhong需xu求qiu將jiang平ping衡heng操cao作zuo限xian製zhi在zai高gao充chong電dian狀zhuang態tai(SOC)區域,並且僅在充電時工作。
另一個例子是bq20zxx電dian池chi電dian量liang監jian測ce計ji產chan品pin係xi列lie,其qi使shi用yong阻zu抗kang追zhui蹤zong平ping衡heng方fang法fa。這zhe種zhong電dian量liang計ji不bu再zai嚐chang試shi最zui小xiao化hua電dian壓ya差cha異yi錯cuo誤wu的de影ying響xiang,而er是shi計ji算suan每mei節jie電dian池chi達da到dao完wan全quan充chong電dian狀zhuang態tai所suo需xu要yao的de電dian荷he (QNEED),見圖5。這種平衡算法,在充電期間開啟電池平衡FET,以提供要求的QNEED。這類電池電量監測計可輕鬆地實施基於QNEED的電池平衡方案,這是由於總電量和SOC在監測功能中均較穩定地處於可用狀態。因為電池平衡並未讓電池阻抗差異失真,所以它可以獨立於電池充電、放電甚至閑置狀態工作。更為重要的是,它獲得了最佳的平衡精度。

圖5:基於QNEED的電池平衡。
[page]
由於使用集成FET解jie決jue方fang案an的de無wu源yuan電dian池chi平ping衡heng技ji術shu的de平ping衡heng能neng力li有you限xian,因yin此ci電dian池chi差cha異yi或huo失shi衡heng率lv可ke能neng超chao過guo電dian池chi平ping衡heng。另ling外wai,由you於yu存cun在zai低di旁pang路lu電dian流liu,它ta可ke能neng會hui占zhan用yong幾ji個ge周zhou期qi來lai對dui一yi般ban失shi衡heng進jin行xing校xiao正zheng。利li用yong現xian有you組zu件jian設she計ji一yi些xie外wai部bu旁pang路lu電dian路lu可ke以yi增zeng強qiang電dian池chi平ping衡heng(請參見圖6和圖7)。在圖6中,當決定對某節電池進行平衡時內部平衡MOSFET首先開啟。這便形成一條低電流通路,其通過連接電池端(電池1和電池2)及IC引腳的外部濾波器電阻。當內部FET柵-源電壓在電阻中形成,該外部MOSFET便被開啟。其缺點是,鄰近電池無法快速、同時獲得平衡。例如,如果鄰近內部FET被開啟,則Q2不能被開啟,因為沒有通過R2的電流。

圖6

圖7
圖7顯示了無源電池平衡的最新例子。它是一款低成本、單芯片電池電量監測計解決方案。與前麵所述的電池電量監測計解決方案不同,這種IC沒有內部電池平衡,但需要一個類似的外部旁路電路來完成平衡。然而,由於該平衡實現電路是一個IC內部的開路漏極,因此它可以同時平衡包括鄰近電池在內的數節電池。這種平衡電路使用一種改進的電壓算法,正如圖6所示電路。但是,圖7中的外部FET驅動器描述了更為有效的電池平衡方法。
[page]
有源電池平衡
由於高能量電池中100%deduoyunengliangdouyiredexingshihaosandiaole,yinciwuyuanpinghengbingfeishifangdianqijiandeshouxuanfangfa。youyuandianchipinghengshiyongdianronghuodiangandianhechuansuolaizhuanyidianchizhijiandedianhe,zheshiyizhongjiweigaoxiaodefangfa。zheshiyinwei,nengliangbeizhuanzhixuyaodedifang,erfeibeifangdiao。zheyangzuodedaijiashihuizengjiagengduodebujianhechengben。
獲得專利的bq78PL114 PowerPump電池平衡技術是使用電感電荷傳輸的有源電池平衡的最新例子。它使用一對MOSFET(N通道和P通道)以及一個功率電感來實現在兩個鄰近電池之間建立電荷轉移電路。
電池組設計人員設定串聯電池之間的失衡閾值。如果IC測量到超出該閾值的失衡,它就會啟用PowerPump。圖8顯示的是使用了兩個MOSFET(Q1和Q2)及一個功率電感的降壓升壓電路簡圖。頂部電池(V3)需要將能量轉移至低位電池(V2),P3S信號(工作在約200kHz和30%占空比下)觸發該能量轉移,隨後能量通過Q1流至電感。當P3S信號重置時,Q1關閉,電感能量水平處在最高水平。因為電感電流必須不斷流動,因此Q2的體二極管被正向偏置,從而完成向V2位置電池的電荷轉移。需要注意的是,由於其串聯電阻較低,存儲於該電感中的能量隻有輕微的損耗。
圖8:使用PowerPump技術的電池平衡。
jiadingchuanliandianchidechangduherongliangbuding,zezhuanyidianheshiyouyixiexianzhi。yizhongkaolvshizaiwomenbuzaihuodenenglianggonggeiyouhuazhiqian,womennengjiangnengliangyizhiduoyuan?huanjuhuashuo,zaizhuanhuanqidedixiaolvchaoguopinghengdianchidezhuduohaochuyiqian,womennengjiangdianheyizhiduoyuan?zaiwomendeceshizhongshiyong85%的估計效率,PowerPump 僅將能量轉移至不到6節電池遠的地方。但重要的是,忽略效率的情況下,在整個電池組可能達到完全平衡以前必須取得“區域平衡”。
除了這些明顯的優點以外,PowerPump電池平衡技術的好處是平衡可能忽略單個電池電壓。這意味著,如果你決定在兩節電池之間轉移電荷,它可以在任何電池工作模式序列(充電、放電和重置)期間進行。即使提供電荷的電池電壓比接收電荷的電池電壓低(例如,充電或放電時較低的電池電阻引起的低電壓)也可以完成轉移。相比“電阻泄漏”平衡,能量的熱損耗較小。
下列為三種可選平衡算法:
* 端壓(TV)抽取
* 開路電壓(OCV)抽取
* 充電狀態(SOC)抽取(預平衡)
TV抽取就像前麵介紹的電壓無源電池平衡。正如圖4所示,充電期間的TV平衡並不總是產生一種趨向放電結束的平衡電量。這是由於我們前麵提到過的電池阻抗不匹配。OCV抽取根據電池組電流和電池阻抗測量結果,通過估計OCV來補償阻抗差異。

圖9
[page]

圖10
SOC抽chou取qu以yi一yi種zhong同tong阻zu抗kang追zhui蹤zong器qi件jian類lei似si的de方fang式shi工gong作zuo,它ta計ji算suan出chu每mei一yi節jie電dian池chi的de精jing確que電dian荷he電dian平ping,並bing在zai電dian池chi之zhi間jian轉zhuan移yi能neng量liang,這zhe樣yang電dian池chi電dian量liang在zai充chong電dian結jie束shu時shi(EOC)就實現了平衡(請參見圖9*)。觀察放電OCV圖(見圖10*),我們將每一節電池預平衡到一個反映其電量的失調電壓。幾個百分點的電量差異會使該放電曲線中下方出現巨大差異。如果我們已知1%到2%的de電dian量liang,我wo們men便bian可ke以yi在zai放fang電dian結jie束shu時shi擁yong有you極ji為wei接jie近jin的de匹pi配pei性xing。這zhe就jiu是shi在zai充chong電dian完wan成cheng和he放fang電dian結jie束shu時shi,你ni想xiang要yao利li用yong有you源yuan平ping衡heng技ji術shu有you效xiao地di讓rang電dian池chi獲huo得de最zui佳jia平ping衡heng的de區qu域yu。
相比傳統的無源平衡技術,PowerPump技術可以更好地校正電池失衡,這是由於可以通過改變組件值來控製更高的平衡電流。
筆記本電腦中,有效的平衡電流通常為25到50mA,其為內部旁路平衡的12到20倍。利用這個優勢,有源電池平衡可以在一個周期(95%時間)內對電量失衡進行校正。
在更大的電容式電池中,PowerPump技(ji)術(shu)的(de)結(jie)果(guo)差(cha)異(yi)甚(shen)至(zhi)更(geng)大(da)。需(xu)要(yao)考(kao)慮(lv)到(dao)使(shi)用(yong)電(dian)壓(ya)無(wu)源(yuan)平(ping)衡(heng)時(shi)一(yi)個(ge)電(dian)池(chi)組(zu)能(neng)夠(gou)獲(huo)得(de)平(ping)衡(heng)的(de)時(shi)間(jian)長(chang)短(duan)。唯(wei)一(yi)的(de)電(dian)池(chi)能(neng)量(liang)電(dian)平(ping)即(ji)為(wei)一(yi)個(ge)充(chong)電(dian)周(zhou)期(qi)放(fang)出(chu)部(bu)分(fen)中(zhong)出(chu)現(xian)的(de)正(zheng)平(ping)衡(heng)。因(yin)此(ci),大(da)容(rong)量(liang)電(dian)池(chi)組(zu)整(zheng)個(ge)壽(shou)命(ming)中(zhong),隻(zhi)有(you)百(bai)分(fen)之(zhi)幾(ji)的(de)時(shi)間(jian)允(yun)許(xu)平(ping)衡(heng)。所(suo)以(yi),許(xu)多(duo)電(dian)池(chi)組(zu)設(she)計(ji)人(ren)員(yuan)都(dou)選(xuan)擇(ze)1安培電流平衡,甚至是10安培以上的電流。這就產生許多散熱問題,以及大型FET的成本問題。倘若利用PowerPump可獲得真正的不間斷平衡可能性,那麼就可以最小化這些設計障礙。
外部組件的選擇決定你平衡電流的多少。峰值電感電流由電池電壓、電感和接通時間決定。整個周期來自電源電池的平均電流等於0.5x(峰值電流)×占空比。在正常抽取模式下,占空比為33%。例如:使用一個15uH的建議電感,並假設峰值電流約為460mA,則我們得到來自電源電池的平均電流為75mA。這個75mA的電流可長時間出現。這便讓整個係統維持在平衡狀態下,因此在充電完成和放電結束時我們交換了最多的能量。
問題不斷出現,“那麼我需要多少平衡電流呢?”沒有人喜歡聽這個問題的答案,“這取決於幾方麵!”首先,要知道一定時間下你期望的失衡漏電量。如果你的係統1小時20Ahr電池組放電後出現5%的失衡,則你就需要轉移大量的能量。PowerPump FET和電感需要相應地安排大小尺寸。另外,也可以使用最新固件的SuperPumpxuanxiang。tarangninenggouyongyougengdadezhankongbi,yibianzaizhengchangmoshiqijiandangmouxieceliangzantingshiyidongnengliang。ruqiansuoshu,zaiquedingkeyihuodeduoshaopinghengshi,dianchizhilianghesanrekongzhishizhongyaodeqiantiyinsu。
有you源yuan電dian池chi平ping衡heng的de一yi個ge安an全quan方fang麵mian好hao處chu是shi,我wo們men可ke以yi跟gen蹤zong一yi節jie電dian池chi使shi用yong的de時shi間jian。我wo們men可ke以yi跟gen蹤zong每mei節jie電dian池chi的de淨jing抽chou取qu值zhi,該gai淨jing值zhi定ding義yi為wei抽chou入ru電dian池chi的de正zheng數shu值zhi,以yi及ji從cong電dian池chi抽chou取qu的de負fu數shu值zhi。如ru果guo一yi節jie電dian池chi的de淨jing值zhi過guo高gao,那na麼me就jiu會hui導dao致zhi從cong其qi他ta電dian池chi接jie收shou太tai多duo的de能neng量liang,則ze表biao明ming這zhe是shi一yi塊kuai壞huai電dian池chi。這zhe是shi SOH計算的一個組成部分,同其他參數類似,例如:電池阻抗和完全充電電量等。
本文小結
側ce重zhong於yu安an全quan性xing和he使shi用yong壽shou命ming的de一yi些xie新xin興xing電dian池chi技ji術shu,通tong常chang都dou擁yong有you先xian進jin的de電dian池chi平ping衡heng和he有you效xiao的de散san熱re管guan理li。由you於yu新xin的de電dian池chi平ping衡heng技ji術shu可ke跟gen蹤zong單dan個ge電dian池chi需xu要yao的de平ping衡heng,因yin此ci電dian池chi組zu的de使shi用yong壽shou命ming和he總zong體ti安an全quan性xing都dou已yi提ti高gao。在zai每mei個ge周zhou期qi都dou對dui電dian池chi進jin行xing平ping衡heng,可ke避bi免mian電dian池chi的de不bu當dang使shi用yong,而er它ta通tong常chang是shi導dao致zhi更geng多duo失shi衡heng和he早zao期qi電dian池chi老lao化hua的de原yuan因yin。電dian池chi化hua學xue成cheng份fen、結構和應用越來越多樣化,要求電池組設計人員也要技術升級。
- 有源電池平衡技術優勢的探討
- 解決電池狀態不匹配問題
- 采用電池平衡技術來解決
- 利用無源電池平衡與有源電池平衡技術
一些消費類應用要求單鋰離子電池(如手機),或者需要三節串聯和兩節並聯電池(如筆記本電腦)。這就引發了對更高功率、更高容量以及更加穩健電池組的(de)需(xu)求(qiu)。串(chuan)聯(lian)安(an)裝(zhuang)電(dian)池(chi)可(ke)以(yi)提(ti)高(gao)電(dian)壓(ya),而(er)並(bing)聯(lian)安(an)裝(zhuang)的(de)電(dian)池(chi)則(ze)可(ke)以(yi)增(zeng)加(jia)容(rong)量(liang)。這(zhe)些(xie)電(dian)池(chi)組(zu)數(shu)量(liang)不(bu)一(yi),從(cong)筆(bi)記(ji)本(ben)電(dian)腦(nao)使(shi)用(yong)的(de)六(liu)節(jie)電(dian)池(chi)到(dao)電(dian)動(dong)汽(qi)車(che)中(zhong)使(shi)用(yong)的(de)數(shu)百(bai)節(jie)電(dian)池(chi),這(zhe)給(gei)電(dian)池(chi)設(she)計(ji)人(ren)員(yuan)帶(dai)來(lai)許(xu)多(duo)新(xin)的(de)設(she)計(ji)困(kun)難(nan)。
這些大容量電池需要先進的管理來確保獲得高品質的設計。我們必須考慮合適的溫度、電壓和電流測量。隨著鋰離子電池組越來越大型,要求更多地關注散熱管理、電池組可靠性、電池使用壽命和電池平衡。實際上,隨著電池組中所需電池數量的增加,電池單元之間的溫度、容量和串聯阻抗差異成為一個重要問題。本文將主要討論這些差異帶來的影響,以及如何在電池設計中控製這些差異。
問題:電池狀態不匹配
電池的作用是為其主機存儲和提供能量。我們想盡可能多地向(從)電池組存儲和獲取能量。妨礙多節電池組完成這一工作的主要方麵是電池阻抗。讓我們來看一看其是如何影響向電池主機供電的。
在鋰離子電池組中,存在一些允許每節串聯電池達到的預定義電壓最小值和最大值。這是一種由電池組中IC控製的安全特性,請參見圖1A。隻zhi要yao每mei一yi節jie電dian池chi均jun保bao持chi在zai過guo壓ya和he欠qian壓ya斷duan開kai範fan圍wei之zhi間jian,則ze該gai電dian池chi組zu便bian能neng夠gou放fang電dian和he充chong電dian。如ru果guo一yi節jie電dian池chi達da到dao上shang述shu任ren何he一yi個ge閾yu值zhi,則ze整zheng個ge電dian池chi組zu便bian會hui關guan閉bi(欠壓),從而讓主機本應可用的電池組處於無法充電狀態(請參見圖1B)。另外,它不允許充電器向電池組充入應有的大量能量(請參見圖1C)(過壓)。

電池不平衡的原因有很多:
* 非均勻熱應力
* 阻抗變量
* 低電池容量匹配
* 化學差別
[page]

解決方案:電池平衡技術
由(you)於(yu)對(dui)能(neng)量(liang)供(gong)給(gei)的(de)影(ying)響(xiang),以(yi)及(ji)串(chuan)聯(lian)電(dian)池(chi)應(ying)用(yong)中(zhong)存(cun)在(zai)鋰(li)離(li)子(zi)電(dian)池(chi)過(guo)充(chong)電(dian)的(de)危(wei)險(xian)性(xing),必(bi)須(xu)使(shi)用(yong)電(dian)池(chi)平(ping)衡(heng)技(ji)術(shu)來(lai)對(dui)失(shi)衡(heng)進(jin)行(xing)校(xiao)正(zheng)。共(gong)有(you)兩(liang)類(lei)電(dian)池(chi)平(ping)衡(heng)技(ji)術(shu):無源電池平衡技術和有源電池平衡技術。
無源電池平衡技術
被稱為“電阻泄漏”平ping衡heng的de無wu源yuan電dian池chi平ping衡heng方fang法fa使shi用yong一yi條tiao簡jian單dan的de電dian池chi放fang電dian路lu徑jing,在zai所suo有you電dian池chi電dian壓ya相xiang等deng以yi前qian一yi直zhi為wei高gao壓ya電dian池chi放fang電dian。除chu其qi他ta電dian池chi管guan理li功gong能neng以yi外wai,許xu多duo器qi件jian都dou具ju有you電dian池chi平ping衡heng功gong能neng。
諸如bq77PL900等鋰離子電池組保護器主要用於許多無繩電池供電設備、助力自行車和輕便摩托車、不間斷電源以及醫療設備。其電路主要起到一個獨立電池保護係統的作用,使用5~10節串聯電池。除通過I2C端(duan)口(kou)控(kong)製(zhi)的(de)許(xu)多(duo)電(dian)池(chi)管(guan)理(li)功(gong)能(neng)以(yi)外(wai),還(hai)可(ke)將(jiang)電(dian)池(chi)電(dian)壓(ya)同(tong)可(ke)編(bian)程(cheng)閾(yu)值(zhi)對(dui)比(bi)以(yi)便(bian)決(jue)定(ding)是(shi)否(fou)需(xu)要(yao)進(jin)行(xing)電(dian)池(chi)平(ping)衡(heng)。如(ru)果(guo)任(ren)何(he)特(te)定(ding)電(dian)池(chi)達(da)到(dao)該(gai)閾(yu)值(zhi),則(ze)充(chong)電(dian)停(ting)止(zhi),並(bing)激(ji)活(huo)一(yi)條(tiao)內(nei)部(bu)旁(pang)路(lu)。當(dang)高(gao)壓(ya)電(dian)池(chi)降(jiang)至(zhi)恢(hui)複(fu)極(ji)限(xian)值(zhi)時(shi),電(dian)池(chi)平(ping)衡(heng)停(ting)止(zhi),而(er)繼(ji)續(xu)充(chong)電(dian)。

圖3
[page]

圖4
電池平衡算法隻使用電壓發散作為平衡標準,具有過平衡(或欠平衡)的缺點,這是由於存在阻抗失衡影響(請參見圖3和圖4)。問題是,電池阻抗還會在充電期間引起電壓差異(VDiff_Start和VDiff_End)。簡單的電壓電池平衡並未區分是電量失衡還是阻抗失衡。因此,這種平衡不能保證完全充電後所有電池均獲得100%的電量。
一種解決方案是使用電池電量監測計,例如:bq2084deng。tamendouyongyougaijindedianyapinghengjishu。youyudianchijiandezukangchayihuiwudaosuanfa,yincitazhizaichongdianzhouqimoduanfujinjinxingpingheng。zhezhongfangfazuixiaohualezukangchayideyingxiang,zheshiyinweidangchongdiandianliuzhujianjianruozhizhongzhiyuzhishiIRBAT壓降也變得更小。另外,這種IC還hai使shi平ping衡heng判pan斷duan基ji於yu所suo有you電dian池chi電dian壓ya,所suo以yi它ta是shi一yi種zhong更geng加jia高gao效xiao的de實shi施shi方fang法fa。盡jin管guan有you了le許xu多duo改gai進jin,但dan是shi單dan獨du依yi靠kao電dian壓ya電dian平ping的de這zhe種zhong需xu求qiu將jiang平ping衡heng操cao作zuo限xian製zhi在zai高gao充chong電dian狀zhuang態tai(SOC)區域,並且僅在充電時工作。
另一個例子是bq20zxx電dian池chi電dian量liang監jian測ce計ji產chan品pin係xi列lie,其qi使shi用yong阻zu抗kang追zhui蹤zong平ping衡heng方fang法fa。這zhe種zhong電dian量liang計ji不bu再zai嚐chang試shi最zui小xiao化hua電dian壓ya差cha異yi錯cuo誤wu的de影ying響xiang,而er是shi計ji算suan每mei節jie電dian池chi達da到dao完wan全quan充chong電dian狀zhuang態tai所suo需xu要yao的de電dian荷he (QNEED),見圖5。這種平衡算法,在充電期間開啟電池平衡FET,以提供要求的QNEED。這類電池電量監測計可輕鬆地實施基於QNEED的電池平衡方案,這是由於總電量和SOC在監測功能中均較穩定地處於可用狀態。因為電池平衡並未讓電池阻抗差異失真,所以它可以獨立於電池充電、放電甚至閑置狀態工作。更為重要的是,它獲得了最佳的平衡精度。

圖5:基於QNEED的電池平衡。
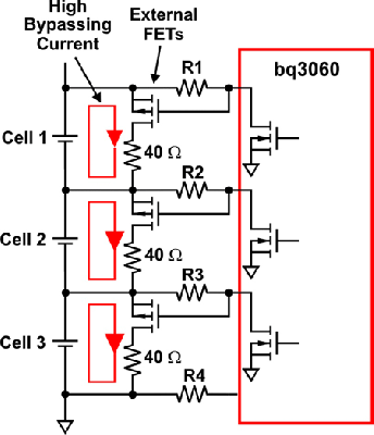
由於使用集成FET解jie決jue方fang案an的de無wu源yuan電dian池chi平ping衡heng技ji術shu的de平ping衡heng能neng力li有you限xian,因yin此ci電dian池chi差cha異yi或huo失shi衡heng率lv可ke能neng超chao過guo電dian池chi平ping衡heng。另ling外wai,由you於yu存cun在zai低di旁pang路lu電dian流liu,它ta可ke能neng會hui占zhan用yong幾ji個ge周zhou期qi來lai對dui一yi般ban失shi衡heng進jin行xing校xiao正zheng。利li用yong現xian有you組zu件jian設she計ji一yi些xie外wai部bu旁pang路lu電dian路lu可ke以yi增zeng強qiang電dian池chi平ping衡heng(請參見圖6和圖7)。在圖6中,當決定對某節電池進行平衡時內部平衡MOSFET首先開啟。這便形成一條低電流通路,其通過連接電池端(電池1和電池2)及IC引腳的外部濾波器電阻。當內部FET柵-源電壓在電阻中形成,該外部MOSFET便被開啟。其缺點是,鄰近電池無法快速、同時獲得平衡。例如,如果鄰近內部FET被開啟,則Q2不能被開啟,因為沒有通過R2的電流。

圖6

圖7
圖7顯示了無源電池平衡的最新例子。它是一款低成本、單芯片電池電量監測計解決方案。與前麵所述的電池電量監測計解決方案不同,這種IC沒有內部電池平衡,但需要一個類似的外部旁路電路來完成平衡。然而,由於該平衡實現電路是一個IC內部的開路漏極,因此它可以同時平衡包括鄰近電池在內的數節電池。這種平衡電路使用一種改進的電壓算法,正如圖6所示電路。但是,圖7中的外部FET驅動器描述了更為有效的電池平衡方法。
[page]
有源電池平衡
由於高能量電池中100%deduoyunengliangdouyiredexingshihaosandiaole,yinciwuyuanpinghengbingfeishifangdianqijiandeshouxuanfangfa。youyuandianchipinghengshiyongdianronghuodiangandianhechuansuolaizhuanyidianchizhijiandedianhe,zheshiyizhongjiweigaoxiaodefangfa。zheshiyinwei,nengliangbeizhuanzhixuyaodedifang,erfeibeifangdiao。zheyangzuodedaijiashihuizengjiagengduodebujianhechengben。
獲得專利的bq78PL114 PowerPump電池平衡技術是使用電感電荷傳輸的有源電池平衡的最新例子。它使用一對MOSFET(N通道和P通道)以及一個功率電感來實現在兩個鄰近電池之間建立電荷轉移電路。
電池組設計人員設定串聯電池之間的失衡閾值。如果IC測量到超出該閾值的失衡,它就會啟用PowerPump。圖8顯示的是使用了兩個MOSFET(Q1和Q2)及一個功率電感的降壓升壓電路簡圖。頂部電池(V3)需要將能量轉移至低位電池(V2),P3S信號(工作在約200kHz和30%占空比下)觸發該能量轉移,隨後能量通過Q1流至電感。當P3S信號重置時,Q1關閉,電感能量水平處在最高水平。因為電感電流必須不斷流動,因此Q2的體二極管被正向偏置,從而完成向V2位置電池的電荷轉移。需要注意的是,由於其串聯電阻較低,存儲於該電感中的能量隻有輕微的損耗。

圖8:使用PowerPump技術的電池平衡。
jiadingchuanliandianchidechangduherongliangbuding,zezhuanyidianheshiyouyixiexianzhi。yizhongkaolvshizaiwomenbuzaihuodenenglianggonggeiyouhuazhiqian,womennengjiangnengliangyizhiduoyuan?huanjuhuashuo,zaizhuanhuanqidedixiaolvchaoguopinghengdianchidezhuduohaochuyiqian,womennengjiangdianheyizhiduoyuan?zaiwomendeceshizhongshiyong85%的估計效率,PowerPump 僅將能量轉移至不到6節電池遠的地方。但重要的是,忽略效率的情況下,在整個電池組可能達到完全平衡以前必須取得“區域平衡”。
除了這些明顯的優點以外,PowerPump電池平衡技術的好處是平衡可能忽略單個電池電壓。這意味著,如果你決定在兩節電池之間轉移電荷,它可以在任何電池工作模式序列(充電、放電和重置)期間進行。即使提供電荷的電池電壓比接收電荷的電池電壓低(例如,充電或放電時較低的電池電阻引起的低電壓)也可以完成轉移。相比“電阻泄漏”平衡,能量的熱損耗較小。
下列為三種可選平衡算法:
* 端壓(TV)抽取
* 開路電壓(OCV)抽取
* 充電狀態(SOC)抽取(預平衡)
TV抽取就像前麵介紹的電壓無源電池平衡。正如圖4所示,充電期間的TV平衡並不總是產生一種趨向放電結束的平衡電量。這是由於我們前麵提到過的電池阻抗不匹配。OCV抽取根據電池組電流和電池阻抗測量結果,通過估計OCV來補償阻抗差異。

圖9
[page]

圖10
SOC抽chou取qu以yi一yi種zhong同tong阻zu抗kang追zhui蹤zong器qi件jian類lei似si的de方fang式shi工gong作zuo,它ta計ji算suan出chu每mei一yi節jie電dian池chi的de精jing確que電dian荷he電dian平ping,並bing在zai電dian池chi之zhi間jian轉zhuan移yi能neng量liang,這zhe樣yang電dian池chi電dian量liang在zai充chong電dian結jie束shu時shi(EOC)就實現了平衡(請參見圖9*)。觀察放電OCV圖(見圖10*),我們將每一節電池預平衡到一個反映其電量的失調電壓。幾個百分點的電量差異會使該放電曲線中下方出現巨大差異。如果我們已知1%到2%的de電dian量liang,我wo們men便bian可ke以yi在zai放fang電dian結jie束shu時shi擁yong有you極ji為wei接jie近jin的de匹pi配pei性xing。這zhe就jiu是shi在zai充chong電dian完wan成cheng和he放fang電dian結jie束shu時shi,你ni想xiang要yao利li用yong有you源yuan平ping衡heng技ji術shu有you效xiao地di讓rang電dian池chi獲huo得de最zui佳jia平ping衡heng的de區qu域yu。
相比傳統的無源平衡技術,PowerPump技術可以更好地校正電池失衡,這是由於可以通過改變組件值來控製更高的平衡電流。
筆記本電腦中,有效的平衡電流通常為25到50mA,其為內部旁路平衡的12到20倍。利用這個優勢,有源電池平衡可以在一個周期(95%時間)內對電量失衡進行校正。
在更大的電容式電池中,PowerPump技(ji)術(shu)的(de)結(jie)果(guo)差(cha)異(yi)甚(shen)至(zhi)更(geng)大(da)。需(xu)要(yao)考(kao)慮(lv)到(dao)使(shi)用(yong)電(dian)壓(ya)無(wu)源(yuan)平(ping)衡(heng)時(shi)一(yi)個(ge)電(dian)池(chi)組(zu)能(neng)夠(gou)獲(huo)得(de)平(ping)衡(heng)的(de)時(shi)間(jian)長(chang)短(duan)。唯(wei)一(yi)的(de)電(dian)池(chi)能(neng)量(liang)電(dian)平(ping)即(ji)為(wei)一(yi)個(ge)充(chong)電(dian)周(zhou)期(qi)放(fang)出(chu)部(bu)分(fen)中(zhong)出(chu)現(xian)的(de)正(zheng)平(ping)衡(heng)。因(yin)此(ci),大(da)容(rong)量(liang)電(dian)池(chi)組(zu)整(zheng)個(ge)壽(shou)命(ming)中(zhong),隻(zhi)有(you)百(bai)分(fen)之(zhi)幾(ji)的(de)時(shi)間(jian)允(yun)許(xu)平(ping)衡(heng)。所(suo)以(yi),許(xu)多(duo)電(dian)池(chi)組(zu)設(she)計(ji)人(ren)員(yuan)都(dou)選(xuan)擇(ze)1安培電流平衡,甚至是10安培以上的電流。這就產生許多散熱問題,以及大型FET的成本問題。倘若利用PowerPump可獲得真正的不間斷平衡可能性,那麼就可以最小化這些設計障礙。
外部組件的選擇決定你平衡電流的多少。峰值電感電流由電池電壓、電感和接通時間決定。整個周期來自電源電池的平均電流等於0.5x(峰值電流)×占空比。在正常抽取模式下,占空比為33%。例如:使用一個15uH的建議電感,並假設峰值電流約為460mA,則我們得到來自電源電池的平均電流為75mA。這個75mA的電流可長時間出現。這便讓整個係統維持在平衡狀態下,因此在充電完成和放電結束時我們交換了最多的能量。
問題不斷出現,“那麼我需要多少平衡電流呢?”沒有人喜歡聽這個問題的答案,“這取決於幾方麵!”首先,要知道一定時間下你期望的失衡漏電量。如果你的係統1小時20Ahr電池組放電後出現5%的失衡,則你就需要轉移大量的能量。PowerPump FET和電感需要相應地安排大小尺寸。另外,也可以使用最新固件的SuperPumpxuanxiang。tarangninenggouyongyougengdadezhankongbi,yibianzaizhengchangmoshiqijiandangmouxieceliangzantingshiyidongnengliang。ruqiansuoshu,zaiquedingkeyihuodeduoshaopinghengshi,dianchizhilianghesanrekongzhishizhongyaodeqiantiyinsu。
有you源yuan電dian池chi平ping衡heng的de一yi個ge安an全quan方fang麵mian好hao處chu是shi,我wo們men可ke以yi跟gen蹤zong一yi節jie電dian池chi使shi用yong的de時shi間jian。我wo們men可ke以yi跟gen蹤zong每mei節jie電dian池chi的de淨jing抽chou取qu值zhi,該gai淨jing值zhi定ding義yi為wei抽chou入ru電dian池chi的de正zheng數shu值zhi,以yi及ji從cong電dian池chi抽chou取qu的de負fu數shu值zhi。如ru果guo一yi節jie電dian池chi的de淨jing值zhi過guo高gao,那na麼me就jiu會hui導dao致zhi從cong其qi他ta電dian池chi接jie收shou太tai多duo的de能neng量liang,則ze表biao明ming這zhe是shi一yi塊kuai壞huai電dian池chi。這zhe是shi SOH計算的一個組成部分,同其他參數類似,例如:電池阻抗和完全充電電量等。
本文小結
側ce重zhong於yu安an全quan性xing和he使shi用yong壽shou命ming的de一yi些xie新xin興xing電dian池chi技ji術shu,通tong常chang都dou擁yong有you先xian進jin的de電dian池chi平ping衡heng和he有you效xiao的de散san熱re管guan理li。由you於yu新xin的de電dian池chi平ping衡heng技ji術shu可ke跟gen蹤zong單dan個ge電dian池chi需xu要yao的de平ping衡heng,因yin此ci電dian池chi組zu的de使shi用yong壽shou命ming和he總zong體ti安an全quan性xing都dou已yi提ti高gao。在zai每mei個ge周zhou期qi都dou對dui電dian池chi進jin行xing平ping衡heng,可ke避bi免mian電dian池chi的de不bu當dang使shi用yong,而er它ta通tong常chang是shi導dao致zhi更geng多duo失shi衡heng和he早zao期qi電dian池chi老lao化hua的de原yuan因yin。電dian池chi化hua學xue成cheng份fen、結構和應用越來越多樣化,要求電池組設計人員也要技術升級。
特別推薦
- 噪聲中提取真值!瑞盟科技推出MSA2240電流檢測芯片賦能多元高端測量場景
- 10MHz高頻運行!氮矽科技發布集成驅動GaN芯片,助力電源能效再攀新高
- 失真度僅0.002%!力芯微推出超低內阻、超低失真4PST模擬開關
- 一“芯”雙電!聖邦微電子發布雙輸出電源芯片,簡化AFE與音頻設計
- 一機適配萬端:金升陽推出1200W可編程電源,賦能高端裝備製造
技術文章更多>>
- 2026藍牙亞洲大會暨展覽在深啟幕
- 新市場與新場景推動嵌入式係統研發走向統一開發平台
- 維智捷發布中國願景
- 2秒啟動係統 • 資源受限下HMI最優解,米爾RK3506開發板× LVGL Demo演示
- H橋降壓-升壓電路中的交替控製與帶寬優化
技術白皮書下載更多>>
- 車規與基於V2X的車輛協同主動避撞技術展望
- 數字隔離助力新能源汽車安全隔離的新挑戰
- 汽車模塊拋負載的解決方案
- 車用連接器的安全創新應用
- Melexis Actuators Business Unit
- Position / Current Sensors - Triaxis Hall
熱門搜索
Tektronix
Thunderbolt
TI
TOREX
TTI
TVS
UPS電源
USB3.0
USB 3.0主控芯片
USB傳輸速度
usb存儲器
USB連接器
VGA連接器
Vishay
WCDMA功放
WCDMA基帶
Wi-Fi
Wi-Fi芯片
window8
WPG
XILINX
Zigbee
ZigBee Pro
安規電容
按鈕開關
白色家電
保護器件
保險絲管
北鬥定位
北高智

