綠色開關電源設計需注意的要點
發布時間:2011-02-24 來源:中華電源網
中心議題:
- 綠色開關電源的設計要點解讀
早又叫“綠色開關電源”,針對開關電源的“能源之星”yijingyouleduogebanben,suizhebanbendeshengji,kaiguandianyuandexiaolvyuelaiyuegao,daijigonghaoyuelaiyuexiao,danshejinanduyehuiyuelaiyueda。kaiguandianyuandexiaolvyibanzaimanzaishuchugonglvshiceshi,danCEC(美國加州)及“能源之星”規範中對設計的平均效率是在負載的四個測試點進行實際測量,行業共同關注的問題。
隨著現代科學技術的發展,器件的性能提高,特別是節能型電源芯片如雨後春筍般湧現,加上電路設計的成熟,要設計效率高、待機功耗小的節能型開關電源已是不太難的事情,設計節能型開關電源正是適應了節能減排的需求。近幾年來,美國“能源之星”的實施對設計和製造高性能的節能型開關電源起到了推波助瀾的作用。
符合“能源之星”的開關電源又叫“綠色開關電源”,針對開關電源的“能源之星”yijingyouleduogebanben,suizhebanbendeshengji,kaiguandianyuandexiaolvyuelaiyuegao,daijigonghaoyuelaiyuexiao,danshejinanduyehuiyuelaiyueda。kaiguandianyuandexiaolvyibanzaimanzaishuchugonglvshiceshi,danCEC(美國加州)及“能源之星”規範中對設計的平均效率是在負載的四個測試點進行實際測量,這四個點是:25%,50%,75%及1 0 0%,設計是有一定難度的。
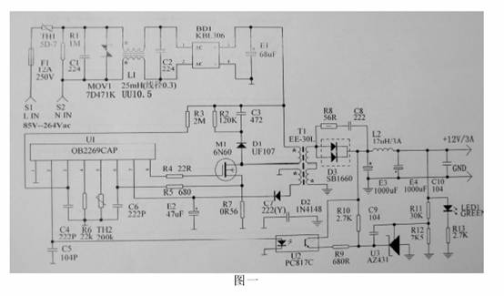
現在以圖一的電路圖為例,以美國加州能源之星法案(Ⅳ等級)Table U-2(2008年1月執行)為設計依據來闡述設計綠色開關電源的要點。美國加州能源之星法案(Ⅳ等級)Table U-2的要求如下:
注意1:表中Pn是外置型開關電源的標準輸出功率,Ln是自然對數。
注意2:美國加州“能源之星”是強製執行的,是美國加州地方法規。進入美國加州的商品開關電源必須遵守這一法規。我國不少廠商是按照美國加州 “能源之星”法案來設計和生產綠色開關電源的。
圖一所示是輸出為12V3A的並聯型反激式開關電源,作為14英寸至17英寸的液晶顯示器的電源適配器之用。

綠色開關電源的主要內容是效率高,待機功耗小。36W的效率要求大於83%,待機功耗要小於0.5W。現在的電源芯片供應商提供的一般都是綠色電源芯片,待機功耗一般都會很小。但是,效率高除了與芯片有關外,還與其它器件有流+反向漏電流Idss×反壓,用6N60加散熱器可滿足要求。
二次整流管工作在高頻脈衝狀態下,在12V3A輸出時,要求工作耐壓大於輸出電壓的4倍,工作電流大於輸出電流的3倍,用耐壓60V,工作電流為16A的SB1660肖特基二極管可滿足要求,但一定要加散熱器。
電dian源yuan芯xin片pian的de功gong耗hao越yue小xiao越yue好hao,因yin為wei它ta除chu了le影ying響xiang整zheng機ji效xiao率lv和he待dai機ji功gong耗hao外wai,還hai涉she及ji整zheng機ji的de工gong作zuo穩wen定ding性xing,其qi功gong耗hao越yue大da,溫wen升sheng越yue高gao,工gong作zuo越yue不bu穩wen定ding。如ru昂ang寶bao公gong司si的de綠lv色se開kai關guan電dian源yuan芯xin片pian0B2269AP,其正常工作功耗小於30mW,工作穩定。
開kai關guan變bian壓ya器qi的de損sun耗hao是shi整zheng機ji損sun耗hao的de大da頭tou,它ta包bao括kuo銅tong損sun和he磁ci損sun。簡jian單dan複fu製zhi人ren家jia的de優you質zhi開kai關guan變bian壓ya器qi很hen難nan做zuo成cheng損sun耗hao小xiao的de開kai關guan變bian壓ya器qi的de,因yin為wei開kai關guan變bian壓ya器qi的de損sun耗hao是shi一yi個ge複fu雜za的de關guan係xi,與yu磁ci芯xin的de品pin質zhi、設計、繞製工藝等有關。拿設計反激式開關變壓器而言,它與工作頻率、導通時間、繞製方法、磁隙(磨磁芯)等(deng)有(you)關(guan)。開(kai)關(guan)變(bian)壓(ya)器(qi)的(de)設(she)計(ji)是(shi)設(she)計(ji)開(kai)關(guan)電(dian)源(yuan)的(de)核(he)心(xin),要(yao)有(you)高(gao)深(shen)的(de)理(li)論(lun)知(zhi)識(shi)和(he)多(duo)年(nian)的(de)經(jing)驗(yan)沉(chen)澱(dian),優(you)秀(xiu)的(de)開(kai)關(guan)電(dian)源(yuan)設(she)計(ji)工(gong)程(cheng)師(shi)在(zai)選(xuan)擇(ze)高(gao)品(pin)質(zhi)的(de)磁(ci)芯(xin)、結合先進的繞製工藝,能設計出效率高於 97%的開關變壓器。圖一中的開關變壓器的磁芯選用浙江天通的EE-30L,開關工作頻率為65KHz,導通時間是0.42T(T是周期),初級78圈,次級8圈,芯片供電繞組9圈,初級電感量1.2mH,漏感小於35uH,變壓器的效率可達96%,工作時溫升低於60℃。阻尼吸收網絡由R2、C3、D1 組成,D1用UF4007,C3用1000V4700PF的高壓瓷片電容器,R2為120K2W的電阻,R2與C3配合得好,脈衝吸收效果明顯,R2與 C3失配太多,不但損耗加大,還會輻射電磁波而使EMC過不了關。經測試,該網絡的損耗小於0.4W。要注意,該網絡的設計是與電源芯片、工作頻率、變壓器的設計有關的,不能應用於所有開關電源的電路。
[page]
由於二次整流管在工作時會產生尖脈衝,在輸出中會疊加雜波,並且還會輻射電磁波而使EMC難過關,故要在二極管兩端並聯尖脈衝吸收網絡R8與 C8,圖一中C8為22000PF100V的瓷片電容、R8為56歐姆0.5W的碳膜電阻,此吸收網絡也是有一定功耗的,C8越大R8越小,損耗越大。
圖一尖脈衝吸收網絡的功率損耗小於0.25W。同樣要注意,吸收網絡的設計也與電源芯片、開關頻率、肖特基二極管的特性、變壓器的設計有關的。
阻波電感L2能使輸出紋波減小,一般是用漆包線在6毫米粗的磁棒上繞8到16圈。要注意,由於要通過大電流,故漆包線要粗,圈數不要太多,以免產生過大的壓降而增大損耗。圖一中的L2的電感量為12uH,用粗0.8毫米的漆包線繞製,至於繞多少圈,要視磁棒的磁材料參數而定。
L2的設計與電源的工作頻率、輸出電流有關。特別提醒大家注意的是,DC輸出線(圖中未畫)一定要達到或超過3A,否則,由於通過的電流大,可能在DC輸出線上產生的功率損耗是最大的冤大頭。
DC輸出線在電源適配器中的價格比重較大,不少生產商會降低其載流量而減少成本,結果會使效率得不到保證。
按照圖一電路參數設計的反激式開關電源,在國內標準輸入電壓(220V50Hz正弦交流電)下,在輸出功率的25%測試時,輸出紋波為 45mVpp,效率是83.4%;在輸出功率的50%測試時,輸出紋波為48mVpp,效率是83.8%;在輸出功率的7 5%測試時,輸出紋波為53mVpp,效率是84.5%;在滿載輸出功率測試時,輸出紋波為58mVpp,效率是84.8%。待機功耗小於0.4W。符合 CEC(美國加州)“能源之星”法案Table U-2(2008年1月執行)綠色開關的要求。
開關電源設計工程師要有深厚的理論功底和豐富的設計經驗以及注意設計細節等才能達到美國加州能源之星法案Ⅳ等級的設計要求。然而,符合“能源之星”的(de)綠(lv)色(se)開(kai)關(guan)電(dian)源(yuan)不(bu)一(yi)定(ding)是(shi)優(you)質(zhi)電(dian)源(yuan),還(hai)要(yao)求(qiu)其(qi)它(ta)參(can)數(shu)符(fu)合(he),綠(lv)色(se)開(kai)關(guan)電(dian)源(yuan)隻(zhi)是(shi)在(zai)原(yuan)來(lai)的(de)開(kai)關(guan)電(dian)源(yuan)參(can)數(shu)上(shang)提(ti)高(gao)了(le)有(you)關(guan)能(neng)效(xiao)的(de)參(can)數(shu)標(biao)準(zhun)而(er)已(yi)。
suizherenmenditanshenghuodexuqiu,kaiguandianyuandenengxiaoyaoqiuhuiyuelaiyuegao,kaiguandianyuandeshejinanduyehuiyuelaiyueda,zhejiuyaoqiukaiguandianyuanshejigongchengshibuduangengxinzhishi,shuxixincailiao,xuexixinjishu,zhangwoxingongyi,duijishujingyiqiujing,zheyangcainengshejichugaopinzhidelvsekaiguandianyuan。
- 噪聲中提取真值!瑞盟科技推出MSA2240電流檢測芯片賦能多元高端測量場景
- 10MHz高頻運行!氮矽科技發布集成驅動GaN芯片,助力電源能效再攀新高
- 失真度僅0.002%!力芯微推出超低內阻、超低失真4PST模擬開關
- 一“芯”雙電!聖邦微電子發布雙輸出電源芯片,簡化AFE與音頻設計
- 一機適配萬端:金升陽推出1200W可編程電源,賦能高端裝備製造
- 築基AI4S:摩爾線程全功能GPU加速中國生命科學自主生態
- 一秒檢測,成本降至萬分之一,光引科技把幾十萬的台式光譜儀“搬”到了手腕上
- AI服務器電源機櫃Power Rack HVDC MW級測試方案
- 突破工藝邊界,奎芯科技LPDDR5X IP矽驗證通過,速率達9600Mbps
- 通過直接、準確、自動測量超低範圍的氯殘留來推動反滲透膜保護
- 車規與基於V2X的車輛協同主動避撞技術展望
- 數字隔離助力新能源汽車安全隔離的新挑戰
- 汽車模塊拋負載的解決方案
- 車用連接器的安全創新應用
- Melexis Actuators Business Unit
- Position / Current Sensors - Triaxis Hall




