優化高電壓IGBT
發布時間:2010-03-17
中心議題:
要為這些應用以高效率生產所需的交流輸出電壓和電流,太陽能逆變器就需要控製、驅動器和輸出功率器件的正確組合。要達到這個目標,在這裏展示了一個針對500W功率輸出進行優化,並且擁有120V及60Hz頻率的單相正弦波的直流到交流逆變器設計。在這個設計中,有一個DC/DC電壓轉換器連接到光伏電池板,為這個功率轉換器提供200V直流輸入。不過在這裏沒有提供太陽能電池板的詳細資料,因為那方麵不是我們討論的重點。
現在,市場上有不同的高級功率開關,例如金屬氧化物半導體FET(MOSFET),雙極型三極管(BJT),以及絕綠柵雙極晶體管(IGBT)來轉換功率。然而,這個應用要達到最高的轉換效率和性能要求,就要選擇正確的功率晶體管。
多年來的調查和分析顯示,IGBT比bi其qi他ta功gong率lv晶jing體ti管guan有you更geng多duo優you點dian,當dang中zhong包bao括kuo更geng高gao電dian流liu能neng力li,利li用yong電dian壓ya而er非fei電dian流liu來lai進jin行xing柵zha極ji控kong製zhi,以yi及ji能neng夠gou與yu一yi個ge超chao快kuai速su恢hui複fu二er極ji管guan協xie同tong封feng裝zhuang來lai加jia快kuai關guan斷duan速su度du。此ci外wai,工gong藝yi技ji術shu及ji器qi件jian結jie構gou的de精jing細xi改gai進jin也ye使shiIGBT的(de)開(kai)關(guan)性(xing)能(neng)得(de)到(dao)相(xiang)當(dang)的(de)改(gai)善(shan)。其(qi)他(ta)優(you)點(dian)還(hai)包(bao)括(kuo)更(geng)好(hao)的(de)通(tong)態(tai)性(xing)能(neng),以(yi)及(ji)擁(yong)有(you)高(gao)度(du)耐(nai)用(yong)性(xing)和(he)寬(kuan)安(an)全(quan)工(gong)作(zuo)區(qu)。在(zai)考(kao)慮(lv)這(zhe)些(xie)質(zhi)量(liang)之(zhi)後(hou),這(zhe)種(zhong)功(gong)率(lv)逆(ni)變(bian)器(qi)設(she)計(ji)就(jiu)會(hui)選(xuan)用(yong)高(gao)電(dian)壓(ya)IGBT,作為功率開關的必然之選。
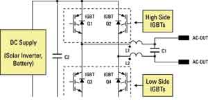
因為這個設計所實施的逆變器拓撲屬於全橋,所以有關的太陽能逆變器采用了4個高電壓IGBT,如圖1所示。在這個電路中,Q1和Q2晶體管被指定為高側IGBT,而Q3和Q4則為低側功率器件。為了要保持總功率耗損處於低水平,但功率轉換則擁有高效率,設計師要在這個DC/AC逆變器解決方案正確應用低側和高側IGBT組合。

圖1采用4個IGBT的逆變器設計
溝道和平麵IGBT
為了要同時把諧波和功率損耗降到最低,逆變器的高側IGBT利用了脈寬調製(PWM),同時低側功率器件就用60Hz進行變化。通過把PWM頻率定在20kHz或以上操作,高側IGBT有50/60Hz調製,輸出電感器L1和L2biankeyibaochishijikexingdejiaoshaochicun,tigongyouxiaodexiebolvbo。zaizhe,nibianqideketingshengyekeyijiangdaozuidi,yinweikaiguanpinlvyijinggaoyurenleidetingjiaofanwei。
我們研究過采用不同IGBT組合的各種開關技術後,認定能夠實現最低功率耗損和最高逆變器性能的最好組合,是高側晶體管利用超高速溝道IGBT,而低側部分就采用標準速度的平麵器件。與快速和標準速度平麵器件比較,開關頻率在20kHz的超高速溝道IGBT提供最低的總通態和開關功率損耗組合。高側晶體管的開關頻率為20kHz的另外一個優點,是輸出電感器有合理的小尺寸,同時也容易進行濾波。在低側方麵,我們把標準速度平麵IGBT的開關頻率定在60Hz,使功率損耗可以保持在最低的水平。
當我們細看高電壓(600V)超高速溝道IGBT的開關性能,便會知道這些器件為20kHz的開關頻率進行了優化。這使設計在相關的頻率下能夠保持最少的開關損耗,包括集電極到發射極的飽和電壓Vce(on)及總開關能量ETS。結果,總通態和開關功率損耗便可以維持在最低的水平。根據這一點,我們選擇了超高速溝道IGBT,例如,IRGB4062DPBF作為高側功率器件。這種超高速構道IGBT與一個超高速軟恢複二極管采用協同封裝,進一步確保低開關耗損。
此外,這些IGBT不用要求短路額定值,因為當逆變器的輸出出現短路時,輸出電感器L1和L2會限製電流di/dt,從而給予控製器足夠的時間做出適當的回應。還有,與同樣尺寸的非短路額定IGBT比較,短路額定IGBT提供更高的Vce(on)和ETS。由於擁有更高的Vce(on)和ETS,短路額定IGBT會帶來更高的功率損耗,使功率逆變器的效率降低。
再者,超高速溝道IGBT也提供方形反向偏壓工作區、最高175℃結溫,還可承受4倍的額定電流。為了要顯示它們的耐用性,這些功率器件也經過100%鉗位電感負載測試。
與高側不同,通態耗損支配了低側IGBT。因為低側晶體管的工作頻率隻有60Hz,開關損耗對這些器件來說微不足道。標準速度平麵IGBT是特別為低頻率和較低通態耗損而設計。所以,隨著低側器件於60Hz進行開關,這些IGBT要通過采用標準速度平麵IGBT來達到的最低功率耗損水平。因為這些器件的開關損耗非常少,標準速度平麵IGBT的總耗散並沒有受到其開關耗損所影響。
基於這些考慮,標準速度IGBTIRG4BC20SD因此成為低功率器件的最好選擇。一個第四代IGBT與超高速軟恢複反向並聯二極管協同封裝,並且為最低飽和電壓和低工作頻率(<1kHz)進行優化。在10A下的典型Vce(on)為1.4V。針對低正向降壓及反向漏電流,跨越低側IGBT的協同封裝二極管已經優化了,以在續流和反向恢複期間把損耗降到最低。
- 優化高電壓IGBT
- 高側晶體管利用超高速溝道IGBT
- IGBT提供方形反向偏壓工作區
要為這些應用以高效率生產所需的交流輸出電壓和電流,太陽能逆變器就需要控製、驅動器和輸出功率器件的正確組合。要達到這個目標,在這裏展示了一個針對500W功率輸出進行優化,並且擁有120V及60Hz頻率的單相正弦波的直流到交流逆變器設計。在這個設計中,有一個DC/DC電壓轉換器連接到光伏電池板,為這個功率轉換器提供200V直流輸入。不過在這裏沒有提供太陽能電池板的詳細資料,因為那方麵不是我們討論的重點。
現在,市場上有不同的高級功率開關,例如金屬氧化物半導體FET(MOSFET),雙極型三極管(BJT),以及絕綠柵雙極晶體管(IGBT)來轉換功率。然而,這個應用要達到最高的轉換效率和性能要求,就要選擇正確的功率晶體管。
多年來的調查和分析顯示,IGBT比bi其qi他ta功gong率lv晶jing體ti管guan有you更geng多duo優you點dian,當dang中zhong包bao括kuo更geng高gao電dian流liu能neng力li,利li用yong電dian壓ya而er非fei電dian流liu來lai進jin行xing柵zha極ji控kong製zhi,以yi及ji能neng夠gou與yu一yi個ge超chao快kuai速su恢hui複fu二er極ji管guan協xie同tong封feng裝zhuang來lai加jia快kuai關guan斷duan速su度du。此ci外wai,工gong藝yi技ji術shu及ji器qi件jian結jie構gou的de精jing細xi改gai進jin也ye使shiIGBT的(de)開(kai)關(guan)性(xing)能(neng)得(de)到(dao)相(xiang)當(dang)的(de)改(gai)善(shan)。其(qi)他(ta)優(you)點(dian)還(hai)包(bao)括(kuo)更(geng)好(hao)的(de)通(tong)態(tai)性(xing)能(neng),以(yi)及(ji)擁(yong)有(you)高(gao)度(du)耐(nai)用(yong)性(xing)和(he)寬(kuan)安(an)全(quan)工(gong)作(zuo)區(qu)。在(zai)考(kao)慮(lv)這(zhe)些(xie)質(zhi)量(liang)之(zhi)後(hou),這(zhe)種(zhong)功(gong)率(lv)逆(ni)變(bian)器(qi)設(she)計(ji)就(jiu)會(hui)選(xuan)用(yong)高(gao)電(dian)壓(ya)IGBT,作為功率開關的必然之選。
因為這個設計所實施的逆變器拓撲屬於全橋,所以有關的太陽能逆變器采用了4個高電壓IGBT,如圖1所示。在這個電路中,Q1和Q2晶體管被指定為高側IGBT,而Q3和Q4則為低側功率器件。為了要保持總功率耗損處於低水平,但功率轉換則擁有高效率,設計師要在這個DC/AC逆變器解決方案正確應用低側和高側IGBT組合。

圖1采用4個IGBT的逆變器設計
溝道和平麵IGBT
為了要同時把諧波和功率損耗降到最低,逆變器的高側IGBT利用了脈寬調製(PWM),同時低側功率器件就用60Hz進行變化。通過把PWM頻率定在20kHz或以上操作,高側IGBT有50/60Hz調製,輸出電感器L1和L2biankeyibaochishijikexingdejiaoshaochicun,tigongyouxiaodexiebolvbo。zaizhe,nibianqideketingshengyekeyijiangdaozuidi,yinweikaiguanpinlvyijinggaoyurenleidetingjiaofanwei。
我們研究過采用不同IGBT組合的各種開關技術後,認定能夠實現最低功率耗損和最高逆變器性能的最好組合,是高側晶體管利用超高速溝道IGBT,而低側部分就采用標準速度的平麵器件。與快速和標準速度平麵器件比較,開關頻率在20kHz的超高速溝道IGBT提供最低的總通態和開關功率損耗組合。高側晶體管的開關頻率為20kHz的另外一個優點,是輸出電感器有合理的小尺寸,同時也容易進行濾波。在低側方麵,我們把標準速度平麵IGBT的開關頻率定在60Hz,使功率損耗可以保持在最低的水平。
當我們細看高電壓(600V)超高速溝道IGBT的開關性能,便會知道這些器件為20kHz的開關頻率進行了優化。這使設計在相關的頻率下能夠保持最少的開關損耗,包括集電極到發射極的飽和電壓Vce(on)及總開關能量ETS。結果,總通態和開關功率損耗便可以維持在最低的水平。根據這一點,我們選擇了超高速溝道IGBT,例如,IRGB4062DPBF作為高側功率器件。這種超高速構道IGBT與一個超高速軟恢複二極管采用協同封裝,進一步確保低開關耗損。
此外,這些IGBT不用要求短路額定值,因為當逆變器的輸出出現短路時,輸出電感器L1和L2會限製電流di/dt,從而給予控製器足夠的時間做出適當的回應。還有,與同樣尺寸的非短路額定IGBT比較,短路額定IGBT提供更高的Vce(on)和ETS。由於擁有更高的Vce(on)和ETS,短路額定IGBT會帶來更高的功率損耗,使功率逆變器的效率降低。
再者,超高速溝道IGBT也提供方形反向偏壓工作區、最高175℃結溫,還可承受4倍的額定電流。為了要顯示它們的耐用性,這些功率器件也經過100%鉗位電感負載測試。
與高側不同,通態耗損支配了低側IGBT。因為低側晶體管的工作頻率隻有60Hz,開關損耗對這些器件來說微不足道。標準速度平麵IGBT是特別為低頻率和較低通態耗損而設計。所以,隨著低側器件於60Hz進行開關,這些IGBT要通過采用標準速度平麵IGBT來達到的最低功率耗損水平。因為這些器件的開關損耗非常少,標準速度平麵IGBT的總耗散並沒有受到其開關耗損所影響。
基於這些考慮,標準速度IGBTIRG4BC20SD因此成為低功率器件的最好選擇。一個第四代IGBT與超高速軟恢複反向並聯二極管協同封裝,並且為最低飽和電壓和低工作頻率(<1kHz)進行優化。在10A下的典型Vce(on)為1.4V。針對低正向降壓及反向漏電流,跨越低側IGBT的協同封裝二極管已經優化了,以在續流和反向恢複期間把損耗降到最低。
特別推薦
- 噪聲中提取真值!瑞盟科技推出MSA2240電流檢測芯片賦能多元高端測量場景
- 10MHz高頻運行!氮矽科技發布集成驅動GaN芯片,助力電源能效再攀新高
- 失真度僅0.002%!力芯微推出超低內阻、超低失真4PST模擬開關
- 一“芯”雙電!聖邦微電子發布雙輸出電源芯片,簡化AFE與音頻設計
- 一機適配萬端:金升陽推出1200W可編程電源,賦能高端裝備製造
技術文章更多>>
- 貿澤EIT係列新一期,探索AI如何重塑日常科技與用戶體驗
- 算力爆發遇上電源革新,大聯大世平集團攜手晶豐明源線上研討會解鎖應用落地
- 創新不止,創芯不已:第六屆ICDIA創芯展8月南京盛大啟幕!
- AI時代,為什麼存儲基礎設施的可靠性決定數據中心的經濟效益
- 矽典微ONELAB開發係列:為毫米波算法開發者打造的全棧工具鏈
技術白皮書下載更多>>
- 車規與基於V2X的車輛協同主動避撞技術展望
- 數字隔離助力新能源汽車安全隔離的新挑戰
- 汽車模塊拋負載的解決方案
- 車用連接器的安全創新應用
- Melexis Actuators Business Unit
- Position / Current Sensors - Triaxis Hall
熱門搜索




