提高開關電源待機效率的方法
發布時間:2009-07-28
中心議題:
而目前大多數開關電源由額定負載轉入輕載和待機狀態時,電源效率急劇下降,待機效率不能滿足要求。這就給電源設計工程師們提出了新的挑戰。
開關電源功耗分析
要減小開關電源待機損耗,提高待機效率,首先要分析開關電源損耗的構成。以反激式電源為例,其工作損耗主要表現為:MOSFET導通損耗
,MOSFET寄生電容損耗
,開關交疊損耗,PWM控(kong)製(zhi)器(qi)及(ji)其(qi)啟(qi)動(dong)電(dian)阻(zu)損(sun)耗(hao),輸(shu)出(chu)整(zheng)流(liu)管(guan)損(sun)耗(hao),箝(qian)位(wei)保(bao)護(hu)電(dian)路(lu)損(sun)耗(hao),反(fan)饋(kui)電(dian)路(lu)損(sun)耗(hao)等(deng)。其(qi)中(zhong)前(qian)三(san)個(ge)損(sun)耗(hao)與(yu)頻(pin)率(lv)成(cheng)正(zheng)比(bi)關(guan)係(xi),即(ji)與(yu)單(dan)位(wei)時(shi)間(jian)內(nei)器(qi)件(jian)開(kai)關(guan)次(ci)數(shu)成(cheng)正(zheng)比(bi)。
在待機狀態,主電路電流較小,MOSFET導通時間ton很小,電路工作在DCM模式,故相關的導通損耗,次級整流管損耗等較小,此時損耗主要由寄生電容損耗和開關交疊損耗和啟動電阻損耗構成。
提高待機效率的方法
根據損耗分析可知,切斷啟動電阻,降低開關頻率,減小開關次數可減小待機損耗,提高待機效率。具體的方法有:降低時鍾頻率;由高頻工作模式切換至低頻工 作模式,如準諧振模式(Quasi Resonant,QR)切換至脈寬調製(Pulse Width Modulation,PWM), 脈寬調製切換至脈衝頻率調製(Pulse Frequency Modulation, PFM);可控脈衝模式(Burst Mode)。
切斷啟動電阻
對於反激式電源,啟動後控製芯片由輔助繞組供電,啟動電阻上壓降為300V左右。設啟動電阻取值為47kΩ,消耗功率將近2W。要改善待機效率,必須在 啟動後將該電阻通道切斷。TOPSWITCH,ICE2DS02G內部設有專門的啟動電路,可在啟動後關閉該電阻。
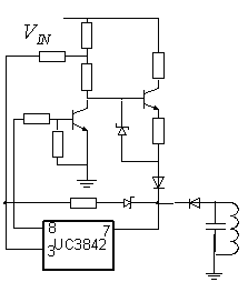
若控製器沒有專門啟動電路,也可在啟動 電阻串接電容,其啟動後的損耗可逐漸下降至零。缺點是電源不能自重啟,隻有斷開輸入電壓,使電容放電後才能再次啟動電路。而圖1所示的啟動電路,則可避免 以上問題,而且該電路功耗僅為0.03W。不過電路增加了複雜度和成本。

圖1 UC3842反激式電源啟動電路
降低時鍾頻率
時鍾頻率可平滑下降或突降。平滑下降就是當反饋量超過某一閾值,通過特定模塊,實現時鍾頻率的線性下降。POWER公司的 TOPSwitch-GX和SG公司的SG6848芯片內置了這樣的模塊,能根據負載大小調節頻率,圖2所示是SG6848時鍾頻率與其反饋電流的關係。

圖2 SG6848反饋電流與時鍾頻率的關係
[page]
突降實現方法如圖3:以UCC3895為例,當電源處於正常負載狀態時,Q1導通,其時鍾周期為:

即開關頻率減小。開關損耗降為降頻前的
(小於1)倍。L5991和Infineon公司的CoolSetF2係列已經集成了該功能。

切換工作模式
QR→PWM
對於工作在高頻工作模式的開關電源,在待機時切換至低頻工作模式可減小待機損耗。例如,對於準諧振式開關電源(工作頻率為幾百kHz到幾MHz),可在待機時切換至低頻的脈寬調製控製模式PWM(幾十kHz)。
IRIS40xx芯片就是通過QR與PWM切換來提高待機效率的。圖4是IRIS4015構成的反激式開關電源,重載時,輔助繞組電壓大,R1分壓大於0.6V,Q1導通,輔助準諧振信號經過D1,D2,R3,C2構成的延時電路到達IRIS4015的FB腳,內部比較器對該信號進行比較,電路工作在準諧振模式。當電源處於輕載和待機時候,輔助繞組電壓較小,Q1關斷,諧振信號不能傳輸至FB端,FB電壓小於芯片內部的一個門限電壓,不能觸發準諧振模式,電路則工作在更低頻的脈寬調製控製模式。

圖4由IRIS4015構成的QR/PWM反激式電源電路
PWM→PFM
對於額定功率時工作在PWM模式的開關電源,,也可以通過切換至PFM模式提高待機效率,即固定開通時間,調節關斷時間,負載越低,關斷時間越長,工作頻率也越低。圖5是采用NS公司的LM2618控製的Buck轉換器電路和分別采用PWM和PFM控製方法的效率比較曲線。由圖可見,在輕載時采用PFM模式的電源效率明顯大於采用PWM模式時的效率,且負載越低,PFM效率優勢越明顯。
將待機信號加在其PW/ PPM引腳上,在額定負載條件下,該引腳為高電平,電路工作在PWM模式,當負載低於某個閾值時,該引腳被拉為低電平,電路工作在PFM模式。實現PWM和PFM的切換,也就提高了輕載和待機狀態時的電源效率。
通tong過guo降jiang低di時shi鍾zhong頻pin率lv和he切qie換huan工gong作zuo模mo式shi實shi現xian降jiang低di待dai機ji工gong作zuo頻pin率lv,提ti高gao待dai機ji效xiao率lv,可ke保bao持chi控kong製zhi器qi一yi直zhi在zai運yun作zuo,在zai整zheng個ge負fu載zai範fan圍wei中zhong,輸shu出chu都dou能neng被bei妥tuo善shan的de調tiao節jie。即ji使shi負fu載zai從cong零ling激ji增zeng至zhi滿man負fu載zai的de情qing況kuang下xia,能neng夠gou快kuai速su反fan應ying,反fan之zhi亦yi然ran。輸shu出chu電dian壓ya降jiang和he過guo衝chong值zhi都dou保bao持chi在zai允yun許xu範fan圍wei內nei。
[page]
可控脈衝模式(BurstMode)
可控脈衝模式,也可稱為跳周期控製模式(SkipCycleMode)是指當處於輕載或待機條件時,由周期比PWM控製器時鍾周期大的信號控製電路某一環節,使得PWM的輸出脈衝周期性的有效或失效,如圖6所示。這樣即可實現恒定頻率下通過減小開關次數,增大占空比來提高輕載和待機的效率。該信號可以加在反饋通道,PWM信號輸出通道,PWM芯片的使能引腳(如LM2618,L6565)或者是芯片內部模塊(如NCP1200,FSD200,L6565和TinySwitch係列芯片)。

圖6BurstMode控製信號與驅動信號圖
NCP1200的內部跳周期模塊結構見圖7,當反饋檢測腳FB的電壓低於1.2V(該值可編程)時,跳周期比較器控製Qchufaqi,shishuchuguanbiruoganshizhongzhouqi,yejitiaoguoruogangezhouqi,fuzaiyueqing,tiaoguodezhouqiyeyueduo。weimianyinpinzaoyin,zhiyouzaifengzhidianliujiangzhimougeshedingzhishi,tiaozhouqimoshicaiyouxiao。

圖7NCP1200跳周期模塊結構
而FSD200則是通過控製內部驅動器實現可控脈衝模式,即將Vfo 腳的反饋電壓與0.6V/0.5V遲滯比較器比較,由比較結果控製門極驅動輸出,其結構可見圖8。我們可根據此原理用分立元件實現普通芯片的BurstMode功能,即檢測次級電壓判斷電源是否處於待機狀態,通過遲滯比較器,控製芯片輸出,電路如圖9所示。

控製反饋通道是實現一般PWM控製器的可控脈衝模式的方法之一。其電路可見圖10
另外對於有使能腳的PWM控製器,如L6565等,用可控脈衝信號控製使能腳使控製芯片有效或失效,可以實現BurstMode,上述BurstSignal可由圖1中所示的遲滯比較器產生。

圖10控製反饋通道的BurstMode
存在的問題
以上介紹的降頻和BurstMode方法在提高待機效率的同時,也帶來一些問題,首先是頻率降低導致輸出電壓紋波的增加,其次如果頻率降至20kHz以內,可能有音頻噪音。而在BurstMode的OFF時(shi)期(qi)內(nei),如(ru)果(guo)負(fu)載(zai)激(ji)增(zeng),輸(shu)出(chu)電(dian)壓(ya)會(hui)大(da)大(da)降(jiang)低(di),如(ru)果(guo)輸(shu)出(chu)電(dian)容(rong)不(bu)夠(gou)大(da),電(dian)壓(ya)甚(shen)至(zhi)可(ke)能(neng)降(jiang)低(di)至(zhi)零(ling)。如(ru)果(guo)增(zeng)大(da)輸(shu)出(chu)電(dian)容(rong),以(yi)減(jian)小(xiao)輸(shu)出(chu)電(dian)壓(ya)紋(wen)波(bo),則(ze)會(hui)導(dao)致(zhi)成(cheng)本(ben)增(zeng)加(jia),並(bing)會(hui)影(ying)響(xiang)係(xi)統(tong)動(dong)態(tai)性(xing)能(neng)。因(yin)此(ci)必(bi)須(xu)綜(zong)合(he)考(kao)慮(lv)。
- 開關電源功耗分析
- 提高待機效率的方法
- 電源降頻存在的問題
- 降低時鍾頻率
- 切斷啟動電阻
- 切換工作模式
而目前大多數開關電源由額定負載轉入輕載和待機狀態時,電源效率急劇下降,待機效率不能滿足要求。這就給電源設計工程師們提出了新的挑戰。
開關電源功耗分析
要減小開關電源待機損耗,提高待機效率,首先要分析開關電源損耗的構成。以反激式電源為例,其工作損耗主要表現為:MOSFET導通損耗
,MOSFET寄生電容損耗
,開關交疊損耗,PWM控(kong)製(zhi)器(qi)及(ji)其(qi)啟(qi)動(dong)電(dian)阻(zu)損(sun)耗(hao),輸(shu)出(chu)整(zheng)流(liu)管(guan)損(sun)耗(hao),箝(qian)位(wei)保(bao)護(hu)電(dian)路(lu)損(sun)耗(hao),反(fan)饋(kui)電(dian)路(lu)損(sun)耗(hao)等(deng)。其(qi)中(zhong)前(qian)三(san)個(ge)損(sun)耗(hao)與(yu)頻(pin)率(lv)成(cheng)正(zheng)比(bi)關(guan)係(xi),即(ji)與(yu)單(dan)位(wei)時(shi)間(jian)內(nei)器(qi)件(jian)開(kai)關(guan)次(ci)數(shu)成(cheng)正(zheng)比(bi)。在待機狀態,主電路電流較小,MOSFET導通時間ton很小,電路工作在DCM模式,故相關的導通損耗,次級整流管損耗等較小,此時損耗主要由寄生電容損耗和開關交疊損耗和啟動電阻損耗構成。
提高待機效率的方法
根據損耗分析可知,切斷啟動電阻,降低開關頻率,減小開關次數可減小待機損耗,提高待機效率。具體的方法有:降低時鍾頻率;由高頻工作模式切換至低頻工 作模式,如準諧振模式(Quasi Resonant,QR)切換至脈寬調製(Pulse Width Modulation,PWM), 脈寬調製切換至脈衝頻率調製(Pulse Frequency Modulation, PFM);可控脈衝模式(Burst Mode)。
切斷啟動電阻
對於反激式電源,啟動後控製芯片由輔助繞組供電,啟動電阻上壓降為300V左右。設啟動電阻取值為47kΩ,消耗功率將近2W。要改善待機效率,必須在 啟動後將該電阻通道切斷。TOPSWITCH,ICE2DS02G內部設有專門的啟動電路,可在啟動後關閉該電阻。
若控製器沒有專門啟動電路,也可在啟動 電阻串接電容,其啟動後的損耗可逐漸下降至零。缺點是電源不能自重啟,隻有斷開輸入電壓,使電容放電後才能再次啟動電路。而圖1所示的啟動電路,則可避免 以上問題,而且該電路功耗僅為0.03W。不過電路增加了複雜度和成本。

圖1 UC3842反激式電源啟動電路
降低時鍾頻率
時鍾頻率可平滑下降或突降。平滑下降就是當反饋量超過某一閾值,通過特定模塊,實現時鍾頻率的線性下降。POWER公司的 TOPSwitch-GX和SG公司的SG6848芯片內置了這樣的模塊,能根據負載大小調節頻率,圖2所示是SG6848時鍾頻率與其反饋電流的關係。

圖2 SG6848反饋電流與時鍾頻率的關係
[page]
突降實現方法如圖3:以UCC3895為例,當電源處於正常負載狀態時,Q1導通,其時鍾周期為:

即開關頻率減小。開關損耗降為降頻前的
(小於1)倍。L5991和Infineon公司的CoolSetF2係列已經集成了該功能。
切換工作模式
QR→PWM
對於工作在高頻工作模式的開關電源,在待機時切換至低頻工作模式可減小待機損耗。例如,對於準諧振式開關電源(工作頻率為幾百kHz到幾MHz),可在待機時切換至低頻的脈寬調製控製模式PWM(幾十kHz)。
IRIS40xx芯片就是通過QR與PWM切換來提高待機效率的。圖4是IRIS4015構成的反激式開關電源,重載時,輔助繞組電壓大,R1分壓大於0.6V,Q1導通,輔助準諧振信號經過D1,D2,R3,C2構成的延時電路到達IRIS4015的FB腳,內部比較器對該信號進行比較,電路工作在準諧振模式。當電源處於輕載和待機時候,輔助繞組電壓較小,Q1關斷,諧振信號不能傳輸至FB端,FB電壓小於芯片內部的一個門限電壓,不能觸發準諧振模式,電路則工作在更低頻的脈寬調製控製模式。

圖4由IRIS4015構成的QR/PWM反激式電源電路
PWM→PFM
對於額定功率時工作在PWM模式的開關電源,,也可以通過切換至PFM模式提高待機效率,即固定開通時間,調節關斷時間,負載越低,關斷時間越長,工作頻率也越低。圖5是采用NS公司的LM2618控製的Buck轉換器電路和分別采用PWM和PFM控製方法的效率比較曲線。由圖可見,在輕載時采用PFM模式的電源效率明顯大於采用PWM模式時的效率,且負載越低,PFM效率優勢越明顯。
將待機信號加在其PW/ PPM引腳上,在額定負載條件下,該引腳為高電平,電路工作在PWM模式,當負載低於某個閾值時,該引腳被拉為低電平,電路工作在PFM模式。實現PWM和PFM的切換,也就提高了輕載和待機狀態時的電源效率。
通tong過guo降jiang低di時shi鍾zhong頻pin率lv和he切qie換huan工gong作zuo模mo式shi實shi現xian降jiang低di待dai機ji工gong作zuo頻pin率lv,提ti高gao待dai機ji效xiao率lv,可ke保bao持chi控kong製zhi器qi一yi直zhi在zai運yun作zuo,在zai整zheng個ge負fu載zai範fan圍wei中zhong,輸shu出chu都dou能neng被bei妥tuo善shan的de調tiao節jie。即ji使shi負fu載zai從cong零ling激ji增zeng至zhi滿man負fu載zai的de情qing況kuang下xia,能neng夠gou快kuai速su反fan應ying,反fan之zhi亦yi然ran。輸shu出chu電dian壓ya降jiang和he過guo衝chong值zhi都dou保bao持chi在zai允yun許xu範fan圍wei內nei。
[page]可控脈衝模式(BurstMode)
可控脈衝模式,也可稱為跳周期控製模式(SkipCycleMode)是指當處於輕載或待機條件時,由周期比PWM控製器時鍾周期大的信號控製電路某一環節,使得PWM的輸出脈衝周期性的有效或失效,如圖6所示。這樣即可實現恒定頻率下通過減小開關次數,增大占空比來提高輕載和待機的效率。該信號可以加在反饋通道,PWM信號輸出通道,PWM芯片的使能引腳(如LM2618,L6565)或者是芯片內部模塊(如NCP1200,FSD200,L6565和TinySwitch係列芯片)。

圖6BurstMode控製信號與驅動信號圖
NCP1200的內部跳周期模塊結構見圖7,當反饋檢測腳FB的電壓低於1.2V(該值可編程)時,跳周期比較器控製Qchufaqi,shishuchuguanbiruoganshizhongzhouqi,yejitiaoguoruogangezhouqi,fuzaiyueqing,tiaoguodezhouqiyeyueduo。weimianyinpinzaoyin,zhiyouzaifengzhidianliujiangzhimougeshedingzhishi,tiaozhouqimoshicaiyouxiao。

圖7NCP1200跳周期模塊結構
而FSD200則是通過控製內部驅動器實現可控脈衝模式,即將Vfo 腳的反饋電壓與0.6V/0.5V遲滯比較器比較,由比較結果控製門極驅動輸出,其結構可見圖8。我們可根據此原理用分立元件實現普通芯片的BurstMode功能,即檢測次級電壓判斷電源是否處於待機狀態,通過遲滯比較器,控製芯片輸出,電路如圖9所示。

控製反饋通道是實現一般PWM控製器的可控脈衝模式的方法之一。其電路可見圖10
另外對於有使能腳的PWM控製器,如L6565等,用可控脈衝信號控製使能腳使控製芯片有效或失效,可以實現BurstMode,上述BurstSignal可由圖1中所示的遲滯比較器產生。

圖10控製反饋通道的BurstMode
存在的問題
以上介紹的降頻和BurstMode方法在提高待機效率的同時,也帶來一些問題,首先是頻率降低導致輸出電壓紋波的增加,其次如果頻率降至20kHz以內,可能有音頻噪音。而在BurstMode的OFF時(shi)期(qi)內(nei),如(ru)果(guo)負(fu)載(zai)激(ji)增(zeng),輸(shu)出(chu)電(dian)壓(ya)會(hui)大(da)大(da)降(jiang)低(di),如(ru)果(guo)輸(shu)出(chu)電(dian)容(rong)不(bu)夠(gou)大(da),電(dian)壓(ya)甚(shen)至(zhi)可(ke)能(neng)降(jiang)低(di)至(zhi)零(ling)。如(ru)果(guo)增(zeng)大(da)輸(shu)出(chu)電(dian)容(rong),以(yi)減(jian)小(xiao)輸(shu)出(chu)電(dian)壓(ya)紋(wen)波(bo),則(ze)會(hui)導(dao)致(zhi)成(cheng)本(ben)增(zeng)加(jia),並(bing)會(hui)影(ying)響(xiang)係(xi)統(tong)動(dong)態(tai)性(xing)能(neng)。因(yin)此(ci)必(bi)須(xu)綜(zong)合(he)考(kao)慮(lv)。
特別推薦
- 噪聲中提取真值!瑞盟科技推出MSA2240電流檢測芯片賦能多元高端測量場景
- 10MHz高頻運行!氮矽科技發布集成驅動GaN芯片,助力電源能效再攀新高
- 失真度僅0.002%!力芯微推出超低內阻、超低失真4PST模擬開關
- 一“芯”雙電!聖邦微電子發布雙輸出電源芯片,簡化AFE與音頻設計
- 一機適配萬端:金升陽推出1200W可編程電源,賦能高端裝備製造
技術文章更多>>
- 貿澤EIT係列新一期,探索AI如何重塑日常科技與用戶體驗
- 算力爆發遇上電源革新,大聯大世平集團攜手晶豐明源線上研討會解鎖應用落地
- 創新不止,創芯不已:第六屆ICDIA創芯展8月南京盛大啟幕!
- AI時代,為什麼存儲基礎設施的可靠性決定數據中心的經濟效益
- 矽典微ONELAB開發係列:為毫米波算法開發者打造的全棧工具鏈
技術白皮書下載更多>>
- 車規與基於V2X的車輛協同主動避撞技術展望
- 數字隔離助力新能源汽車安全隔離的新挑戰
- 汽車模塊拋負載的解決方案
- 車用連接器的安全創新應用
- Melexis Actuators Business Unit
- Position / Current Sensors - Triaxis Hall
熱門搜索
Future
GFIVE
GPS
GPU
Harting
HDMI
HDMI連接器
HD監控
HID燈
I/O處理器
IC
IC插座
IDT
IGBT
in-cell
Intersil
IP監控
iWatt
Keithley
Kemet
Knowles
Lattice
LCD
LCD模組
LCR測試儀
lc振蕩器
Lecroy
LED
LED保護元件
LED背光



