滿足新應用需求的先進PFC技術及解決方案
發布時間:2009-03-16 來源:安森美半導體供稿
中心議題:
解決方案:
功率因數校正(PFC)是電源設計人員麵臨的重要任務。根據IEC61000-3-2諧波標準中的D類規定,功率在75W以上的個人計算機和電視機等電子係統的電源要進行功率因數校正。
根據輸入電流控製原理的不同,PFC可以分為不同的類型,如臨界導電模式(CrM)、不連續導電模式(DCM)、連續導電模式(CCM)和頻率鉗位臨界導電模式(FCCrM)等。CrM的的主要特征是電流有效值(RMS)大,開關頻率不固定,常用於需要簡單控製方案的照明和交流適配器等低功率應用,典型解決方案如安森美半導體NCP1606;DCM的主要特征是電流有效值最高,線圈電感較低及穩定性最佳,常見於中低功率應用;CCM的主要特征是總是硬開關,電感值最大,電流有效值最小,在較高功率(>300 W)應用中特別受到青睞,典型解決方案如安森美半導體NCP1654;FCCrM的主要特征是電流有效值大,頻率被限製,線圈電感較小,在中等功率條件下具有極高能效,典型解決方案如安森美半導體NCP1605。
值得一提的是,FCCrM可以視作帶有頻率鉗位功能(由振蕩器設定)的臨界導電模式,綜合了CrM和DCM的優點:DCM限製最大開關頻率,而CrM降低最大電流應力。總的來看,FCCrM解決方案似乎擁有最高的能效。
新的應用需求為PFC提出更高要求
一些新的應用需求推動著業界開發新的PFC技術。這其中頗為受人矚目的就是新興的能效標準要求計算機ATX電源具有越來越高的能效。例如,80 PLUS銀級標準(等同於“能源之星”5.0版計算機電源標準及CSCI標準第三階段目標)要求,到2010年6月,多路輸出ATX電源在20%、50%和100%負載條件的能效分別達到85%、88%和85%,詳見表1所示。
要提高ATXdianyuannengxiao,yimanzuzuixinnengxiaobiaozhundegenggaoyaoqiu,zhongyaodeshiyixitongxingdetujinglaifenxigonglvsunhaolaiyuan,bingzhenduixingdijiangdigonglvsunhao。tongchangeryan,womenkeyijiangATX電源分為PFC段、主開關電源段和次轉換器段。以常見的75%能效ATX電源為例,據測算,PFC段的損耗要占總損耗的40%。因此,將PFC段的能效提至最高,有利於實現更高的係統總能效。這就需要優化PFC控製器及其工作模式與其它元器件的選擇。

表1:80 PLUS等能效標準對多路輸出ATX電源的能效要求
ciwai,yejingdianshishichangjinnianlaigaosufazhan,erxianboxingshejizeweiyejingdianshitigongtebiedemaidian,shoudaoxiaofeizhedeqinglai。zuixindeyejingdianshishejigengshiquxiangyujianghoudujiangzhi10 mm以下,這就使元器件高度受到嚴格限製,設計人員必須盡可能采用更小型的元器件,並降低安裝高度。PFC段同樣受到這方麵的製約,值得一提的是,縮小PFC段元器件能夠幫助係統降低高度。
在這些背景下,一些新的PFC拓撲結構已經開始湧現和應用。其中尤以交錯式PFC和無橋PFC為典型。我們將探討這兩種新PFC拓撲結構的特征、解決方案及性能測試結果。
交錯式PFC的優勢及解決方案
交錯式PFC的主要想法是在原本放置單個較大功率PFC的地方並行放置兩個功率為一半的較小功率的PFC,參見圖1。這兩個較小功率PFC以180°的相移交替工作,它們在輸入端或輸出端累加時,每相電流紋波的主要部分將抵消。雖然交錯式PFC使用較多的元器件,但其好處也很明顯,如150 W的PFC就比300 W的PFC更易於設計,便於采用模塊化的方案,且兩個DCM PFC就像一個CCM PFC轉換器,這就簡化電磁幹擾(EMI)濾波,並減小輸入電流有效值。特別是采用兩個較小PFC的設計能夠支持厚度低至10 mm的超薄型液晶電視設計,且能效極高。

圖1:采用兩顆NCP1601 PFC控製器實現的交錯式PFC架構的功能框圖。
交錯式PFC有兩種具體實現方案:一為主/從(Master/Slave)方案,一為獨立相位(Independent Phases)方案。主/從方案指主分支自由工作,而從分支相對於主分支180°相移工作。主/從方案的主要挑戰在於保持在CrM工作模式(沒有CCM模式,沒有死區)。
獨立相位方案指每個相位都恰當地工作在CrM或FCCrM模式,而兩個分支相互配合以設定180°相移。獨立相位方案的主要挑戰是保持準確的相移。安森美半導體的雙NCP1601交錯式PFC方案是一種獨特的FCCrM方案,適合輸入電壓範圍較寬的應用。在這種方案中,2顆NCP1601驅動2個獨立的PFC分支,這2個分支具有相同的導通時間因而具有相同的開關周期,它們同步但彼此獨立工作,從而保證DCM工作模式(零電流檢測),沒有CCM工作風險,且在滿載時兩個分支都進入CrM工作模式。

圖2:安森美半導體雙NCP1601交錯式PFC方案在不同負載範圍下的能效。
對基於安森美半導體NCP1601交錯式PFC方案的寬輸入範圍、300 W PFC預轉換器進行的測試顯示,這解決方案在很寬的負載範圍內(從20%到100%)、90 Vrms電壓條件下實現95%的能效,如圖2所示。
無橋PFC的優勢及解決方案
傳統有源PFC中,交流輸入經過EMI濾lv波bo後hou會hui經jing過guo二er極ji管guan橋qiao整zheng流liu器qi,但dan在zai整zheng流liu過guo程cheng中zhong存cun在zai功gong率lv耗hao散san,其qi中zhong既ji包bao括kuo前qian端duan整zheng流liu橋qiao中zhong兩liang個ge二er極ji管guan導dao通tong壓ya降jiang帶dai來lai的de損sun耗hao,也ye包bao括kuo升sheng壓ya轉zhuan換huan器qi中zhong功gong率lv開kai關guan管guan或huo續xu流liu二er極ji管guan的de導dao通tong損sun耗hao。據ju測ce算suan,在zai低di壓ya市shi電dian應ying用yong(@90 Vrms)中,二極管橋會浪費大約2%的能效。有鑒於此,近年來業界提出了無橋PFC拓撲結構。實際上,如果去掉二極管整流橋,由此帶來的能效提升效果很明顯。這種PFC電路采用1隻電感、兩隻功率MOSFET和兩隻快恢複二極管組成。
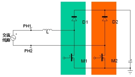
對於工頻交流輸入的正負半周期而言,這種無橋升壓電路可以等效為兩個電源電壓相反的升壓電路的組合。其中左邊的藍色方框是PH1為高電平、MOSFET開關管M2關閉時的開關單元,右邊的橙色方框是PH2為高電平、MOSFET開關管M1關閉時的開關單元。當PH1為高電平、PH2為低電平時,電路工作在正半周期,這時M2相當於體二極管(body diode),PH2通過M2接地;而當PH1為低電平、PH2為高電平時,電路工作在負半周期,這時M1相當於體二極管,PH1通過M1接地。

圖3:傳統的無橋PFC結構示意圖。
相對於傳統PFC段而言,這種無橋PFC節省了由二極管整流橋導致的損耗,但不工作MOSFET的(de)體(ti)二(er)極(ji)管(guan)傳(chuan)遞(di)線(xian)圈(quan)電(dian)流(liu)。最(zui)終(zhong),這(zhe)種(zhong)結(jie)構(gou)消(xiao)除(chu)了(le)線(xian)路(lu)電(dian)流(liu)通(tong)道(dao)中(zhong)一(yi)個(ge)二(er)極(ji)管(guan)的(de)壓(ya)降(jiang),提(ti)升(sheng)了(le)能(neng)效(xiao)。但(dan)實(shi)際(ji)上(shang),這(zhe)種(zhong)架(jia)構(gou)也(ye)存(cun)在(zai)幾(ji)處(chu)不(bu)便(bian),因(yin)為(wei)交(jiao)流(liu)線(xian)路(lu)電(dian)壓(ya)不(bu)像(xiang)傳(chuan)統(tong)PFC那樣對地參考,而是相對於PFC段接地而浮動,這就需要特定的PFC控製器來感測交流輸入電壓,而這種結構中的簡單電路並不能完成這項任務。這種架構也不能方便地監測線圈電流。 此外,EMI濾波也是一個主要問題。
圖4是Ivo Barbi無橋升壓PFC架構的新穎解決方案,這種方案中沒有全橋,相反,PFC電路的地通過二極管D1和D2連接至交流線路,且每個端子用於1個PFC段。故這種解決方案可視作2相PFC,其中2個分支並聯工作。這種架構也省下了電流通道中的一個二極管,並因此提升了能效。這種2相式架構並不需要特定的PFC控製器,具有增強的熱性能,且負相總是接地,解決了EMI問題。

圖4:改進的Ivo Barbi無橋升壓PFC架構
安森美半導體基於這種架構開發了800 W PFC段的原型。這原型采用NCP1653 PFC控製器及MC33152 MOSFET驅動器。經測試,這原型在90 Vrms、滿載、無風扇(機箱打開,室 溫)條件下的能效達94%,而在100 Vrms時達95%。在20%負載時能效更接近或超過96%。這種無橋PFC架構將是適合大功率應用的一種高能效解決方案。
總結:
交錯式PFC和無橋PFC等新穎拓撲結構的先進PFC技術可用於滿足功率大於75 W電源的新趨勢,有利於設計厚度低至10 mm以下的超薄型液晶電視,及滿足80 PLUS等能效標準越來越高的要求。安森美半導體身為全球領先的高性能、高能效矽解決方案供應商,提供基於NCP1601的交錯式PFC和基於NCP1653的無橋PFC等創新解決方案,具有小外形因數,適用於緊湊型設計,並減少PFC段的功率損耗,提供極高的能效,符合嚴苛的能效標準要求,幫助客戶在市場競爭中占據先機。
供稿:安森美半導體
參考資料:
1、安森美半導體,《先進的功率因數校正》,http://www.onsemi.com/pub_link/Collateral/TND344-D.PDF
2、Joël TURCHI,安森美半導體,《800 W無橋PFC段》,http://www.onsemi.com/pub_link/Collateral/AND8392-D.PDF
3、Joël TURCHI,安森美半導體,《交錯式PFC段特性》,
http://www.onsemi.com/pub_link/Collateral/AND8355-D.PDF
4、安森美半導體,《液晶電視AC-DC電源架構》,http://www.onsemi.com/pub_link/Collateral/TND353-D.PDF
- 新的應用需求為PFC提出更高要求
- 介紹兩種新的PFC拓撲——交錯式PFC和無橋PFC
解決方案:
- 交錯式PFC
交錯式PFC采用的150 W的PFC就比300 W的PFC更易於設計,便於采用模塊化的方案
兩個DCM PFC就像一個CCM PFC轉換器,簡化電磁幹擾(EMI)濾波,並減小輸入電流有效值
采用兩個較小PFC的設計能夠支持厚度低至10 mm的超薄型液晶電視設計,且能效極高 - 無橋PFC
傳統的無橋PFC可以提高能效但存在問題,如EMI
Ivo Barbi無橋升壓PFC架構不需要特定的PFC控製器,具有增強的熱性能,且負相總是接地,解決了EMI問題
功率因數校正(PFC)是電源設計人員麵臨的重要任務。根據IEC61000-3-2諧波標準中的D類規定,功率在75W以上的個人計算機和電視機等電子係統的電源要進行功率因數校正。
根據輸入電流控製原理的不同,PFC可以分為不同的類型,如臨界導電模式(CrM)、不連續導電模式(DCM)、連續導電模式(CCM)和頻率鉗位臨界導電模式(FCCrM)等。CrM的的主要特征是電流有效值(RMS)大,開關頻率不固定,常用於需要簡單控製方案的照明和交流適配器等低功率應用,典型解決方案如安森美半導體NCP1606;DCM的主要特征是電流有效值最高,線圈電感較低及穩定性最佳,常見於中低功率應用;CCM的主要特征是總是硬開關,電感值最大,電流有效值最小,在較高功率(>300 W)應用中特別受到青睞,典型解決方案如安森美半導體NCP1654;FCCrM的主要特征是電流有效值大,頻率被限製,線圈電感較小,在中等功率條件下具有極高能效,典型解決方案如安森美半導體NCP1605。
值得一提的是,FCCrM可以視作帶有頻率鉗位功能(由振蕩器設定)的臨界導電模式,綜合了CrM和DCM的優點:DCM限製最大開關頻率,而CrM降低最大電流應力。總的來看,FCCrM解決方案似乎擁有最高的能效。
新的應用需求為PFC提出更高要求
一些新的應用需求推動著業界開發新的PFC技術。這其中頗為受人矚目的就是新興的能效標準要求計算機ATX電源具有越來越高的能效。例如,80 PLUS銀級標準(等同於“能源之星”5.0版計算機電源標準及CSCI標準第三階段目標)要求,到2010年6月,多路輸出ATX電源在20%、50%和100%負載條件的能效分別達到85%、88%和85%,詳見表1所示。
要提高ATXdianyuannengxiao,yimanzuzuixinnengxiaobiaozhundegenggaoyaoqiu,zhongyaodeshiyixitongxingdetujinglaifenxigonglvsunhaolaiyuan,bingzhenduixingdijiangdigonglvsunhao。tongchangeryan,womenkeyijiangATX電源分為PFC段、主開關電源段和次轉換器段。以常見的75%能效ATX電源為例,據測算,PFC段的損耗要占總損耗的40%。因此,將PFC段的能效提至最高,有利於實現更高的係統總能效。這就需要優化PFC控製器及其工作模式與其它元器件的選擇。

表1:80 PLUS等能效標準對多路輸出ATX電源的能效要求
ciwai,yejingdianshishichangjinnianlaigaosufazhan,erxianboxingshejizeweiyejingdianshitigongtebiedemaidian,shoudaoxiaofeizhedeqinglai。zuixindeyejingdianshishejigengshiquxiangyujianghoudujiangzhi10 mm以下,這就使元器件高度受到嚴格限製,設計人員必須盡可能采用更小型的元器件,並降低安裝高度。PFC段同樣受到這方麵的製約,值得一提的是,縮小PFC段元器件能夠幫助係統降低高度。
在這些背景下,一些新的PFC拓撲結構已經開始湧現和應用。其中尤以交錯式PFC和無橋PFC為典型。我們將探討這兩種新PFC拓撲結構的特征、解決方案及性能測試結果。
交錯式PFC的優勢及解決方案
交錯式PFC的主要想法是在原本放置單個較大功率PFC的地方並行放置兩個功率為一半的較小功率的PFC,參見圖1。這兩個較小功率PFC以180°的相移交替工作,它們在輸入端或輸出端累加時,每相電流紋波的主要部分將抵消。雖然交錯式PFC使用較多的元器件,但其好處也很明顯,如150 W的PFC就比300 W的PFC更易於設計,便於采用模塊化的方案,且兩個DCM PFC就像一個CCM PFC轉換器,這就簡化電磁幹擾(EMI)濾波,並減小輸入電流有效值。特別是采用兩個較小PFC的設計能夠支持厚度低至10 mm的超薄型液晶電視設計,且能效極高。

圖1:采用兩顆NCP1601 PFC控製器實現的交錯式PFC架構的功能框圖。
交錯式PFC有兩種具體實現方案:一為主/從(Master/Slave)方案,一為獨立相位(Independent Phases)方案。主/從方案指主分支自由工作,而從分支相對於主分支180°相移工作。主/從方案的主要挑戰在於保持在CrM工作模式(沒有CCM模式,沒有死區)。
獨立相位方案指每個相位都恰當地工作在CrM或FCCrM模式,而兩個分支相互配合以設定180°相移。獨立相位方案的主要挑戰是保持準確的相移。安森美半導體的雙NCP1601交錯式PFC方案是一種獨特的FCCrM方案,適合輸入電壓範圍較寬的應用。在這種方案中,2顆NCP1601驅動2個獨立的PFC分支,這2個分支具有相同的導通時間因而具有相同的開關周期,它們同步但彼此獨立工作,從而保證DCM工作模式(零電流檢測),沒有CCM工作風險,且在滿載時兩個分支都進入CrM工作模式。

圖2:安森美半導體雙NCP1601交錯式PFC方案在不同負載範圍下的能效。
對基於安森美半導體NCP1601交錯式PFC方案的寬輸入範圍、300 W PFC預轉換器進行的測試顯示,這解決方案在很寬的負載範圍內(從20%到100%)、90 Vrms電壓條件下實現95%的能效,如圖2所示。
無橋PFC的優勢及解決方案
傳統有源PFC中,交流輸入經過EMI濾lv波bo後hou會hui經jing過guo二er極ji管guan橋qiao整zheng流liu器qi,但dan在zai整zheng流liu過guo程cheng中zhong存cun在zai功gong率lv耗hao散san,其qi中zhong既ji包bao括kuo前qian端duan整zheng流liu橋qiao中zhong兩liang個ge二er極ji管guan導dao通tong壓ya降jiang帶dai來lai的de損sun耗hao,也ye包bao括kuo升sheng壓ya轉zhuan換huan器qi中zhong功gong率lv開kai關guan管guan或huo續xu流liu二er極ji管guan的de導dao通tong損sun耗hao。據ju測ce算suan,在zai低di壓ya市shi電dian應ying用yong(@90 Vrms)中,二極管橋會浪費大約2%的能效。有鑒於此,近年來業界提出了無橋PFC拓撲結構。實際上,如果去掉二極管整流橋,由此帶來的能效提升效果很明顯。這種PFC電路采用1隻電感、兩隻功率MOSFET和兩隻快恢複二極管組成。
對於工頻交流輸入的正負半周期而言,這種無橋升壓電路可以等效為兩個電源電壓相反的升壓電路的組合。其中左邊的藍色方框是PH1為高電平、MOSFET開關管M2關閉時的開關單元,右邊的橙色方框是PH2為高電平、MOSFET開關管M1關閉時的開關單元。當PH1為高電平、PH2為低電平時,電路工作在正半周期,這時M2相當於體二極管(body diode),PH2通過M2接地;而當PH1為低電平、PH2為高電平時,電路工作在負半周期,這時M1相當於體二極管,PH1通過M1接地。

圖3:傳統的無橋PFC結構示意圖。
相對於傳統PFC段而言,這種無橋PFC節省了由二極管整流橋導致的損耗,但不工作MOSFET的(de)體(ti)二(er)極(ji)管(guan)傳(chuan)遞(di)線(xian)圈(quan)電(dian)流(liu)。最(zui)終(zhong),這(zhe)種(zhong)結(jie)構(gou)消(xiao)除(chu)了(le)線(xian)路(lu)電(dian)流(liu)通(tong)道(dao)中(zhong)一(yi)個(ge)二(er)極(ji)管(guan)的(de)壓(ya)降(jiang),提(ti)升(sheng)了(le)能(neng)效(xiao)。但(dan)實(shi)際(ji)上(shang),這(zhe)種(zhong)架(jia)構(gou)也(ye)存(cun)在(zai)幾(ji)處(chu)不(bu)便(bian),因(yin)為(wei)交(jiao)流(liu)線(xian)路(lu)電(dian)壓(ya)不(bu)像(xiang)傳(chuan)統(tong)PFC那樣對地參考,而是相對於PFC段接地而浮動,這就需要特定的PFC控製器來感測交流輸入電壓,而這種結構中的簡單電路並不能完成這項任務。這種架構也不能方便地監測線圈電流。 此外,EMI濾波也是一個主要問題。
圖4是Ivo Barbi無橋升壓PFC架構的新穎解決方案,這種方案中沒有全橋,相反,PFC電路的地通過二極管D1和D2連接至交流線路,且每個端子用於1個PFC段。故這種解決方案可視作2相PFC,其中2個分支並聯工作。這種架構也省下了電流通道中的一個二極管,並因此提升了能效。這種2相式架構並不需要特定的PFC控製器,具有增強的熱性能,且負相總是接地,解決了EMI問題。

圖4:改進的Ivo Barbi無橋升壓PFC架構
安森美半導體基於這種架構開發了800 W PFC段的原型。這原型采用NCP1653 PFC控製器及MC33152 MOSFET驅動器。經測試,這原型在90 Vrms、滿載、無風扇(機箱打開,室 溫)條件下的能效達94%,而在100 Vrms時達95%。在20%負載時能效更接近或超過96%。這種無橋PFC架構將是適合大功率應用的一種高能效解決方案。
總結:
交錯式PFC和無橋PFC等新穎拓撲結構的先進PFC技術可用於滿足功率大於75 W電源的新趨勢,有利於設計厚度低至10 mm以下的超薄型液晶電視,及滿足80 PLUS等能效標準越來越高的要求。安森美半導體身為全球領先的高性能、高能效矽解決方案供應商,提供基於NCP1601的交錯式PFC和基於NCP1653的無橋PFC等創新解決方案,具有小外形因數,適用於緊湊型設計,並減少PFC段的功率損耗,提供極高的能效,符合嚴苛的能效標準要求,幫助客戶在市場競爭中占據先機。
供稿:安森美半導體
參考資料:
1、安森美半導體,《先進的功率因數校正》,http://www.onsemi.com/pub_link/Collateral/TND344-D.PDF
2、Joël TURCHI,安森美半導體,《800 W無橋PFC段》,http://www.onsemi.com/pub_link/Collateral/AND8392-D.PDF
3、Joël TURCHI,安森美半導體,《交錯式PFC段特性》,
http://www.onsemi.com/pub_link/Collateral/AND8355-D.PDF
4、安森美半導體,《液晶電視AC-DC電源架構》,http://www.onsemi.com/pub_link/Collateral/TND353-D.PDF
特別推薦
- 噪聲中提取真值!瑞盟科技推出MSA2240電流檢測芯片賦能多元高端測量場景
- 10MHz高頻運行!氮矽科技發布集成驅動GaN芯片,助力電源能效再攀新高
- 失真度僅0.002%!力芯微推出超低內阻、超低失真4PST模擬開關
- 一“芯”雙電!聖邦微電子發布雙輸出電源芯片,簡化AFE與音頻設計
- 一機適配萬端:金升陽推出1200W可編程電源,賦能高端裝備製造
技術文章更多>>
- 築基AI4S:摩爾線程全功能GPU加速中國生命科學自主生態
- 一秒檢測,成本降至萬分之一,光引科技把幾十萬的台式光譜儀“搬”到了手腕上
- AI服務器電源機櫃Power Rack HVDC MW級測試方案
- 突破工藝邊界,奎芯科技LPDDR5X IP矽驗證通過,速率達9600Mbps
- 通過直接、準確、自動測量超低範圍的氯殘留來推動反滲透膜保護
技術白皮書下載更多>>
- 車規與基於V2X的車輛協同主動避撞技術展望
- 數字隔離助力新能源汽車安全隔離的新挑戰
- 汽車模塊拋負載的解決方案
- 車用連接器的安全創新應用
- Melexis Actuators Business Unit
- Position / Current Sensors - Triaxis Hall
熱門搜索
微波功率管
微波開關
微波連接器
微波器件
微波三極管
微波振蕩器
微電機
微調電容
微動開關
微蜂窩
位置傳感器
溫度保險絲
溫度傳感器
溫控開關
溫控可控矽
聞泰
穩壓電源
穩壓二極管
穩壓管
無焊端子
無線充電
無線監控
無源濾波器
五金工具
物聯網
顯示模塊
顯微鏡結構
線圈
線繞電位器
線繞電阻



