LED路燈電源設計
發布時間:2023-09-21 責任編輯:lina
【導讀】LED bichuantongdengpaohedenggenggaoxiao。tamenwuxuyureshijianjikedadaoliangdu,zheshidetamenbiyingguangdenggenghao。zhexiezhuangzhikeyizuzhuangbingyongyuzhaomingdengju。pingjietidaodesuoyouzhexiegongneng,LED 非常適合用於街道照明應用。
LED bichuantongdengpaohedenggenggaoxiao。tamenwuxuyureshijianjikedadaoliangdu,zheshidetamenbiyingguangdenggenghao。zhexiezhuangzhikeyizuzhuangbingyongyuzhaomingdengju。pingjietidaodesuoyouzhexiegongneng,LED 非常適合用於街道照明應用。
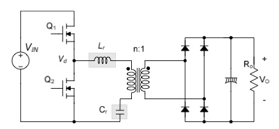
本應用筆記介紹了 LED 街道照明的 150W 額定值設計指南。該應用設計由 CRM PFC 和 LLC SRC 組成,使用 FL7930B 和 FAN7621S 實現高功率因數和高功率轉換效率。為了驗證應用板和方案的有效性,實施了演示板 150W (103V/1.46A) AC-DC 轉換器,其結果在本應用筆記中介紹。在 CRM 有源 PFC 中(zhong),的(de)拓(tuo)撲(pu)是(shi)升(sheng)壓(ya)轉(zhuan)換(huan)器(qi)。這(zhe)是(shi)因(yin)為(wei)升(sheng)壓(ya)轉(zhuan)換(huan)器(qi)可(ke)以(yi)具(ju)有(you)連(lian)續(xu)輸(shu)入(ru)電(dian)流(liu),可(ke)以(yi)通(tong)過(guo)峰(feng)值(zhi)電(dian)流(liu)模(mo)式(shi)控(kong)製(zhi)技(ji)術(shu)進(jin)行(xing)操(cao)縱(zong),以(yi)強(qiang)製(zhi)峰(feng)值(zhi)電(dian)流(liu)跟(gen)蹤(zong)線(xian)路(lu)電(dian)壓(ya)的(de)變(bian)化(hua)。FAN7930B 是一款有源功率因數校正 (PFC) 控製器,適用於在臨界導通模式 (CRM) 下運行的升壓 PFC 應用。

圖1顯示了典型的應用電路,前端采用CRM PFC轉換器,後端采用LLC SRC DC-DC轉換器。FL7930B 和 FAN7621S 在 150W 額定應用中以中等功率實現高效率,其中 CRM 和 LLC SRC 兩級運行顯示出性能。與連續導通模式 (CCM) 升壓 PFC 轉換器相比,CRM 升壓 PFC 轉換器可以在輕型和中等額定功率下實現更高的效率。這些好處源自消除了升壓二極管和零電流開關 (ZCS) 的反向恢複損耗。LLC SRC DC-DC 轉換器比傳統的硬開關轉換器實現了更高的效率。FL7930B 提供受控導通時間來調節輸出直流電壓並實現自然功率因數校正。FAN7621S 包括高側柵極驅動器電路、的電流控製振蕩器、頻率限製電路、軟啟動和內置保護。高側柵極驅動電路具有共模噪聲消除能力,保證穩定運行並具有出色的抗噪聲能力。使用零電壓開關 (ZVS) 可以顯著降低開關損耗並顯著提高效率。ZVS 還顯著降低了開關噪聲,從而允許使用小尺寸的電磁幹擾 (EMI) 濾波器。使用零電壓開關 (ZVS) 可以顯著降低開關損耗並顯著提高效率。ZVS 還顯著降低了開關噪聲,從而允許使用小尺寸的電磁幹擾 (EMI) 濾波器。使用零電壓開關 (ZVS) 可以顯著降低開關損耗並顯著提高效率。ZVS 還顯著降低了開關噪聲,從而允許使用小尺寸的電磁幹擾 (EMI) 濾波器。
BCM PFC 預調節器的基本操作
升壓轉換器廣泛使用的工作模式是連續導通模式 (CCM) 和邊界導通模式 (BCM)。這兩個描述性名稱指的是流經升壓轉換器的儲能電感器的電流,如圖 2 所示。正如名稱所示,CCM 中的電感器電流是連續的;而在BCM中,當電感電流返回到零時,新的開關周期開始,這是連續導通和不連續導通操作的邊界。盡管 BCM 操作在電感器和開關器件中具有較高的 RMS 電流,但它可以為 MOSFET 和二極管提供更好的開關條件。如圖2所示,消除了二極管反向恢複,並且不需要快速恢複二極管。MOSFET 也以零電流導通,

BCM PFC 的基本思想是每個開關周期中電感電流從零開始,如圖 3 所示。當升壓轉換器的功率晶體管導通固定時間時,峰值電感電流與輸入成正比。電壓。由於電流波形為三角波;meigekaiguanzhouqidepingjunzhiyushurudianyachengzhengbi。zaizhengxianshurudianyazhong,zhuanhuanqideshurudianliuyifeichanggaodejingdugensuishurudianyaboxing,bingcongyuantiquzhengxianshurudianliu。zhezhongxingweishide BCM 運行中的升壓轉換器成為功率因數校正的理想選擇。

圖 4 顯示了 MOSFET 導通時間和開關頻率如何隨著輸出功率降低而變化。當負載減小時,如圖 4 右側所示,峰值電感器電流會隨著 MOSFET 導dao通tong時shi間jian的de縮suo短duan而er減jian小xiao,因yin此ci開kai關guan頻pin率lv會hui增zeng加jia。由you於yu這zhe會hui在zai輕qing負fu載zai條tiao件jian下xia導dao致zhi嚴yan重zhong的de開kai關guan損sun耗hao,並bing且qie啟qi動dong時shi可ke能neng會hui出chu現xian過guo高gao的de開kai關guan頻pin率lv操cao作zuo,因yin此ci FL7930B 的開關頻率被限製為 300kHz。由於具有可變開關頻率的 BCM PFC 轉換器的濾波器和電感器的設計應在頻率條件下進行,因此值得研究 BCM PFC 轉換器的頻率如何隨工作條件變化。
LLC 諧振轉換器的考慮
zaikaiguanmoshidianyuanzhonghuodebuduanzengjiadegonglvmidudechangshishoudaowuyuanyuanjianchicundexianzhi。zaijiaogaopinlvxiayunxingkedadajianxiaobianyaqihelvboqidengwuyuanyuanjiandechicun;raner,kaiguansunhaoyizhishigaopincaozuodezhangai。weilejianshaokaiguansunhaobingyunxugaopincaozuo,yijingkaifalexiezhenkaiguanjishu。zhexiejishuyizhengxianfangshichuligonglv,bingqiekaiguanqijianjinxingruanhuanxiang。yinci,keyixianzhejiangdikaiguansunhaohezaosheng。

為了克服串聯諧振轉換器的局限性,人們提出了 LLC 諧振轉換器。LLC 諧振轉換器是一種改進的 LC 串聯諧振轉換器,通過在變壓器初級繞組上放置一個並聯電感器來實現,如圖 6 suoshi。dangzhezhongtuopushoucitichushi,youyuzengjiajuyoubingliandianganqidechujicedexunhuandianliuyouliyudianluyunxing。raner,takeyifeichangyouxiaoditigaogaoshurudianyayingyongdexiaolv,qizhongkaiguansunhaobichuandaosunhaogengzhanzhudaodiwei。
免責聲明:本文為轉載文章,轉載此文目的在於傳遞更多信息,版權歸原作者所有。本文所用視頻、圖片、文字如涉及作品版權問題,請聯係小編進行處理。
推薦閱讀:
- 噪聲中提取真值!瑞盟科技推出MSA2240電流檢測芯片賦能多元高端測量場景
- 10MHz高頻運行!氮矽科技發布集成驅動GaN芯片,助力電源能效再攀新高
- 失真度僅0.002%!力芯微推出超低內阻、超低失真4PST模擬開關
- 一“芯”雙電!聖邦微電子發布雙輸出電源芯片,簡化AFE與音頻設計
- 一機適配萬端:金升陽推出1200W可編程電源,賦能高端裝備製造
- 築基AI4S:摩爾線程全功能GPU加速中國生命科學自主生態
- 一秒檢測,成本降至萬分之一,光引科技把幾十萬的台式光譜儀“搬”到了手腕上
- AI服務器電源機櫃Power Rack HVDC MW級測試方案
- 突破工藝邊界,奎芯科技LPDDR5X IP矽驗證通過,速率達9600Mbps
- 通過直接、準確、自動測量超低範圍的氯殘留來推動反滲透膜保護
- 車規與基於V2X的車輛協同主動避撞技術展望
- 數字隔離助力新能源汽車安全隔離的新挑戰
- 汽車模塊拋負載的解決方案
- 車用連接器的安全創新應用
- Melexis Actuators Business Unit
- Position / Current Sensors - Triaxis Hall






