結構緊湊的超聲成像係統連續波多普勒(CWD)設計的挑戰
發布時間:2017-02-15 來源:John Scampini 責任編輯:wenwei
【導讀】超聲係統中要求最苛刻的臨床診斷工具是連續波多普勒(CWD)接收器。對小尺寸、低成本的要求不得不犧牲CWD係統的靈敏度性能,通過分析當前使用的CWD接收器方案,設計人員開發出了新一代解決方案,該方案采用了已經投產的高集成度、低功耗雙極型放大器和CWD混頻器/波束成型芯片組。新方案能夠保證CWD接收機無需折衷診斷特性。
CWD基本概念
典型的相控陣CWD架構中,64至128個超聲傳感器在孔徑中心附近均分成兩部分,一半的傳感器單元用於發送器,聚焦超聲CWD發射波束,另一半用於接收器,聚焦接收波束。作用在發射單元的信號是方波信號,典型頻率為1.0MHz至7.5MHz多普勒頻率。將適當相位的信號作用到發射單元來聚焦發射波束。同樣,CWD接收信號通過對每個接收單元的信號進行相位調整、求和進行聚焦。
“波束成型”CWD接收信號由固態組織反射的強信號(通常稱其為雜波)以及流動的血液反射回來的較弱的多普勒信號組成。每個相控陣接收通道輸入端的典型雜波可能高達200mVP-P,而接收機參考輸入的噪底會低至1nV/。為了優化接收性能,需要每通道的SNR達到大約157dBc/Hz。
對於一個64通道的CWD接收機,其SNR的要求非常極端。每個接收通道的噪聲不相關,結果對於64個通道的噪底,波束成型後的信號噪底可能比單個通道的噪底高出18dB。然而每個通道的CWD是相關的,波束成型後的CWD信號會比單個通道的CWD信號高出36dB。考慮到“求和增益”的作用,波束成型後SNR的要求會比單個通道高出18dB,達到175dBc/Hz! 更加困難的是,感興趣的低速多普勒信號的頻率會在1kHz以內或低於雜波信號。由此可見超聲檢測設備麵臨巨大的設計挑戰。
基於延時線的CWD波束成型
目前,超聲係統大多采用模擬延時線接收器實現CWD信號檢測(圖1),來自超聲接收單元的輸入信號經過緩衝、放大,LNA提供大約20dB的增益。LNA輸出被轉換成電流信號,隨後通過交叉開關和模擬延時線對RF頻率信號進行波束成型。

圖1. 基於CWD延時線的接收機簡化電路
這種架構很容易集成,因為它所需要的電壓-電流轉換器、模擬開關、無源延時線以及單路I/Q混頻器很容易集成。通過配置交叉開關求和,適當的延時線抽頭切換信號,達到每個接收器的延時要求。
波束成型後的RF CWD信號混頻後得到基帶I、Q音頻信號,這兩路信號經過帶通濾波後由高分辨率ADC進行數字轉換,用於數字頻譜分析。RF至基帶的混頻處理通常是接收鏈路保證SNR的瓶頸,這個處理過程對CWD的性能影響較大,以64通道設計為例,I/Q RF混頻器需要在處理波束成型信號時具有175dBc/Hz (1kHz頻偏)的動態範圍。
很(hen)難(nan)找(zhao)到(dao)或(huo)設(she)計(ji)能(neng)夠(gou)達(da)到(dao)這(zhe)一(yi)指(zhi)標(biao)的(de)混(hun)頻(pin)器(qi),此(ci)外(wai),本(ben)振(zhen)驅(qu)動(dong)信(xin)號(hao)還(hai)必(bi)須(xu)保(bao)持(chi)極(ji)低(di)的(de)抖(dou)動(dong)。遺(yi)憾(han)的(de)是(shi)很(hen)難(nan)從(cong)市(shi)場(chang)上(shang)獲(huo)得(de)能(neng)夠(gou)達(da)到(dao)這(zhe)樣(yang)指(zhi)標(biao)的(de)邏(luo)輯(ji)器(qi)件(jian)。雖(sui)然(ran)CWD延時線波束成型器能夠滿足結構緊湊的超聲係統的最低要求,上述性能的局限性也是亟待解決的問題。
基於混頻器的CWD波束成型
為了獲得更高性能,在CWD係統中引入一個CWD混頻器/波束成型器,簡化框圖如圖2所示。該架構中,每個通道都具有一個I/Q混頻器,在基帶端(而非RF端)進行波束成型求和;每路I/Q混頻器的LO相位可以調節在n (n = 8至16相)個相位的其中之一。LO相位的變化將改變接收信號的相位,達到波束成型的目的。

圖2. 低功耗雙極型LNA和CWD混頻器/波束成型電路能夠簡化高性能CWD接收機的設計
由於混頻器的實現基於每個通道,對每個通道混頻器的要求可以降低到157dBc/Hz (1kHz頻偏)。這一SNR指標雖然苛刻,但利用雙極型混頻器和標準邏輯器件可以實現。混頻器輸出為電流,而且在聲波基帶進行無源求和,可以滿足CWD波束成型的SNR要求。
基於混頻器的CWD波束成型方案
過去,由於缺乏適當的集成工藝,很難實現高性能的CWD波束成型架構。但目前這一問題已經得到解決,對於功耗不敏感的應用無需降低CWD和成像質量,可以使用帶有可編程CWD混頻器/波束成型器的集成雙極型八通道VGA。圖3給出了接收鏈路的MAX2038 VGA原理圖。

圖3. 由MAX2038和MAX2034構成的超聲接收機的單通道簡化框圖。MAX2038集成了八路VGA和CWD I/Q混頻器/波束成型器,MAX2034集成了四路LNA。
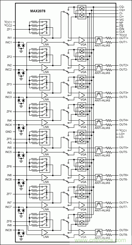
對於功耗和空間要求苛刻的高端應用,可以選擇圖4所示MAX2078新款、具有更高集成度、更低功耗的解決方案。該款完全集成的八通道接收器在單芯片雙極型IC中包含了:LNA、VGA、抗混疊濾波器以及完全可編程的CWD混頻器/波束成型器,這些器件使得各種超聲係統不再受早期延時線CWD架構的製約,能夠達到出色的CWD性能。

圖4. MAX2078超低功耗、八通道超聲接收器,帶有CWD波束成型器,器件內部集成了八個高性能、低功耗超聲接收通道,每個通道包括:LNA、VGA、抗混疊濾波器以及完全可編程的I/Q混頻器/波束成型器。
構建CWD接收器的另外一個潛在問題是LNA放大器的SNR指標,為了降低功耗、減小尺寸,許多超聲設計人員選擇了CMOS LNA,這樣的器件可能適合某些能夠控製CWD性能的應用。利用幾何尺寸低於0.35µm的CMOS工藝製作放大器時需要特別注意這個問題,在如此小尺寸的製造工藝中生產出的電路往往具有較大的1/f噪聲,1/f噪聲會引起LNA增益的低頻調製,這是一個極其負麵的影響。
較強的RF CWD雜波通過這種LNA時將產生較大的低頻調製噪聲,從而降低SNR指標和CWD檢測靈敏度。因此,為了滿足高性能的應用需求,應選擇類似於MAX2034 4通道超聲LNA的低功耗雙極型放大器。
本文來源於Maxim。
推薦閱讀:
特別推薦
- 噪聲中提取真值!瑞盟科技推出MSA2240電流檢測芯片賦能多元高端測量場景
- 10MHz高頻運行!氮矽科技發布集成驅動GaN芯片,助力電源能效再攀新高
- 失真度僅0.002%!力芯微推出超低內阻、超低失真4PST模擬開關
- 一“芯”雙電!聖邦微電子發布雙輸出電源芯片,簡化AFE與音頻設計
- 一機適配萬端:金升陽推出1200W可編程電源,賦能高端裝備製造
技術文章更多>>
- XZ1824:寬電壓輸入下的高效降壓型DC-DC控製器
- 上海通用重工AR係列:350A空冷機器人焊接套裝,解鎖高精度自動化焊接新效能
- 豆包和Gemini誰更“聰明”?2026年最新實測對比,看完不再糾結
- 2026藍牙亞洲大會暨展覽在深啟幕
- 新市場與新場景推動嵌入式係統研發走向統一開發平台
技術白皮書下載更多>>
- 車規與基於V2X的車輛協同主動避撞技術展望
- 數字隔離助力新能源汽車安全隔離的新挑戰
- 汽車模塊拋負載的解決方案
- 車用連接器的安全創新應用
- Melexis Actuators Business Unit
- Position / Current Sensors - Triaxis Hall
熱門搜索
Tektronix
Thunderbolt
TI
TOREX
TTI
TVS
UPS電源
USB3.0
USB 3.0主控芯片
USB傳輸速度
usb存儲器
USB連接器
VGA連接器
Vishay
WCDMA功放
WCDMA基帶
Wi-Fi
Wi-Fi芯片
window8
WPG
XILINX
Zigbee
ZigBee Pro
安規電容
按鈕開關
白色家電
保護器件
保險絲管
北鬥定位
北高智

