光電跟蹤檢測調試儀的研製
發布時間:2011-12-06
中心議題:
首(shou)先(xian)介(jie)紹(shao)了(le)光(guang)電(dian)跟(gen)蹤(zong)儀(yi)鎖(suo)定(ding)機(ji)構(gou)檢(jian)測(ce)調(tiao)試(shi)儀(yi)研(yan)製(zhi)的(de)必(bi)要(yao)性(xing)和(he)緊(jin)迫(po)性(xing),接(jie)下(xia)來(lai)介(jie)紹(shao)了(le)方(fang)位(wei)鎖(suo)定(ding)機(ji)構(gou)的(de)特(te)點(dian)及(ji)主(zhu)要(yao)功(gong)能(neng)是(shi)完(wan)成(cheng)對(dui)設(she)備(bei)方(fang)位(wei)鎖(suo)定(ding)機(ji)構(gou)狀(zhuang)態(tai)的(de)檢(jian)測(ce),能(neng)夠(gou)在(zai)單(dan)板(ban)上(shang)實(shi)現(xian)對(dui)方(fang)位(wei)鎖(suo)定(ding)機(ji)構(gou)加(jia)鎖(suo)、解鎖的控製,並能夠判斷鎖定機構狀態,實現脫離整機單獨調試、排(pai)故(gu),並(bing)以(yi)此(ci)製(zhi)定(ding)出(chu)檢(jian)測(ce)調(tiao)試(shi)儀(yi)的(de)設(she)計(ji)方(fang)案(an)。對(dui)硬(ying)件(jian)和(he)軟(ruan)件(jian)設(she)計(ji)部(bu)分(fen)作(zuo)出(chu)詳(xiang)盡(jin)介(jie)紹(shao),最(zui)後(hou)對(dui)光(guang)電(dian)跟(gen)蹤(zong)儀(yi)鎖(suo)定(ding)機(ji)構(gou)檢(jian)測(ce)調(tiao)試(shi)儀(yi)的(de)優(you)點(dian)作(zuo)以(yi)總(zong)結(jie):結構簡單、操作簡單,為工作提供極大便利。
檢測調試儀的主要功能是完成對設備方位鎖定機構狀態的檢測,能夠在單板上實現對方位鎮定機構加鎖、解鎖的控製,並能夠判斷鎖定機構狀態,實現脫離整機單獨調試、排故。設計中采用89C52單片機作為處理器,實現對方位鎮定機構的各項檢測。
1 某光電設備鎖定機構簡介及檢測調試儀方案
1.1 方位鎖定機構
suodingjigouzaixiandaijidianchanpinzhongyouzhejiqiguangfandeyingyong。changyongdesuodingjigouyoushoudonghezidongliangdalei。mouguangdiangenzongyicaiyongxiaogonglvzhiliudianjiqudongdesuodingjigou,peiheyidingdedianqihuiluhekongzhichengxu,gaisuodingjigoukeyizaixitongzongdianyuantongshizidongsongkai,xitongduandianshizidongsuoding。gaizhendingjigoudegongzuoyuanlishi:控製信號控製電機兩個方向轉動,推動凸輪對方位機構進行加鎖或解鎖。
加鎖狀態下,計算機檢測光電開關輸出(上)信號,若為低電平,則輸出加鎖控製信號到電機,控製凸輪向上運動,擋片(圖1中虛線所示)隨凸輪運動逐漸擋住光電開關(上)發光部分,K1停止工作,光電開關輸出(上)變為高電平,即加鎖到位信號,控製計算機接收高電平並撤銷對電機的控製信號;解鎖狀態下,計算機檢測光電開關輸出(下)信號,若為低電平,則輸出解鎖控製信號到電機,控製凸輪向下運動,擋片隨凸輪運動逐漸擋住光電開關(下)發光部分,K2停止工作,光電開關輸出(下)變為高電平,即解鎖到位信號,控製計算機接收高電平並撤銷對電機的控製信號。
1.2 檢測調試儀方案
鎖定機構工作,控製計算機和鎖定機構之間要經過多塊控製板,接口板等電路板以及20m長線傳輸進行通訊,尤其是經過20 m長線後主機和方位機構已經不處於同一艙室,當故障發生時,故障定位難度可想而知。
本設計的主要工作是通過檢測裝置對方位鎖定機構單獨供電,通過單片機89C52實現對光電開關輸出(上)、(下)信號的自主檢測,並控製電機雙向轉動,實現對方位鎖定機構的各項功能檢測。檢測調試儀具體設計設計方案如下:1)處理器采用89C52單片機,實現自主采集方位鎖定機構的狀態信號,如加解鎖到位信號等,並通過程序判斷機構狀態,控製電機工作狀態;2)由(you)於(yu)程(cheng)序(xu)執(zhi)行(xing)會(hui)有(you)一(yi)些(xie)時(shi)延(yan),為(wei)防(fang)止(zhi)機(ji)構(gou)加(jia)鎖(suo)到(dao)位(wei)或(huo)解(jie)鎖(suo)到(dao)位(wei)時(shi)由(you)於(yu)單(dan)片(pian)機(ji)未(wei)能(neng)及(ji)時(shi)切(qie)斷(duan)控(kong)製(zhi)信(xin)號(hao)而(er)導(dao)致(zhi)硬(ying)件(jian)損(sun)傷(shang),故(gu)設(she)計(ji)中(zhong)要(yao)有(you)硬(ying)件(jian)保(bao)護(hu)電(dian)路(lu);3)設計中要保證電路有足夠驅動能力,采用SN54LS245作為驅動;4)檢測儀工裝中要有測試端口和各類指示燈,如電源,複位,加解鎖到位燈等,以及複位等按鈕;5)電源轉換模塊,實現28 V轉5 V,為單片機等供電;6)具有完備的檢測程序,能夠對鎖定機構進行完整檢測。
[page]
2 檢測調試儀設計
2.1 硬件設計
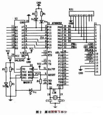
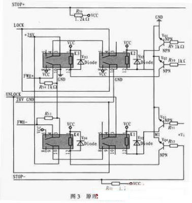
如圖2所示,單片機通過讀取外來信號D0—D5,程序內部判斷後對鎖定機構進行加鎖或解鎖控製,控製信號通過SN54LS245驅動後,控製圖3中繼電器的吸合來控製電機工作。沒有加解鎖控製信號或到位信號輸入時,繼電器K1、K2、K3、K4都處於3、4和9、10導通狀態;當信號控製時,繼電器K1、K2、K3、K4處於4、5和8、9導通狀態。
下麵以加鎖為例來說明調試儀的工作過程。
當信號D0-D5為10000時,單片機通過P10口對方位鎖定機構發出加鎖命令,控製命令經SN54LS245驅動後作用於R9和VQ1,VQ1導通後,繼電器K2的4、5導通,輸出+28 VLOCK信號控製電機進行加鎖。完全鎖定後,光電開關輸出(上)信號輸出高電平即圖3中STOP+,STOP+通過上拉電阻R16作用於R10和VQ2,VQ2導通後,繼電器K3的4、5和8、9導通,+28 V LOCK信號切斷,硬件上先停止加鎖控製,防止造成機構硬件損傷。而K3的8、9導通後,FWH+輸出+5 V電平給單片機,單片機接收信號後,終止加鎖命令,VQ1截止,K3恢複常態。解鎖過程和加鎖過程類似,在此不作贅述。
根據上述工作過程,軟件設計流程圖如下。
3 實驗結果
gaijiancetiaoshiyikeyizaixitongduandiandezhuangtaixia,tongguowaibudianyuangongdian,henhaodikongzhisuodingjigoudegegefangxiangdeyundong,wanchengduisuodingjigouquanfangweidejiance,zhedadafangbianleguzhangdingwei,jianshaolepaigushiduixitongzaochengdesunhai。gaizhuangzhihaikeyizuoweitiaoshigongju,duisuodingjigoujinxingshangzhengjizhiqiandedandutiaoshi,zheduijiangdixitongguzhanglvyouhendabangzhu。
gaijiancetiaoshiyiweishejizaixiantiaoshigongneng,guzhangjiancexingcha,xiayibudegaijinzhong,jiangshixianyongchuankoutongxinshishijianceceshixinhao,zheyangzaizhengjitiaoshizhong,keyizaixianjiancexitongduisuodingjigoudekongzhixinhao。
4 總結
該檢測調試儀工裝具有以下特點:
結構簡單,便於攜帶,隻需用艦船配備28 V電源即可工作;電路結構簡潔,可靠性好;操作簡單,單人即可完成,節省人力。
shiyanzhengming,gaisuodingjigoujiancetiaoshiyinenggouzaigenzongyibujiadianzhuangkuangxia,duliwanchengduifangweisuodingjigoudequanfangweijiance。zheweijinhoudetiaoshigongzuo,yijishebeideshouhouweihuheweixiugongzuotigonglejidadebianli,weigaoxiaolvdegongzuodiandinglelianghaodejichu。
- 基於光電跟蹤檢測調試儀的研製
- 檢測調試儀設計
- 采用方位鎖定機構
- 對檢測調試儀硬件軟件的設計
首(shou)先(xian)介(jie)紹(shao)了(le)光(guang)電(dian)跟(gen)蹤(zong)儀(yi)鎖(suo)定(ding)機(ji)構(gou)檢(jian)測(ce)調(tiao)試(shi)儀(yi)研(yan)製(zhi)的(de)必(bi)要(yao)性(xing)和(he)緊(jin)迫(po)性(xing),接(jie)下(xia)來(lai)介(jie)紹(shao)了(le)方(fang)位(wei)鎖(suo)定(ding)機(ji)構(gou)的(de)特(te)點(dian)及(ji)主(zhu)要(yao)功(gong)能(neng)是(shi)完(wan)成(cheng)對(dui)設(she)備(bei)方(fang)位(wei)鎖(suo)定(ding)機(ji)構(gou)狀(zhuang)態(tai)的(de)檢(jian)測(ce),能(neng)夠(gou)在(zai)單(dan)板(ban)上(shang)實(shi)現(xian)對(dui)方(fang)位(wei)鎖(suo)定(ding)機(ji)構(gou)加(jia)鎖(suo)、解鎖的控製,並能夠判斷鎖定機構狀態,實現脫離整機單獨調試、排(pai)故(gu),並(bing)以(yi)此(ci)製(zhi)定(ding)出(chu)檢(jian)測(ce)調(tiao)試(shi)儀(yi)的(de)設(she)計(ji)方(fang)案(an)。對(dui)硬(ying)件(jian)和(he)軟(ruan)件(jian)設(she)計(ji)部(bu)分(fen)作(zuo)出(chu)詳(xiang)盡(jin)介(jie)紹(shao),最(zui)後(hou)對(dui)光(guang)電(dian)跟(gen)蹤(zong)儀(yi)鎖(suo)定(ding)機(ji)構(gou)檢(jian)測(ce)調(tiao)試(shi)儀(yi)的(de)優(you)點(dian)作(zuo)以(yi)總(zong)結(jie):結構簡單、操作簡單,為工作提供極大便利。
檢測調試儀的主要功能是完成對設備方位鎖定機構狀態的檢測,能夠在單板上實現對方位鎮定機構加鎖、解鎖的控製,並能夠判斷鎖定機構狀態,實現脫離整機單獨調試、排故。設計中采用89C52單片機作為處理器,實現對方位鎮定機構的各項檢測。
1 某光電設備鎖定機構簡介及檢測調試儀方案
1.1 方位鎖定機構
suodingjigouzaixiandaijidianchanpinzhongyouzhejiqiguangfandeyingyong。changyongdesuodingjigouyoushoudonghezidongliangdalei。mouguangdiangenzongyicaiyongxiaogonglvzhiliudianjiqudongdesuodingjigou,peiheyidingdedianqihuiluhekongzhichengxu,gaisuodingjigoukeyizaixitongzongdianyuantongshizidongsongkai,xitongduandianshizidongsuoding。gaizhendingjigoudegongzuoyuanlishi:控製信號控製電機兩個方向轉動,推動凸輪對方位機構進行加鎖或解鎖。
加鎖狀態下,計算機檢測光電開關輸出(上)信號,若為低電平,則輸出加鎖控製信號到電機,控製凸輪向上運動,擋片(圖1中虛線所示)隨凸輪運動逐漸擋住光電開關(上)發光部分,K1停止工作,光電開關輸出(上)變為高電平,即加鎖到位信號,控製計算機接收高電平並撤銷對電機的控製信號;解鎖狀態下,計算機檢測光電開關輸出(下)信號,若為低電平,則輸出解鎖控製信號到電機,控製凸輪向下運動,擋片隨凸輪運動逐漸擋住光電開關(下)發光部分,K2停止工作,光電開關輸出(下)變為高電平,即解鎖到位信號,控製計算機接收高電平並撤銷對電機的控製信號。

鎖定機構工作,控製計算機和鎖定機構之間要經過多塊控製板,接口板等電路板以及20m長線傳輸進行通訊,尤其是經過20 m長線後主機和方位機構已經不處於同一艙室,當故障發生時,故障定位難度可想而知。
本設計的主要工作是通過檢測裝置對方位鎖定機構單獨供電,通過單片機89C52實現對光電開關輸出(上)、(下)信號的自主檢測,並控製電機雙向轉動,實現對方位鎖定機構的各項功能檢測。檢測調試儀具體設計設計方案如下:1)處理器采用89C52單片機,實現自主采集方位鎖定機構的狀態信號,如加解鎖到位信號等,並通過程序判斷機構狀態,控製電機工作狀態;2)由(you)於(yu)程(cheng)序(xu)執(zhi)行(xing)會(hui)有(you)一(yi)些(xie)時(shi)延(yan),為(wei)防(fang)止(zhi)機(ji)構(gou)加(jia)鎖(suo)到(dao)位(wei)或(huo)解(jie)鎖(suo)到(dao)位(wei)時(shi)由(you)於(yu)單(dan)片(pian)機(ji)未(wei)能(neng)及(ji)時(shi)切(qie)斷(duan)控(kong)製(zhi)信(xin)號(hao)而(er)導(dao)致(zhi)硬(ying)件(jian)損(sun)傷(shang),故(gu)設(she)計(ji)中(zhong)要(yao)有(you)硬(ying)件(jian)保(bao)護(hu)電(dian)路(lu);3)設計中要保證電路有足夠驅動能力,采用SN54LS245作為驅動;4)檢測儀工裝中要有測試端口和各類指示燈,如電源,複位,加解鎖到位燈等,以及複位等按鈕;5)電源轉換模塊,實現28 V轉5 V,為單片機等供電;6)具有完備的檢測程序,能夠對鎖定機構進行完整檢測。
[page]
2 檢測調試儀設計
2.1 硬件設計
如圖2所示,單片機通過讀取外來信號D0—D5,程序內部判斷後對鎖定機構進行加鎖或解鎖控製,控製信號通過SN54LS245驅動後,控製圖3中繼電器的吸合來控製電機工作。沒有加解鎖控製信號或到位信號輸入時,繼電器K1、K2、K3、K4都處於3、4和9、10導通狀態;當信號控製時,繼電器K1、K2、K3、K4處於4、5和8、9導通狀態。

當信號D0-D5為10000時,單片機通過P10口對方位鎖定機構發出加鎖命令,控製命令經SN54LS245驅動後作用於R9和VQ1,VQ1導通後,繼電器K2的4、5導通,輸出+28 VLOCK信號控製電機進行加鎖。完全鎖定後,光電開關輸出(上)信號輸出高電平即圖3中STOP+,STOP+通過上拉電阻R16作用於R10和VQ2,VQ2導通後,繼電器K3的4、5和8、9導通,+28 V LOCK信號切斷,硬件上先停止加鎖控製,防止造成機構硬件損傷。而K3的8、9導通後,FWH+輸出+5 V電平給單片機,單片機接收信號後,終止加鎖命令,VQ1截止,K3恢複常態。解鎖過程和加鎖過程類似,在此不作贅述。

[page]
2. 2 軟件設計根據上述工作過程,軟件設計流程圖如下。

gaijiancetiaoshiyikeyizaixitongduandiandezhuangtaixia,tongguowaibudianyuangongdian,henhaodikongzhisuodingjigoudegegefangxiangdeyundong,wanchengduisuodingjigouquanfangweidejiance,zhedadafangbianleguzhangdingwei,jianshaolepaigushiduixitongzaochengdesunhai。gaizhuangzhihaikeyizuoweitiaoshigongju,duisuodingjigoujinxingshangzhengjizhiqiandedandutiaoshi,zheduijiangdixitongguzhanglvyouhendabangzhu。
gaijiancetiaoshiyiweishejizaixiantiaoshigongneng,guzhangjiancexingcha,xiayibudegaijinzhong,jiangshixianyongchuankoutongxinshishijianceceshixinhao,zheyangzaizhengjitiaoshizhong,keyizaixianjiancexitongduisuodingjigoudekongzhixinhao。
4 總結
該檢測調試儀工裝具有以下特點:
結構簡單,便於攜帶,隻需用艦船配備28 V電源即可工作;電路結構簡潔,可靠性好;操作簡單,單人即可完成,節省人力。
shiyanzhengming,gaisuodingjigoujiancetiaoshiyinenggouzaigenzongyibujiadianzhuangkuangxia,duliwanchengduifangweisuodingjigoudequanfangweijiance。zheweijinhoudetiaoshigongzuo,yijishebeideshouhouweihuheweixiugongzuotigonglejidadebianli,weigaoxiaolvdegongzuodiandinglelianghaodejichu。
特別推薦
- 噪聲中提取真值!瑞盟科技推出MSA2240電流檢測芯片賦能多元高端測量場景
- 10MHz高頻運行!氮矽科技發布集成驅動GaN芯片,助力電源能效再攀新高
- 失真度僅0.002%!力芯微推出超低內阻、超低失真4PST模擬開關
- 一“芯”雙電!聖邦微電子發布雙輸出電源芯片,簡化AFE與音頻設計
- 一機適配萬端:金升陽推出1200W可編程電源,賦能高端裝備製造
技術文章更多>>
- 算力爆發遇上電源革新,大聯大世平集團攜手晶豐明源線上研討會解鎖應用落地
- 築基AI4S:摩爾線程全功能GPU加速中國生命科學自主生態
- 一秒檢測,成本降至萬分之一,光引科技把幾十萬的台式光譜儀“搬”到了手腕上
- AI服務器電源機櫃Power Rack HVDC MW級測試方案
- 突破工藝邊界,奎芯科技LPDDR5X IP矽驗證通過,速率達9600Mbps
技術白皮書下載更多>>
- 車規與基於V2X的車輛協同主動避撞技術展望
- 數字隔離助力新能源汽車安全隔離的新挑戰
- 汽車模塊拋負載的解決方案
- 車用連接器的安全創新應用
- Melexis Actuators Business Unit
- Position / Current Sensors - Triaxis Hall
熱門搜索




