單線串接通信的LED顯示係統設計
發布時間:2011-11-09
中心議題:
- 單線串接通信的LED顯示係統方案
解決方案:
- LED顯示係統的係統架構設計
- LED顯示係統的通信方法
本文介紹了一種基於單線串接通信的LED顯示係統方案。該方案可以有效地解決傳統LED通信係統信號傳輸苛刻的時序配合問題,提高整個LED顯示係統的穩定性和控製靈活性,同時也比當前LED通信係統具有更高的效率,具有通信方式簡單、生產成本低、應用支持方便等特點。
1 、引言
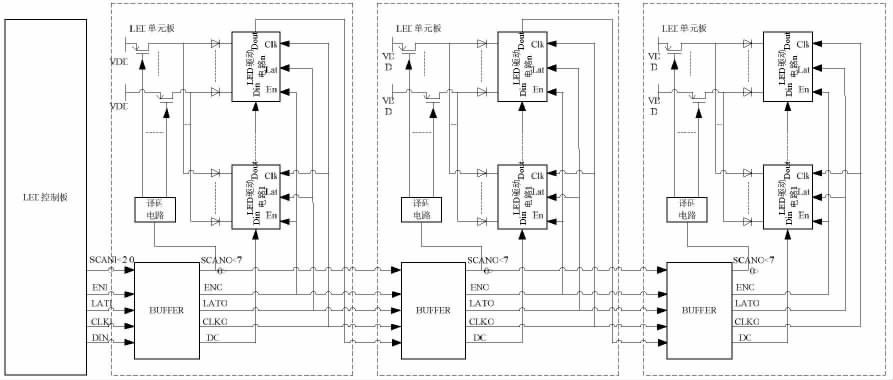
目前國內外大多數大型LED 顯示係統基本由LED 控製板和若幹個依次串接的LED 單元板組成。
LED 控製板與LED 單元板構成的LED 顯示係統的主體,如圖1 所示。其中,LED 單元板包括了增強信號驅動能力的BUFFER 電路、產生動態顯示掃描時序的譯碼電路、若幹個開關管和若幹個LED 驅動電路。其通信過程為:LED 控製板發出的通信信號依次經過各串接的LED 單元板的BUFFER 電路進行驅動增強;各LED 單元板中經BUFFER 電路增強後的掃描信號(SCANO)提供給本LED 單元板的譯碼電路,譯碼電路譯碼產生動態顯示掃描時序控製開關管;各LED 單元板中經BUFFER 電路增強後的使能信號(ENO)、鎖存信號(LATO)、時鍾信號(CLKO)分別提供給本LED 單元板中所有LED 驅動電路。

圖1 常用的LED顯示係統[page]
當前的LED 顯示係統因數據信號經過依次串接的各LED 單元板上所有的LED 驅動電路,顯示刷新頻率受限於LED 驅動電路的數量及LED 驅動電路的通信速度,LED 驅動電路大多采用成本控製較嚴格的高壓、大電流、大尺寸工藝,一般通信速度不超過30 MHz,當顯示分辨率較高時,為了保證顯示所需的顯示刷新頻率,LED 控製板需發出多組通信信號,分別控製多組依次串接的LED 單元板,大部分應用場合下,往往需要幾十組控製信號,造成生產成本較高,應用支持複雜,如圖2 所示。

圖2 常用的大型LED顯示係統
本文提出的新型LED 顯示係統基於當今熱點通信技術之一的單總線技術。它通過單條連接線解決了通信和供電的問題,具有結構簡單、成本低廉、節省I/O 口資源、便於總線擴展和維護等優點。該LED 顯示係統可以有效地解決上述問題。
2、 係統架構及其通信方法
2. 1 係統架構
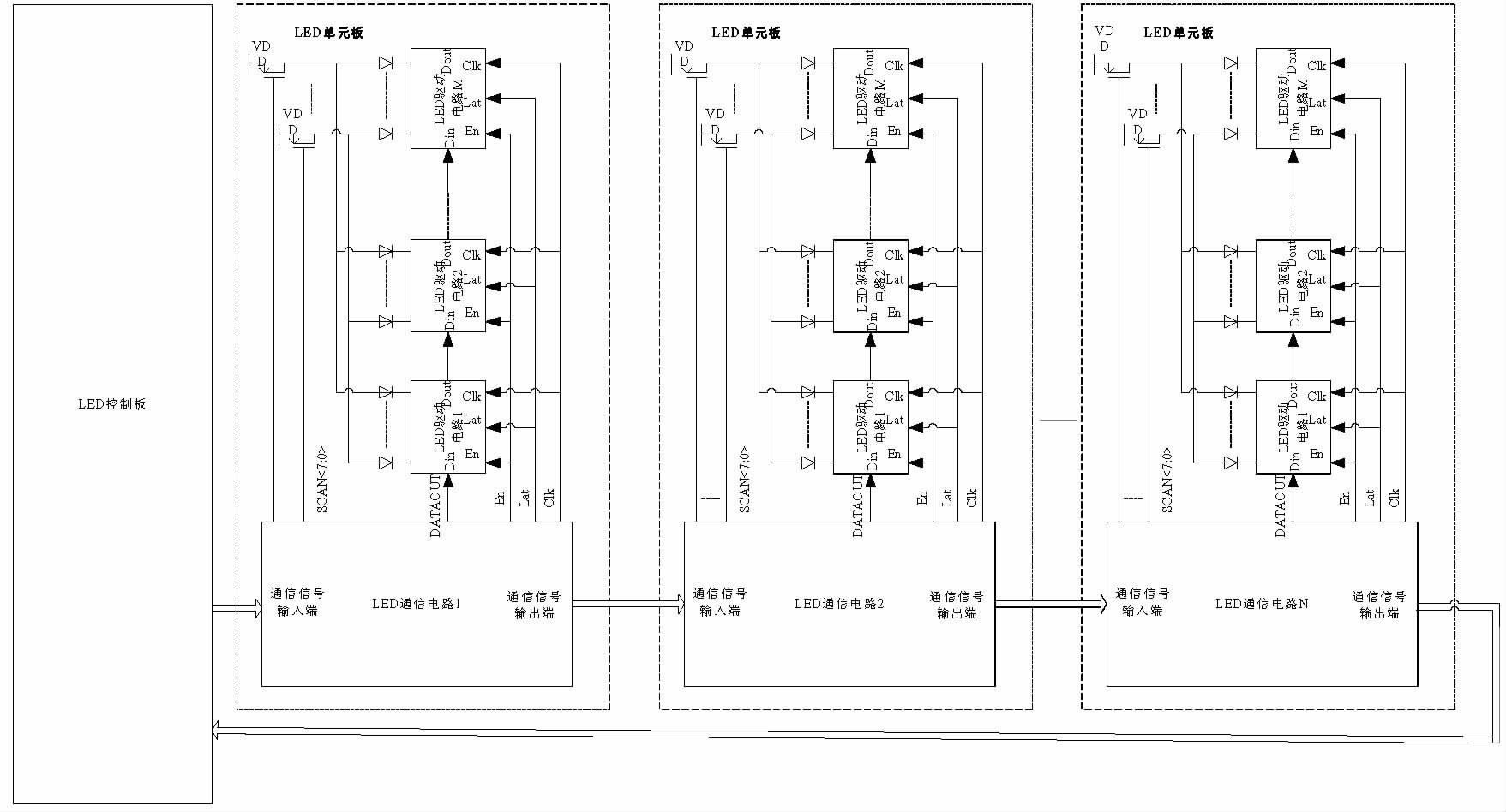
本文提出了一種通信速度高、在大部分應用場合下LED 控製板隻需輸出一組通信信號、生產成本低、應用支持方便的新型LED 顯示係統。係統由一個LED 控製板和若幹個依次串接的LED 單元板組成,LED 單元板的數量視LED 顯示係統的規模而定。該係統基於單線通信協議,係統架構圖如圖3 所示。

圖3 LED顯示係統架構[page]
LED 單元板由一個LED 通信電路、若幹個開關管和若幹個LED 驅動電路組成。其中,LED 通信電路端口包括通信信號輸入端、通信信號輸出端、動態顯示掃描時序輸出端、控製信號輸出端和數據輸出端。
2. 2 通信方法
LED 控製板發出通信信號提供給第一個LED單元板上LED 通信電路的通信信號輸入端,此後的各LED 單元板的LED 通信電路的通信信號輸出端連接下一個LED 單元板的LED 通信電路的通信信號輸入端,最後一個LED 單元板的LED 通信電路的通信信號輸出端懸空或者返回到LED 控製板,組成了本文所述的LED 顯示係統的通信係統。
基於圖2 所示的LED 顯示係統架構和以上所述的通信係統,其通信方法如下:
定義LED 通信電路包括通信信號輸入端、通信信號輸出端、動態顯示掃描時序輸出端(SCAN<7:0>)、控製信號輸出端(En、Lat、Clk)、數據輸出端(DATAOUT);定義通信信號包括通信信號輸出指令、動態顯示掃描時序解析指令、控製信號時序控製解析指令、數據;各LED 單元板上LED 通信電路根據接收到的通信信號,解析出通信信號輸出並經通信信號輸出端提供給下一個LED 單元板的LED 通信電路的通信信號輸入端;各LED 單元板的LED 通信電路根據接收到的通信信號,解析出動態顯示掃描時序並經動態顯示掃描時序輸出端(SCAN<7:0>)控製本LED 單元板的開關管;各LED 單元板的LED 通信電路根據接收到的通信信號,解析出控製信號時序並經控製信號輸出端(En、Lat、Clk)控製本LED 單元板的LED 驅動電路;各LED 單元板的LED 通信電路根據接收到的通信信號,解析出數據,經數據輸出端(DATAOUT)提供給本LED 單元板的第一驅動電路數據信號輸入,本LED 單元板的各LED 驅動電路的數據信號輸出連接下一個LED 驅動電路的數據信號輸入,最後一個LED 單元板的LED 通信電路的通信信號輸出端懸空或者返回到LED 控製板。
通信原理是係統將需要傳輸給各個LED 單元燈驅動電路的信號用一組串行的幀數據表示,接收這些信號的LED danyuandengqudongdianlucongshuruzhenshujuzhong,genjutongxinmoshihezhilingleixingjieshoubingchulijieshoudaodeshuju,jiangchulihoudeshujugoujianchengxindezhenshujuzuoweishuchu,genjutongxinmoshihezhilingleixingfasonggeihouxudizhiyouxiaodeLED 驅動電路,完成一次通信。LED 通信電路根據接收到的通信信號進行解析的方法可采用《LED顯示係統的單線串接通信方法》文中公開的方法。
3、 結論
本文提出的LED 顯示係統中,通信信號中包括的數據隻需經過依次串接的各LED 單元板的LED通信電路,再由LED 通信電路的數據輸出端控製本LED 單元板上的LED 驅動電路,顯示刷新頻率僅僅受限於LED 單元板的數量及LED 通信電路的通信速度,從而使通信速度得到了數量級的提高,在大部分應用場合下LED 控製板隻需輸出一組通信信號,即可實現LED 顯示係統的控製,該LED 顯示係統具有生產成本低、應用支持方便等優點。
- 噪聲中提取真值!瑞盟科技推出MSA2240電流檢測芯片賦能多元高端測量場景
- 10MHz高頻運行!氮矽科技發布集成驅動GaN芯片,助力電源能效再攀新高
- 失真度僅0.002%!力芯微推出超低內阻、超低失真4PST模擬開關
- 一“芯”雙電!聖邦微電子發布雙輸出電源芯片,簡化AFE與音頻設計
- 一機適配萬端:金升陽推出1200W可編程電源,賦能高端裝備製造
- 2026藍牙亞洲大會暨展覽在深啟幕
- 新市場與新場景推動嵌入式係統研發走向統一開發平台
- 維智捷發布中國願景
- 2秒啟動係統 • 資源受限下HMI最優解,米爾RK3506開發板× LVGL Demo演示
- H橋降壓-升壓電路中的交替控製與帶寬優化
- 車規與基於V2X的車輛協同主動避撞技術展望
- 數字隔離助力新能源汽車安全隔離的新挑戰
- 汽車模塊拋負載的解決方案
- 車用連接器的安全創新應用
- Melexis Actuators Business Unit
- Position / Current Sensors - Triaxis Hall

