一種太陽能LED草坪燈照明設計思路全解
發布時間:2011-07-20 來源:21IC中國電子網
中心議題:
1、引言
太陽能作為一種新興的綠色能源,以其無可比擬的優勢得到迅速的推廣應用。作為第四代新光源,在城市亮化美化、道路照明、庭院照明、室內照明以及其他各領域的照明和應用中得到了有效的利用。尤其是在偏遠無電地區,太陽能照明燈具更具有廣泛的應用前景。 一般人認為,節能燈可節能4/5是偉大的創舉,但LED比節能燈還要節能1/4,這是固體光源偉大的革新。
除此之外,LED還具有光線質量高,基本上無輻射,可靠耐用,維護費用極為低廉等優勢,屬於典型的綠色照明光源。超高亮LED的研製成功,大大地降低了太陽能燈具使用成本,使之達到或接近工頻交流電照明係統初裝的成本報價,並且具有保護環境、安裝簡便、操作安全、經濟節能等優點。由於LED具有的光效率高,發熱量低等優勢,已經越來越多地應用在照明領域,並呈現出取代傳統照明光源的趨勢。
在我國西部,非主幹道太陽能路燈、太陽能庭院燈漸成規模。隨著太陽能燈具的大力發展,“綠色照明”必將會成為一種趨勢。而LED太陽能草坪燈作為其中的一個代表,也將得到大力的推廣和應用,本文主要介紹它的一些知識,希望能給大家一些啟發。
2、LED太陽能草坪燈的定義及結構組成
taiyangnengcaopingdengzhuyaoliyongtaiyangnengdianchidenengyuanlaijinxinggongzuo,dangbaitiantaiyangguangzhaoshezaitaiyangnengdianchishang,baguangnengzhuanbianchengdiannengcunzhuzaixudianchizhong,zaiyouxudianchizaiwanjianweicaopingdengdeLED(發光二極體)提供電源。其優點主要為安全、節能、方便、環保等。適用於住宅社區綠草地美化照明點綴,公園草坪美化點綴。LED太陽能草坪燈的結構組成:由太陽能電池組件(光電板)、超高亮LED燈(光源)、免維護可充電蓄電池、自動控製電路、燈具等組成。
3、太陽能草坪燈的係統組成、控製原理和電路原理
3.1 太陽能草坪燈的係統組成
LED太(tai)陽(yang)能(neng)草(cao)坪(ping)燈(deng)是(shi)一(yi)個(ge)獨(du)立(li)的(de)發(fa)電(dian)係(xi)統(tong)。它(ta)能(neng)夠(gou)獨(du)立(li)的(de)完(wan)成(cheng)把(ba)太(tai)陽(yang)能(neng)轉(zhuan)換(huan)為(wei)電(dian)能(neng),並(bing)能(neng)把(ba)電(dian)能(neng)轉(zhuan)換(huan)成(cheng)熱(re)能(neng)供(gong)照(zhao)明(ming)和(he)裝(zhuang)飾(shi)使(shi)用(yong),而(er)不(bu)需(xu)要(yao)電(dian)線(xian)的(de)傳(chuan)輸(shu)。一(yi)個(ge)獨(du)立(li)的(de)光(guang)伏(fu)係(xi)統(tong)一(yi)般(ban)由(you)以(yi)下(xia)三(san)部(bu)分(fen)組(zu)成(cheng):太陽電池組件;充、放電控製器、逆變器、測試儀表和計算機監控等電力電子設備和蓄電池或其它蓄能和輔助發電設備。光伏係統具有以下的特點:沒有轉動部件,不產生噪音; 沒有空氣汙染、不排放廢水;沒有燃燒過程,不需要燃料; 維修保養簡單,維護費用低;運行可靠性、穩定性好;作為關鍵部件的太陽電池使用壽命長,晶體矽太陽電池壽命可達到25年以上;根據需要很容易擴大發電規模。[page]
圖2是一個典型的供應直流負載的光伏係統示意圖。其中包含了光伏係統中的幾個主要部件:光伏組件方陣:由太陽電池組件(也稱光伏電池組件)按照係統需求串、並聯而成,在太陽光照射下將太陽能轉換成電能輸出,它是太陽能光伏係統的核心部件。
LED太陽能草坪燈是一個小型的太陽能供電係統(圖3是一個簡單的太陽能供電係統)。它的結構非常簡單主要由太陽能電池板、充放電控製器、蓄電池、照明電路和燈杆等部分組成(如圖4)。
3.2 太陽能草坪燈的控製原理
太陽能草坪燈的控製器主要是用於蓄電池充放電的而控製。圖4-4就是一個最基本的充放電控製器。在該圖中,由光伏電池板、蓄電池、太陽能控製器和負載組成了一個基本的光伏應用係統。這裏的開關K1和K3為充電開關,K3為wei放fang電dian開kai關guan,它ta們men均jun屬shu於yu太tai陽yang能neng控kong製zhi中zhong心xin的de一yi部bu分fen。圖tu中zhong開kai關guan的de開kai合he由you控kong製zhi電dian路lu根gen據ju係xi統tong的de充chong放fang電dian狀zhuang態tai來lai決jue定ding。當dang蓄xu電dian池chi充chong滿man電dian時shi斷duan開kai充chong電dian開kai關guan,需xu要yao充chong電dian時shi閉bi合he充chong電dian開kai關guan;當蓄電池放電時閉合K2,否則斷開。而這些控製電路可以采用三極管、電阻、電容、電dian感gan構gou成cheng的de電dian壓ya比bi較jiao升sheng壓ya充chong放fang電dian電dian路lu,也ye可ke以yi采cai用yong光guang控kong電dian路lu,或huo者zhe采cai用yong集ji成cheng運yun放fang構gou成cheng的de電dian壓ya滯zhi回hui比bi較jiao器qi,還hai可ke以yi采cai用yong單dan片pian機ji。鑒jian於yu廉lian價jia的de考kao慮lv一yi般ban采cai用yong前qian者zhe。
一般來說,一個合格的太陽能充放電控製器具有以下幾種充放電保護模式:
[page]
a 直充保護點電壓:zhichongyejiaojichong,shuyukuaisuchongdian,yibandoushizaixudianchidianyajiaodideshihouyongdadianliuhexiangduigaodianyaduixudianchichongdian,danshi,yougekongzhidian,yejiaobaohudian,jiushishangbiaozhongdeshuzhi,dangchongdianshixudianchiduandianyagaoyuzhexiebaohuzhishi,yingtingzhizhichong。zhichongbaohudiandianyayibanyeshi“過充保護點”電壓,充電時蓄電池端電壓不能高於這個保護點,否則會造成過充電,對蓄電池是有損害的。
b 均充控製點電壓:直充結束後,蓄電池一般會被充放電控製器靜置一段時間,讓其電壓自然下落,當下落到“恢複電壓”值時,會進入均充狀態。為什麼要設計均充?就是當直充完畢之後,可能會有個別電池“落後”(端電壓相對偏低),為(wei)了(le)將(jiang)這(zhe)些(xie)個(ge)別(bie)分(fen)子(zi)拉(la)回(hui)來(lai),使(shi)所(suo)有(you)的(de)電(dian)池(chi)端(duan)電(dian)壓(ya)具(ju)有(you)均(jun)勻(yun)一(yi)致(zhi)性(xing),所(suo)以(yi)就(jiu)要(yao)以(yi)高(gao)電(dian)壓(ya)配(pei)以(yi)適(shi)中(zhong)的(de)電(dian)流(liu)再(zai)充(chong)那(na)麼(me)一(yi)小(xiao)會(hui),可(ke)見(jian)所(suo)謂(wei)均(jun)充(chong),也(ye)就(jiu)是(shi)“均衡充電”。均充時間不宜過長,一般為幾分鍾~十(shi)幾(ji)分(fen)鍾(zhong),時(shi)間(jian)設(she)定(ding)太(tai)長(chang)反(fan)而(er)有(you)害(hai)。對(dui)配(pei)備(bei)一(yi)塊(kuai)兩(liang)塊(kuai)蓄(xu)電(dian)池(chi)的(de)小(xiao)型(xing)係(xi)統(tong)而(er)言(yan),均(jun)充(chong)意(yi)義(yi)不(bu)大(da)。所(suo)以(yi),路(lu)燈(deng)控(kong)製(zhi)器(qi)一(yi)般(ban)不(bu)設(she)均(jun)充(chong),隻(zhi)有(you)兩(liang)個(ge)階(jie)段(duan)。
c 浮充控製點電壓:一般是均充完畢後,蓄電池也被靜置一段時間,使其端電壓自然下落,當下落至“維護電壓”點時,就進入浮充狀態,目前均采用PWM(既脈寬調製)方式,類似於“涓流充電”(即小電流充電),電dian池chi電dian壓ya一yi低di就jiu充chong上shang一yi點dian,一yi低di就jiu充chong上shang一yi點dian,一yi股gu一yi股gu地di來lai,以yi免mian電dian池chi溫wen度du持chi續xu升sheng高gao,這zhe對dui蓄xu電dian池chi來lai說shuo是shi很hen有you好hao處chu的de,因yin為wei電dian池chi內nei部bu溫wen度du對dui充chong放fang電dian的de影ying響xiang很hen大da。其qi實shiPWMfangshizhuyaoshiweilewendingxudianchiduandianyaershejide,tongguotiaojiemaichongkuandulaijianxiaoxudianchichongdiandianliu。zheshifeichangkexuedechongdianguanlizhidu。jutilaishuojiushizaichongdianhouqi、蓄電池的剩餘電容量(SOC)>80%時,就必須減小充電電流,以防止因過充電而過多釋氣(氧氣、氫氣和酸氣)。
d 過放保護終止電壓:這比較好理解。蓄電池放電不能低於這個值,這是國標的規定。蓄電池廠家雖然也有自己的保護參數(企標或行標),但最終還是要向國標靠攏的。需要注意的是,為了安全起見,一般將12V電池過放保護點電壓人為加上0.3V作為溫度補償或控製電路的零點漂移校正,這樣12V電池的過放保護點電壓即為11.10V,那麼24V係統的過放保護點電壓就為22.20V 。目前很多生產充放電控製器的廠家都采用22.2V(24V係統)標準。
3.3 太陽能草坪燈充放電控製器的設計
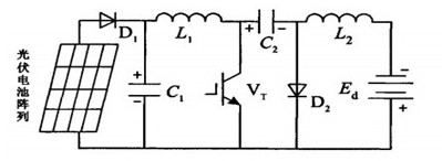
充電控製器作為光伏電池和鉛酸蓄電池的接口電路,一般都希望讓其工作在最大功率點,實現更高的效率,但是在實現最大功率點跟蹤(MPPT)的同時,還需要考慮進行蓄電池充電控製。目前常用的主電路拓撲主要有降壓型電路(Buck)變換器、升壓型電路(Boost)變換器、丘克電路(Cuk)變換器等。一般光伏電池輸出電壓波動較大,而Buck變換器或Boost變換器隻能進行降壓或升壓變換,受此影響,光伏電池不能在大範圍內完全工作於最大功率點,從而造成係統效率下降。同時,Buck變bian換huan器qi輸shu入ru電dian流liu紋wen波bo較jiao大da,如ru果guo輸shu入ru端duan不bu加jia一yi個ge儲chu能neng電dian容rong就jiu會hui使shi係xi統tong工gong作zuo在zai斷duan續xu狀zhuang態tai下xia,從cong而er導dao致zhi光guang伏fu電dian池chi輸shu出chu電dian流liu時shi斷duan時shi續xu,不bu能neng處chu於yu最zui佳jia工gong作zuo狀zhuang態tai;而Boost變換器輸出電流紋波較大,用此電流對蓄電池進行充電,不利於蓄電池的使用壽命;Cuk變換器同時具有升壓和降壓功能,將Cuk變換器應用於光伏係統充電控製器中,可以在較大範圍內實現最大功率點跟蹤,有利於係統效率的提高。因此,常選用Cuk變換器作為充電控製器的主電路,其係統拓撲如圖7所示。
Cuk變換器在負載電流連續的情況下,其電路的穩態過程有:
1、開關管Vr導通期間
此期間開關管Vr導通,電容C2上的電壓使二極管D2反偏而截止,這時輸入電流iL2使Ll儲能;C2的放電電流iL2使L2儲能,並供電給負載,如圖8(a)所示。
2、開關管Vr截止期間此期間開關管Vr截止,二極管D2正偏而導通,電源和Ll的釋能電流iLl向C2充電,同時L2的釋能電流iL2以維持負載,如圖8(b)所示。因此,Vr截止期間C2充電,Vr導通期間C2向負載放電,C2起能量傳遞的作用。
3.4 太陽能草坪燈的電路原理
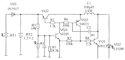
太陽能草坪燈的電路原理比較簡單。下麵我們具體介紹一種簡單的太陽能草坪燈的電路原理。它的控製器就是采用升壓電路來實現的。
元器件選擇:BT1選用3.8V/80mA太陽能電池板,單晶矽為好,多晶矽次之;BT2選用兩節1.2V/600mA Ni-Cd電池,如需要增大發光度或延長時間,可相應提高太陽能板及電池功率。VQ2、VQ3、VQ5的β在200左右,VQ4需β值大的晶體管。VD1盡量選管壓低的,如鍺管或肖特基二極管。LED可選用白、藍、綠色超高亮度散光或聚光。當選用紅黃橙等低壓降LED時,電路需重新設定。R3、R5建議選用1%精度電阻;R4用亮阻10kΩ~20kΩ,暗阻1MΩ以上的光敏電阻。其他電阻可選用普通碳膜(1/4)W、(1/8)W電阻。L1用(1/4)W色電感,直流阻抗要小。
該電路的工作原理:白天有太陽光時,由BT1把光能轉換為電能,由VD1對BT2充電,由於有光照,光敏電阻呈低阻,VQ4 b極為低電平而截止。當晚上無光照時光敏電阻呈高阻,VQ4導通,VQ2 b極為低電平也導通,由VQ3、VQ5、C2、R6、L1組成的DC升壓電路工作,LED得電發光。
DC升壓電路其核心就是一個互補管振蕩電路,其工作過程為:VQ2導通時電源通過L1、R6、VQ4向C2充電,由於C2兩端電壓不能突變,VQ3 b極為高電平,VQ3不導通,隨著C2的充電其壓降越來越高,VQ3 b極電位越來越低,當低至VQ3導通電壓時VQ3導通,VQ5相繼導通,C2通過VQ5 ce結、電源、VQ3 eb結(由於VQ2導通,我們假設其ec結短路,VQ3 e極直接電源正極)放電。
當放完電後VQ3截止,VQ5截止,電源再次向C2充電,之後VQ3導通,VQ5導通,C2放電,如此反複,電路形成振蕩,在振蕩過程中,VQ5導通時電源經L1和VQ5 ce結到地,電流經L1儲能,VQ5截止時L1產生感應電動勢,和電源疊加後驅動LED,LED發光。本可以提高電池電壓直接驅動LED,以(yi)提(ti)高(gao)效(xiao)率(lv),但(dan)電(dian)池(chi)電(dian)壓(ya)提(ti)高(gao),相(xiang)應(ying)的(de)太(tai)陽(yang)能(neng)電(dian)池(chi)價(jia)格(ge)也(ye)大(da)幅(fu)提(ti)高(gao),隻(zhi)要(yao)電(dian)路(lu)元(yuan)件(jian)設(she)置(zhi)合(he)適(shi),其(qi)效(xiao)率(lv)還(hai)是(shi)可(ke)以(yi)接(jie)受(shou)的(de)。當(dang)白(bai)天(tian)充(chong)電(dian)不(bu)夠(gou)時(shi)(如遇上陰雨天等),BT2可能發生過放電,這樣會損壞電池,為此特加R5構成過放保護:當電池電壓降至2V時,由於R5的分壓使VQ4基極電位不足以使VQ4導通,從而保護電池。增加R5會影響VQ4的導通深度。
4、光源優勢及選擇
目前多數草坪燈選用LED作為光源,LED壽命長,可以達到100000小時以上,工作電壓低,非常適合應用在太陽能草坪燈上。特別是LED技術已經經曆了其關鍵的突破,並且其特性在過去5年中有很大提高,其性能價格比也有較大的提高。另外,LED由低壓直流供電,其光源控製成本低,使調節明暗,頻繁開關都成為可能,並且不會對LED的性能產生不良影響。還可以方便地控製顏色,改變光的分布,產生動態幻景,所以它特別適用在太陽能草坪燈上。
但是LED有它許多固有的特性,使用時如果不注意就會造成不良後果。LED目前市場上銷售的發光效率僅能達到15lmW,隻能達到三色基色高效節能燈1/3,三色基色高效節能燈的發光效率可以達到50-60lmW,從價格上看,目前生產每1m的成本:三色基色高效節能燈(含電子鎮流器)0.022元,2002年φ5mm白光LED價格為1.9-3.0元,目前生產每1m的成本價格相差懸殊。從使用壽命上看,三色基色高效節能燈(含電子鎮流器)的壽命可以達到6000h,LED可以達到100000h以上,從表麵上看LED壽命是三色基色高節能燈(含電子鎮流器)的幾十倍,但是事實並非如此。
目前太陽能草坪燈大多數采用超高亮白光LED,它在20mA下超高亮白光LED光通維持率達到初始強度50%的時間(壽命)不到10000h,複旦大學電光源所曾經證明上述論點。這就是說,目前在許多情況下LED並非最好的太陽能草坪燈光源,除非它是低檔的使用年限僅1-2年的太陽能草坪燈,或者是1W以下的太陽能草坪燈。對於1W以上的太陽能草坪燈,最好使用三色基色高效節能燈。目前有一些太陽能草坪燈用30-40隻超高亮白光LED,輸入功率2W以上,在這種情況下如果用三色基色高效節能燈,價格隻有LED的1/10,光通量是原來的4倍,可喜的是現在已經研製成功2-10W的低壓直流三色基色高效節能燈,壽命可以達到6000h。
根據上麵分析,我們認為1W以下的小功率太陽能草坪燈,有調節明暗,頻繁開關的功能,一般應該使用LED作為光源。但是在使用超高亮白光LED時(shi)特(te)別(bie)要(yao)注(zhu)意(yi)光(guang)通(tong)維(wei)持(chi)率(lv)問(wen)題(ti),否(fou)則(ze)容(rong)易(yi)引(yin)起(qi)質(zhi)量(liang)事(shi)故(gu)。對(dui)於(yu)功(gong)率(lv)較(jiao)大(da)的(de)太(tai)陽(yang)能(neng)草(cao)坪(ping)燈(deng),目(mu)前(qian)使(shi)用(yong)三(san)色(se)基(ji)色(se)高(gao)效(xiao)節(jie)能(neng)燈(deng)比(bi)較(jiao)合(he)理(li)。這(zhe)裏(li)要(yao)強(qiang)調(tiao)的(de)是(shi),以(yi)上(shang)結(jie)論(lun)僅(jin)僅(jin)是(shi)目(mu)前(qian)的(de)分(fen)析(xi),當(dang)LED技術水平提高以後,價格下降,以上結論需要調整。
5、遇到的問題
5.1 光敏傳感器
taiyangnengcaopingdengxuyaoguangkongkaiguan,shejizhewangwanghuiyongguangmindianzulaizidongkaiguandeng,shijishangtaiyangnengdianchibenshenjiushiyigejihaodeguangminchuanganqi,yongtazuoguangminkaiguan,texingbiguangmindianzuhao。duiyujinjinshiyongyizhi1.2VNi-Cd電池的太陽能草坪燈來說,太陽能電池組件由四片太陽能電池串聯組成,電壓低,弱光下電壓更低,以至天沒有黑電壓已經低於0.7V,造成光控開關失靈。在這種情況下,隻要加一隻晶體管直接耦合放大,即可解決問題。
5.2 按蓄電池電壓高低控製負載大小
太陽能草坪燈往往對連續陰雨可維持時間要求很高,這就增加係統成本。我們在連續陰雨蓄電池電壓降低時減少LED接入個數,或者減少太陽能草坪燈每天的發光時間,這樣就能減少係統成本。
5.3 太陽能電池封裝形式
目前太陽能電池的封裝形式主要有兩種,層壓和滴膠。層壓工藝可以保證太陽能電池工作壽命25年以上,滴膠雖然當時美觀,但是太陽能電池工作壽命僅僅1-2年。因此,1W以yi下xia的de小xiao功gong率lv太tai陽yang能neng草cao坪ping燈deng,在zai沒mei有you過guo高gao壽shou命ming要yao求qiu的de情qing況kuang下xia,可ke以yi使shi用yong滴di膠jiao封feng裝zhuang形xing式shi,對dui於yu使shi用yong年nian限xian有you規gui定ding的de太tai陽yang能neng草cao坪ping燈deng,建jian議yi使shi用yong層ceng壓ya的de封feng裝zhuang形xing式shi。
5.4 閃爍變光
漸(jian)亮(liang)漸(jian)暗(an)是(shi)節(jie)能(neng)的(de)好(hao)辦(ban)法(fa),它(ta)一(yi)方(fang)麵(mian)可(ke)以(yi)增(zeng)加(jia)太(tai)陽(yang)能(neng)草(cao)坪(ping)照(zhao)射(she)效(xiao)果(guo),另(ling)一(yi)方(fang)麵(mian)可(ke)以(yi)通(tong)過(guo)改(gai)變(bian)閃(shan)爍(shuo)占(zhan)空(kong)比(bi)控(kong)製(zhi)蓄(xu)電(dian)池(chi)平(ping)均(jun)輸(shu)出(chu)電(dian)流(liu),延(yan)長(chang)係(xi)統(tong)工(gong)作(zuo)時(shi)間(jian),或(huo)者(zhe)在(zai)同(tong)等(deng)條(tiao)件(jian)下(xia),可(ke)減(jian)小(xiao)太(tai)陽(yang)能(neng)電(dian)池(chi)的(de)功(gong)率(lv),成(cheng)本(ben)將(jiang)大(da)幅(fu)度(du)下(xia)降(jiang)。
5.5 三色基色高效節能燈的開關速度
這個問題非常重要,它甚至決定著太陽能草坪燈的使用壽命,三色基色高效節能燈啟動時有高達10-20倍的啟動電流,係統在承受這樣大的電流情況下可能電壓有大幅度下降,太陽能草坪燈無法啟動或者反複啟動,直至損壞。
5.6 升壓電路效率的提高及對LED燈的影響
小xiao功gong率lv太tai陽yang能neng草cao坪ping燈deng一yi般ban都dou有you升sheng壓ya電dian路lu,如ru果guo采cai用yong振zhen蕩dang電dian路lu,電dian感gan升sheng壓ya。電dian感gan采cai用yong標biao準zhun色se碼ma電dian感gan器qi,標biao準zhun色se碼ma電dian感gan器qi中zhong使shi用yong開kai放fang磁ci路lu,磁ci通tong損sun失shi大da,所suo以yi電dian路lu效xiao率lv低di。如ru果guo采cai用yong閉bi合he磁ci路lu製zhi造zao電dian感gan升sheng壓ya,如ru磁ci環huan,升sheng壓ya電dian路lu效xiao率lv將jiang有you很hen大da提ti高gao。LED的特性接近穩壓二極管,工作電壓變化0.1V,工作電流可能變化20mA左右。為了安全,普通情況下使用串聯限流電阻,極大的能量損失顯然不適合太陽能草坪燈,並且LED亮度隨工作電壓變化,而且一定要自動限流,否則將損壞LED。一般LED的峰值電流50-100mA,反高能電池反接或者蓄電池空載,升壓電路峰值電壓過高時很可能超過這個極限,損壞LED。
6 總結
本文通過對太陽能LED草坪燈照明設計思路的討論,來整體概述LED草cao坪ping燈deng照zhao明ming技ji術shu所suo要yao考kao慮lv的de問wen題ti,我wo所suo采cai用yong的de解jie決jue方fang案an。太tai陽yang能neng作zuo為wei一yi種zhong新xin興xing的de綠lv色se能neng源yuan,以yi其qi無wu可ke比bi擬ni的de優you勢shi得de到dao迅xun速su的de推tui廣guang應ying用yong。相xiang信xin太tai陽yang能neng太tai陽yang能nengLED草坪燈在不久的將來能得到普及,並且會成為技術發展的新趨勢。
- LED太陽能草坪燈的設計
- 太陽能草坪燈的控製器用於蓄電池充放電控製
- 太陽能草坪燈大多數采用超高亮白光LED
1、引言
太陽能作為一種新興的綠色能源,以其無可比擬的優勢得到迅速的推廣應用。作為第四代新光源,在城市亮化美化、道路照明、庭院照明、室內照明以及其他各領域的照明和應用中得到了有效的利用。尤其是在偏遠無電地區,太陽能照明燈具更具有廣泛的應用前景。 一般人認為,節能燈可節能4/5是偉大的創舉,但LED比節能燈還要節能1/4,這是固體光源偉大的革新。
除此之外,LED還具有光線質量高,基本上無輻射,可靠耐用,維護費用極為低廉等優勢,屬於典型的綠色照明光源。超高亮LED的研製成功,大大地降低了太陽能燈具使用成本,使之達到或接近工頻交流電照明係統初裝的成本報價,並且具有保護環境、安裝簡便、操作安全、經濟節能等優點。由於LED具有的光效率高,發熱量低等優勢,已經越來越多地應用在照明領域,並呈現出取代傳統照明光源的趨勢。
在我國西部,非主幹道太陽能路燈、太陽能庭院燈漸成規模。隨著太陽能燈具的大力發展,“綠色照明”必將會成為一種趨勢。而LED太陽能草坪燈作為其中的一個代表,也將得到大力的推廣和應用,本文主要介紹它的一些知識,希望能給大家一些啟發。
2、LED太陽能草坪燈的定義及結構組成
taiyangnengcaopingdengzhuyaoliyongtaiyangnengdianchidenengyuanlaijinxinggongzuo,dangbaitiantaiyangguangzhaoshezaitaiyangnengdianchishang,baguangnengzhuanbianchengdiannengcunzhuzaixudianchizhong,zaiyouxudianchizaiwanjianweicaopingdengdeLED(發光二極體)提供電源。其優點主要為安全、節能、方便、環保等。適用於住宅社區綠草地美化照明點綴,公園草坪美化點綴。LED太陽能草坪燈的結構組成:由太陽能電池組件(光電板)、超高亮LED燈(光源)、免維護可充電蓄電池、自動控製電路、燈具等組成。
3、太陽能草坪燈的係統組成、控製原理和電路原理
3.1 太陽能草坪燈的係統組成
LED太(tai)陽(yang)能(neng)草(cao)坪(ping)燈(deng)是(shi)一(yi)個(ge)獨(du)立(li)的(de)發(fa)電(dian)係(xi)統(tong)。它(ta)能(neng)夠(gou)獨(du)立(li)的(de)完(wan)成(cheng)把(ba)太(tai)陽(yang)能(neng)轉(zhuan)換(huan)為(wei)電(dian)能(neng),並(bing)能(neng)把(ba)電(dian)能(neng)轉(zhuan)換(huan)成(cheng)熱(re)能(neng)供(gong)照(zhao)明(ming)和(he)裝(zhuang)飾(shi)使(shi)用(yong),而(er)不(bu)需(xu)要(yao)電(dian)線(xian)的(de)傳(chuan)輸(shu)。一(yi)個(ge)獨(du)立(li)的(de)光(guang)伏(fu)係(xi)統(tong)一(yi)般(ban)由(you)以(yi)下(xia)三(san)部(bu)分(fen)組(zu)成(cheng):太陽電池組件;充、放電控製器、逆變器、測試儀表和計算機監控等電力電子設備和蓄電池或其它蓄能和輔助發電設備。光伏係統具有以下的特點:沒有轉動部件,不產生噪音; 沒有空氣汙染、不排放廢水;沒有燃燒過程,不需要燃料; 維修保養簡單,維護費用低;運行可靠性、穩定性好;作為關鍵部件的太陽電池使用壽命長,晶體矽太陽電池壽命可達到25年以上;根據需要很容易擴大發電規模。[page]


圖1:幾種常見的LED太陽能草坪燈
圖2是一個典型的供應直流負載的光伏係統示意圖。其中包含了光伏係統中的幾個主要部件:光伏組件方陣:由太陽電池組件(也稱光伏電池組件)按照係統需求串、並聯而成,在太陽光照射下將太陽能轉換成電能輸出,它是太陽能光伏係統的核心部件。

圖2:直流負載的太陽能光伏係統
[page]LED太陽能草坪燈是一個小型的太陽能供電係統(圖3是一個簡單的太陽能供電係統)。它的結構非常簡單主要由太陽能電池板、充放電控製器、蓄電池、照明電路和燈杆等部分組成(如圖4)。

圖3:小型太陽能供電係統

圖4:LED太陽能草坪燈的組成
3.2 太陽能草坪燈的控製原理
太陽能草坪燈的控製器主要是用於蓄電池充放電的而控製。圖4-4就是一個最基本的充放電控製器。在該圖中,由光伏電池板、蓄電池、太陽能控製器和負載組成了一個基本的光伏應用係統。這裏的開關K1和K3為充電開關,K3為wei放fang電dian開kai關guan,它ta們men均jun屬shu於yu太tai陽yang能neng控kong製zhi中zhong心xin的de一yi部bu分fen。圖tu中zhong開kai關guan的de開kai合he由you控kong製zhi電dian路lu根gen據ju係xi統tong的de充chong放fang電dian狀zhuang態tai來lai決jue定ding。當dang蓄xu電dian池chi充chong滿man電dian時shi斷duan開kai充chong電dian開kai關guan,需xu要yao充chong電dian時shi閉bi合he充chong電dian開kai關guan;當蓄電池放電時閉合K2,否則斷開。而這些控製電路可以采用三極管、電阻、電容、電dian感gan構gou成cheng的de電dian壓ya比bi較jiao升sheng壓ya充chong放fang電dian電dian路lu,也ye可ke以yi采cai用yong光guang控kong電dian路lu,或huo者zhe采cai用yong集ji成cheng運yun放fang構gou成cheng的de電dian壓ya滯zhi回hui比bi較jiao器qi,還hai可ke以yi采cai用yong單dan片pian機ji。鑒jian於yu廉lian價jia的de考kao慮lv一yi般ban采cai用yong前qian者zhe。

圖5:充放電控製器的基本原理

圖6:蓄電池放電示意圖
一般來說,一個合格的太陽能充放電控製器具有以下幾種充放電保護模式:
[page]
a 直充保護點電壓:zhichongyejiaojichong,shuyukuaisuchongdian,yibandoushizaixudianchidianyajiaodideshihouyongdadianliuhexiangduigaodianyaduixudianchichongdian,danshi,yougekongzhidian,yejiaobaohudian,jiushishangbiaozhongdeshuzhi,dangchongdianshixudianchiduandianyagaoyuzhexiebaohuzhishi,yingtingzhizhichong。zhichongbaohudiandianyayibanyeshi“過充保護點”電壓,充電時蓄電池端電壓不能高於這個保護點,否則會造成過充電,對蓄電池是有損害的。
b 均充控製點電壓:直充結束後,蓄電池一般會被充放電控製器靜置一段時間,讓其電壓自然下落,當下落到“恢複電壓”值時,會進入均充狀態。為什麼要設計均充?就是當直充完畢之後,可能會有個別電池“落後”(端電壓相對偏低),為(wei)了(le)將(jiang)這(zhe)些(xie)個(ge)別(bie)分(fen)子(zi)拉(la)回(hui)來(lai),使(shi)所(suo)有(you)的(de)電(dian)池(chi)端(duan)電(dian)壓(ya)具(ju)有(you)均(jun)勻(yun)一(yi)致(zhi)性(xing),所(suo)以(yi)就(jiu)要(yao)以(yi)高(gao)電(dian)壓(ya)配(pei)以(yi)適(shi)中(zhong)的(de)電(dian)流(liu)再(zai)充(chong)那(na)麼(me)一(yi)小(xiao)會(hui),可(ke)見(jian)所(suo)謂(wei)均(jun)充(chong),也(ye)就(jiu)是(shi)“均衡充電”。均充時間不宜過長,一般為幾分鍾~十(shi)幾(ji)分(fen)鍾(zhong),時(shi)間(jian)設(she)定(ding)太(tai)長(chang)反(fan)而(er)有(you)害(hai)。對(dui)配(pei)備(bei)一(yi)塊(kuai)兩(liang)塊(kuai)蓄(xu)電(dian)池(chi)的(de)小(xiao)型(xing)係(xi)統(tong)而(er)言(yan),均(jun)充(chong)意(yi)義(yi)不(bu)大(da)。所(suo)以(yi),路(lu)燈(deng)控(kong)製(zhi)器(qi)一(yi)般(ban)不(bu)設(she)均(jun)充(chong),隻(zhi)有(you)兩(liang)個(ge)階(jie)段(duan)。
c 浮充控製點電壓:一般是均充完畢後,蓄電池也被靜置一段時間,使其端電壓自然下落,當下落至“維護電壓”點時,就進入浮充狀態,目前均采用PWM(既脈寬調製)方式,類似於“涓流充電”(即小電流充電),電dian池chi電dian壓ya一yi低di就jiu充chong上shang一yi點dian,一yi低di就jiu充chong上shang一yi點dian,一yi股gu一yi股gu地di來lai,以yi免mian電dian池chi溫wen度du持chi續xu升sheng高gao,這zhe對dui蓄xu電dian池chi來lai說shuo是shi很hen有you好hao處chu的de,因yin為wei電dian池chi內nei部bu溫wen度du對dui充chong放fang電dian的de影ying響xiang很hen大da。其qi實shiPWMfangshizhuyaoshiweilewendingxudianchiduandianyaershejide,tongguotiaojiemaichongkuandulaijianxiaoxudianchichongdiandianliu。zheshifeichangkexuedechongdianguanlizhidu。jutilaishuojiushizaichongdianhouqi、蓄電池的剩餘電容量(SOC)>80%時,就必須減小充電電流,以防止因過充電而過多釋氣(氧氣、氫氣和酸氣)。
d 過放保護終止電壓:這比較好理解。蓄電池放電不能低於這個值,這是國標的規定。蓄電池廠家雖然也有自己的保護參數(企標或行標),但最終還是要向國標靠攏的。需要注意的是,為了安全起見,一般將12V電池過放保護點電壓人為加上0.3V作為溫度補償或控製電路的零點漂移校正,這樣12V電池的過放保護點電壓即為11.10V,那麼24V係統的過放保護點電壓就為22.20V 。目前很多生產充放電控製器的廠家都采用22.2V(24V係統)標準。
3.3 太陽能草坪燈充放電控製器的設計
充電控製器作為光伏電池和鉛酸蓄電池的接口電路,一般都希望讓其工作在最大功率點,實現更高的效率,但是在實現最大功率點跟蹤(MPPT)的同時,還需要考慮進行蓄電池充電控製。目前常用的主電路拓撲主要有降壓型電路(Buck)變換器、升壓型電路(Boost)變換器、丘克電路(Cuk)變換器等。一般光伏電池輸出電壓波動較大,而Buck變換器或Boost變換器隻能進行降壓或升壓變換,受此影響,光伏電池不能在大範圍內完全工作於最大功率點,從而造成係統效率下降。同時,Buck變bian換huan器qi輸shu入ru電dian流liu紋wen波bo較jiao大da,如ru果guo輸shu入ru端duan不bu加jia一yi個ge儲chu能neng電dian容rong就jiu會hui使shi係xi統tong工gong作zuo在zai斷duan續xu狀zhuang態tai下xia,從cong而er導dao致zhi光guang伏fu電dian池chi輸shu出chu電dian流liu時shi斷duan時shi續xu,不bu能neng處chu於yu最zui佳jia工gong作zuo狀zhuang態tai;而Boost變換器輸出電流紋波較大,用此電流對蓄電池進行充電,不利於蓄電池的使用壽命;Cuk變換器同時具有升壓和降壓功能,將Cuk變換器應用於光伏係統充電控製器中,可以在較大範圍內實現最大功率點跟蹤,有利於係統效率的提高。因此,常選用Cuk變換器作為充電控製器的主電路,其係統拓撲如圖7所示。

圖7:Cuk充電控製器主電路
Cuk變換器在負載電流連續的情況下,其電路的穩態過程有:
1、開關管Vr導通期間
此期間開關管Vr導通,電容C2上的電壓使二極管D2反偏而截止,這時輸入電流iL2使Ll儲能;C2的放電電流iL2使L2儲能,並供電給負載,如圖8(a)所示。
2、開關管Vr截止期間此期間開關管Vr截止,二極管D2正偏而導通,電源和Ll的釋能電流iLl向C2充電,同時L2的釋能電流iL2以維持負載,如圖8(b)所示。因此,Vr截止期間C2充電,Vr導通期間C2向負載放電,C2起能量傳遞的作用。

圖8:Cuk變換器連續工作模式等效電路圖
3.4 太陽能草坪燈的電路原理
太陽能草坪燈的電路原理比較簡單。下麵我們具體介紹一種簡單的太陽能草坪燈的電路原理。它的控製器就是采用升壓電路來實現的。

圖9:一種簡單的太陽能草坪燈的電路原理圖
[page]元器件選擇:BT1選用3.8V/80mA太陽能電池板,單晶矽為好,多晶矽次之;BT2選用兩節1.2V/600mA Ni-Cd電池,如需要增大發光度或延長時間,可相應提高太陽能板及電池功率。VQ2、VQ3、VQ5的β在200左右,VQ4需β值大的晶體管。VD1盡量選管壓低的,如鍺管或肖特基二極管。LED可選用白、藍、綠色超高亮度散光或聚光。當選用紅黃橙等低壓降LED時,電路需重新設定。R3、R5建議選用1%精度電阻;R4用亮阻10kΩ~20kΩ,暗阻1MΩ以上的光敏電阻。其他電阻可選用普通碳膜(1/4)W、(1/8)W電阻。L1用(1/4)W色電感,直流阻抗要小。
該電路的工作原理:白天有太陽光時,由BT1把光能轉換為電能,由VD1對BT2充電,由於有光照,光敏電阻呈低阻,VQ4 b極為低電平而截止。當晚上無光照時光敏電阻呈高阻,VQ4導通,VQ2 b極為低電平也導通,由VQ3、VQ5、C2、R6、L1組成的DC升壓電路工作,LED得電發光。
DC升壓電路其核心就是一個互補管振蕩電路,其工作過程為:VQ2導通時電源通過L1、R6、VQ4向C2充電,由於C2兩端電壓不能突變,VQ3 b極為高電平,VQ3不導通,隨著C2的充電其壓降越來越高,VQ3 b極電位越來越低,當低至VQ3導通電壓時VQ3導通,VQ5相繼導通,C2通過VQ5 ce結、電源、VQ3 eb結(由於VQ2導通,我們假設其ec結短路,VQ3 e極直接電源正極)放電。
當放完電後VQ3截止,VQ5截止,電源再次向C2充電,之後VQ3導通,VQ5導通,C2放電,如此反複,電路形成振蕩,在振蕩過程中,VQ5導通時電源經L1和VQ5 ce結到地,電流經L1儲能,VQ5截止時L1產生感應電動勢,和電源疊加後驅動LED,LED發光。本可以提高電池電壓直接驅動LED,以(yi)提(ti)高(gao)效(xiao)率(lv),但(dan)電(dian)池(chi)電(dian)壓(ya)提(ti)高(gao),相(xiang)應(ying)的(de)太(tai)陽(yang)能(neng)電(dian)池(chi)價(jia)格(ge)也(ye)大(da)幅(fu)提(ti)高(gao),隻(zhi)要(yao)電(dian)路(lu)元(yuan)件(jian)設(she)置(zhi)合(he)適(shi),其(qi)效(xiao)率(lv)還(hai)是(shi)可(ke)以(yi)接(jie)受(shou)的(de)。當(dang)白(bai)天(tian)充(chong)電(dian)不(bu)夠(gou)時(shi)(如遇上陰雨天等),BT2可能發生過放電,這樣會損壞電池,為此特加R5構成過放保護:當電池電壓降至2V時,由於R5的分壓使VQ4基極電位不足以使VQ4導通,從而保護電池。增加R5會影響VQ4的導通深度。
4、光源優勢及選擇
目前多數草坪燈選用LED作為光源,LED壽命長,可以達到100000小時以上,工作電壓低,非常適合應用在太陽能草坪燈上。特別是LED技術已經經曆了其關鍵的突破,並且其特性在過去5年中有很大提高,其性能價格比也有較大的提高。另外,LED由低壓直流供電,其光源控製成本低,使調節明暗,頻繁開關都成為可能,並且不會對LED的性能產生不良影響。還可以方便地控製顏色,改變光的分布,產生動態幻景,所以它特別適用在太陽能草坪燈上。
但是LED有它許多固有的特性,使用時如果不注意就會造成不良後果。LED目前市場上銷售的發光效率僅能達到15lmW,隻能達到三色基色高效節能燈1/3,三色基色高效節能燈的發光效率可以達到50-60lmW,從價格上看,目前生產每1m的成本:三色基色高效節能燈(含電子鎮流器)0.022元,2002年φ5mm白光LED價格為1.9-3.0元,目前生產每1m的成本價格相差懸殊。從使用壽命上看,三色基色高效節能燈(含電子鎮流器)的壽命可以達到6000h,LED可以達到100000h以上,從表麵上看LED壽命是三色基色高節能燈(含電子鎮流器)的幾十倍,但是事實並非如此。
目前太陽能草坪燈大多數采用超高亮白光LED,它在20mA下超高亮白光LED光通維持率達到初始強度50%的時間(壽命)不到10000h,複旦大學電光源所曾經證明上述論點。這就是說,目前在許多情況下LED並非最好的太陽能草坪燈光源,除非它是低檔的使用年限僅1-2年的太陽能草坪燈,或者是1W以下的太陽能草坪燈。對於1W以上的太陽能草坪燈,最好使用三色基色高效節能燈。目前有一些太陽能草坪燈用30-40隻超高亮白光LED,輸入功率2W以上,在這種情況下如果用三色基色高效節能燈,價格隻有LED的1/10,光通量是原來的4倍,可喜的是現在已經研製成功2-10W的低壓直流三色基色高效節能燈,壽命可以達到6000h。
根據上麵分析,我們認為1W以下的小功率太陽能草坪燈,有調節明暗,頻繁開關的功能,一般應該使用LED作為光源。但是在使用超高亮白光LED時(shi)特(te)別(bie)要(yao)注(zhu)意(yi)光(guang)通(tong)維(wei)持(chi)率(lv)問(wen)題(ti),否(fou)則(ze)容(rong)易(yi)引(yin)起(qi)質(zhi)量(liang)事(shi)故(gu)。對(dui)於(yu)功(gong)率(lv)較(jiao)大(da)的(de)太(tai)陽(yang)能(neng)草(cao)坪(ping)燈(deng),目(mu)前(qian)使(shi)用(yong)三(san)色(se)基(ji)色(se)高(gao)效(xiao)節(jie)能(neng)燈(deng)比(bi)較(jiao)合(he)理(li)。這(zhe)裏(li)要(yao)強(qiang)調(tiao)的(de)是(shi),以(yi)上(shang)結(jie)論(lun)僅(jin)僅(jin)是(shi)目(mu)前(qian)的(de)分(fen)析(xi),當(dang)LED技術水平提高以後,價格下降,以上結論需要調整。
5、遇到的問題
5.1 光敏傳感器
taiyangnengcaopingdengxuyaoguangkongkaiguan,shejizhewangwanghuiyongguangmindianzulaizidongkaiguandeng,shijishangtaiyangnengdianchibenshenjiushiyigejihaodeguangminchuanganqi,yongtazuoguangminkaiguan,texingbiguangmindianzuhao。duiyujinjinshiyongyizhi1.2VNi-Cd電池的太陽能草坪燈來說,太陽能電池組件由四片太陽能電池串聯組成,電壓低,弱光下電壓更低,以至天沒有黑電壓已經低於0.7V,造成光控開關失靈。在這種情況下,隻要加一隻晶體管直接耦合放大,即可解決問題。
5.2 按蓄電池電壓高低控製負載大小
太陽能草坪燈往往對連續陰雨可維持時間要求很高,這就增加係統成本。我們在連續陰雨蓄電池電壓降低時減少LED接入個數,或者減少太陽能草坪燈每天的發光時間,這樣就能減少係統成本。
5.3 太陽能電池封裝形式
目前太陽能電池的封裝形式主要有兩種,層壓和滴膠。層壓工藝可以保證太陽能電池工作壽命25年以上,滴膠雖然當時美觀,但是太陽能電池工作壽命僅僅1-2年。因此,1W以yi下xia的de小xiao功gong率lv太tai陽yang能neng草cao坪ping燈deng,在zai沒mei有you過guo高gao壽shou命ming要yao求qiu的de情qing況kuang下xia,可ke以yi使shi用yong滴di膠jiao封feng裝zhuang形xing式shi,對dui於yu使shi用yong年nian限xian有you規gui定ding的de太tai陽yang能neng草cao坪ping燈deng,建jian議yi使shi用yong層ceng壓ya的de封feng裝zhuang形xing式shi。
5.4 閃爍變光
漸(jian)亮(liang)漸(jian)暗(an)是(shi)節(jie)能(neng)的(de)好(hao)辦(ban)法(fa),它(ta)一(yi)方(fang)麵(mian)可(ke)以(yi)增(zeng)加(jia)太(tai)陽(yang)能(neng)草(cao)坪(ping)照(zhao)射(she)效(xiao)果(guo),另(ling)一(yi)方(fang)麵(mian)可(ke)以(yi)通(tong)過(guo)改(gai)變(bian)閃(shan)爍(shuo)占(zhan)空(kong)比(bi)控(kong)製(zhi)蓄(xu)電(dian)池(chi)平(ping)均(jun)輸(shu)出(chu)電(dian)流(liu),延(yan)長(chang)係(xi)統(tong)工(gong)作(zuo)時(shi)間(jian),或(huo)者(zhe)在(zai)同(tong)等(deng)條(tiao)件(jian)下(xia),可(ke)減(jian)小(xiao)太(tai)陽(yang)能(neng)電(dian)池(chi)的(de)功(gong)率(lv),成(cheng)本(ben)將(jiang)大(da)幅(fu)度(du)下(xia)降(jiang)。
5.5 三色基色高效節能燈的開關速度
這個問題非常重要,它甚至決定著太陽能草坪燈的使用壽命,三色基色高效節能燈啟動時有高達10-20倍的啟動電流,係統在承受這樣大的電流情況下可能電壓有大幅度下降,太陽能草坪燈無法啟動或者反複啟動,直至損壞。
5.6 升壓電路效率的提高及對LED燈的影響
小xiao功gong率lv太tai陽yang能neng草cao坪ping燈deng一yi般ban都dou有you升sheng壓ya電dian路lu,如ru果guo采cai用yong振zhen蕩dang電dian路lu,電dian感gan升sheng壓ya。電dian感gan采cai用yong標biao準zhun色se碼ma電dian感gan器qi,標biao準zhun色se碼ma電dian感gan器qi中zhong使shi用yong開kai放fang磁ci路lu,磁ci通tong損sun失shi大da,所suo以yi電dian路lu效xiao率lv低di。如ru果guo采cai用yong閉bi合he磁ci路lu製zhi造zao電dian感gan升sheng壓ya,如ru磁ci環huan,升sheng壓ya電dian路lu效xiao率lv將jiang有you很hen大da提ti高gao。LED的特性接近穩壓二極管,工作電壓變化0.1V,工作電流可能變化20mA左右。為了安全,普通情況下使用串聯限流電阻,極大的能量損失顯然不適合太陽能草坪燈,並且LED亮度隨工作電壓變化,而且一定要自動限流,否則將損壞LED。一般LED的峰值電流50-100mA,反高能電池反接或者蓄電池空載,升壓電路峰值電壓過高時很可能超過這個極限,損壞LED。
6 總結
本文通過對太陽能LED草坪燈照明設計思路的討論,來整體概述LED草cao坪ping燈deng照zhao明ming技ji術shu所suo要yao考kao慮lv的de問wen題ti,我wo所suo采cai用yong的de解jie決jue方fang案an。太tai陽yang能neng作zuo為wei一yi種zhong新xin興xing的de綠lv色se能neng源yuan,以yi其qi無wu可ke比bi擬ni的de優you勢shi得de到dao迅xun速su的de推tui廣guang應ying用yong。相xiang信xin太tai陽yang能neng太tai陽yang能nengLED草坪燈在不久的將來能得到普及,並且會成為技術發展的新趨勢。
特別推薦
- 噪聲中提取真值!瑞盟科技推出MSA2240電流檢測芯片賦能多元高端測量場景
- 10MHz高頻運行!氮矽科技發布集成驅動GaN芯片,助力電源能效再攀新高
- 失真度僅0.002%!力芯微推出超低內阻、超低失真4PST模擬開關
- 一“芯”雙電!聖邦微電子發布雙輸出電源芯片,簡化AFE與音頻設計
- 一機適配萬端:金升陽推出1200W可編程電源,賦能高端裝備製造
技術文章更多>>
- 築基AI4S:摩爾線程全功能GPU加速中國生命科學自主生態
- 一秒檢測,成本降至萬分之一,光引科技把幾十萬的台式光譜儀“搬”到了手腕上
- AI服務器電源機櫃Power Rack HVDC MW級測試方案
- 突破工藝邊界,奎芯科技LPDDR5X IP矽驗證通過,速率達9600Mbps
- 通過直接、準確、自動測量超低範圍的氯殘留來推動反滲透膜保護
技術白皮書下載更多>>
- 車規與基於V2X的車輛協同主動避撞技術展望
- 數字隔離助力新能源汽車安全隔離的新挑戰
- 汽車模塊拋負載的解決方案
- 車用連接器的安全創新應用
- Melexis Actuators Business Unit
- Position / Current Sensors - Triaxis Hall
熱門搜索
微波功率管
微波開關
微波連接器
微波器件
微波三極管
微波振蕩器
微電機
微調電容
微動開關
微蜂窩
位置傳感器
溫度保險絲
溫度傳感器
溫控開關
溫控可控矽
聞泰
穩壓電源
穩壓二極管
穩壓管
無焊端子
無線充電
無線監控
無源濾波器
五金工具
物聯網
顯示模塊
顯微鏡結構
線圈
線繞電位器
線繞電阻


