具備超寬輸出電壓和高功率因數的LED驅動器設計
發布時間:2015-06-23 責任編輯:echolady
【導讀】LED驅動一直都是LED領ling域yu最zui熱re門men的de話hua題ti,為wei滿man足zu國guo際ji法fa規gui,在zai允yun許xu的de尺chi寸cun範fan圍wei內nei。改gai變bian燈deng具ju中zhong的de驅qu動dong器qi,使shi之zhi簡jian化hua設she計ji,提ti供gong強qiang大da的de保bao護hu功gong能neng和he可ke靠kao性xing。本ben文wen就jiu簡jian單dan介jie紹shao了le具ju有you高gao功gong率lv因yin數shu和he超chao寬kuan輸shu出chu電dian壓ya的deLED驅動器。
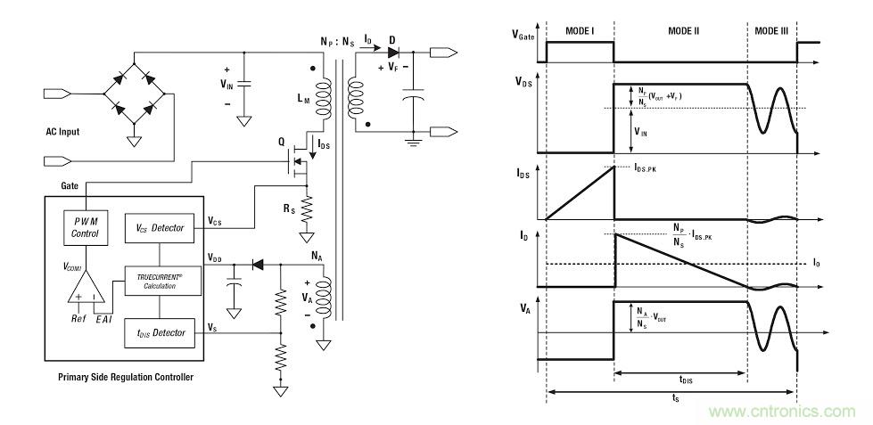
1. 初級端調節控製器及其運行模式
LED 驅動器的初級端調節 (PSR) 解決方案使得固態照明 (SSL) 產品符合國際法規(比如 Energy Star)。PSR 僅(jin)僅(jin)根(gen)據(ju)電(dian)源(yuan)初(chu)級(ji)端(duan)的(de)信(xin)息(xi),精(jing)確(que)控(kong)製(zhi)輸(shu)出(chu)電(dian)流(liu),不(bu)僅(jin)消(xiao)除(chu)了(le)輸(shu)出(chu)電(dian)流(liu)感(gan)測(ce)損(sun)耗(hao),而(er)且(qie)無(wu)需(xu)次(ci)級(ji)反(fan)饋(kui)電(dian)路(lu)。因(yin)此(ci),允(yun)許(xu)在(zai)小(xiao)尺(chi)寸(cun)改(gai)型(xing)燈(deng)具(ju)中(zhong)使(shi)用(yong)驅(qu)動(dong)器(qi)電(dian)路(lu)以(yi)及(ji)滿(man)足(zu)國(guo)際(ji)法(fa)規(gui),而(er)不(bu)會(hui)過(guo)多(duo)增(zeng)加(jia) SSL 應用的成本。Fairchild 的 FL7733 脈寬調製 (PWM) PSR 控製器有助於簡化設計從而滿足 SSL 要求,同時無需使用外部元件。FL7733 提供高精度輸出電流調節,以應對變壓器磁化電感、輸入和輸出電壓信息的改變,並提供強大的保護功能實現係統可靠性。

圖 1. 初級端調節反激式轉換器和關鍵波形
模式 I
在 MOSFET 導通期間 (tON),輸入電壓 (VIN) 施加在變壓器的初級端電感 (Lm) 上。然後,MOSFET 的漏電流 (IDS) 從零線性增加至峰值 (IDS.PK),如圖 1所示。在此期間,電能從輸入獲取並存儲在電感中。
模式 II
MOSFET (Q) 關斷時,變壓器中存儲的電能迫使整流二極管 (D) 導通。當二極管導通時,輸出電壓 (VOUT) 和二極管正向壓降 (VF)施加到變壓器次級端電感,二極管電流 (ID) 從峰值 (IDS.PK·NP/NS) 線性減小至零。在電感電流放電時間 (tDIS) 結束時,變壓器中存儲的所有能量都被傳輸至輸出。
模式 III
當二極管電流達到零時,變壓器輔助繞組電壓開始因初級端電感 (Lm)與 MOSFET (Q) 上加載的有效電容之間的諧振而振蕩。
輸出電流可以通過峰值漏電流和電感電流放電時間估計,因為輸出電流與穩態下的二極管電流平均值相同。漏電流峰值由 CS 峰值電壓檢測器確定,而電感電流放電時間由 tDIS檢測器檢測。根據峰值漏電流、電感電流放電時間和工作開關周期信息,創新型 TRUECURRENT 計算模塊可估算輸出電流如下:

圖 2. DCM 控製
應該保證 DCM,以實現反激式拓撲中的高功率因數。為了在較寬的輸出電壓範圍內維持 DCM,在線性頻率控製中由輸出電壓線性調節開關頻率。輸出電壓由輔助繞組和連接至 VS 引腳的電阻分壓器檢測,如圖 2所示。當輸出電壓降低時,次級二極管導通時間增加,DCM 控製會延長開關周期,從而在較寬的輸出電壓範圍內保持 DCM 運行。
[page]
2. 具有較寬輸出電壓範圍的 LED 驅動器
2.2. 係統設計
本小節介紹基於FL7733的單級反激式 LED 驅動器的設計步驟。選擇了50 W 離線 LED 驅動器作為設計示例。設計指標如下:
● 輸入電壓範圍: 90 ~ 277 VAC、 50 ~ 60 Hz
● 標稱輸出電壓和電流: 50 V/1.0 A
● 工作輸出電壓: 12 V ~ 50 V
● 最低頻率: 88%
● 工作開關頻率: 65 kHz
● 最大占空比: 40%
初級匝數由法拉第定律確定。Np,min是由初級繞組兩端的最小線路輸入電壓峰值和最大導通時間固定。可避免磁芯飽和的變壓器初級端最小匝數可由下式給出:

由於飽和通量密度隨著溫度的升高而減小,如果變壓器用於封閉外殼內,應考慮高溫特性。

圖 3. 實現較寬輸出電壓範圍的 VS 電路
選擇 R1 和 R2的第一個考慮因素是將 VS設置為 2.7 V,以確保額定輸出功率下能夠以高頻率運行。第二個考慮因素是 VS 消隱。輸出電壓由輔助繞組和連接到 VS 引腳的電阻分壓器檢測。然而,在不包含 DC 母線電容器的單級反激式轉換器中,在低線路電壓下由於較小的 Lm 電流會引起 VS 電壓檢測錯誤,輔助繞組電壓無法箝位至反射的輸出電壓。
在線路電壓過零點,頻率快速下降,可能導致 LED 燈閃爍。為了在整個正弦線路電壓範圍內維持恒定頻率,VS 消隱會通過檢測輔助繞組在低於特定線路電壓 VIN.bnk時禁用 VS 采樣。第三個考慮因素是 VS 電平,應該介於 0.6 V 與 3 V 之間,以避免在寬輸出應用中觸發 SLP 和 VS OVP。
[page]
由於 FL7733 的 VDD工作範圍是 8.75 ~ 23 V,如果輸出電壓低於 VOUT-UVLO (8.75×NS /NA),應該通過觸發 UVLO 關斷 MOSFET開關。因此,應該在較寬的輸出電壓範圍內12 ~ 50不觸發 UVLO,從而提供合理的 VDD。通過添加外部繞組 NE和包含電壓調節器的 VDD電路,可以提供VDD。NE的設計應該確保以最低輸出電壓 (Vmin.OUT) 提供 VDD時,不會觸發 UVLO。外部繞組 NE可通過下式確定:

2.2. 設計測試結果
為了展示本應用指南中所介紹設計步驟的有效性,構建並測試了設計示例中介紹的轉換器。圖 4顯示在整個線路和輸出電壓範圍內測得的 CC 容差。額定輸出電壓下通用線路上的 CC 低於 ±0.26 % 而整個線路和輸出電壓範圍 (12 V ~ 51 V) 內的總 CC 調節是 ±1.23%。圖 5和圖 6 顯示分別在各種負載條件下測得的 PF和 THD 性能。

圖 4. 整個輸入和輸出電壓範圍內的 CC 性能


圖 5. 根據負載條件變化的 PF 性能與輸入電壓


圖 6. 根據負載條件變化的 THD 性能與輸入電壓
結語為了針對各種 LED 燈規範和 LED 特性提高靈活性和兼容性,本文介紹了覆蓋較寬輸出電壓範圍的 LED 驅動器。Fairchild 的 PSR 控製器 FL7733 提供出色的高 PF 和低 THD 性能,並在非常寬的輸出電壓範圍內提供恒流調節。此外,本文中設計的 LED 驅動器可用於具有簡單設計和較低成本的各種 LED 照明燈具。
相關閱讀:
專家淺析非隔離式升壓拓撲的LED驅動器電路
LED驅動解析:分析LED驅動電源及線性IC電源
一款大功率LED驅動電源電路設計解析
特別推薦
- 噪聲中提取真值!瑞盟科技推出MSA2240電流檢測芯片賦能多元高端測量場景
- 10MHz高頻運行!氮矽科技發布集成驅動GaN芯片,助力電源能效再攀新高
- 失真度僅0.002%!力芯微推出超低內阻、超低失真4PST模擬開關
- 一“芯”雙電!聖邦微電子發布雙輸出電源芯片,簡化AFE與音頻設計
- 一機適配萬端:金升陽推出1200W可編程電源,賦能高端裝備製造
技術文章更多>>
- 貿澤EIT係列新一期,探索AI如何重塑日常科技與用戶體驗
- 算力爆發遇上電源革新,大聯大世平集團攜手晶豐明源線上研討會解鎖應用落地
- 創新不止,創芯不已:第六屆ICDIA創芯展8月南京盛大啟幕!
- AI時代,為什麼存儲基礎設施的可靠性決定數據中心的經濟效益
- 矽典微ONELAB開發係列:為毫米波算法開發者打造的全棧工具鏈
技術白皮書下載更多>>
- 車規與基於V2X的車輛協同主動避撞技術展望
- 數字隔離助力新能源汽車安全隔離的新挑戰
- 汽車模塊拋負載的解決方案
- 車用連接器的安全創新應用
- Melexis Actuators Business Unit
- Position / Current Sensors - Triaxis Hall
熱門搜索
Future
GFIVE
GPS
GPU
Harting
HDMI
HDMI連接器
HD監控
HID燈
I/O處理器
IC
IC插座
IDT
IGBT
in-cell
Intersil
IP監控
iWatt
Keithley
Kemet
Knowles
Lattice
LCD
LCD模組
LCR測試儀
lc振蕩器
Lecroy
LED
LED保護元件
LED背光



