福利到!半橋高頻變壓器電路及波形
發布時間:2014-09-24 責任編輯:sherryyu
【導讀】福利到了,電子元件技術網的網友們,小編這裏整理關於半橋高頻變壓器電(dian)路(lu)及(ji)波(bo)形(xing),主(zhu)要(yao)針(zhen)對(dui)新(xin)手(shou),適(shi)合(he)作(zuo)為(wei)參(can)考(kao)資(zi)料(liao)供(gong)各(ge)位(wei)進(jin)行(xing)查(zha)閱(yue),也(ye)可(ke)作(zuo)為(wei)新(xin)手(shou)入(ru)門(men)的(de)指(zhi)導(dao)。希(xi)望(wang)在(zai)閱(yue)讀(du)過(guo)本(ben)篇(pian)文(wen)章(zhang)之(zhi)後(hou)能(neng)夠(gou)有(you)所(suo)收(shou)獲(huo)。
半(ban)橋(qiao)變(bian)壓(ya)器(qi)的(de)工(gong)作(zuo)原(yuan)理(li)其(qi)實(shi)與(yu)推(tui)挽(wan)式(shi)變(bian)壓(ya)器(qi)十(shi)分(fen)相(xiang)似(si),隻(zhi)是(shi)在(zai)激(ji)勵(li)方(fang)式(shi)和(he)工(gong)作(zuo)電(dian)源(yuan)的(de)接(jie)入(ru)方(fang)式(shi)上(shang)有(you)所(suo)不(bu)同(tong)。本(ben)篇(pian)文(wen)章(zhang)針(zhen)對(dui)新(xin)手(shou),給(gei)出(chu)了(le)半(ban)橋(qiao)
變換器當中的高頻變壓器的一些設計資料。

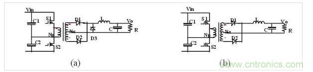
電路圖

主要波形

J:為變壓器原副邊導線的電流密度(A/mm2);
fs:為變換器的開關頻率;
K:為變壓器的窗口係數;
η 1:為變換器在低限滿載時的效率。
從麵積積公式可知,副邊有續流二極管的變壓器,其拓撲係數小一些,如對於Dmax=0.45,KT(a)=0.57,KT(b)=0.58
本篇文章針對新手,適合作為參考資料供各位進行查閱,也可作為新手入門的指導。希望大家在閱讀過本篇文章之後能夠有所收獲。
特別推薦
- 噪聲中提取真值!瑞盟科技推出MSA2240電流檢測芯片賦能多元高端測量場景
- 10MHz高頻運行!氮矽科技發布集成驅動GaN芯片,助力電源能效再攀新高
- 失真度僅0.002%!力芯微推出超低內阻、超低失真4PST模擬開關
- 一“芯”雙電!聖邦微電子發布雙輸出電源芯片,簡化AFE與音頻設計
- 一機適配萬端:金升陽推出1200W可編程電源,賦能高端裝備製造
技術文章更多>>
- 從土豆電池到精準農業:科學經典的現代回響
- 讓AI更懂生活:貿澤電子EIT係列探索AI在日常產品中的實用化設計
- 從“可演示”到“可部署”:人形機器人全鏈路測試驗證體係構建
- e絡盟與Same Sky簽署全球分銷協議,拓展高性能元器件版圖
- 告別“偏色”煩惱:光譜傳感器如何重塑手機攝影的真實色彩
技術白皮書下載更多>>
- 車規與基於V2X的車輛協同主動避撞技術展望
- 數字隔離助力新能源汽車安全隔離的新挑戰
- 汽車模塊拋負載的解決方案
- 車用連接器的安全創新應用
- Melexis Actuators Business Unit
- Position / Current Sensors - Triaxis Hall
熱門搜索




