三大招幫你實現CAN總線節點設計的可靠性
發布時間:2017-02-20 責任編輯:susan
【導讀】CAN總線通訊已經從汽車電子行業逐漸向各行各業鋪開使用了,例如軌道交通、礦井監控等。在設計CAN總線接口電路時需要注意哪些問題呢?
對於提高CAN總線節點的可靠性而言,離不開隔離、總線阻抗匹配、總線保護等,在設計CAN節點時要注意這些點以提高總線電路可靠性和安全性。
一、隔離
信號隔離
gelishoufaqikejiangzongxianhekongzhidianlujinxingdianqigeli,jianggaoyazudangzaikongzhixitongzhiwai,keyiyouxiaodibaozhengcaozuorenyuanderenshenjixitonganquan。bujinruci,gelikeyiyizhiyoujiedidianshicha、接地環路引起的各種共模幹擾,保證總線在嚴重幹擾和其它係統級噪聲存在的情況下不間斷、無差錯運行。如圖 1所(suo)示(shi),使(shi)用(yong)隔(ge)離(li)收(shou)發(fa)器(qi)後(hou),可(ke)以(yi)有(you)效(xiao)防(fang)止(zhi)形(xing)成(cheng)地(di)環(huan)路(lu),總(zong)線(xian)參(can)考(kao)地(di)可(ke)跟(gen)隨(sui)共(gong)模(mo)電(dian)壓(ya)的(de)波(bo)動(dong)而(er)波(bo)動(dong),共(gong)模(mo)電(dian)壓(ya)全(quan)部(bu)由(you)隔(ge)離(li)帶(dai)承(cheng)受(shou),共(gong)模(mo)電(dian)壓(ya)對(dui)總(zong)線(xian)信(xin)號(hao)變(bian)得(de)不(bu)再(zai)可(ke)見(jian),從(cong)而(er)保(bao)證(zheng)總(zong)線(xian)穩(wen)定(ding)可(ke)靠(kao)地(di)通(tong)信(xin)。

CAN總線上建議使用磁隔離技術。磁隔離技術可靠性較高,磁耦消除了與光耦合器相關的不確定的電流傳送比率、非線性傳送特性以及隨時間漂移和隨溫度漂移問題;磁耦均帶有25KV/us的瞬態共模抑製能力,且能夠在電壓差峰值560V的環境下正常工作。磁耦器件可提供5000Vrms/min及6000V/10sec的電壓隔離保護,多種型號的磁耦帶有±15KV的ESD保護。長壽命。采用芯片級變壓器技術傳輸信號,消除光耦傳輸時的器件損耗。器件內部基本不存在損耗,正常工作條件下至少達到50niangongzuoshouming。digonghao。cioujiyuxinpianjibianyaqichuanshuyuanli,xinhaochuanshushijihubucunzainengliangsunhao,yincinengyijididegonghaoshixiangaodudeshujugeli。xiangtongsulvxia,qigonghaojinweiguangoude1/10~1/6。
電源隔離
信號通道做隔離後,建議電源通道也做隔離,可直接采用帶隔離的DC-DC隔離模塊實現,如下圖所示。

DC-DC隔離電源模塊
二、阻抗匹配
電信號在在電纜shangchuanshushi,dangzukangbulianxuhuozhefashengtubianshi,jiuhuifashengxinhaofanshe。fanshedeguochengshifendefuza,shenzhikenengfashengduocifanshe,fanshedexinhaodiejiazaizhengchangdexinhaoshang,yinqidianpingbianhua,daozhishujuchuanshuchuxiancuowu。weilexiaojianzhezhongxinhaofanshedefangfa,womenshishichuanshudianlanshangdezukangbaochilianxu,danshidianlanzongshiyouzhongdiande,zhongdiandezukangshitubiande,weileshizhongdianzukangbaochilianxu,CAN-Bus規定要在電纜兩端接入匹配電阻。這個終端電阻的阻值一般選用120Ω。如圖 3所示。

CAN總線終端電阻匹配
三、保護措施
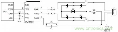
節點在戶外等惡劣的現場環境時,容易遭受大能量的雷擊,此時需要對CAN 信號端口添加更高等級的防護電路,保證節點不被損壞以及總線的可靠通訊。

CAN節點端口推薦電路
上圖中除了右端的保護電路,中間使用的CAN隔離收發器模塊,該模塊主要集成了CAN收發器、DC-DC電源模塊、信號隔離電路三部分電路,打包封裝成一個獨立的模塊,可大大簡化CAN硬件設定的難度,降低開發時間成本。

CTM1051CAN隔離收發模塊
特別推薦
- 噪聲中提取真值!瑞盟科技推出MSA2240電流檢測芯片賦能多元高端測量場景
- 10MHz高頻運行!氮矽科技發布集成驅動GaN芯片,助力電源能效再攀新高
- 失真度僅0.002%!力芯微推出超低內阻、超低失真4PST模擬開關
- 一“芯”雙電!聖邦微電子發布雙輸出電源芯片,簡化AFE與音頻設計
- 一機適配萬端:金升陽推出1200W可編程電源,賦能高端裝備製造
技術文章更多>>
- 三星上演罕見對峙:工會集會討薪,股東隔街抗議
- 摩爾線程實現DeepSeek-V4“Day-0”支持,國產GPU適配再提速
- 築牢安全防線:智能駕駛邁向規模化應用的關鍵挑戰與破局之道
- GPT-Image 2:99%文字準確率,AI生圖告別“鬼畫符”
- 機器人馬拉鬆的勝負手:藏在主板角落裏的“時鍾戰爭”
技術白皮書下載更多>>
- 車規與基於V2X的車輛協同主動避撞技術展望
- 數字隔離助力新能源汽車安全隔離的新挑戰
- 汽車模塊拋負載的解決方案
- 車用連接器的安全創新應用
- Melexis Actuators Business Unit
- Position / Current Sensors - Triaxis Hall
熱門搜索
Tektronix
Thunderbolt
TI
TOREX
TTI
TVS
UPS電源
USB3.0
USB 3.0主控芯片
USB傳輸速度
usb存儲器
USB連接器
VGA連接器
Vishay
WCDMA功放
WCDMA基帶
Wi-Fi
Wi-Fi芯片
window8
WPG
XILINX
Zigbee
ZigBee Pro
安規電容
按鈕開關
白色家電
保護器件
保險絲管
北鬥定位
北高智

