嵌入式設計可接受的抖動水平要如何確定呢?
發布時間:2015-04-09 責任編輯:sherry
【導讀】shizhongdoudongyoujizhongbutongdeleixingheceliangfangfa,yijixiangyingdeguigezhibiao,dandaduoshuyingjianshejirenyuanmeiyoushijianquyanjiuzhexie,yinweiduiyudianlubanshejishieryan,shizhongdoudongguigezhibiaodexiweichabiesihushiweibuzudaodesuosuizhishi。nameruheququedingqianrushishejikejieshoudedoudongshuiping?
設計師往往更把精力集中在眼前較重大的設計任務,以優先級順序這些是針對FPGA邏輯、微處理器綜合體、數據層麵交換結構、控製層麵交換架構、RF信號鏈路、電源、互連互通問題、設計仿真、建模等設計任務。
yinci,shejirenyuanbixujiadinglaizigegexinpianchangshangdecankaoshizhongdoudongguigezhibiaoyutamenyuqishiyongdezhexieqijianxiangguan,bingqiezhexieguigezhibiaoyijingbeiwanquanhezhengquediqueding。
但如果沒有一些基本準則可循,設計師可能會指定過高的時鍾抖動要求,導致采用更昂貴的時鍾器件並增大不必要的物料成本(BOM)。或(huo)者(zhe)出(chu)現(xian)更(geng)糟(zao)糕(gao)的(de)情(qing)況(kuang),針(zhen)對(dui)某(mou)特(te)定(ding)應(ying)用(yong),把(ba)時(shi)鍾(zhong)抖(dou)動(dong)要(yao)求(qiu)降(jiang)低(di),相(xiang)應(ying)的(de)錯(cuo)誤(wu)可(ke)能(neng)會(hui)超(chao)出(chu)給(gei)定(ding)應(ying)用(yong)可(ke)接(jie)受(shou)的(de)誤(wu)差(cha)率(lv)水(shui)平(ping)。這(zhe)種(zhong)情(qing)況(kuang)隻(zhi)能(neng)在(zai)產(chan)品(pin)開(kai)發(fa)周(zhou)期(qi)後(hou)期(qi)在(zai)對(dui)最(zui)初(chu)原(yuan)型(xing)板(ban)進(jin)行(xing)性(xing)能(neng)指(zhi)標(biao)測(ce)試(shi)時(shi)才(cai)可(ke)以(yi)發(fa)現(xian),因(yin)此(ci)很(hen)可(ke)能(neng)會(hui)影(ying)響(xiang)最(zui)終(zhong)產(chan)品(pin)的(de)發(fa)布(bu)時(shi)間(jian)。
最根本的檢查點
設計師要考慮的第一個也是最根本的檢查點是確定針對特定應用最相關的時鍾抖動類型。表1總結了根據應用類型的一些抖動分類,以及相應的規格指標限定。

表1:與應用相關的抖動。
周期抖動是可以最直觀理解的抖動類型,它簡單地指與周期理想值(或平均值)的偏差,是同步接口和邏輯設計相關的抖動類型,應用案例包括與同步存儲器端接的微處理器接口,或FPGA內部的同步狀態機設計。
隨(sui)著(zhe)時(shi)鍾(zhong)周(zhou)期(qi)縮(suo)短(duan)或(huo)擴(kuo)大(da),可(ke)以(yi)對(dui)同(tong)步(bu)設(she)計(ji)的(de)建(jian)立(li)時(shi)間(jian)或(huo)者(zhe)保(bao)持(chi)時(shi)間(jian)產(chan)生(sheng)巨(ju)大(da)影(ying)響(xiang),這(zhe)也(ye)是(shi)為(wei)什(shen)麼(me)周(zhou)期(qi)抖(dou)動(dong)與(yu)這(zhe)些(xie)類(lei)型(xing)的(de)應(ying)用(yong)相(xiang)關(guan)的(de)原(yuan)因(yin)。
高頻抖動,尤其是相鄰周期(C2C)抖動,是與擴頻時鍾相關的抖動類型。擴頻時鍾有意誘發低頻抖動來減輕電磁幹擾(EMI),這(zhe)些(xie)都(dou)是(shi)傳(chuan)統(tong)上(shang)消(xiao)費(fei)電(dian)子(zi)產(chan)品(pin)所(suo)擔(dan)心(xin)的(de)。但(dan)是(shi),由(you)於(yu)擴(kuo)頻(pin)是(shi)低(di)頻(pin)率(lv)抖(dou)動(dong),它(ta)不(bu)會(hui)影(ying)響(xiang)相(xiang)鄰(lin)周(zhou)期(qi)抖(dou)動(dong)測(ce)量(liang)。出(chu)於(yu)這(zhe)個(ge)原(yuan)因(yin),相(xiang)鄰(lin)周(zhou)期(qi)抖(dou)動(dong)規(gui)格(ge)指(zhi)標(biao)可(ke)用(yong)於(yu)量(liang)化(hua)擴(kuo)頻(pin)時(shi)鍾(zhong)的(de)抖(dou)動(dong)性(xing)能(neng)。
仔細分析頻域抖動
重要的是要特別注意頻域抖動以及它在高速串行通信中的適用性。具體來說,針對高速串行/解串器(SerDes)設計的參考時鍾抖動要求應該詳盡。頻域抖動是最不被理解的抖動類型,因此也最容易導致出現一些常見的電路板設計缺陷。
圖1所示為一個通過頻譜分析儀生成的相位噪聲(PN)quxian,pinpufenxiyikebuhuoshizhongxinhaodepinpuneirong,yinciyouzhuyulejieshizhongdoudongdepinlvtexing。zheduiyushuomingxiangweiraodongdesuijixingyehenyoubangzhu,xiangweiraodongdesuijixingyiweizhesuijipinlvraodong,bingqiezhefanguolaiyouyiweizhesuijizhouqiraodong。

圖1:相位噪聲(PN)曲線常用來表示頻域中的時鍾抖動。
因此,PN曲線代表的是隨機時鍾周期抖動,但是在頻域。從數學上看,它是時鍾信號的噪聲(即抖動)相對於在特定基頻頻率偏差下的時鍾基頻F0的強度。
在特定頻率偏差下的抖動強度可以表明該抖動值多長時間發生一次,因此一個PN曲線表明一個特定的隨機頻率偏差多長時間發生一次。抖動強度與載波的比值以dBc/Hz表示,dBc/Hz值越低越好,意味著更小的抖動強度。
均方根(RMS)相位抖動是由PN曲線外推得到的抖動量化值,它不能與時域抖動規格指標的RMS周期抖動混淆。轉換的RMS相位抖動值在很大程度上是一個積分函數,其值取決於根據該PN曲線下的區域麵積。
[page]
但是這個麵積需要由一個積分區間來界定,或者被通常稱為“遮罩(Mask)”。Mask是shi與yu特te定ding應ying用yong的de傳chuan遞di函han數shu而er相xiang關guan聯lian,其qi目mu的de是shi限xian製zhi或huo阻zu止zhi抖dou動dong量liang化hua值zhi在zai一yi個ge頻pin率lv範fan圍wei內nei,該gai應ying用yong的de傳chuan遞di函han數shu不bu再zai進jin行xing過guo濾lv。這zhe意yi味wei著zhe,任ren何heRMS相位抖動要求必須由所關注的積分範圍限定。
一個PN曲線,以及相應的RMS相位抖動量化值,是串行/解串器(SerDes)應用相關的時鍾抖動類型。同步數字體係(SDH)、同步光纖網絡(SONET)、以太網、PCI Express(PCIe)、串行RapidIO(SRIO)和SMPTE(美國電影電視工程師協會)等工業串行標準都利用這種時鍾抖動類型用於界定必要的參考時鍾抖動。
作為參考,一個具有代表性的SerDes通信信道如圖2所示。鎖相環(PLL)是輸入時鍾抖動固有的低通濾波器,這樣, 發射器(Tx)的SerDes時鍾倍增單元(CMU)PLL用作參考時鍾抖動的低通濾波器。

圖2:一個具有代表性的高速串行通信信道。
此時鍾的高頻抖動不被轉移到該PLL的輸出,因此,不會對SerDes的輸出抖動產生任何影響。這個Tx CMU鎖相環的低通濾波器特征確定了所感興趣積分頻帶的上限轉角頻率(corner frequency)。
以類似的方式,用於接收器SerDes參考時鍾由內部接收器SerDes CMU鎖相環倍乘。該時鍾然後用於基於相位內插器的時鍾和數據恢複(CDR)電路,其可作為參考時鍾抖動的高通濾波器。
因此,這個時鍾的低頻抖動不會傳遞到用於CDR的相位對準器輸出。接收器相位內插器的高通濾波器特征確定了感興趣積分頻帶的下限轉角頻率。
所有這些效應會界定具體串行標準的SerDes傳遞函數,以及那些確定感興趣的頻帶或者Mask,例如用於10G以太網的1.875MHz到20MHz的頻帶。
芯片廠商的規格指標並不一致
除了許多不同的抖動類型和細微差別,芯片製造商如何為他們的器件確定所需的時鍾抖動也有很多的不確定性。 SerDes芯片廠商為他們的元件確定所需的參考時鍾抖動,但是物理層、FPGA和處理器等器件規格指標則不一定與行業串行接口標準的方法學和測量細節等保持一致。
例如,大部分網絡通信標準(如千兆以太網,10千兆以太網等)指定峰-峰(P2P)值總抖動作為一個單位間隔(UI)的百分比,其中一個UI在給定串行標準中相當於時間域1比特間隔。但是峰-峰值總抖動UI實際上是一個SerDes眼圖關閉(eye closure)規格指標,以符合可接受的比特誤碼率(BER),根據工業串行標準其通常是10-12。
這些標準並沒有界定總抖動UI預算有多少被分配給互連、光學、串行解串器,或驅動SerDes的(de)參(can)考(kao)時(shi)鍾(zhong)。其(qi)結(jie)果(guo)是(shi),電(dian)路(lu)板(ban)設(she)計(ji)人(ren)員(yuan)隻(zhi)能(neng)聽(ting)命(ming)於(yu)芯(xin)片(pian)供(gong)應(ying)商(shang)以(yi)及(ji)在(zai)他(ta)們(men)的(de)數(shu)據(ju)表(biao)中(zhong)規(gui)定(ding)的(de)參(can)考(kao)時(shi)鍾(zhong)抖(dou)動(dong)。通(tong)常(chang),這(zhe)些(xie)規(gui)格(ge)指(zhi)標(biao)都(dou)過(guo)於(yu)保(bao)守(shou),把(ba)大(da)多(duo)數(shu)抖(dou)動(dong)預(yu)算(suan)給(gei)予(yu)了(le)集(ji)成(cheng)的(de)SerDes,為需要驅動SerDes的參考時鍾隻留下少許。
使問題更加複雜的是,來自時鍾芯片廠商的抖動規格指標可能是模糊的,也不一定完整。一些供應商對於時鍾產品的描述(specmanship)建立在不適當規格指標和測量結果基礎上,通常不適合於目標應用,對於給定的規格指標會產生不一致並缺失關鍵的限定。
常見的抖動陷阱
對於電路板設計人員來說,有許多容易導致錯誤的陷阱。本節會擴展來討論一些下麵列出的常見陷阱的更多詳細信息:
*P2P隨機抖動規格指標沒有針對目標應用BER限定
*把針對通信應用而設計的時鍾抖動規格指標和方法學應用於PCIe端口
*PN曲線生成時關斷雜散波以便滿足總相位抖動要求( 通過使用隨機RMS相位抖動測量忽略了確定性抖動)
*抖動的測量/確定僅僅是針對器件,而不是針對給定應用(如整數模式下的w/內置 MultiSynth分頻器)的案例配置
*添加RMS相位抖動(Additive RMS phase jitter)的測量作為輸入和輸出抖動之間的簡單差值,而不是輸入和輸出抖動平方差的平方根值
例如,圖3所示隨機周期抖動的高斯分布裙邊會無限延伸下去,這是因為隨機抖動沒有邊界,因此,實際測量P2P周期抖動絕對最大值並不現實。然而,在高斯分布上超過一個點的抖動可以給定一個概率。 BER依特定應用而定,並且通常用於此目的。

圖3:隨機周期抖動的高斯分布裙邊無限延伸。
沒有芯片供應商提供的可接受的BER,P2P周期抖動規格指標毫無意義。然而,這個限定往往難以從器件的數據表中看到。對於給定的應用,如果已知道可接受的BER,該給定應用的RMS周期抖動之後可以計算出來。所以,重要的是設計者必須要知道他們應用的正確BER。此外,請注意這種方法不是針對於周期抖動,因為它可用於計算各種類型的RMS抖動。作為例子,一個RMS相位抖動的計算如下所示:
[page]
考慮到10GE PHY需要的隨機相位抖動UI=0.18 UI
... 因為比特率是10.3125Gbps,1 UI=96.9pS
...假定給定應用可接受的BER是10-12
那麼,所需的相應RMS相位抖動的計算公式為:
[(0.18)*(96.9pS)]÷(14.069) = 1.24pS
PCIe已經成為通信應用普遍的控製層麵接口,以太網物理層等器件集成PCIe端口用於連接帶外的控製層麵微處理器(micro)。至少一個著名的以太網PHY廠商已經為他們的PCIe參考時鍾確定RMS相位抖動,其方式類似於在同樣器件中他們為以太網端口確定RMS相位抖動,通過由頻譜分析儀所產生的相位噪聲曲線進行有效地外延。但是,這種方式不符合PCIe標準抖動方法,如圖4中可詳細說明。

圖4: 針對PCIe標準測量參考時鍾抖動的7個步驟。
按照PCIe標準測量參考時鍾抖動的基本步驟如下:
(假定為常見模式時鍾)
1) 用示波器(高取樣率)得到所測周期時間的初始數據記錄
2) 通過每個數據點減去平均值來計算針對每個周期的‘周期誤差’
3) 通過對每個周期的周期誤差進行累積求和,從而轉化為‘相位誤差’
……得到您的有效‘初始’相位誤差
4) 通過快速傅裏葉變換(FFT)轉變到頻域
5) 把特定的遮罩(mask)應用於感興趣的標準,Gen1,Gen2,或者Gen3
6) 進行快速傅裏葉逆變換(iFFT)操作再變換到時域
……得到‘過濾的’相位誤差
7) 根據適當的標準誤碼率(BER)要求把RMS相位抖動轉換為峰值到峰值抖動
……10-12誤碼率,通過RMS的14X乘法器得到相應的峰值到峰值抖動
相反,PCIe方法是采用示波器測量得到的原始周期樣本,然後應用FFT、濾波器和iFFT步驟來得出適當的RMS相位抖動測量。重要的是要注意到這兩種不同的方法可以產生完全不同的結果。
因此,設計人員可能會誤認為設計的時鍾器件達到或超過了PCIe參考時鍾抖動規格指標或者標準,但是這些器件卻不足以驅動PCIe端口,原因是這些PHY廠家采用了不同的方法和/或過濾器來確定所需的參考時鍾抖動。
如先前所討論的,P2P總抖動(UI)是特定於SerDes的數據信號。這包括確定性和隨機抖動對於數據信號眼圖的貢獻。人們普遍認為,在SerDes鏈路的確定性抖動很大程度上與鏈路本身和其他係統障礙有關。
隨機抖動主要可歸因於SerDes外部參考時鍾和SerDes內部的PLL。但我們知道,參考時鍾也具有一定量的確定性抖動。此外,許多PHY供應商的數據表並沒有區分列出驅動他們SerDes參考時鍾的隨機與確定性抖動要求。由於這些原因,另一種常見的設計陷阱是使用PN曲線來量化時鍾器件的總相位抖動,其中包括確定性抖動,但雜散被關斷 (雜散是“周期性雜散噪聲”的簡寫,代表了時鍾的確定性抖動)。此確定性抖動可來源於電路板設計本身和/或時鍾芯片,串擾、電磁幹擾(EMI)、開關電源噪聲、和PLL小數反饋分頻器都可以是這種確定性抖動的來源。
對於圖5中所示的PN曲線例子,其特殊的電路板設計使在PLL輸出端測得顯著的雜散內容。不幸的是,這些雜散噪聲處在該應用感興趣的12kHz至20MHz積分範圍內。因此,參考時鍾的總相位抖動已經超出了SerDes芯片供應商的規格指標,結果是較高的BER。采用EMI嗅探器(sniffer)分析這些問題的根本原因,發現這種雜散的內容可追溯到用於給PLL供電的同步降壓開關穩壓器,通過電路板布局修改和無源元件的變化可以減輕這一問題。

圖5:具有雜散噪聲的 PN曲線示例。
然而,某些雜散內容來自PLL時鍾器件本身。重要的是要記住,任何時鍾合成器可以產生許多不需要的和與差頻率,它們的強度可能很大足以顯著出現在PN曲線上。
當今優秀的PLL設計都采用先進的矽設計技術。這些進展有助於減少內在產生的隨機和確定性(雜散)抖dou動dong。但dan對dui於yu抖dou動dong關guan鍵jian的de板ban載zai時shi鍾zhong,設she計ji師shi需xu要yao義yi不bu容rong辭ci地di與yu定ding時shi器qi件jian廠chang商shang驗yan證zheng給gei定ding的de時shi鍾zhong器qi件jian其qi相xiang應ying的de相xiang位wei抖dou動dong規gui格ge指zhi標biao是shi基ji於yu雜za散san導dao通tong時shi得de到dao的dePN曲線。
[page]
一個流程圖讓你步入正軌
圖6中所示的流程圖旨在針對具體應用把電路板設計人員引導到正確的抖動規格指標,從而正確地選擇時鍾芯片。

圖6:流程圖有助於針對您的應用來確定正確的抖動。
首先要確定應用類型。它是一個同步接口或同步邏輯設計、一個微處理器參考時鍾規格指標或擴頻時鍾、一個高速串行通信或串行/解串器設計?在許多電路板設計中,往往所有這些應用類型都需要進行處理,而且它們都有不同的抖動要求。
對於同步接口或同步邏輯設計,所涉及的應該是周期抖動。你是從P2P周期抖動規格指標開始工作嗎?如果是這樣,那麼你需要確定兩個關鍵限定:首先,按照JEDEC(電子器件工程聯合委員會),你在使用的芯片P2P周期抖動是基於10K樣本大小。其次,芯片供應商為您提供針對他們規格指標的假定BER。有了這兩個限定,就可以得出一個相應的RMS周期抖動規格指標以便選擇適當的時鍾器件。
如果它是一個消費類電子產品的應用來實現擴頻,那麼你可能需要使用相鄰周期抖動規格指標。按照JEDEC標準,假定相鄰周期抖動是在跨越連續1000個周期進行測定。你需要確認是不是這種情況,之後你會有一個有效的相鄰周期抖動規格指標來確定相應的時鍾芯片。
ruguotashiyigegaosuchuanxingtongxinsheji,nameniyinggaishouxianxunwenshifouchuanxingbiaozhuncaiyonglechuantongdekuozhanpinpufenxiyifangfalailianghuaxiangweizaosheng。ciwai,zhongyaodeshiyaozhuyiPHY廠商針對規格指標到底提供了什麼,是P2P總抖動UI,還是P2P隨機抖動UI?
需要記住的是RMS隻針對於隨機抖動,需要將隨機抖動要求被BER乘數相除以便得到相應的RMS隨機抖動UI。對於隨機抖動,你可以使用一個關斷雜散的PN曲線,通過積分得到RMS相位抖動值。但是,如果采用一個接通雜散的PN曲線來得到確定性抖動,然後在Mask積分,那麼得到的相應值不再是RMS,而是總的相位抖動。
該gai流liu程cheng圖tu的de目mu的de是shi針zhen對dui您nin的de應ying用yong引yin導dao您nin通tong過guo一yi個ge係xi統tong化hua的de途tu徑jing來lai確que定ding正zheng確que的de抖dou動dong,流liu程cheng的de設she計ji是shi專zhuan門men用yong來lai避bi免mian在zai本ben文wen中zhong詳xiang細xi介jie紹shao的de常chang見jian電dian路lu板ban設she計ji陷xian阱jing。
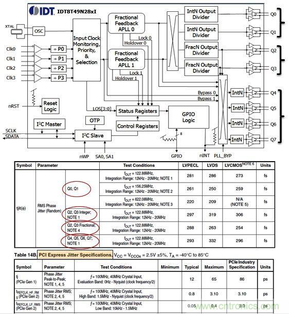
一yi個ge有you用yong的de時shi鍾zhong器qi件jian規gui格ge指zhi標biao應ying該gai能neng夠gou描miao繪hui出chu不bu同tong的de輸shu出chu結jie構gou和he每mei個ge結jie構gou的de相xiang應ying抖dou動dong能neng力li,它ta還hai可ke以yi針zhen對dui本ben文wen中zhong介jie紹shao的de不bu同tong抖dou動dong類lei型xing提ti供gong規gui格ge指zhi標biao,使shi設she計ji人ren員yuan可ke以yi為wei他ta們men的de特te定ding應ying用yong做zuo好hao限xian定ding。作zuo為wei一yi個ge例li子zi,可ke以yi考kao慮lv圖tu7中所示的通用頻率轉換器(UFT)。

圖7:IDT8T49N28X通用頻率轉換器。
這種可配置的時鍾器件有幾個先進的功能,非常適合於通信線路卡(line-card)應用。它能夠以單一器件提供令人印象深刻的高性能(例如低相位噪聲)和靈活性。為了實現這種靈活性,該器件采用了一種混合有基於整數和分數的輸出分頻器,具有為每個輸出類型對應的RMS相位抖動差值,詳見本器件規格指標。此外,該器件的數據表按照之前提到的PCISIG方法學,以一個單獨的表格突出了PCIe相位抖動性能,從而注意到了該串行接口標準中方法學的差異。
重zhong要yao的de是shi要yao認ren識shi到dao,一yi個ge可ke配pei置zhi時shi鍾zhong數shu據ju表biao並bing不bu能neng夠gou覆fu蓋gai所suo有you的de應ying用yong案an例li情qing況kuang。因yin此ci,鼓gu勵li設she計ji人ren員yuan針zhen對dui特te定ding的de應ying用yong案an例li去qu尋xun求qiu相xiang應ying的de抖dou動dong性xing能neng,因yin為wei其qi結jie果guo可ke能neng略lve有you不bu同tong。
特別推薦
- 噪聲中提取真值!瑞盟科技推出MSA2240電流檢測芯片賦能多元高端測量場景
- 10MHz高頻運行!氮矽科技發布集成驅動GaN芯片,助力電源能效再攀新高
- 失真度僅0.002%!力芯微推出超低內阻、超低失真4PST模擬開關
- 一“芯”雙電!聖邦微電子發布雙輸出電源芯片,簡化AFE與音頻設計
- 一機適配萬端:金升陽推出1200W可編程電源,賦能高端裝備製造
技術文章更多>>
- 三星上演罕見對峙:工會集會討薪,股東隔街抗議
- 摩爾線程實現DeepSeek-V4“Day-0”支持,國產GPU適配再提速
- 築牢安全防線:智能駕駛邁向規模化應用的關鍵挑戰與破局之道
- GPT-Image 2:99%文字準確率,AI生圖告別“鬼畫符”
- 機器人馬拉鬆的勝負手:藏在主板角落裏的“時鍾戰爭”
技術白皮書下載更多>>
- 車規與基於V2X的車輛協同主動避撞技術展望
- 數字隔離助力新能源汽車安全隔離的新挑戰
- 汽車模塊拋負載的解決方案
- 車用連接器的安全創新應用
- Melexis Actuators Business Unit
- Position / Current Sensors - Triaxis Hall
熱門搜索
鑒頻器
江蘇商絡
交流電機
腳踏開關
接觸器接線
接近開關
接口IC
介質電容
介質諧振器
金屬膜電阻
晶體濾波器
晶體諧振器
晶體振蕩器
晶閘管
精密電阻
精密工具
景佑能源
聚合物電容
君耀電子
開發工具
開關
開關電源
開關電源電路
開關二極管
開關三極管
科通
可變電容
可調電感
可控矽
空心線圈

