設計盤點:CDMA基站中低噪聲放大電路
發布時間:2015-03-19 責任編輯:sherryyu
【導讀】低噪聲放大器是基站接收機中的關鍵器件之一;本文采用安捷倫公司的先進設計係統與A TF54143 ,通(tong)過(guo)對(dui)噪(zao)聲(sheng)係(xi)數(shu)與(yu)輸(shu)入(ru)回(hui)波(bo)損(sun)耗(hao)的(de)折(zhe)中(zhong)設(she)計(ji),進(jin)行(xing)共(gong)軛(e)匹(pi)配(pei),成(cheng)功(gong)設(she)計(ji)出(chu)低(di)噪(zao)聲(sheng)放(fang)大(da)器(qi)。得(de)到(dao)了(le)最(zui)終(zhong)的(de)版(ban)圖(tu)並(bing)且(qie)對(dui)其(qi)進(jin)行(xing)測(ce)量(liang),並(bing)經(jing)過(guo)高(gao)低(di)溫(wen)與(yu)差(cha)異(yi)性(xing)測(ce)試(shi),證(zheng)明(ming)其(qi)完(wan)全(quan)能(neng)應(ying)用(yong)到(dao)實(shi)際(ji)產(chan)品(pin)中(zhong)。
隨著移動通信的普及,移動通信設備商之間競爭也更加激烈;各大通信巨頭為了搶奪市場,不斷提高基站的性能,降低基站的價格;低di噪zao聲sheng放fang大da器qi是shi基ji站zhan接jie收shou機ji的de第di一yi級ji,看kan到dao低di噪zao聲sheng放fang大da器qi位wei於yu接jie收shou機ji的de最zui前qian端duan,因yin此ci對dui基ji站zhan接jie收shou機ji來lai說shuo,低di噪zao聲sheng放fang大da器qi是shi十shi分fen關guan鍵jian的de部bu件jian,它ta直zhi接jie影ying響xiang到dao整zheng個ge接jie收shou鏈lian路lu的de信xin噪zao比bi,對dui提ti高gao基ji站zhan靈ling敏min度du有you決jue定ding性xing影ying響xiang。
安捷倫公司的A TF54143 是一種增強型偽高電子遷移率晶體管,不需要負柵極電壓,與耗盡型管相比較,可以簡化排版而且減少零件數,該晶體管最顯著的特點是低噪聲,並具有高增益、高線性度等特性,他特別適用於工作頻率範圍在450 MHz ~6 GHz 之間的蜂窩/ PCS/WCDMA基站、無線本地環路、固定無線接入和其他高性能應用中的第一階和第二階前端低噪聲放大器電路中。
1.1 晶體管模型低噪聲放大器
通常會在源極加電感來增加穩定性,穩定性設計對於任何放大器都是必需的,沒有設計成絕對穩定的放大器不能應用到產品中去的;影響低噪聲放大器穩定性的因素有很多,其中源極電感是其中之一。

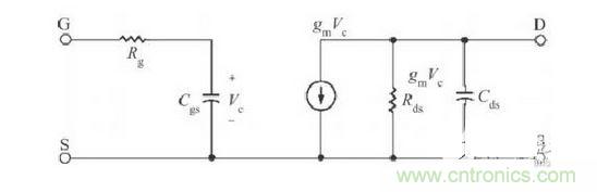
圖2未加源極電感的FET 等效原理圖

圖3 添加源極電感的FET 等效圖
加入源極電感不僅改善穩定性,也能改善輸入輸出匹配與噪聲係數,是設計低噪聲放大器非常重要的方法。
1.2 電路原理圖
根據原理圖,利用ADS 對電路進行S 參數仿真,為了提高仿真的準確性,電路元器件都采用了廠商提供的等效模型,同時將Rogers 的板材特性參數代入微帶線模型中。圖4 是用於ADS 的仿真原理圖。

圖4 仿真原理圖
通過ADS 仿真及最後的實際電路測試,我們發現該低噪聲放大器能夠較好的滿足設計要求。圖5是實際測試結果圖。圖中可以看出,實際測試數據與仿真結果比較一致。
低噪聲放大器是基站接收機中的關鍵器件之一; 本文采用安捷倫公司的先進設計係統與A TF54143 ,通過對噪聲係數與輸入回波損耗的折中設計,進行共軛匹配,成功設計出低噪聲放大器。其工作頻段的性能參數為:噪聲係數為0185 ,P1 dB約為16 dBm ,輸入回波損耗大於20 ,輸出回波損耗大於14 ,增益保持在18 dB 以(yi)上(shang)。得(de)到(dao)了(le)最(zui)終(zhong)的(de)版(ban)圖(tu)並(bing)且(qie)對(dui)其(qi)進(jin)行(xing)測(ce)量(liang),並(bing)經(jing)過(guo)高(gao)低(di)溫(wen)與(yu)差(cha)異(yi)性(xing)測(ce)試(shi),證(zheng)明(ming)其(qi)完(wan)全(quan)能(neng)應(ying)用(yong)到(dao)實(shi)際(ji)產(chan)品(pin)中(zhong),目(mu)前(qian)準(zhun)備(bei)應(ying)用(yong)於(yu)杭(hang)州(zhou)某(mou)通(tong)信(xin)公(gong)司(si)的(de)產(chan)品(pin)中(zhong)。
特別推薦
- 噪聲中提取真值!瑞盟科技推出MSA2240電流檢測芯片賦能多元高端測量場景
- 10MHz高頻運行!氮矽科技發布集成驅動GaN芯片,助力電源能效再攀新高
- 失真度僅0.002%!力芯微推出超低內阻、超低失真4PST模擬開關
- 一“芯”雙電!聖邦微電子發布雙輸出電源芯片,簡化AFE與音頻設計
- 一機適配萬端:金升陽推出1200W可編程電源,賦能高端裝備製造
技術文章更多>>
- 邊緣AI的發展為更智能、更可持續的技術鋪平道路
- 每台智能體PC,都是AI時代的新入口
- IAR作為Qt Group獨立BU攜兩項重磅汽車電子應用開發方案首秀北京車展
- 構建具有網絡彈性的嵌入式係統:來自行業領袖的洞見
- 數字化的線性穩壓器
技術白皮書下載更多>>
- 車規與基於V2X的車輛協同主動避撞技術展望
- 數字隔離助力新能源汽車安全隔離的新挑戰
- 汽車模塊拋負載的解決方案
- 車用連接器的安全創新應用
- Melexis Actuators Business Unit
- Position / Current Sensors - Triaxis Hall
熱門搜索
Future
GFIVE
GPS
GPU
Harting
HDMI
HDMI連接器
HD監控
HID燈
I/O處理器
IC
IC插座
IDT
IGBT
in-cell
Intersil
IP監控
iWatt
Keithley
Kemet
Knowles
Lattice
LCD
LCD模組
LCR測試儀
lc振蕩器
Lecroy
LED
LED保護元件
LED背光




