利用I2C總線實現模擬信號的數字傳輸就是這麼簡單!
發布時間:2015-02-24 責任編輯:echolady
【導讀】I2C是同步串行數據通信總線,其工作原理是由主器件發起通信,從器件以尋址的機製進行控製。I2C總線連接開漏形式的信號線即可連接節點。限製傳輸速率和節點距離的關鍵在於電容。要想實現模擬信號的數字傳輸,必須通過長距離I2C總線實現。
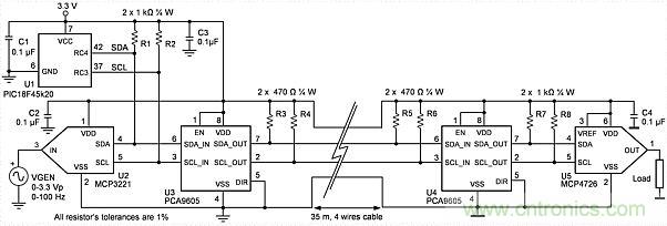
PCA9605是一種單片CMOS集成電路,可在包括I2C總線的應用中實現總線緩衝功能。該緩衝器可以通過緩衝驅動SCL和SDA線xian來lai擴kuo展zhan總zong線xian負fu載zai,緩huan衝chong器qi兩liang側ce可ke達da到dao最zui大da允yun許xu的de總zong線xian電dian容rong。在zai其qi最zui基ji本ben的de實shi現xian中zhong,該gai緩huan衝chong器qi允yun許xu擴kuo展zhan數shu量liang的de從cong器qi件jian連lian接jie到dao一yi個ge主zhu器qi件jian。在zai本ben例li設she計ji中zhong,主zhu器qi件jian是shiPIC的微控製器,從器件是兩個數據轉換器,其中一個是模數轉換器,另一個是數模轉換器。PCA9605的方向引腳(DIR)固定接地,因為時鍾由主器件提供(單向時鍾模式)。圖1給出了總的原理圖。
U2 ADC捕獲來自信號發生器的模擬信號並轉換成數字信號,然後發送給緩衝器U3,由U3驅動後上電纜傳輸,並經U4中繼後繼續傳輸。SDA數據線需要雙向驅動,從U3到U4以及U4到U3。最終由U5 ADC產(chan)生(sheng)數(shu)字(zi)化(hua)後(hou)的(de)信(xin)號(hao)。如(ru)果(guo)需(xu)要(yao)經(jing)過(guo)更(geng)長(chang)距(ju)離(li)的(de)電(dian)纜(lan)傳(chuan)輸(shu),可(ke)以(yi)在(zai)電(dian)路(lu)中(zhong)間(jian)插(cha)入(ru)另(ling)一(yi)個(ge)緩(huan)衝(chong)器(qi)進(jin)行(xing)擴(kuo)展(zhan)。這(zhe)種(zhong)方(fang)法(fa)可(ke)以(yi)覆(fu)蓋(gai)長(chang)達(da)數(shu)百(bai)米(mi)的(de)有(you)線(xian)傳(chuan)輸(shu)距(ju)離(li)。

圖1:用擴展I2C總線連接兩個節點的電路原理圖。
圖2顯示了通過電纜總線以125kHz速率傳輸DAC地址(0xC0)。通道1連接的是總線側SDA線(U4的引腳6),該信號通過緩衝器驅動後可消除毛刺和來自時鍾線的容性幹擾以及由於使用上拉電阻的開路集成極和走線電容引起的RC效應。通道2顯示的是經過緩衝器驅動後的SDA數據信號(U4的引腳7),通道4(U4的引腳2)是經過驅動後的時鍾SCL。電纜上的時鍾信號(U4的引腳3)示於通道3,通道4是經過緩衝器驅動後的信號(U4的引腳2)。
如果係統測試時給ADC U2發送一個電壓幅度為滿輸入刻度的單極性模擬信號,在DAC U5的輸出負載上就可以得到圖3所示的波形。本設計充分利用了ADC和DAC電路的特性,允許它們處理軌到軌信號。這種低頻信號可以通過在DAC輸出端增加一個低通濾波器加以改進,因為低通濾波器可以降低采樣和重構噪聲。

圖2:緩衝器前後的從節點信號。

圖3:通過I2C發送的滿刻度輸入正弦信號。
特別推薦
- 噪聲中提取真值!瑞盟科技推出MSA2240電流檢測芯片賦能多元高端測量場景
- 10MHz高頻運行!氮矽科技發布集成驅動GaN芯片,助力電源能效再攀新高
- 失真度僅0.002%!力芯微推出超低內阻、超低失真4PST模擬開關
- 一“芯”雙電!聖邦微電子發布雙輸出電源芯片,簡化AFE與音頻設計
- 一機適配萬端:金升陽推出1200W可編程電源,賦能高端裝備製造
技術文章更多>>
- 具身智能成最大亮點!CITE 2026開幕峰會釋放產業強信號
- 助力醫療器械產業高質量發展 派克漢尼汾閃耀2026 ICMD
- 比異步時鍾更隱蔽的“芯片殺手”——跨複位域(RDC)問題
- 數據之外:液冷技術背後的連接器創新
- “眼在手上”的嵌入式實踐:基於ROS2與RK3576的機械臂跟隨抓取方案
技術白皮書下載更多>>
- 車規與基於V2X的車輛協同主動避撞技術展望
- 數字隔離助力新能源汽車安全隔離的新挑戰
- 汽車模塊拋負載的解決方案
- 車用連接器的安全創新應用
- Melexis Actuators Business Unit
- Position / Current Sensors - Triaxis Hall
熱門搜索
ESD
ESD保護
ESD保護器件
ESD器件
Eurotect
Exar
Fairhild
FFC連接器
Flash
FPC連接器
FPGA
Fujitsu
Future
GFIVE
GPS
GPU
Harting
HDMI
HDMI連接器
HD監控
HID燈
I/O處理器
IC
IC插座
IDT
IGBT
in-cell
Intersil
IP監控
iWatt




